SOLIDWORKS可以帮助您轻松地完成设计。借助完全集成的工程图,您可以直接从3D 模型创建工程图,以确保准确性并保持关联。

您在 SOLIDWORKS 中创建工程图的方法与在其他 2D 绘图和工程图系统中创建工程图的办法是相同的。然而,创建 3D 模型并从模型生成工程图有许多优势。
例如:
• 设计模型比绘制线条更快。
• SOLIDWORKS 从模型创建工程图,因此这个过程效率更高。
• 您可在 3D 中审阅模型,在生成工程图之前纠正几何体和设计问题,这样工程图就会避免设计错误。
• 您可将来自模型草图和特征的尺寸和注解自动插入到工程图中,这样您不必在工程图中手工创建尺寸。
• 模型的参数和几何关系在工程图中被保留,这样工程图可反映模型的设计意图。
• 模型或工程图中的更改反映在其相关文档中,这样更改起来更容易,工程图更准确。
创建工程图
在 SOLIDWORKS 中绘图
要在 SOLIDWORKS 中绘制工程图而不创建模型:
1. 新建一个工程图文档,选择一个模板。
2. 使用“草图”工具栏上的工具绘制直线、矩形、圆及其他实体。
3. 使用“尺寸/几何关系”工具栏上的智能尺寸工具为实体标注尺寸。
4. 使用:“注解”工具栏上的工具添加注解(注释、形位公差符号、零件序号等)。
注意:其他方法请参阅下一节内容。参阅 “绘图” 部分查看绘制工程图草图的更多详细信息。

从模型创建工程图
要从零件和装配体文档生成工程图:
1. 在零件或装配体文档中,单击“标准”工具栏上的从零件/装配体制作工程图,然后在图纸格式/大小对话框中选择一个模板。
窗口右侧会打开视图调色板。
2. 单击,将“视图调色板”钉住。
3. 将“视图调色板”中的一个视图拖动到工程图图纸。
4. 在工程图视图 PropertyManager 中,设置方向、显示样式、比例等选项,然后单击√。
5. 重复步骤3和步骤4以添加视图。
注意:您在一个给定的工程图文档中可以有任何模型的任何工程图视图。

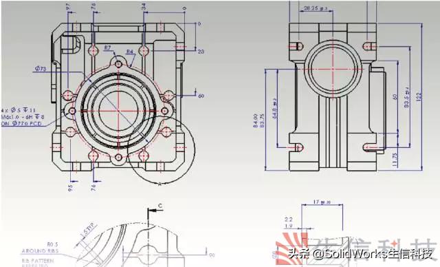
插入了多视图和尺寸的模型零件工程图
绘图
您可使用 “创建工程图” 中所描述的 “草图” 工具、 “尺寸” 工具及 “注解” 在 SOLIDWORKS 工程图文档中以 2D 绘图。
要考虑的概念包括:
草图实体在 SOLIDWORKS 工程图文档中,您可随时添加草图实体,如直线、圆、矩形等。您可以使用图层、线型工具或线条样式选项创建您自己的线条样式。工程图视图您可以添加草图实体和注解到工程图图纸或工程图视图。
工程图视图允许您通过一次操作移动并按比例缩放视图中的所有项目。您可以插入空白视图到工程图图纸以包含所绘制的实体。
标准所绘制的元素遵循工具、选项、文档属性、绘图标准中指定的标准。诸如尺寸箭头、公差、注解显示等等之类的项目是根据标准而创建的,但您也可手工编辑项目(如选择一个不同的箭头样式)。
图纸格式SOLIDWORKS 工程图模板包含工程图图纸格式。您可以编辑并保存格式,您也可以使用无格式模板创建您自己的格式,或者从您的2D CAD 系统导入一个图块(例如标题栏)。
网格线要显示网格,请右键单击并选择显示网格。在工具、选项、文档属性、网格线/捕捉中指定网格间距和捕捉控制。尺寸SOLIDWORKS 中的尺寸控制几何体。
草图实体或模型元素必须与其尺寸相符合,您不能以某一大小绘制一个实体而显示另一个不同大小的尺寸,然而,您可以在工程图图纸或工程图视图中按比例缩放实体。
几何关系几何关系(如水平、同心、相切)也能控制几何体。一些几何关系是在您绘制草图时推理出的,您可以添加、显示和删除几何关系。要防止自动添加几何关系,请在您绘制草图时按 Ctrl 键,或者清除工具、选项、系统选项、草图、几何关系/捕捉中的自动添加几何关系。
注解大多数注解可在草图实体中应用,也可在从 3D 模型派生的工程图中应用,孔标注和自动零件序号除外。单一零件序号和成组零件序号显示为问号,您可以用自定义文字将其替换。您可以将您使用 DimXpert 创建的零件尺寸和公差导入至工程图。
标准
您可以在 SOLIDWORKS 中设定样式来格式化尺寸,但没有必要这样做来使尺寸和其他注解遵循工程图标准。
在SOLIDWORKS 中,您可在工具、选项、文档属性、绘图标准中为当前文档设定标准,标准可以是 ANSI、ISO、DIN、JIS、BSI、GOST 或 GB。您也可以在工程图文档模板中设定标准。


缩放比例
在 SOLIDWORKS 中,工程图视图可以相对于模型为任何比例(如 2:1、1:2)
工程图图纸
您可以在 “图纸属性” 对话框中为每个工程图图纸设置单独的比例。在任何工程图视图外部用右键单击工程图图纸,然后选择“属性”。工程图图纸的比例出现在 SOLIDWORKS 窗口底端的状态行中。
工程图视图
当您在图形区域中选择视图时,工程图视图的比例在PropertyManager中设定。工程图视图使用工程图图纸的比例。
除非:
• 您在创建视图时或以后任何时候指定另一比例。
- 或者 -
• 软件需要以某一比例将视图套合在图纸上。

当您创建一个子视图时(剖视图、局部视图等),子视图的比例可与父视图相同、与工程图图纸相同或自定义比例。此剖视图与其父视图比例相同。

多个工程图
在 SOLIDWORKS 软件中,您可在一个工程图文档中有多个工程图图纸,这就象在一个相同的文件中有一组工程图。图纸可包含任何零件或装配体的工程图视图。您可通过在 SOLIDWORKS 窗口的底部选择一个命名标签在图纸之间切换。您也可使用快捷键菜单添加和删除图纸。

标题栏
当您在 SOLIDWORKS 中打开一个新的工程图时,您选择一个带特定纸张大小和工程图图纸格式的模板,格式可以为标准、自定义、或无格式(只指定大小)。当您定义一个标题栏时,您可以指定可编辑的模板字段,还可指定您可单击的热点区域,以输入标题栏数据。标准格式包含标题栏。
SOLIDWORKS 允许您编辑图纸格式(您也可以保存图纸格式,以备将来工程图使用),您可以添加、移动、格式化及删除线条和文字。您可将注释数据连接到文档属性,如文件名称、日期、图纸编号等等,或者连接到您定义的自定义属性。
默认横向图纸格式中的标题栏包含以下线条和文字:

在此编辑图纸格式范例中,添加了带公司名称的注释,带工程图名称的注释被编辑,线条被加粗,并添加了图形。

工程图视图为容器,一般来说,其内容是模型的视图。当您在工程图中绘制草图或插入注解或图块时,实体属于激活的工程图视图或工程图图纸。在SOLIDWORKS 中,您可以创建如下的工程图视图:
• 标准视图,如标准三视图、各种命名模型视图(如等轴测)和自动从模型创建的相对视图。
• 从另一视图(如为局部视图绘制轮廓)以一个或二个步骤创建的派生视图(投影视图、辅助视图、剖视图、局部视图、断裂视图、断开的剖视图、交替位置视图)。
• 通过菜单项插入、工程图视图、空白插入的空白视图(用于草图实体、注释等等)。模型中的任何更改自动反映在工程图视图中。
对齐视图
SOLIDWORKS 中视图间的对齐是自动,可调整的,例如,标准三视图竖直或水平自动对齐,而剖视图、投影视图、及辅助视图以适当的方向对齐。
您可在正确的对齐之内拖动视图,您还可打断对齐并在工程图图纸的任何地方拖动视图,您可旋转视图并隐藏或显示视图。

标准三视图自动对齐。默认的,上视图受水平约束,右视图被竖直约束。

剖视图以剖切的方向自动对齐。局部视图不对齐。
工程图中的尺寸
通常,您在设计零件时指定尺寸,然后将尺寸从模型插入到工程图。在一个文档中更改尺寸将在任何相关联文档中更改尺寸。
注意:您可以在 SOLIDWORKS 安装期间设置一个选项,防止工程图中的尺寸更改对零件或装配体模型造成影响。在SOLIDWORKS 中,默认情况下,尺寸格式化遵循在工具、选项、文档属性、绘图标准中为文档所设定的标准。
您可以为工具选项、文档属性、尺寸下所列每种类型的尺寸更改文档或模板默认值。SOLIDWORKS 使用样式来保存特定格式。参考尺寸不可修改,它不会改变模型几何体。然而,当模型改变时,参考尺寸会自动更新。
模型尺寸通过使用尺寸名称,参数化连接到模型,当被更改时(在工程图或模型文档中),将修改模型。
当您在零件和装配体文档中插入尺寸时,为工程图标注这些尺寸,除非您另有指定。当您使用模型项目插入模型尺寸时,这些尺寸将自动插入到新工程图视图;或者使用自动标注尺寸时,仅插入为工程图标注的尺寸。当您插入注解视图到工程图时,零件或装配体中的所有注解将插入到工程图。

尺寸在模型草图中定义几何体。

使用插入、模型项目可将模型尺寸转换到工程图中。
基准尺寸、尺寸链、倒角尺寸及孔标注可在工程图中使用,尺寸链也可在草图中使用。
