1.如图甲是某实验小组探究“电流与电压、电阻关系”的电路图,使用的实验器材有:电压为6V的电源.电流表、电压表各一个,开关一个,5Ω、10Ω、15Ω、30Ω的定值电阻各一个,规格为“20Ω 1A”的滑动变阻器一个,导线若干.
(l)探究电流与电压的关系时,所测得的几组电流、电压值如表1所示.在第2次实验中,电流表表的示数如图乙所示,则通过电阻的电流为____A.根据表1数据可得到结论:_______
表1
实验次数 1 2 3
电压U/V 1.0 1.5 2.0
电流I/A 0.2 0.4
(2)探究电流与电阻的关系时,所测得的几组电流、电压值如表2所示,
表2
实验次数 1 2 3
电阻R/Ω 5 10 15
电流I/A 0.6 0.3 0.24
①由于操怍不当,导致一组数据存在错误,请判断第________次实验的数据存在错误.产生错误的原因是____________,正确的数据应该是___________A.
②纠正错误以后,该小组用30Ω的电阻替换15Ω的电阻进行了第4次实验,发现实验无法进行下去,为完成第4次实验,同学们提出了下列解决方案,其中正确的是___________
A.将电压表的量程换为0~15V B.换成电压为12V的电源
C.更换最大阻值大于或等于30Ω的滑动变阻器 D.可将定值电阻两端的电压调为1.5V

2.某实验小组的同学在进行“测量小灯泡的额定功率”的实验中,现有器材:电源(电压恒为6V)、开关、电压表、电流表各一个,导线若干,额定电压为3.8V的待测小灯泡(电阻约为12Ω),滑动变阻器两个(A:“5Ω2A“;B:“20Ω 0.5A”)。
(1)该实验的实验原理是_____;实验中,应选用的滑动变阻器是______(选填“A”或“B”)。
(2)如图甲所示是小田同学连接的实物电路图,图中只有一根导线连接错误,请你在图中用“×”标出这根错接的导线,只改接一根导线使电路成为正确的电路(不能与其他导线交叉)。
(3)小田确认电路连接无误后闭合开关,无论怎样移动滑动变阻器的滑片,小灯泡始终不发光且电压表的示数都接近电源电压,则电路的故障是__________。
(4)排除故障后,移动滑动变阻器的滑片,并绘制出了小灯泡的电流随电压变化的图象如图乙所示,则该小灯泡的额定功率为__________W。
(5)该组的另一同学接着实验时,发现电压表0~15V量程已经损坏,0~3V量程还可以正常使用,在不添加器材的情况下,为了测出该小灯泡的额定功率,请你在丙图中的虚线框内画出正确的电路图。
(6)由图乙推知:小灯泡的实际电压是额定电压一半时的电功率为P1,小灯泡的实际电流是额定电流一半时的电功率为P2,则P1______P2(选填“大于”、“小于或“等于”)。

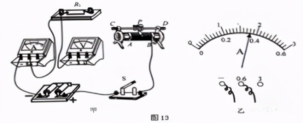
3.小彬用如图13甲所示的实验器材探究“电流与电阻的关系”。电源电压恒为3V,滑动变阻器上标有“20Ω 2A”字样,阻值分别为5Ω、10Ω、20Ω、50Ω的定值电阻各一个。
(1)请你用笔画线代替导线,把图13甲所示的实验电路补充完整。
(2)小彬5Ω定值电阻接入电路后,闭合开关,发现电流表有示数而电压表无示数,则电路中的故障可能是 (写出一种);排除故障后,闭合开关,调节滑动变阻器的滑片P,使电流表的示数如图13乙所示,此时电路中的电流为 A。
(3)将5Ω定值电阻换成10Ω定值电阻,闭合开关,为了保持 表的示数不变,应将滑动变阻器的滑片P向 (选填“A”或“B”)移动,记录此时各表的示数。
(4)将10Ω定值电阻换成20Ω定值电阻,重复步骤(3)。
(5)实验记录的多组数据如下表所示。分析数据可得出结论:当电压一定时,通过导体中的电流与电阻成 比。
(6)实验结束后,小彬问老师在此实验中能否换用50Ω的定值电阻进行实验?老师指导小彬分析了不能更换的原因。你认为其原因是 。

