大家好,我是宗风,气动小课堂又开课啦,许多朋友不明白电磁阀线圈是什么原理,下面这几期我就给大家来讲一下电磁阀线圈的知识,希望大家能够喜欢
磁铁周围存在磁场,螺线管通以电流时,也会形成磁场,其磁力线方向可按右手螺旋定则确定。通电螺线管就象一根条形磁铁,具有吸引铁磁材料的能力。若将铁磁材料放入螺线管内,则可产生更大的电磁吸力。

条形磁铁和蹄形磁铁磁感线示意图

通电螺线管
通过一个面的磁力线总数称为磁通。单位面积上的磁通量称为磁感应强度。工程上,
通电线圈中,加一闭合或包含窄气隙的铁磁材料时,则绝大部分磁力线都过铁磁材料和窄气隙回路,这部分磁通称为主磁通。主磁通通过的路径称为磁路。穿出铁材料的少量磁通称为漏磁通。铁磁材料大大增强了磁感应强度,因而可得到强大的磁场力电磁铁就是利用磁路把电能转化为磁能,再把磁能转换成使动铁心作直线运动的机械能。
电磁铁通常是由激磁线圈、静铁心和动铁心三个主要部分组成。
按通过激磁线圈电流的分类,有直流电磁铁和交流电磁铁两种,下面我们对他们做一个比较。
1.结构:
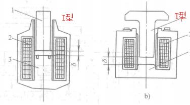
按动铁芯的形状主要有I型和T型

直流电磁铁因不存在磁滞涡流损失,故铁心可用整块铁磁材料制成。动铁心常做成圆柱形,称为I形电磁铁或螺管式电磁铁,与T形电磁铁相比,结构紧凑,体积小,行程短,可动件轻,冲击力小,气隙全处在螺管线圈中,产生吸力较大。但直流电磁铁要防止剩磁过大而影响正常工作。
交流电磁铁通以交变电流时,在铁心中存在磁滞涡流损失。在小型电磁铁上及电磁先导阀上,可使用整体式I形电磁铁。需要较大吸力的直动式电磁阀上,为减小铁耗发热,常使用T形电磁铁,其铁心采用硅钢片迭制而成,以减少铁耗发热。T形电磁铁可动件重量大,动作时冲击力大,但吸力大,行程大。
(2)蜂鸣声
对50Hz的交流电,每秒有100次吸力为零。动铁心因失去吸力而开始返回原位。但很短时间内,吸力又增加,动铁心又重新被吸合,形成动铁心振动,发出蜂鸣声。预防措施是在电磁铁的吸着面上设置分磁环。被分磁环包围部分磁极中的磁通与未被包围部分磁极中的磁通有时差,相应产生的吸力也有时差,故任一瞬间动铁心的总吸力不会为零,可消除振动。分磁环的电阻越小越好(如黄铜、紫铜),但太小会使流过分磁环的电流过大,耗损大。设置分磁环,自然降低了机械强度。因分磁环往往会断裂,而使寿命降低。直流电磁铁不存在蜂鸣声。
(3)吸力与行程的关系
电磁吸力与行程(即气隙)的关系称为吸力特性。弹簧力与重力之和与行程的关系称为反力特性。希望电磁铁在任何行程下,吸力略大于反力,既能保证动铁心吸合,又避免动作速度太快造成冲击和反弹。这样可避免触头熔焊或烧毁,以提高寿命。直流电磁铁的吸力与行程的平方成反比,行程大时吸力很小,即起动力小。交流电磁铁的吸力特性曲线比较平坦,即行程大时也有较大的吸力。
(4)起动电流和保持电流
交流电磁铁电压一定时,激磁电流的大小虽与线圈的电阻有关,但主要受行程的影响。行程大,磁阻大,激磁电流也大。最大行程时的电流称为起动电流,而吸着时的电流称为保持电流,也称励磁电流。在大型电磁铁中,起动电流可达保持电流的10倍以上。小型电磁铁的起动电流也可达到保持电流的2至4倍。若动铁心被卡住,起动电流持续流过时,线圈发热厉害,甚至被烧毁。行程小的电磁先导阀就不易烧毁。交流电磁铁不宜频繁通断。寿命不及直流电磁铁长。当电压一定时,直流电磁铁的线圈电流仅取决于线圈电阻,与行程大小无关。故动铁心被卡住时不会烧毁线圈。直流电磁铁可频繁通断,工作安全可靠。但错接高电压,流过电流过大时,仍会烧毁线圈的。
好了今天就给大家分享到这里,这些都是宗风一点点码出来的,希望大家点赞,转发支持下哟。