号外!号外!你们心心念念的福利来了~
本期福利:CAD零基础系统学习视频教程——7天带你玩转CAD
更多室内设计学习文章,资料,教程,软件,插件,方案,施工工艺材料等可以关注私信小编,不懂的地方,欢迎大家留意交流
第一章 功能区
AutoCAD 在绘图区域的顶部包含标准选项卡式功能区。
您可以从“常用”选项卡访问本手册中出现的几乎所有 42 个命令。
此外,下面显示的“快速访问”工具栏包括熟悉的命令,如“ 新建 ”、“ 打开 ”、“ 保存 ”、“ 打印 ”、“ 放弃 ”,等等。

注意: “快速访问”工具栏的右侧是“工作空间”下拉列表,在“工作空间”下拉列表中,显示“常用”选项卡。你可以来回切换工作空间,根据自己的情况选择合适的空间。上图的工作空间设置为“草图与注释”。
第二章 “命令”窗口
AutoCAD 界面的 核心部分 是 “命令”窗口 ,是你和CAD互相沟通的常用方式,所以初学绘图时一定要认真查看此窗口的提示信息!

它通常固定在应用程序窗口的底部,当然你也可以把它拖到你喜欢的地方,开心就好

“命令”窗口可显示 提示、选项和消息。
您可以直接在“命令”窗口中输入命令,而不使用功能区、工具栏和菜单。
许多长期使用 AutoCAD 的老司机喜欢使用此方法。
注意: 当您开始键入命令时,它会自动完成。
当提供了多个可能的命令时(如下例所示),您可以通过单击或使用箭头键并按 Enter 键或空格键来进行选择。

提示如果您不知道如何访问命令,可以对它进行搜索。

搜索结果将在当前工作空间中列出所有可能的命令及其位置。
可以单击任何结果来启动该命令。
第三章 鼠标
大多数用户使用鼠标作为其定点设备,但是其他设备也具有相同的控件。

提示 :当您查找某个选项时,可尝试单击鼠标右键。
根据定位光标的位置,不同的菜单将显示相关的命令和选项。
鼠标的技巧可以参照下文——《CAD画图时鼠标原来是这么用的!》
第四章 新图形
通过为文字、标注、线型和其他几种部件指定设置,您可以轻松地满足行业或公司标准的要求。
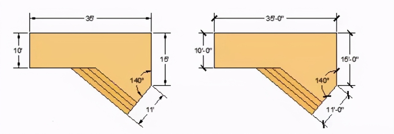
例如,下图此后院甲板设计显示了两个不同的标注样式。

所有这些设置都可以保存在图形样板文件中。单击“新建”以从下面几个图形样板文件中进行选择:

对于英制图形,假设您的单位是英寸,请使用 acad.dwt 或 acadlt.dwt。
对于公制单位,假设您的单位是毫米,使用 acadiso.dwt 或 acadltiso.dwt。

列表中的“教程”样板文件是用于建筑或机械设计主题的简单样例,使用英制 (i) 和公制 (m) 版本。您可能想要对它们进行试验。
大多数公司使用符合公司标准的图形样板文件。他们通常使用不同的图形样板文件,具体取决于项目或客户。
第五章 创建自己的图形样板文件
可以将任何图形 (.dwg) 文件另存为图形样板 (.dwt) 文件。您也可以打开现有图形样板文件,进行修改,然后重新将其保存(如果需要,请使用不同的文件名)。

如果您独立工作,可以开发图形样板文件以满足您的工作偏好,在以后您熟悉其他功能时,可以为它们添加设置。
要修改现有图形样板文件,请单击“打开”,在“选择文件”对话框中指定“图形样板 (*.dwt)”并选择样板文件。

重要信息: 如果你的的公司已经建立了一组图形样板文件,请在修改其中的任何文件之前先与管理员进行核对,免得出问题被老板一顿臭骂哟。
第六章 单位
当你第一次开始绘制图形时,需要确定一个单位表示长度(英寸、英尺、厘米、千米或某些其他长度单位)。例如,以下对象可能表示两栋长度各为 125 英尺的建筑,或者可能表示以毫米为测量单位的机械零件截面。

注意您不能指定在 AutoCAD 图形中使用的基本测量单位,但可以控制长度、角度和坐标在用户界面中的显示方式。
第七章 单位显示设置
在您决定使用哪种长度单位之后,UNITS 命令可使您控制几种单位显示设置,包括:
- 格式(或类型)。例如,可以将十进制长度 6.5 设置为改用分数长度 6-1/2 来显示。
- 精度。例如,十进制长度 6.5 可以设置为以 6.50、6.500 或 6.5000 显示。
如果您打算使用英尺和英寸,请使用 UNITS 命令将单位类型设置为“建筑”,然后在创建对象时,可以指定其长度单位为英寸。如果要使用公制单位,请保留将单位类型设置为“小数”。更改单位格式和精度不会影响图形的内部精度。它只会影响长度、角度和坐标在用户界面中如何显示。
提示: 如果您需要更改 UNITS 设置,就确保将图形另存为图形样板文件。否则要更改每个新图形的 UNITS 设置。
第八章 模型比例
始终以实际大小(1:1 的比例)创建模型!
始终以实际大小(1:1 的比例)创建模型!
始终以实际大小(1:1 的比例)创建模型!
术语模型是指设计的几何图形。
图形包含模型几何图形以及显示在布局中的视图、注释、尺寸、标注、表格和标题栏。
在您创建布局时,可以指定以后在标准大小的图纸上打印图形时所需的比例。
比例是个既简单又复杂的东西,对于比例还有什么不懂可以参考此文章《【强力推荐】设计院10年CAD制图布局攻略大总结!》
第九章 老司机的建议
- 要打开关于正在运行的命令信息的“帮助”,只需按 F1 键。
- 要重复上一个命令,请按 Enter 键或空格键。
- 要查看各种选项,请选择一个对象,然后单击鼠标右键,或在用户界面元素上单击鼠标右键。
- 要取消正在运行的命令或者如果感觉运行不畅,请按 Esc 键。例如,如果您在绘图区域中单击,然后再输入命令,您将看到与下图类似的显示:

按 Esc 键取消该预选操作。
第十章 多年资料积累

资料免费领取1.点击右上角关注2.转发或评论:“任意内容”即可获得免费领取权限3.领取方式:私信:“资料”或者“CAD”即可领取