典型单元电路
1.单相压缩机电路
定频空调器典型压缩机电路由压缩机电机、压缩机运行电容、压缩机供电电路和过载/过热保护电路构成,如图7-1所示。

图7-1 定频空调器典型压缩机电路
需要制冷/制热时,微处理器IC1 ⑤脚输出的高电平控制信号经驱动块IC2⑤、 12 脚内的非门倒相放大后,为继电器RL1的线圈提供导通电流,RL1 内的触点闭合,接通压缩机的供电电路,压缩机电机在运行电容的配合下开始运行,实现制冷/制热功能。
为了防止制冷系统、通风系统异常导致压缩机可能过载损坏,空调器多设置了过载保护器。该过载保护器多为双金属片型过载保护器,它不仅可安装在压缩机顶部,也可以安装在压缩机内部。当压缩机因制冷系统等异常引起压缩机过载时,过载保护器的触点断开,切断供电回路,使压缩机停转,以免压缩机因过载而损坏。当然压缩机电机绕组异常或压缩机内部的机械系统异常,也会导致该保护器动作。
2.三相电压缩机电路
三相电柜式空调器与普通单相电空调器的本质区别就是,它采用了三相 380V 供电的压缩机,而室外机接线端板输入的R、S、T三相电(火线)需要通过交流接触器为压缩机供电,也就是交流接触器内的3对触点动作闭合时,压缩机才能得到380V供电而运转。交流接触器动作闭合的条件是其线圈两端有220V供电电压,而这个220V电压有无受电脑板输出的压缩机运行信号的控制。只有在室内机或室外机电脑板(控制板)检测到三相电的相序正常后,才能输出压缩机运行指令,使 220V 电压加到交流接触器的线圈,交流接触器内的触点才能吸合,使压缩机旋转。若三相电的相序异常,则电脑板不输出压缩机运转信号,交流接触器不能吸合,压缩机不运转。这与单相电空调器的压缩机工作方式有本质差别。图7-2是华宝KFR-160LW/A3SG3三相电空调器的室外机电气接线图。

图7-2 华宝KFR-160LW/A3SG3三相电柜机
室外机6位端子板上的R为R相火线,S为S相火线,T为T相火线,N为零线,而两侧的都是接地线。其中,S相、R相、T相火线不仅输入到交流接触器的3个输入端子上,而且送到相序板。当相序板检测R、S、T三相电相序正确并将该信息送给室内机电脑板后,室内机电脑板输出压缩机运转指令,使电脑板上的继电器吸合,为交流接触器线圈提供220V交流电压,线圈产生磁场,使交流接触器的3对触点闭合,接通压缩机的供电回路,于是三相电加到压缩机U、V、W的3个端子上,压缩机开始运转。
典型定频空调整机电路
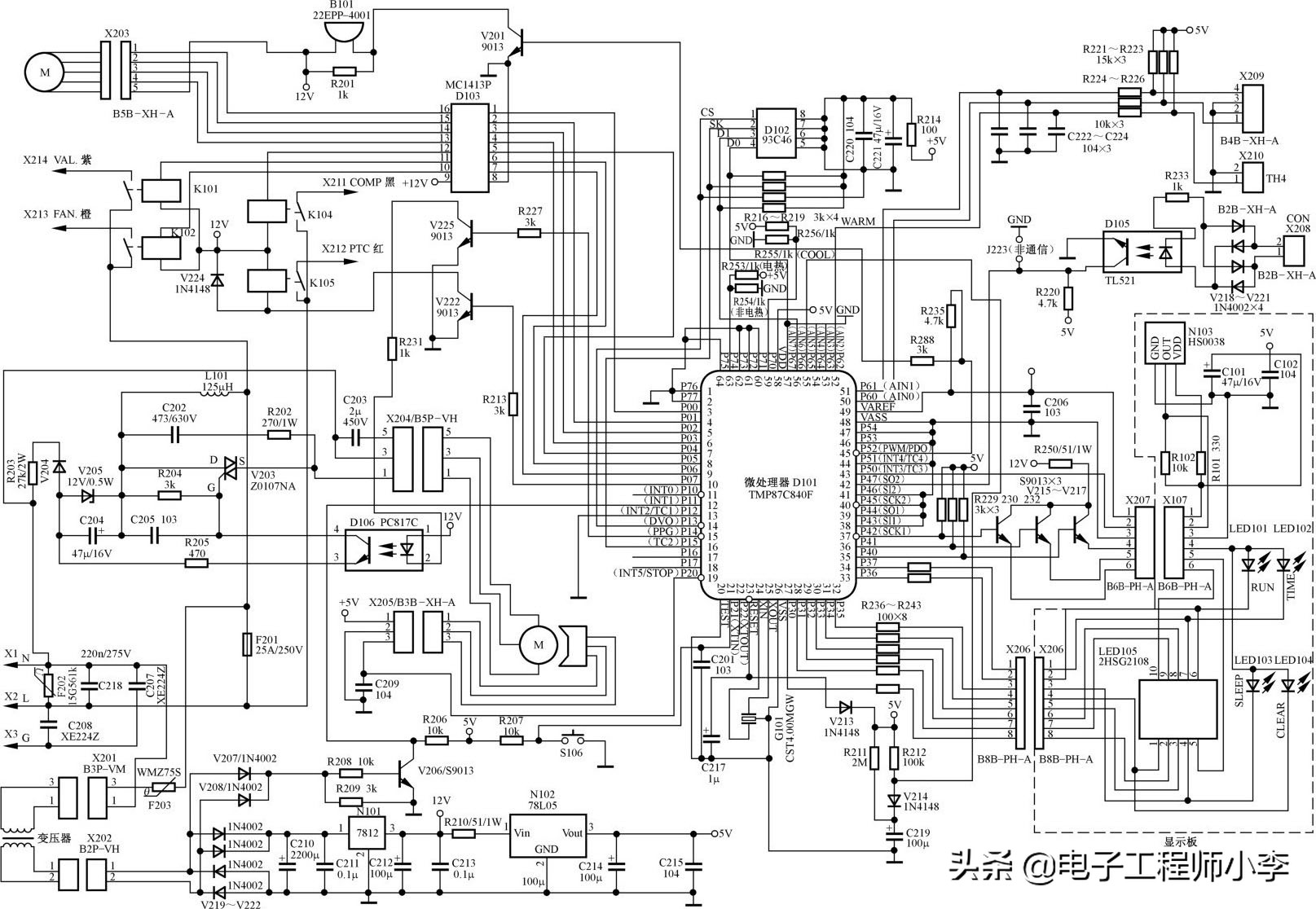
下面以科龙KFR-26/35GW/H(F)型空调器电路为例,介绍定频空调整机电路的识图方法。科龙KFR-26/35GW/H(F)型分体式空调器的电脑板电路由电源电路、微处理器(CPU)电路、制冷控制电路、风扇电路、保护电路等构成,如图7-3所示。
1.电源电路
该机的电源电路采用变压器降压式直流稳压电源电路。该电路的核心元器件是变压器、整流管 V219~V222、滤波电容 C210、12V 稳压器 N101(7812)、5V 稳压器 N102(78L05),辅助元器件有熔丝管F201、压敏电阻F202、限流电阻F203与滤波电容C208、C207、C218。
插好空调器的电源线后,220V市电电压通过C218、C207、C208滤除市电电网中的高频干扰脉冲,通过 F201、F203 和连接器 X201 加到变压器的一次绕组。市电输入回路并联的F202是压敏电阻,当市电电压过高时F202击穿短路,用户家的低压断路器跳闸或熔断器过电流熔断,切断输入回路,避免了电源电路的元器件过电压损坏。
市电电压通过变压器降压输出15V左右(与市电电压高低成正比)的交流电压,一路送到交流过零检测电路;另一路通过V219~V222桥式整流、C210和C211滤波产生20V左右的直流电压,再通过三端稳压器N101稳压输出12V电压。该电压不仅为电磁继电器、驱动块等电路供电,而且利用三端稳压器N102稳压输出5V电压,通过C214、C215滤波后,为微处理器D101和相关电路供电。
2.市电过零检测电路
市电过零检测(同步信号输入)电路的核心元器件是整流管V207、V208,放大管V206,电阻R206、R208、R209。
变压器输出的电压通过V207、V208整流产生脉动电压,经R208限流产生100Hz交流检测信号,即同步控制信号。该信号作为基准信号加到微处理器D101的 12 脚,D101对 12 脚输入的信号检测后,确保室外风扇电动机供电回路中的双向晶闸管 V203 在市电过零点处导通,从而避免了V203在导通瞬间可能因导通损耗大而损坏。
3.微处理器电路
该机的微处理器电路以日本东芝公司生产的微处理器 D101(TMP87C840F)为核心构成。
(1)微处理器基本工作条件电路
微处理器正常工作需具备5V供电、复位、时钟振荡正常的3个基本条件。
① 5V 供电。插好空调器的电源线,待电源工作后,由它输出的 5V 电压加到微处理器D101的供电端 58 脚,为D101供电。

图7-3 科龙KFR-26/35GW/H(F)型空调器
② 复位。该机的复位电路的核心元器件是微处理器D101和复位电容C217。开机瞬间,由于C217需要充电,所以D101的 23 脚电位由低逐渐升高。当D101的 23 脚电位为低电平时,D101 内的存储器、寄存器等电路清零复位。随着 C217 充电的不断进行,C217 两端的电压逐渐升高,当它两端的电压为高电平后,D101内部电路复位结束,开始工作。正常工作后,D101的 23 脚电位几乎与供电相同。
③ 时钟振荡。时钟振荡电路的核心元器件是微处理器D101和G101。D101得到供电后,它内部的振荡器与 24 、 25 脚外接的晶体振荡器G101通过振荡产生4MHz的时钟信号。该信号经分频后协调各部位的工作,并作为D101输出各种控制信号的基准脉冲源。
(2)功能操作电路
功能操作电路的核心元器件是微处理器D101、遥控接收器N103(HS0038)。
连接器 X207/X107 的②脚外接遥控接收器 N103。用遥控器对该机进行温度调节等操作时,N103将遥控器输出的红外信号进行解码、放大后,从N103的OUT端子输出,经X207的②脚输入到D101的 43 脚,被D101处理后,控制相关电路进入用户所需要的状态。
(3)显示屏、指示灯控制电路
显示屏、指示灯控制电路的核心元器件是微处理器D101、放大管V215~V217、发光二极管LED101~LED104和显示屏LED105。其中,LED101是运行指示灯,LED102是定时指示灯,LED103是睡眠指示灯。哪个指示灯发光、显示屏是否显示受微处理器D101的 27~37 脚输出的信号控制。
(4)蜂鸣器控制电路
蜂鸣器控制电路的核心元器件是微处理器D101、放大管V201、蜂鸣器B101。
进行操作时,D101的 45 脚输出的脉冲信号经R288限流,再经V201倒相放大,驱动蜂鸣器B101鸣叫,表明操作信号已经被D101接收。
4.空调器工作方式设置
(1)单冷/冷暖机型设置
微处理器D101的 59 脚是单冷、冷暖机型设置脚。5V电压通过R256、R255分压产生2.5V左右电压,加到D101的 59 脚,被D101识别后,D101具有冷暖型空调器的控制功能。若将D101的 59 脚接地,使 59 脚电位为低电平后,D101仅具有单冷型空调器的控制功能。
(2)电加热辅助功能设置
微处理器D101的 63 脚是电加热辅助功能的设置脚。5V电压通过R253、R254分压产生2.5V左右电压,加到D101的 63 脚,被D101识别后,D101具有电加热辅助功能。若将D101的 63 脚接地,使 63 脚电位为低电平后,D101取消电加热辅助功能。
5.制冷/制热控制电路
制冷控制电路的核心元器件是室内环境温度传感器、室内盘管温度传感器、微处理器D101、驱动块D103(MC1413P)、放大管V222和V225、双向晶闸管V203,以及供电继电器K101、K102、K104。
(1)制冷控制
当室内温度高于设置的温度时,连接器 X209①脚外接的室内环境温度传感器的阻值减小,5V电压通过R222与其取样后产生的电压减小,通过R225限流,再通过C223滤波,为微处理器D101 50 脚提供的电压减小。D101将该电压数据与其内部固化的不同温度的电压数据比较后,识别出室内温度,确定空调器需要进入制冷状态。此时它的⑧、⑩脚输出低电平控制信号,它的⑦、⑨脚输出高电平信号,它的 15 脚输出激励脉冲。⑧脚输出的低电平信号加到驱动块 D103 的⑥脚,通过⑥脚内的倒相放大器放大后,使它的 11 脚电位为高电平,不能为继电器K101的线圈提供电流,使K101内的触点释放,不能为四通换向阀的线圈供电,于是四通换向阀的阀芯不动作,使系统工作在制冷状态,即室内热交换器用作蒸发器,而室外热交换器用作冷凝器。 脚输出的电压为低电平电压,K105内的触点不能吸合,电加热器不加热。⑦脚输出的高电平信号加到 D103 的⑤脚,通过⑤脚内的倒相放大器放大后,使它的 12 脚电位为低电平,为继电器K104的线圈提供电流,使它内部的触点吸合,接通压缩机的供电回路,压缩机在启动电容的配合下运转,开始制冷。⑨脚输出的高电平信号经D103⑦脚内的非门倒相放大后,为继电器K102的线圈提供电流,使K102内的触点闭合,接通室外风扇电动机的供电回路,使室外风扇电动机在启动电容配合下旋转,为压缩机、室外热交换器进行散热。 15 脚输出的激励脉冲信号经R227限流,再经V225倒相放大,通过R231使光电耦合器D106(PC817C)内的发光二极管发光,致使它内部的光敏三极管导通,通过R204、C205、R205触发双向晶闸管V203导通,为室内风扇电动机供电,在启动电容C203的配合下,室内风扇电动机运转,加速室内热交换器内的制冷剂汽化吸热,实现室内降温的目的。随着压缩机和各个风扇电动机的不断运行,室内的温度开始下降。当温度达到要求,被D101识别后,判断室内的制冷效果达到要求,控制⑦、⑨、 15 脚输出停机信号,切断压缩机和各个风扇电动机的供电回路,使它们停止运转,制冷工作结束,进入保温状态。随着保温时间的延长,室内的温度逐渐升高,使室内环境温度传感器的阻值逐渐减小,为D101 50 脚提供的电压再次减小,重复以上过程,空调器再次工作,进入下一轮的制冷循环。
(2)制热控制
制热控制和制冷基本相同,不同的地方主要有3个:一是D101的⑧脚输出的控制信号经驱动块D103⑥脚内的非门倒相放大后,为继电器K101的线圈提供电流,使K101内的触点吸合,为四通换向阀的线圈供电,四通换向阀的阀芯动作,改变制冷剂的流向,使系统工作在制热状态,即室内热交换器用作冷凝器,而室外热交换器用作蒸发器;二是制热初期,D101的 15 脚不输出激励脉冲,使室内风扇电动机不运转,以免为室内吹冷风,只有室内盘管的温度升高到一定值后,室内盘管的阻值减小到需要值,使 D101 的 51 脚输入的电压减小,被 D101 识别后判断室内盘管温度升高到需要值,才控制 15 脚输出激励信号,使室内风扇电动机运转;三是制热时D101的电加热控制端⑩脚输出高电平控制信号,该电压通过R213限流,再经放大管V222倒相放大,使继电器K105的触点闭合,接通加热器的供电回路,加热器开始加热。
提示
V224 是钳位二极管,以免 V222 截止瞬间 K105 线圈产生的尖峰脉冲导致 V222过电压损坏。
6.室内风扇电动机电路
(1)转速调整电路
当用户通过遥控器降低风速时,遥控器发出的信号被微处理器 D101 识别后,使其 15 脚输出的控制信号的占空比减小,通过R227限流,使V203导通程度减小,为光电耦合器D106内的发光二极管提供的导通电流减小,发光二极管发光减弱,光敏三极管导通程度减小,为双向晶闸管V203提供的触发电流减小,V203的导通程度减小,为室内风扇电动机提供的电压减小,室内风扇电动机转速下降。反之,控制过程相反。
(2)相位检测
室内风扇电动机的相位检测电路的核心元器件是室内风扇电动机内部安装的霍尔传感器和微处理器。
当室内风扇电动机旋转后,室内风扇电动机内部的霍尔传感器输出端输出相位检测信号,即PG脉冲信号。该脉冲信号通过连接器X205的③脚输入到电脑板,通过C209滤波后加到微处理器D101的 19 脚。当D101有PG脉冲输入后,D101才能确认室内风扇电动机运转正常,输出控制信号使室内风扇电动机继续运转;若D101无PG信号输入,D101判断室内风扇电动机旋转异常,输出控制信号使室内风扇电动机停转,实现室内风扇电动机旋转异常保护。
7.导风电动机电路
导风电动机电路的核心元器件是微处理器D101、导风电动机。由于导风电动机采用的是步进电动机,所以要求D101利用③~⑥脚输出激励脉冲信号。
在停止状态下,按遥控器上的“风向”键后,D101的③~⑥脚输出激励脉冲信号,从驱动块 D103 的①~④脚输入,利用它内部的倒相放大器放大后,从 16 ~ 13 脚输出,再经连接器X201驱动步进电动机旋转,带动室内机上的风叶摆动,实现大角度、多方向送风。
提示
导风电动机旋转只有在室内风扇电动机运行时有效。
8.化霜控制电路
该机的化霜控制电路的核心元件是室外盘管温度传感器、微处理器D101、驱动块D103、四通换向阀及其供电继电器K101。
空调器工作在制热状态后,微处理器 D101 内的计时器对压缩机运行时间进行计时。室外热交换器表面温度因结霜低于−11℃,连接器X210外接的室外盘管传感器的阻值增大,5V电压通过R223与它分压得到的取样电压增大。该电压通过R226限流,再经C224滤波后加到微处理器D101的 52 脚,D101将该电压数据与其内部固化的不同温度的电压数据比较后,确定室外热交换器需要化霜。首先,D101控制压缩机和室外风扇电动机停转,并使 15 脚输出的激励脉冲占空比减小,室内风扇微风旋转,约1min后使⑧脚输出低电平控制信号,切断四通换向阀线圈的供电,改变制冷剂的走向,使系统进入制冷状态,再经 1min后启动压缩机运行,使室外热交换器的温度升高,为其化霜。化霜时间超过8min或室外热交换器表面的温度达到 5℃后,室外盘管温度传感器的阻值减小,使 D101的 52 脚输入的电压减小,被 D101 识别后判断化霜达到要求,使压缩机停转,约 1min 后对四通换向阀进行切换控制,使系统再次恢复为制热状态,再经1min延迟后控制压缩机和室外风扇电动机运转。
9.保护电路
为了确保空调器正常工作,或在故障时不扩大故障范围,该空调器设置了多种保护电路。
(1)制冷防冻结保护电路
制冷防冻结保护电路的核心元器件是室内盘管温度传感器、微处理器D101。
制冷期间,若室内热交换器(蒸发器)表面温度低于−1℃时,被室内盘管温度传感器检测后,将该温度的电压信号传递给微处理器D101的 51 脚,D101识别出室内热交换器的温度后,控制⑦脚输出低电平控制信号,使压缩机停止工作,控制空调器进入制冷防冻结保护状态。当室内热交换器的温度超过5℃后,自动进入制冷状态。
(2)制热防过热保护电路
制热防过热保护电路的核心元器件也是室内盘管温度传感器、微处理器D101。
制热期间,若室内热交换器(冷凝器)表面温度超过53℃时,被室内盘管温度传感器检测后,将该温度的电压信号传递给微处理器D101的 51 脚,D101识别出室内热交换器的温度后,控制⑨脚输出低电平控制信号,室外风扇停止旋转;若室内热交换器表面温度超过63℃,被 D101 识别后,控制⑦脚输出低电平控制信号,使压缩机停转,控制空调器进入制热防过热保护状态;当室内热交换器表面温度低于49℃后,自动退出保护状态。
(3)压缩机供电延迟保护电路
压缩机供电延迟保护电路的核心元器件是R212、V214、C219和微处理器D101。
为空调器通电后,由于电容C219两端的初始电压为0,所以5V供电通过R212、V214为C219充电,使D101的 55 脚电位由低逐渐升高,此时D101的⑦脚不能输出高电平控制信号,压缩机不能工作,以免压缩机停转后立即工作,可能会因液击等原因损坏。只有D101 的 55 脚电位达到高电平后,它的⑦脚才能输出高电平控制信号,使压缩机运行,实现压缩机供电延迟保护。由于C219充电的时间为3min左右,所以该电路也叫3min延迟保护电路。