1 背景与问题
理想的三相交流电力系统,三相电压为同一幅值,相位互差120°。然而由于负载消耗以及单相带载等情况,负载完全不一样,会导致电力系统三相电流不平衡,三相电流不平衡带来的问题是三相电压产生偏差。
电压不平衡定义:三相系统中,线电压的基波有效值互不相等或线电压之间相角互不相等。三相不平衡将使电气设备热损耗增加,发生振动,保护与控制设备可能受到干扰;多相换流器直流端将产生纹波分量等。
本文不谈对三相不平衡的补偿,只谈对三相不平衡的检测。
2 检测算法原理
众所周知,由对称分量法,任何一组不对称的三相相量都可以分解为三组对称的相量。相量表达式如下列式。
不对称的三相系统,可以分解为相序分别为正、负、零的三个独立的对称系统叠加。

定义复数算子a:

不对称系统与对称系统之间的转换

三相基波序分量分解示意图:

矢量图
3 公式仿真
3.1 分解方式
正序分解:电网同步锁相得出相位 theta,将此相角与实时检测电压Va,Vb,Vc进行DQ0坐标变换得出Vd,Vq,V0,将此三组量经过电网周期平均后得出平均值V(─)d,V(─)q,V(─)0,在将平均值与theta相位角度综合进行DQ0到ABC的三相反变换后得出三相正序电压Va+ ,Vb+,Vc+。
负序分解:电网同步锁相得出相位 theta,取反相角即-theta,将此相角与实时检测电压Va,Vb,Vc进行DQ0坐标变换得出Vd,Vq,V0,将此三组量经过电网周期平均后得出平均值V(─)d,V(─)q,V(─)0,在将平均值与-theta相位角度综合进行DQ0到ABC的三相反变换后得出三相负序电压Va- ,Vb-,Vc-。
零序分解:将实时检测电压Va,Vb,Vc瞬时相加后除以3,即得出三相零序电压Va0 ,Vb0,Vc0。
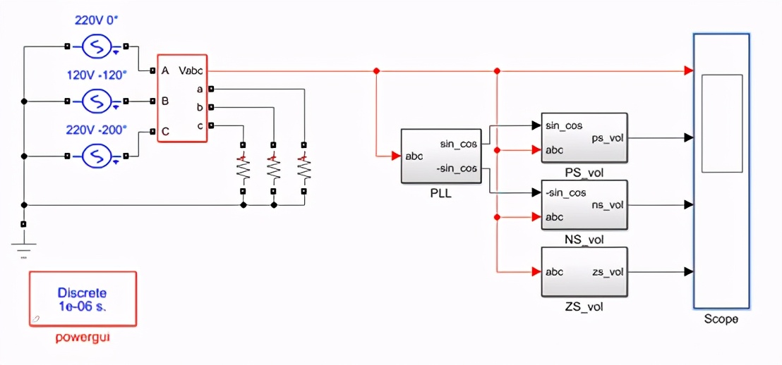
对三相不平衡电网系统建立检测模型,可以使用双同步旋转坐标进行电网的锁相,模型如下所示:

不平衡解算系统仿真
3.2 PLL模块
双同步旋转坐标的锁相模块,锁定电网正序电压相位,同时可以输出负相位信息。可参考三相电网锁相环模型。
3.3 PS_vol模块
提取三相电网电压的正序电压分量计算模型。

将电压进行dq坐标变换,去周期均值后再反变换得出正序瞬时波形。

abc2dq0模型

dq02abc模型
3.4 NS_vol模块
提取三相电网电压的负序电压分量计算模型,取负序采用-thera进行变换。同样用到dq坐标变换与反变换,只是前后都以-theta做为坐标变换同步相位。

3.5 ZS_vol模块
提取三相电网电压的零序电压分量计算模型,直接取三相电压瞬时值相加再除以3作为每一相的零序分量。

4 分析图示
我们建立模型,通过改变输入信号形成平衡与不平衡系统,测试确认相位锁定情况:
电网开始为三相对称,幅值相等的平衡系统,在第0.78S时,我们将 B相电压从220V瞬间跌落到120V,系统检测出负序电压与零序电压分量。

电网开始为三相对称,幅值相等的平衡系统,在第0.72S时,我们将 B相电压相位从-120°改为-90°。系统检测出负序电压与零序电压分量。

5 结论
计算过程简单,系统不平衡都是至少一个周期解算出来,需要周期滤波取均值。
相位同步是电网所有坐标变换的基础,考虑到电网谐波,在计算基波零序时需要提取基波进行计算。本系统暂未考虑电压谐波问题,且只会影响到零序基波电压。同样的适用于不平衡电流的正序、负序与零序电流的分解,根据适当的解算公式,还可以将电流正序分解成有功与无功电流,当然谐波电流需要进行FFT才好计算。