建筑工程钢筋施工质量控制及优秀工程管理案例分析
钢筋工程 是钢筋混凝土工程的重要组成部分之一,其作为钢筋混凝土结构的一个分项工程,起着抗拉剪等抗应力应变的作用。其中钢筋原材料双控、保管方法、加工、连接过程的质量控制,直接影响着钢筋工程的质量。
国企等大型建筑公司项目工程,关于钢筋工程施工中一些问题及相应的质量控制措施,而且提出了钢筋施工工艺、质量标准、应当杜绝的质量缺陷及质量管控要点、通病防治、施工中应注意的事项,质量事故案例分析等,进而提高钢筋工程的质量。

文末有完整版,注意看文末!
一、钢筋原材料性能介绍及进场验收要求
钢筋分类:
- 按轧制外形分

- 按直径大小分
钢丝(直径3~5mm)、细钢筋(直径6~10mm)、粗钢筋(直径大于22mm)。
- 按力学性能分

图纸、图集中钢筋符号
- 按化学成分分
- 按生产工艺分

钢筋分类
钢筋力学性能:
- 钢筋进场验收要求及各尺寸偏差要求

热轧带肋钢筋原材直径及重量偏差检验理论表

热轧光园钢筋原材直径及重士偏基检验理论表
二、钢筋工程施工工艺及管理程序
钢筋施工工艺流程图:

施工工序

钢筋施工质量控制:
- (一)钢筋制作质量控制
1、料单控制

料单控制
2、原材料控制

原材料控制
钢筋工程安装允许偏差及检查方法

3、钢筋下料控制

钢筋下料控制
三、钢筋工程施工质量管控要点
桩基础钢筋质量控制要点
- 桩基础钢筋笼的主筋、箍筋、加强筋的强度等级、数量、间距、直径必须符合设计及规范要求。
- 桩基础钢筋连接接头的位置、间距必须符合规范要求;焊接接头的焊缝平直、饱满,无夹渣咬肉等质量缺陷;当采用单面搭接焊时,焊缝长度≥10d,采用双面搭接焊时,焊缝长度≥5d。
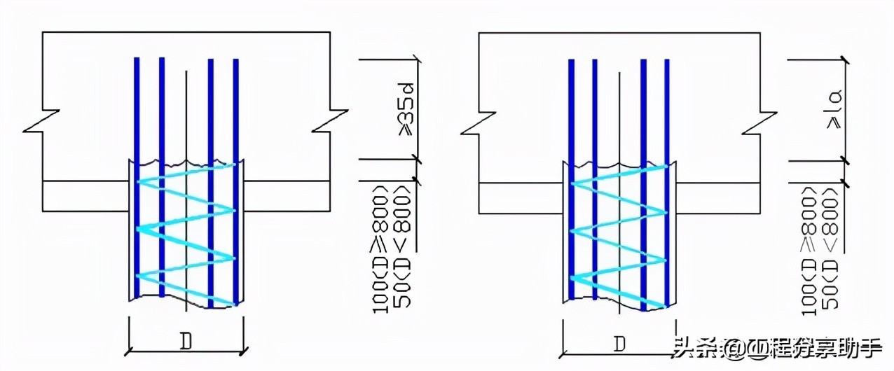
- 当桩径或方桩的截面尺寸<800mm时,桩顶嵌入承台或承台梁内长度不宜小于50mm;当≥800mm时,不宜小于100mm。

图 1 桩在承台内嵌固及纵筋锚固示意图图 2 抗拔桩在承台内嵌固及纵筋锚固示意图
梁钢筋质量控制要点
- 梁钢筋绑扎前宜在梁侧模板上画出箍筋间距,再摆放箍筋。
- 主梁与次梁的纵向钢筋交叉处,主梁上部纵筋与次梁上部纵筋的上、下位置关系应根据楼层施工钢筋整体排布方案并经设计单位确认后确定,一般次梁上部钢筋在主梁上部钢筋之上;次梁下部纵筋应置于主梁下部纵筋之上,示意图如下:

图 3 主次梁交叉部位钢筋示意图

图 4 上部纵向钢筋贯穿中间节点示意图
四、钢筋工程典型质量缺陷、质量通病原因分析及防治措施
柱主筋偏位

问题描述:
柱主筋偏位严重,影响框架柱结构受力;
原因分析:
1、框架柱钢筋设置定位箍筋不规范;
2、浇筑砼时随意扳动钢筋后未及时调整;
改进措施:
1、梁板筋绑扎完成后,浇筑砼前应设置定位箍,定位箍应设置3道;
2、砼浇筑时候密切关注钢筋偏位情况,及时修复;
3、如柱筋偏移,后续处理应植筋处理,设置加强筋,禁止主筋随意打弯。
框架柱变截面不规范

内容展示有限,有需要完整电子版资料看这里
