
杰哥最近很忙,没法给大家分享一些见解,这不,为大家搜罗一些有用的知识贴,希望能对你有用。
RS-232、RS-422与RS-485都是串行数据接口标准,RS-232是PC机与通信中应用最广泛的一种串行接口。RS-232被定义为一种在低速率串行通讯中增加通讯距离的单端标准。RS-232采取不平衡传输方式,即所谓单端通讯,而RJ45接口通常用于数据传输,最常见的应用为网卡接口。

RS-232是为点对点(即只用一对收、发设备)通讯而设计的,其驱动器负载为3~7kΩ。所以RS-232适合本地设备之间的通信。
422与RS-485串行接口标准,RS-422、RS-485与RS-232不一样,数据信号采用差分传输方式,也称作平衡传输,它使用一对双绞线,在早期PC通信中比较常见,RS-422的最大传输距离为4000英尺,最大传输速率为10Mb/s。

RS-485与RS-422一样,其最大传输距离约为1219米,最大传输速率为10Mb/s。平衡双绞线的长度与传输速率成反比,在100kb/s速率以下,才可能使用规定最长的电缆长度。只有在很短的距离下才能获得最高速率传输。一般100米长双绞线最大传输速率仅为1Mb/s。
这些异步串行通讯接口都应用于计算机测控系统中,RS232C 是美国电子工业协会正式布的串行总线标准,也是目前最常用的串行接口标准,用于实现计算机与计算机之间、计算机与外设之间的数据通讯。RS232C串行接口总线适用于:设备之间的通讯距离不大于15米,传输速率最大为20kB/s。

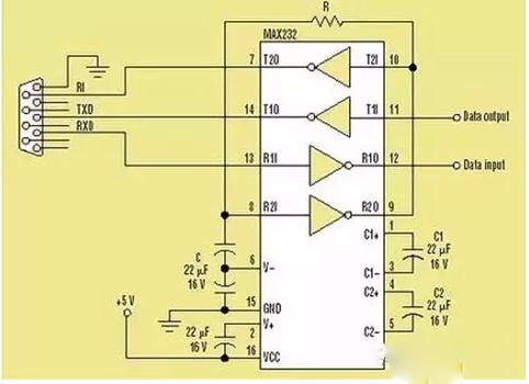
一个完整的RS232C接口有22根线,采用标准的25芯插头座。RS232C采用逻辑,逻辑“1”:-5V~-15V,逻辑“0”:+5V~+15V
缺点:数据传输速度慢、通讯距离短、未规定校准的连接器、接口处各信号间易产生串扰。

1、RS-232是美国电子工业协会EIA(Electronic Industry Association)制定的一种串行物理接口标准。RS是英文“推荐标准”的缩写,232为标识号,C表示修改次数。RS-232-C总线标准设有25条信号线,包括一个主通道和一个辅助通道,在多数情况下主要使用主通道,对于一般双工通信,仅需几条信号线就可实现,如一条发送线、一条接收线及一条地线。RS-232-C标准规定的数据传输速率为每秒50、75、100、150、300、600、1200、2400、4800、9600、19200波特。RS-232-C标准规定,驱动器允许有2500pF的电容负载,通信距离将受此电容限制,例如,采用150pF/m的通信电缆时,最大通信距离为15m;若每米电缆的电容量减小,通信距离可以增加。传输距离短的另一原因是RS-232属单端信号传送,存在共地噪声和不能抑制共模干扰等问题,因此一般用于20m以内的通信。

RS232通讯的基础知识:RS232通讯又叫串口通讯方式。是指计算机通过RS232国际标准协议用串口连接线和单台设备(控制器)进行通讯的方式。
通讯距离:9600波特率下建议在13米以内。
通讯速率(波特率 Baud Rate):缺省常用的是 9600 bps,常见的还有 1200 2400 4800 19200 38400等。波特率越大,传输速度越快,但稳定的传输距离越短,抗干扰能力越差。

2、RS-485总线,在要求通信距离为几十米到上千米时,广泛采用RS-485 串行总线标准。RS-485采用平衡发送和差分接收,因此具有抑制共模干扰的能力。加上总线收发器具有高灵敏度,能检测低至200mV的电压,故传输信号能在千米以外得到恢复。 RS-485采用半双工工作方式,任何时候只能有一点处于发送状态,因此,发送电路须由使能信号加以控制。RS-485用于多点互连时非常方便,可以省掉许多信号线。应用RS-485 可以联网构成分布式系统,其允许最多并联32台驱动器和32台接收器。

RS485通讯的基本知识:RS485和RS232的基本的通讯机理是一致的,他的优点在于弥补了RS232 通讯距离短,不能进行多台设备同时进行联网管理的缺点。
计算机通过 RS232 RS485转换器,依次连接 多台 485设备(门禁控制器),采用轮询的方式,对总线上的设备轮流进行通讯。
接线标示是 485+ 485- ,分别对应链接设备(控制器)的 485+ 485-。

3、RS422是双端线传送信号,通过传输线驱动器,把逻辑电平变换成电位差,完成始端的信息怤;通过传输线接收器,把电位差转变成逻辑电平,实现终端的信息接收。总线,RS485和RS422电路原理基本相同,都是以差动方式发送和接受,不需要数字地线。差动工作是同速率条件下传输距离远的根本原因,这正是二者与RS232的根本区别,因为RS232是单端输入输出,双工工作时至少需要数字地线 发送线和接受线三条线(异步传输),还可以加其它控制线完成同步等功能。RS422通过两对双绞线可以全双工工作收发互不影响,而RS485只能半双工工作,发收不能同时进行,但它只需要一对双绞线。RS422和RS485在19kpbs下能传输1200米。用新型收发器线路上可连接台设备。

S422比RS232传输信号距离长,速度快,传输率最大为10Mbit/s,在此速率下电缆允许长度为120米,如果采用较低传输速率,如9000波特率时,最大距离可达1200米。RR S422每个通道要用二条信号线,如果一条是逻辑“1”状态,另一条为逻辑“0”。电路由发送器、平衡连接电缆、电缆终端负载、接收器几部分组成。在电路中规定只许有一个发送器,可有多个接收器,因此通常采用点对点通讯方式。
RS422通讯基础知识:他的通讯原理和RS485类似,区别在于他的总线是两组双绞线(4根线),分别标示为R+ R- T+ T- .缺点是布线成本高,容易搞错。现在用得比较少。

4、RJ45是各种不同接头的一种类型(例如:RJ11也是接头的一种类型,不过它是电话上用的);RJ45头跟据线的排序不同的法有两种,一种是橙白、橙、绿白、蓝、蓝白、绿、棕白、棕;另一种是绿白、绿、橙白、蓝、蓝白、橙、棕白、棕;因此使用RJ45接头的线也有两种即:直通线、交叉线。RJ45 型网线插头又称水晶头,共有八芯做成,广泛应用于局域网和 ADSL 宽带上网用户的网络设备间网线(称作五类线或双绞线)的连接。在具体应用时,RJ45 型插头和网线有两种连接方法(线序),RJ45 型网线插头引脚号的识别方法是:手拿插头,有 8 个小镀金片的一端向上,有网线装入的矩形大口的一端向下,同时将没有细长塑料卡销的那个面对着你的眼睛,从左边第一个小镀金片开始依次是第1 脚、第2 脚、…、第8 脚。

以太网 10/100Base-T 接口:
Pin Name Description
1 TX+ Tranceive Data+ (发信号+)
2 TX- Tranceive Data- (发信号-)
3 RX+ Receive Data+ (收信号+)
4 n/c Not connected (空脚)
5 n/c Not connected (空脚)
6 RX- Receive Data- (收信号-)
7 n/c Not connected (空脚)
8 n/c Not connected (空脚)
以太网 100Base-T4 接口:
Pin Name Description
1 TX_D1+ Tranceive Data+
2 TX_D1- Tranceive Data-
3 RX_D2+ Receive Data+
4 BI_D3+ Bi-directional Data+
5 BI_D3- Bi-directional Data-
6 RX_D2- Receive Data-
7 BI_D4+ Bi-directional Data+
8 BI_D4- Bi-directional Data-
1 white/orange
2 orange/white
3 white/green
4 blue/white
5 white/blue
6 green/white
7 white/brown
8 brown/white
注:RJ45接口采用差分传输方式,tx+、tx-是一对双绞线,拧在一起可以减少干扰。

以往,PC与智能设备通讯多借助RS232、RS485、以太网等方式,主要取决于设备的接口规范。但RS232、RS485只能代表通讯的物理介质层和链路层,如果要实现数据的双向访问,就必须自己编写通讯应用程序,但这种程序多数都不能符合ISO/OSI的规范,只能实现较单一的功能,适用于单一设备类型,程序不具备通用性。

在RS232或RS485设备联成的设备网中,如果设备数量超过2台,就必须使用RS485做通讯介质,RS485网的设备间要想互通信息只有通过“主(Master)”设备中转才能实现,这个主设备通常是PC,而这种设备网中只允许存在一个主设备,其余全部是从(Slave)设备。而现场总线技术是以ISO/OSI模型为基础的,具有完整的软件支持系统,能够解决总线控制、冲突检测、链路维护等问题。现场总线设备自动成网,无主/从设备之分或允许多主存在。在同一个层次上不同厂家的产品可以互换,设备之间具有互操作性。