电机的应用太广泛了,所以控制电机正反转的接线大家一定要掌握。从最基础的说起,这是扫盲篇,也是最后一次发,需要的收藏。不会的老规矩,底部留言。
如果你只需要一个方向,正转,你可以直接接到断路器上。

假设这个是正转
反转接线就是把三条火线,随意两根调换位置。

随意调哪两根火线都可以
如果想正反转控制,你也可以加倒顺开关

加个倒顺开关就OK

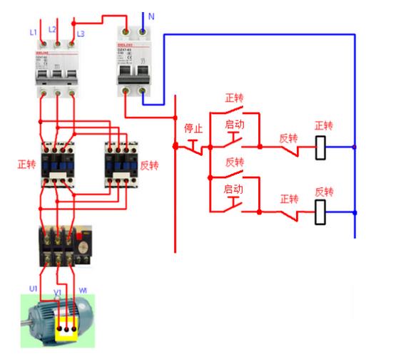
常见的就是两个接触器互锁控制
这个要注意主线部分的接线,接触器上方三条火线的相序,上面是正向并一起,下面随意改变一组相序。
接触器一定要互锁,最好按钮也互锁。

热继电器也要加上哦

左边是主线部分,右边是控制线部分
大俵哥最后一次发接触器正反转接线,扫盲篇,还不会的先收藏了慢慢看,会了的收藏备用。