初次接触建筑电气施工图的小伙伴,有没有这么一种经历,被图纸上一大堆的英文符号搞得晕头转向,一会BV BVV 一会TC SC还有很多其他奇奇怪怪的组合。今天就大家一起学习一下建筑电气施工图的一些基础知识,希望今天的内容可以为你一解所惑。
基础知识
1.常用电线
⑴ 裸导线:一般为架空线路的主体,输送电能。
① 裸单线:TY 铜质圆单线 LY 铝质圆单线
② 裸绞线:TJ 铜绞线 LJ 铝绞线 LGJ 钢芯铝绞线
⑵ 绝缘电线;种类很多,一般明明规则都是如下图所示:

BV:铜芯塑料绝缘线
BX:铜芯橡胶绝缘线
BLV:铝芯塑料绝缘线
BVV:铜芯塑料绝缘护套线
BLVV:铝芯塑料绝缘护套线

BV:铜芯塑料绝缘线

BVV:铜芯塑料绝缘护套线
例:BV— 2.5
BVV— 4
ZRBLV—25
NHBX—10
2.电缆:
多芯导线,在电路中起着输送和分配电能的作用,电气装备用电线电缆及电力电缆的型号主要由以下七部分组成:
1.类别、用途代号 2.导体代号 3.绝缘层代号 4.护层代号 5.特征代号 6.铠装层代号 7.外护层代号 [1]
1.绝缘种类:V代表聚氯乙烯;X代表橡胶;Y代表聚乙烯;YJ代表交联聚乙烯;Z代表纸。
2.导体材料:L代表铝;T(省略)代表铜。
3.内护层:V代表聚氯乙烯护套;Y聚乙烯护套;L铝护套;Q铅护套;H橡胶护套;F氯丁橡胶护套。
4.特征:D不滴流;F分相;CY充油;P贫油干绝缘;P屏蔽;Z直流。
5.铠装层:0无;2双钢带;3细钢丝;4粗钢丝。
6.外被层:0无;1纤维外被;2聚氯乙烯护套;3聚乙烯护套。
7.阻燃电缆在代号前加ZR;耐火电缆在代号前加NH;防火电缆在代号前加DH。
电缆的组成:线芯、绝缘层、保护层。
电缆按用途可分为:
⑴ 电力电缆:用来输送和分配大功率电能
a、聚氯乙烯绝缘聚氯乙烯护套电力电缆
VV VLV
例:VV22 - 4×120+1×50
表示4根截面为120mm2和1根截面为50mm2的铜芯聚氯乙烯绝缘,钢带铠装聚氯乙烯护套五芯电力电缆。

VV电缆
b、交联聚乙烯绝缘聚氯乙烯护套电力电缆
YJV YJLV
例:YJV22 - 4×120
表示4根截面为120mm2的铜芯交联聚乙烯绝缘,钢带铠装聚氯乙烯护套四芯电力电缆。

YJV电缆
⑵ 控制电缆:用于传输控制电流
常用控制电缆:KVV KVLV

KVV
⑶ 通信电缆:用于传输信号和数据
① 电话电缆:HYY HYV
② 同轴射频电缆:STV-75-4
电缆按绝缘层可分为:
油浸纸绝缘 Z
橡皮绝缘 X
塑料绝缘 V、Y
⑷ 电缆附件
电缆终端头:电缆与配电箱的连接处, 一根电缆两个电缆头
电缆中间头:用于电缆的延长,隔250m设一个
3.母线
⑴ 软母线:用于35kV以上的高压配电装置中

⑵ 硬母线:用于高低压配电所
TMY:硬铜母线
LMY:硬铝母线

4、线路敷设方式代号
TC:用电线管敷设

SC:用焊接钢管敷设

SR:用金属线槽敷设

CT:用桥架敷设

PC:用硬塑料管敷设

PEC:用半硬塑料管敷设

5、线路敷设部位代号
WE:沿墙明敷 WC:沿墙暗敷
CE:沿顶棚明敷 CC:沿顶棚暗敷
BE:沿屋架明敷 BC:沿梁暗敷
CLE:沿柱明敷 CLC:沿柱暗敷
FC:沿地板暗敷 SCC:在吊顶内敷设
6、线路在平面图上的表示
a-b (c × d) e - f
a :线路编号 b:导线型号
c :导线根数 d :导线截面
e :线路敷设方式 f :线路敷设部位
例:N1 BV-3×4 SC20 –FC
表示:N1回路,3根4mm2的铜芯聚氯乙烯塑料绝缘线,穿DN20的焊接钢管沿地板敷设
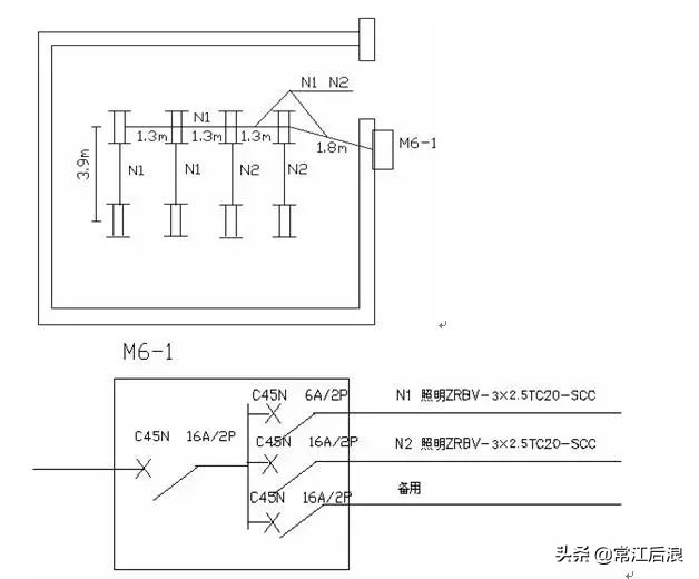
7、灯具在平面图上的表示

a :灯具数量 b:灯具型号 c :灯泡数量 d :灯泡容量,W e :灯具安装高度 f :灯具安装方式(X吸顶,B壁安,G吊杆式,L吊链式,R:嵌入式) L:光源种类
例:

8、电气工程系统图的识读
⑴ 识读程序:
先看图纸目录,再看施工说明,了解图例符号,系统结合平面。
⑵ 识读要点:
① 供电方式和相数:高压还是低压供电,单相还是三相
② 进户方式:电杆进户、沿墙边埋角钢进户、地下电缆进户
③ 线路分配情况
④ 线路敷设方式:绝缘子布线、管子布线、线槽布线、电缆布线等
⑤ 照明设备器具的布置:安装高度及平面位置
⑥ 接地防雷情况
⑶ 识读脉络:进户线 — 总配电箱 — 干线 — 分配电箱 — 支线 — 用电设备


更深入的内容需要专业知识的储备了,作为一般现场的普通非安装施工员,熟悉上述内容就可以应该简单应付着看图了,剩下的就靠自己的积累了。