电工电动机点动控制电路图 (电动机基本电气控制电路知识点)

用胶盖瓷底的刀开关进行手动正转控制电路

低压电工实操电动机正反转电路图,电工电动机启停点动电路图

利用铁壳开关手动正转控制电路

低压电工实操电动机正反转电路图,电工电动机启停点动电路图

采用转换开关的控制电路

低压电工实操电动机正反转电路图,电工电动机启停点动电路图

用倒顺开关的正反转控制电路

低压电工实操电动机正反转电路图,电工电动机启停点动电路图

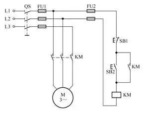
具有自锁的正转控制电路

低压电工实操电动机正反转电路图,电工电动机启停点动电路图

具有过载保护的正转控制电路

低压电工实操电动机正反转电路图,电工电动机启停点动电路图

点动与连续运行控制电路

低压电工实操电动机正反转电路图,电工电动机启停点动电路图

避免误操作的两地控制电路

低压电工实操电动机正反转电路图,电工电动机启停点动电路图

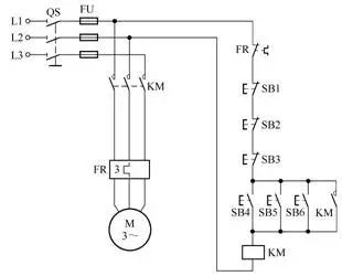
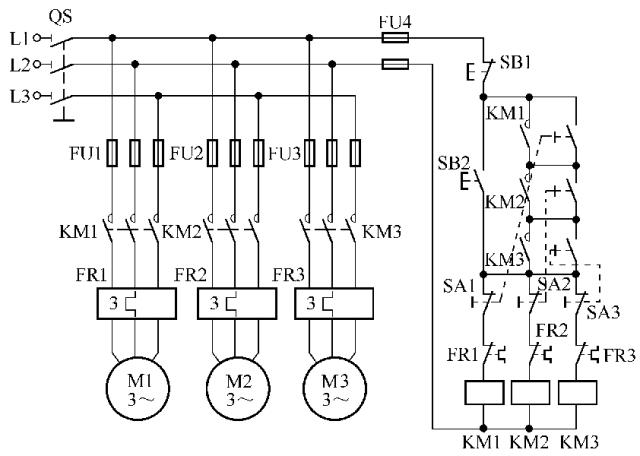
三地(多地点)控制电路

低压电工实操电动机正反转电路图,电工电动机启停点动电路图

电动机间歇运行电路

低压电工实操电动机正反转电路图,电工电动机启停点动电路图

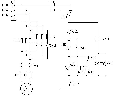
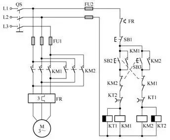
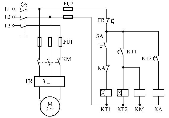
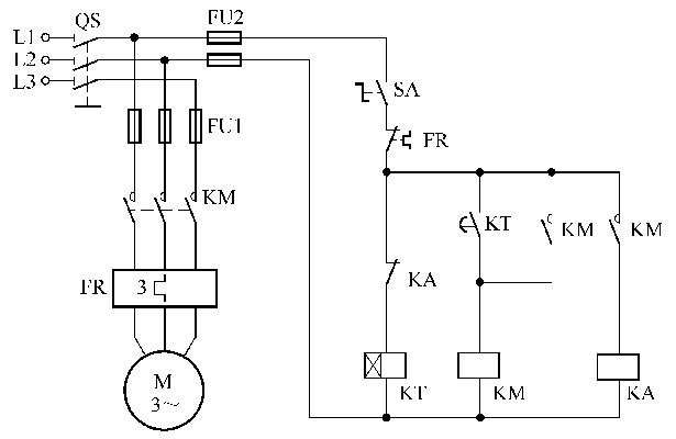
电动机短时间停电来电后自动快速再起动电路

低压电工实操电动机正反转电路图,电工电动机启停点动电路图

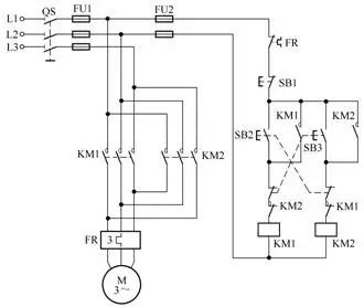
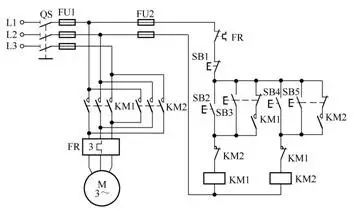
按钮连锁的正反转控制电路

低压电工实操电动机正反转电路图,电工电动机启停点动电路图

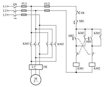
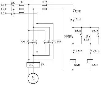
接触器连锁的正反转控制电路

低压电工实操电动机正反转电路图,电工电动机启停点动电路图

按钮、接触器复合连锁的正反转控制电路

低压电工实操电动机正反转电路图,电工电动机启停点动电路图

用按钮点动控制电动机启停电路

低压电工实操电动机正反转电路图,电工电动机启停点动电路图

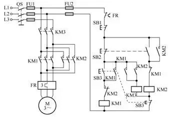
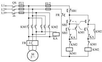
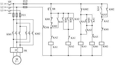
具有三重互锁保护的正反转控制电路

低压电工实操电动机正反转电路图,电工电动机启停点动电路图

接触器连锁的点动和长动正反转控制电路

低压电工实操电动机正反转电路图,电工电动机启停点动电路图

防止正反转转换期间相间短接的三接触器控制电路

低压电工实操电动机正反转电路图,电工电动机启停点动电路图

用连锁继电器防止正反转转换相间短接的控制电路

低压电工实操电动机正反转电路图,电工电动机启停点动电路图

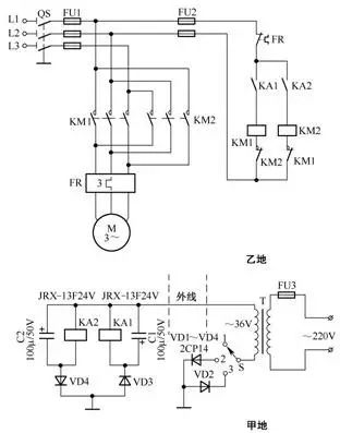
单线远程正反转控制电路

低压电工实操电动机正反转电路图,电工电动机启停点动电路图

仅用一个按钮控制电动机正反转的电路

低压电工实操电动机正反转电路图,电工电动机启停点动电路图

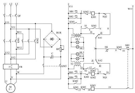
直流电动机正反转控制电路

低压电工实操电动机正反转电路图,电工电动机启停点动电路图

用转换开关预选的正反转启停控制电路

低压电工实操电动机正反转电路图,电工电动机启停点动电路图

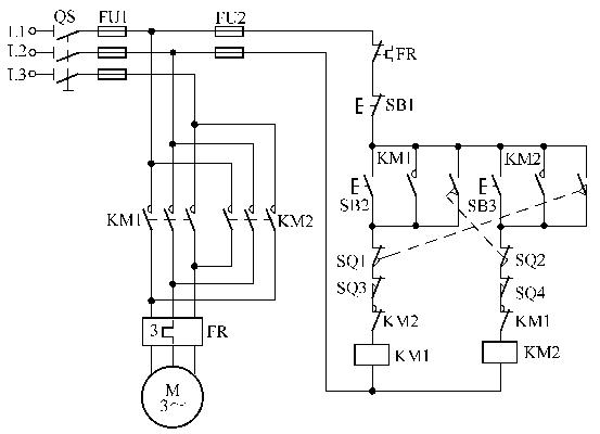
自动往返控制电路

低压电工实操电动机正反转电路图,电工电动机启停点动电路图

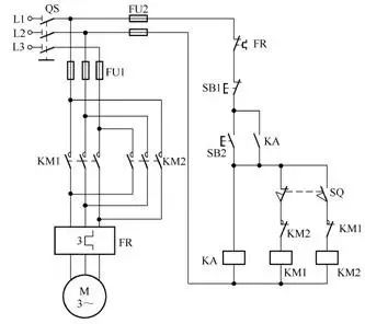
仅用一个行程开关实现自动往返控制电路

低压电工实操电动机正反转电路图,电工电动机启停点动电路图

带有起动熔丝的起动电路

低压电工实操电动机正反转电路图,电工电动机启停点动电路图

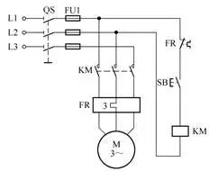
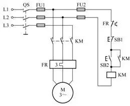
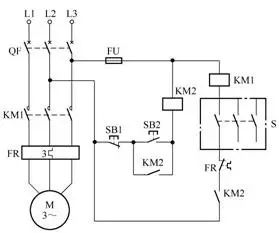
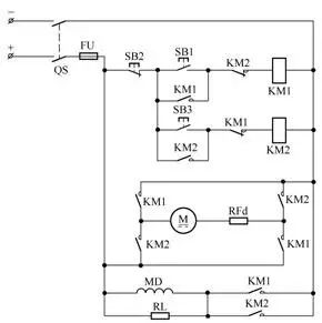
仅用一个按钮控制电动机启停电路

低压电工实操电动机正反转电路图,电工电动机启停点动电路图

单线远程控制电动机启停电路

低压电工实操电动机正反转电路图,电工电动机启停点动电路图

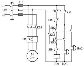
能发出启停信号的控制电路

低压电工实操电动机正反转电路图,电工电动机启停点动电路图

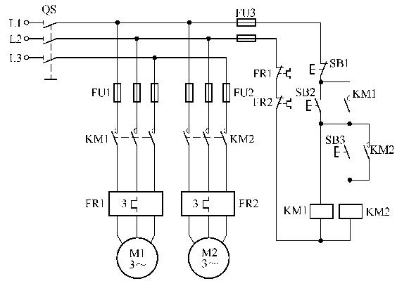
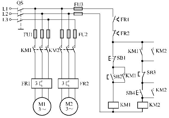
两台电动机按顺序起动同时停止的控制电路

低压电工实操电动机正反转电路图,电工电动机启停点动电路图

两台电动机按顺序起动分开停止的控制电路

低压电工实操电动机正反转电路图,电工电动机启停点动电路图

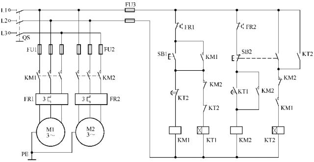
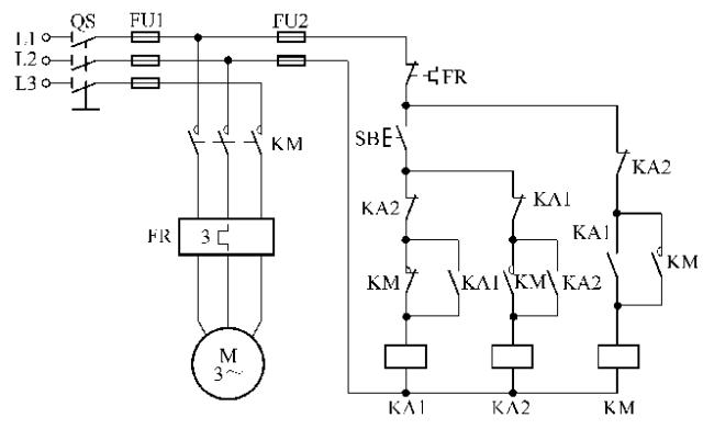
自动切换的两台电动机按顺序起动逆序停止电路

低压电工实操电动机正反转电路图,电工电动机启停点动电路图

电动机延时开机的间歇运行电路

低压电工实操电动机正反转电路图,电工电动机启停点动电路图

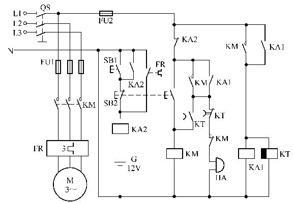
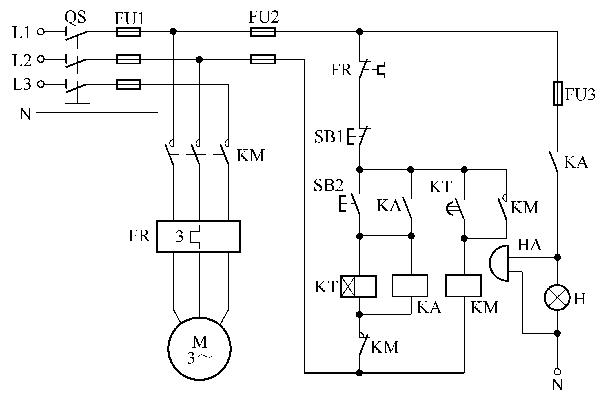
带有报警装置的电动机短暂停电来电后自动再起动电路

低压电工实操电动机正反转电路图,电工电动机启停点动电路图

电动机长时间停电来电后自动再起动电路

低压电工实操电动机正反转电路图,电工电动机启停点动电路图

两条运输原料传送带的电气控制电路

低压电工实操电动机正反转电路图,电工电动机启停点动电路图

多台电动机可同时起动又可有选择起动的控制电路

低压电工实操电动机正反转电路图,电工电动机启停点动电路图

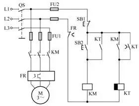
低速脉动控制电路

低压电工实操电动机正反转电路图,电工电动机启停点动电路图

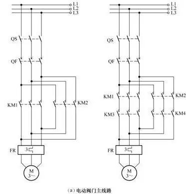
电动阀门控制电路(之一)

低压电工实操电动机正反转电路图,电工电动机启停点动电路图

电动阀门控制电路(之二)

低压电工实操电动机正反转电路图,电工电动机启停点动电路图

低压电工实操电动机正反转电路图,电工电动机启停点动电路图

串励直流电动机刀开关可逆控制电路

低压电工实操电动机正反转电路图,电工电动机启停点动电路图

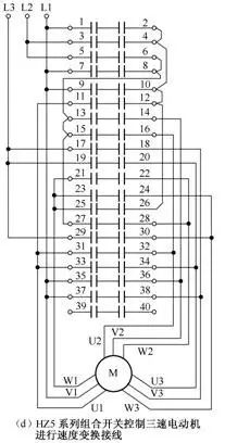
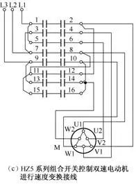
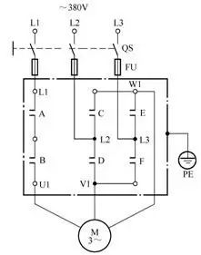
HZ5系列组合开关应用电路

低压电工实操电动机正反转电路图,电工电动机启停点动电路图

低压电工实操电动机正反转电路图,电工电动机启停点动电路图

低压电工实操电动机正反转电路图,电工电动机启停点动电路图

低压电工实操电动机正反转电路图,电工电动机启停点动电路图

用GYD-16/C型气压开关控制电动机电路

低压电工实操电动机正反转电路图,电工电动机启停点动电路图

电动葫芦的电气控制电路

低压电工实操电动机正反转电路图,电工电动机启停点动电路图

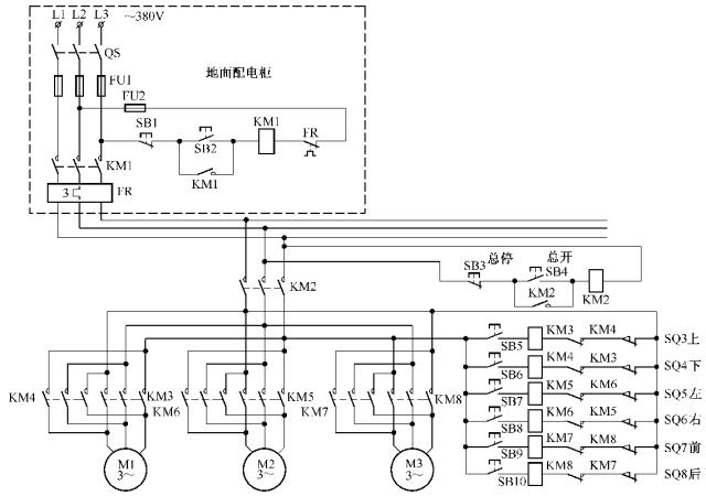
用八挡按钮操作的行车控制电路

低压电工实操电动机正反转电路图,电工电动机启停点动电路图

低压电工实操电动机正反转电路图,电工电动机启停点动电路图

版权声明:联盟致力于好文共享,推送文章部分源于网络,版权归原作者所有,若涉及版权问题,烦请原作者联系我们,我们会在24小时内删除处理,谢谢!^_^。