主题一:
新朗逸转向故障灯报警(动力转向系统基本设置)
车型:新朗逸
维修情况:
更换转向柱后,仪表上转向红灯亮起。
44-动力转向系统报故障代码:P106900 碰撞切断已触发。无法清除。
技术支持情况:
1. 在ODIS中,进入“44-动力转向”,进行“控制单元自诊断”,选择“访问权限”,在弹出窗口输入登录码:20103,点击“进行”。

2. 再次进入“44-动力转向”,进行“控制单元自诊断”,选择“基本设置”,将“所有匹配值的复位”选入右侧选择框,点击进入下一步。

3. 跳过“UDS基本设置-设置参数”,在“UDS基本设置-选择测量值”中,将“[MAS00478]_保留”选入右侧选择框,点击进入下一步。
4. 点击选中“基本设置”框,单击“开始”,完成动力转向基本设置。
5. 再次进入“44-动力转向”,将故障代码清除,故障解决。
维修建议:
配备CEPS转向系统的车型(新朗逸、朗行、新桑塔纳、新波罗),动力转向控制器软件中新增了碰撞保护的功能。在拆装转向柱过程中,如气囊复位环不在正常位置,可能造成转角信号异常,触发控制器启动该功能,导致转向故障灯误报警。
主题二:
新朗逸充电指示灯常亮(保险丝虚接)
车型:新朗逸
故障现象:
正常行驶时仪表内的电瓶指示灯偶发点亮或常亮。

维修情况:
1、 确认故障现象存在;
2、 09内存在00447 001 由于电压过高造成功能受限超出上限 偶发;
3、 更换蓄电池、发电机、BCM及发动机控制单元,没有解决。
技术支持情况:
1、 排除车辆加改装情况;
2、 测量发电机充电电压及充电电流正常;
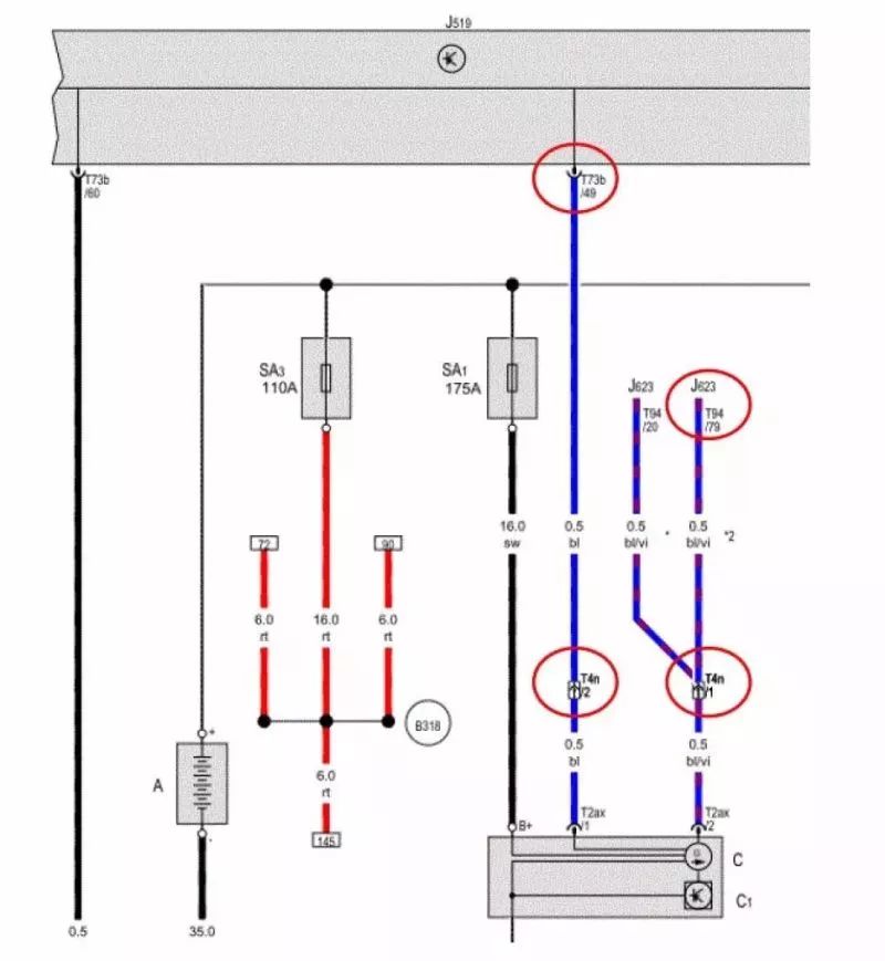
3、 检查T4n及T2ax接插件正常, T2ax/1到BCM的T73b/49线束电阻及波形正常,T2ax/2到发动机T94/79针脚线束电阻及波形正常;

4、 检查BCM搭铁线、发动机搭铁线均正常;
5、 检查BCM供电线路,发现SB5保险丝插座开口过大(见下图),修复保险丝插座后故障解决。


维修经验分享
针对充电指示灯亮的故障现象通常可以通过以下几个方面进行考虑:
1、 加改装(导航、点烟器上加装用电设备、GPS、防盗器、*子狗电**等);
2、 220V逆变器电源;
3、 BCM供电线路及搭铁线路;
4、 发动机DF信号线;
5、 发电机、发电机皮带及其涨紧轮;
6、 仪表、BCM或发动机控制单元。
主题三:
朗逸仪表台流水声(前风窗玻璃下部密封)
车型:朗逸2.0 MT
故障现象:
行驶转向时,仪表台内有流水声。
维修情况:
检查无漏水现象。
试车情况——
1、 启动车辆,发动机怠速时正常;
2、 原地打方向正常;
3、 行驶中,车辆向左或向右转向时,能听见仪表台内有类似“哗哗”的流水声,现象确认。
维修情况:
1、拆除花粉过滤器,检查发动机舱排水板排水孔通畅;
2、拆除仪表台横隔壁处闷盖,有水流出。将水排干净后,现象排除。

维修经验分享
产生该现象的原因是前风窗玻璃下部及转角处密封不严,在雨天或洗车时水慢慢渗入仪表台横隔壁(1J0 803 155 C)空腔,并积存于内所致。
排出横隔壁空腔的水之后,需对前风窗玻璃下部及转角等密封不严处做打胶处理。必要时,闷盖可以不用安装。

注:朗逸流水声还有另一种模式,请注意区分
车型:朗逸全系列
现象:发动机怠速时,可以听见仪表台内有流水声
分析:该流水声是发动机冷却液通过暖风水箱时发出的响声
方案:更换新状态膨胀水壶
原理:由于朗逸膨胀水壶的结构原因导致发动机冷却系统内的空气无法正常聚集在膨胀水
壶上部,反而会再次进入冷却系统内,导致流水声的出现。
改进:新状态零件号1J0 121 403E ;约2009年1月份切换新状态零件。
主题四:
朗逸2.0MT无法挂挡(变速箱支承螺栓)
车型:朗逸2.0MT
故障现象:
车辆无法挂档。
维修情况:
检查发现换档拉索断裂,更换拉索,行驶6天后,再次断裂。
技术支持情况:
发现变速箱位置出现偏差,检查变速箱左侧支撑螺栓脱落。
重新按规定力矩安装螺栓,并更换换挡拉索,问题解决。

主题五:
朗逸1.4T钥匙转不动(点火锁芯)
车型:朗逸1.4T
故障现象:
启动车辆时,有时钥匙转不动。
维修情况:
在方向盘未锁死的情况下,转动钥匙,有时候发卡。
对点火锁芯润滑处理,效果不明显。
技术支持情况
更换点火锁芯(零件号:107 905 855 CH),问题解决。
主题六:
朗逸遥控钥匙功能失效
车型:朗逸
故障现象:钥匙遥控功能偶尔失效
维修情况:
经查此车在遥控钥匙功能失效时只要重新匹配即恢复正常,但间隔一段时间(有时几天,有时几周)后问题再次出现。先后更换过发射器、BCM、车门控制单元和全车锁。检查车辆未做改装,故障无法排除。
技术支持情况:
现场检查该车仅有的一把遥控钥匙已处于失效状态。
读取存储在BCM 控制器内部的钥匙ID 码为90C1A5EA(Hex),与钥匙的ID 相同,说明钥匙与BCM 控制器之间匹配正确。此时无需重新匹配遥控,只需通过遥控同步的方法就恢复功能。
对遥控进行同步(先按遥控钥匙上的解锁按钮,然后在一分钟内用钥匙头将汽车解锁),无效。读取 BCM 数据块检查控制器是否收到遥控器信号,发现按下遥控钥匙时,“ 遥控器按钮操作” 显示“ 未操作” ,钥匙号显示为“ 1” ,松开钥匙后保持为“ 1” ,不正常。
见下表:

检查BCM 线束,车辆BCM 控制器外接线路因改装被破坏,影响BCM 正常工作。更换BCM 控制器和遥控发射器,并根据出厂要求对BCM 控制器编码、匹配,故障排除。
维修经验分享:
遇到遥控、集控门锁等电气系统故障时,应首先检查车辆是否进行了加装或改装,加装的器件或线路可能影响原车电子部件的工作状态,引发故障。
主题七:
朗逸轮胎气压监测系统警告灯亮(01325 RAKA回复到初始状态)
车型:朗逸
故障现象:
仪表轮胎气压监测系统警告灯亮
维修情况:
检查发现ABS(03)里存有故障码:01325 轮胎压力*控器监**控制单元无信号/通信 静态。
检查四轮胎压均正常。
技术支持情况:
方法一:使用诊断仪选择引导性功能,进入“制动装置”,选择“轮胎-检验-显示/轮胎压力报警”按提示操作到“可能的可实行的操作”步骤时选择“轮胎监控恢复到初始状态”(见图一),然后继续按提示操作到结束。

方法二:使用诊断仪选择车辆自诊断,进入ABS(03),选择基本设定(006),执行通道42,删除故障码,重新打开点火开关,按住“SET”键2秒进行胎压标定。
主题八:
朗逸熄火后风扇常转(J271供电继电器)
车型:朗逸
故障现象:
车辆无法启动,偶发。
维修情况:
现场检查车辆在熄火锁门后10分钟风扇常转,导致电瓶电量耗尽,车辆无法启动。诊断无故障码储,检查水温传感器、空调压力传感器、风扇控制线路相关插头,均无异常;处理风扇控制器及发动机控制单元的接地点。用替换法先后尝试更换了J271继电器,风扇控制器、水温传感器、空调控制器、发动机控制单元,故障依旧。
技术支持情况:
现场检查车辆正常,故障无法再现。考虑到故障的偶发性,现场通过用户抱怨以及经销商之前的检查维修情况进行分析。
1、 如果出现熄火十分钟后风扇常转这种现象,须满足J293无发动机的(T80/22号脚)信号,以及满足J293的2号脚有电。从客户抱怨的情况来看该车故障出现时J293的2号脚有电。
2、若J293的2号脚有电,须满足SC44常有电,且J271继电器吸合。根据维修站反映故障出现时,拔去J271风扇停止转动,由此判断SC44保险丝后线路没有短路。引起风扇转动的原因是J271吸合造成。
3、造成J271吸合有3种情况,1)继电器J271的4号脚这根线与接地线短路;2)第二发动机的控制单元内部接地;3)继电器自身结合。
维修站已更换发动机控制单元、继电器。怀疑线路存在问题,检查线束未见异常。根据维修站反应:当发动机控制单元拔掉后风扇会常转,确定J271的4号脚与地短路。考虑到维修站没有线束配件,现场进行飞线处理,并更换发动机控制器(当时维修站修理时.已换回旧件),故障排除。


维修建议
当冷却风扇控制单元J293接收不到发动机的T80/22号脚的信号时,风扇将进入应急模式保持常转。
而当车辆熄火时需要注意J271仍有约10分钟左右的延时供电(发动机ECU控制接地),此时发动机评估车辆状态决定风扇是否运行。
根据电路图可知,如果出现熄火后风扇常转,须满足两个条件。第一J293接收不到发动机的T80/22号脚的信号,第二必须满足J293的T4p/2有供电(T4p/2供电路径是A+→J271→SC44→T4p/2)。
因此应着重考虑检查T80/22的占空比信号以及J293的T4p/2供电线路。只有明白了风扇的基本控制逻辑才能有的放矢,避免维修过程中盲目换件导致抱怨升级。
主题九:
朗逸OBD灯亮(汽油滤清器)
车型:朗逸1.6 AT
故障现象:
OBD灯亮,汽油泵处有“嗡嗡”响声。
维修情况:
检查01-发动机电子装置中存有故障代码:00370 P0172气缸列1燃油测量系统太浓 间歇式;
怠速时,观察发动机数据块,发现该车喷油脉宽偏小;
测量汽油压力,怠速时为6.2bar,过高(正常车为4bar);
重点检查汽油滤清器,发现该车错装了Polo的汽滤(6Q0 201 051 C);
更换正确的汽滤(180 201 511),问题解决。
维修建议:
朗逸1.6L/2.0L汽油滤清器内部是没有压力调节器的(安装在汽油泵内),而Polo车汽滤内部带压力调节器。朗逸车误装带有压力调节器的汽滤,会使回油管路中出现两个压力调节器串联的情况,导致进油压力升高,喷油量增加,造成上述故障。