
电流互感器
提到互感器我们马上就想到了电流互感器和电压互感器,互感器是按比例变换电压或电流的设备。其功能主要是将高电压或大电流按比例变换成标准低电压(100V)或标准小电流(5A或1A,均指额定值),以便实现测量仪表、保护设备及自动控制设备的标准化、小型化。同时互感器还可用来隔开高电压系统,以保证人身和设备的安全。按比例变换电压或电流的设备。简单的说互感器是一种特殊变压器。

电压互感器
今天我们就详细介绍下什么是电流互感器和电压互感器和他们使用时的注意事项。

高压电压互感器
电压互感器
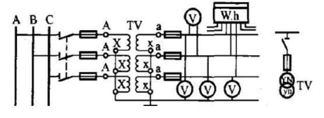
电压互感器结构如图所示,其作用是可用它扩大交流电压表的量程,将高电压与电气工作人员隔离。其工作原理与普通变压器空载情况相似。使用时,应把匝数较多的高压绕组跨接至需要测量其电压的供电线路上,而匝数较少的低压绕组则与电压表相连。

电压/电流互感器结构图
电压互感器的接线方式
1.一个单相电压互感器的接线
2.两个单相电压互感器的V/V形接线
3.三个单相电压互感器接成Y0/Y0
4.一台三相五芯柱电压互感器接成Y0/Y0/Δ(开口三角形)

1.一台单相互感器接线

2.两个单相电压互感器的V/V形接线

3.三个单相电压互感器接成Y0/Y0

4.一台三相五芯柱电压互感器接成Y0/Y0/Δ(开口三角形))
注:上图4中的接地没画,接地是必须有的。
电压互感器使用注意事项
1.电压互感器的二次侧在工作时不得短路。
2.电压互感器的二次侧有一端必须接地。这是为了防止其一、二次间绝缘击穿时,一次侧的高压窜入二次侧,危及人身和设备的安全。
3.电压互感器在连接时要注意其一、二次线圈接线端子上的极性。
4.电压互感器的一、二次侧一般都应装设熔断器作为短路保护,同时其一次侧应装设隔离开关作为安全检修用。但作为移向电容器放电用的电压互感器一次侧不装熔断器,这是由于移相电容器的安全放电要求所致。

电流互感器
电流互感器
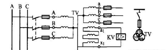
电流互感器原理是依据电磁感应原理的。电流互感器是由闭合的铁心和绕组组成。它的一次绕组匝数很少,串在需要测量的电流的线路中,因此它经常有线路的全部电流流过,二次绕组匝数比较多,串接在测量仪表和保护回路中,电流互感器在工作时,它的2次回路始终是闭合的,因此测量仪表和保护回路串联线圈的阻抗很小,电流互感器的工作状态接近短路。
电流互感器的主要所用是用来将交流电路中的大电流转换为一定比例的小电流(我国标准为5安倍),以供测量和继电保护只之用。大家应该知道在发电、变电、输电、配电过程中由于用电设备的不同,电流往往从几十安到几万安都有,而且这些电路还可能伴随高压。那么为了能够对这些线路的电路进行监控、测量,同时又要解决高压、高电流带来的危险,这时就需要用到电流互感器了。有些人可能见过电工用的钳形表 ,这是一种用来测量交流电流的设备,它那个“钳”便是穿心式电流互感器。
电流互感器接线图
电流互感器接线总体分为四个接线方式:
1、单台电流互感器接线图
只能反映单相电流的情况,适用于需要测量一相电流的情况。

单台电流互感器接线图
2、三相完全星形接线和三角形接线形式电流互感器接线图
三相电流互感器能够及时准确了解三相负荷的变化情况。

三相完全星形电流互感器接线图

三相完全角形电流互感器接线图
3、两相不完全星形接线形式电流互感器接线图
在实际工作中用得较多,但仅限于三相三线制系统。它节省了一台电流互感器,根据三相矢量和为零的原理,用A、C相的电流算出B相电流。

两相不完全星形接线形式电流互感器接线图
4、两相差电流接线形式电流互感器接线图
也仅用于三相三线制电路中,这种接线的优点是不但节省一块电流互感器,而且也可以用一块继电器反映三相电路中的各种相间短路故障,亦即用较少的继电器完成三相过电流保护,节省投资。

两相差电流接线形式电流互感器接线图
5、其它接线方式
5.1原边串联、副边串联电流互感器原边串联、副边串联接线图如下所示,串联后效果:互感器变比不变,二次额定负荷增大一倍。

电流互感器原边串联、副边串联接线图
5.2 原边串联、副边并联 电流互感器原边串联、副边并联接线图如下所示,串并联后效果:互感器变比减小一倍,二次额定负荷增大一倍。

电流互感器原边串联、副边并联接线图
5.3原边并联、副边串联电流互感器原边并联、副边串联接线图如下所示,串并联后效果:互感器变比增大一倍,二次额定负荷增大一倍。

电流互感器原边并联、副边串联接线图
5.4 原边并联、副边并联 电流互感器原边并联、副边并联接线图如下所示,并联后效果:互感器变比不变,二次额定负荷增大一倍。

电流互感器原边并联、副边并联接线图
电流互感器使用注意事项
1,应避免继电保护和电能计量用的电流互感器并用,否则会因继电保护的要求而致使电流互感器的变比选择过大,影响电能计量的准确度。对于计费用户,应设置专用的计量电流互感器或选用有计量绕组的电流互感器。
2,电流互感器的一次绕组和被测线路串联,二次绕组和电测仪表串联,接线时必须注意电流互感器的极性,当电流互感器内部线圈的引出线接错位置、端钮标志错误时,都属于线圈极性接反。只有极性连接正确,才能准确测量和计量。
3,序及电流相别应正确。如在三相三线有功电能表的24种组合接线中,只有*元件接入U、I和第二元件接入U、I时,电能计量才是正确的,其它接线方式都是错误的。
4,电流互感器二次绕组不允许开路,否则,将产生高电压,危及设备和运行人员的安全,同时因铁芯过热,有烧坏互感器的可能,电流互感器的误差也有所增大,因此,在二次回路上工作时,应先将电流互感器二次侧短路。
5,电流互感器二次侧应有一端可靠接地,且接地点只有一个。以防止一、二次侧绝缘击穿时,造成对人身和设备的损坏。
6,二次回路的连接导线应采用铜质单芯绝缘线,严禁使用铝线,且中间不得有接头。电流二次回路的导线截面积应不小于4m㎡.
7,当负荷变化范围大,实际负荷电流小于30%时,应采用二次绕组具有抽头的多变比电流互感器或0.5s、0.2s级电流互感器,或采用具有较高额定短时热电流和动稳定电流,并且接近实际负荷电流的小量程电流互感器。
文章会不定期更新,欢迎评论,关注、转发。有问题一起讨论学习。谢谢!(文章图片和部分内容来自网络,以上仅供交流和学习)