一,学习目的

1,进一步提高按图接线的能力
2,了解时间继电器的结构,使用方法,延时时间的调整合再控制系统中的使用
3,熟悉三相异步电动机星,角降压起动控制的运行情况和操作方法。
二,控制原理
1,时间继电器的特点是各个动作之间有一定的时间间隔,使用的元件主要是时间继电器。
时间继电器是一种延时动作的继电器,它从接受信号(如线圈带电)到执行动作(如触头动作)具有一定的时间间隔,此时间间隔可按需要预先整定,以协调和控制生产机械的各种动作。时间继电器的延时时间通常可在0.4s到80s范围内调整。
2,星,角降压起动控制线路,从下图看,当接触器KM1,KM2主触头闭合,KM3主触头断开时,电动机三相定子绕组星形连接。当接触器KM1,KM3主触头闭合,KM2主触头断开时,电动机三相定子绕组作三角形连接。因此,所设计的控制线路若能先使KM1,KM2得到闭合,后经一定时间的延时,使KM2失电断开,而后使KM3得电闭合,则电动机就能实现降压起动后自动转换到正常工作运转。

三,看图接线
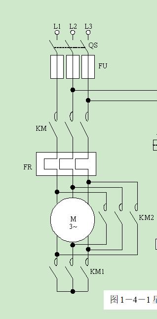
1,三相异步电动机主回路接线

三相电源接入电源开关QS的进线端,通过QS,,来到了熔断器FU的进线端,通过FU来到了接触器KM和热继电器FR,接入电动机的绕组进线端,电动机的绕组出线端接入接触器KM1的进线端,再把接触器KM1的出线端封接。
再从热继电器的出线端引三根电源线到接触器KM2的上口,再从接触器KM2的出线端并3根电源线,到接触器KM1的进线端
2,控制回路接线

A,从熔断器FUC相的出线端,并出一根线到停止按钮SB2,从SB2的出线端串一根电源线到SB1,起动按钮。从SB1的出线端接到KM接触器线圈,(主接触器)
B,从停止按钮SB2的出线端并一根线到,主接触器KM的辅助常开点,从SB1的出线端并一根线到,接触器KM辅助常开点的出线端,再从KM辅助常开点串到接触器KM2的辅助常闭点,(,星接角接互锁)出线再串到时间熔断器KT的辅助常闭点,再到接触器KM1线圈。再从KM2辅助常闭点的出线端,并一根线到时间继电器线圈
C,从接触器KM的辅助常开点,并一根电源线到KM2的辅助常闭点,(星接角接互锁)出线再串到时间继电器KT的辅助常见点,出线再接到接触器KM2线圈,再从KM1辅助常闭点的出线并一根线,到接触器KM2的辅助常开点,出线接到KM2线圈的进线端,(自保持)
D,从接触器KM的出线端串接到,KM1的出线端,再串接到时间继电器KT的出线端,再串接到KM2的出线端,再串接到热继电器FR的辅助常闭点,最后回到熔断器B相的出线端,形成控制回路。
四,接线完成后,自己反复检查确认没有错误后,合上电源开关,按下起动按钮,观察电动机的整个起动过程和各电器的动作情况,记录星,角换接所需时间。
按下停止按钮,观察电动机和各电器的动作情况。调整时间继电器的整定时间,观察接触器KM2,KM3的动作时间是否相应的改变。
关注,转发,点赞,评论私信获取电工资料,电工基础课程
谢谢大家支持!