膜结构作为一种空间结构形式
最早可以追溯到远古
人类用木头搭建结构骨架
覆盖上兽皮或草席
用绳子或石块固定在地上
建成简易的房子

△ 以兽皮建造的帐篷
近代膜结构
受到马戏团大型帐篷的启发
并随着新型膜材料和高强钢索的研发
以自由、轻巧、柔美,充满力量感的造型
在建筑领域的应用越来越广泛


△ 常见的膜结构形式
此外
因为膜结构建造快、方便安装和拆卸
特别适用于小型、临时的
或使用年限较短的建筑
膜结构建筑打破了以往建筑形态的模式
以其独特新颖、丰富多彩的造型、优美的曲线
成为城市的象征性建筑
给建筑设计师与规划师提供了
更大的想象和创造空间

△ 现代膜结构创新设计案例

△ 现代膜结构创新设计案例
01.
膜结构的材料特性
建筑中最常用的膜材料
主要有PTFE膜、PVC膜和ETFE膜三种
膜材的选择
往往取决于建筑物的功能
防火要求、设计寿命和投资额

PTFE
▽
在极细的玻璃纤维(3微米)编织成的基材上
涂覆聚四氟乙烯等材料
- 永久性建筑的首选膜材料,使用寿命在20~30年以上;
- 强度高、耐久性好、自洁性好,且不受紫外光的影响;
- 高透光性,且透过的光线为自然散漫光,不产生阴影和眩光;
- 反射率高,热吸收量少;
- 燃烧性能A 级;

▲ 欣贺设计中心,厦门 / MAD
在立体花园的外侧悬挂着半透明的 PTFE 膜材
在炎热季节起到遮阳和通风作用的同时
也让建筑看起来飘逸,轻盈
好像一层透薄柔软的皮肤覆盖在建筑骨架之上
马岩松解释——我觉得有意思的是
一栋内部具有理性逻辑的结构
看上去却有随风飘动的感觉

▲ 苏州奥林匹克体育中心,体育场屋顶覆盖PTFE膜,采用单层索网结构,这在中国尚为首创。
PTFE在1979年左右出现后
从各方面改善了膜材的特性
使得膜结构从帐篷或临时性建筑
发展到永久性建筑
PVC
▽
以尼龙织物为基材
涂覆PVC 或其他树脂
- 早期的膜材,使用年限一般为7到15年;
- 强度及防火性与PTFE相比具有一定差距;
- 自洁性较差,可在PVC涂层上再涂PVDF树脂;
- 另一种涂有Tio2(二氧化钛)的PVC膜,具有极高的自洁性;
- 燃烧等级B1 级,不及PTFE膜;

▲ “中国种子”—2015米兰世博会中国企业联合馆,意大利
同济设计集团
建筑表皮材料选择白色PVC膜
并借助钢结构大尺度悬挑
使建筑体量轻灵而飘逸
入口处帘幕掀起
建筑空间内外相生、上下贯通
与外部世博景观相互融合

▲ 伦敦奥运会篮球馆,可回收PVC膜在后面的结构的作用下形成优美的起伏
ETFE
▽
乙烯-四氟乙烯共聚物薄膜
非织物类
耐久性好,15年以上恶劣气候,力学和光学性能不改变;
- 耐磨、耐高温、耐腐蚀,绝缘性;
- 密度小,抗拉强度高,破断伸长率达300%;
- 表面非常光滑,极佳的自洁性能,灰尘、污迹随雨水冲刷而除去;
- 阻燃材料,熔后收缩但无滴落物。

▲ The Shed艺术中心,纽约,ETFE覆面和滚轮装置
The Shed的高度为37米
其可移动的外壳由裸露的钢斜架构成
外部包覆以强韧而轻巧的透明ETFE垫层
这种材料拥有与隔热玻璃相同的热力性质
但质量要轻许多

▲ 2019中国北京世界园艺博览会中国馆,由玻璃和ETFE膜作为顶面的二层展厅
02.
膜结构受力特性
(高效的张拉结构)
膜结构是以高强度的柔性薄膜材料
经张拉或充气形成稳定的曲面
承受外荷载的结构形式
其造型自由、轻巧、柔美,充满力量感

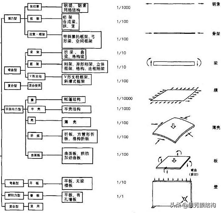
结构形式谱系简图
在上面的结构体系简图中
膜结构属于利用形抗的全轴力张拉结构
其结构效率是非常高的
利用膜材料的高抗拉强度
单独考虑膜材的跨度与其厚度的比值
可以达到1/10000
是最极致的轻型结构

构件尺寸与跨度的比值(估算)
03.
膜结构形式分类
根据膜结构的成形方式和受力特点
一般可以分为
张拉膜、充气膜和骨架膜三种
比较形象的比喻是
张拉膜像帐篷
充气膜像热气球
骨架膜像蒙古包

几种张拉膜和充气膜
张拉膜
利用马鞍面或者其它曲面正反曲率的特点
给膜材施加张力
以提高膜结构的刚度
抵抗外荷载
弗雷·奥托
最早把这一创意应用于建筑
创造出自由多变
轻盈飘逸的建筑造型

▲ 卡塞尔联邦花园展览音乐厅, 1955
奥托1955年设计卡塞尔联邦花园展览音乐厅
像是一个四点支撑的帐篷
依靠边索给膜施加预应力
使帐篷的外形呈现两头向上、两头向下的形状(马鞍形)
这个设计宣告了帐篷设计进入了全新的时代

▲ 科隆园艺展舞场,1957
不久之后
他设计了科隆园艺展舞场
由6根梭形柱撑吊起张拉膜
再以6根稳定索向下压住膜材以平衡受力
覆盖了直径33米的室外舞场区域
从结构体量和设计方面来说
该结构第一次超出了“帐篷”的意向

▲ 科隆联邦庭院展览入口拱门, 1957
科隆联邦庭院展览入口拱门
是膜和钢结构拱的组合
拱门跨度34m,跨越整个售票大厅
钢结构拱为膜提供张拉支承条件
膜张紧后又为钢拱提供侧向支撑
钢拱的截面非常小
直径仅为171mm、壁厚为14mm
如今,现场所呈现的是当年的复制品
与原作相比其跨度小而受压拱的截面却更大
1964年
弗雷·奥托成立了“轻型建筑研究所”
被称为“建筑天空的起飞跑道”
他的代表作蒙特利尔博览会西德馆
德国慕尼黑奥运会虽然为索网张拉结构
但几乎完美地呈现了张拉膜的形态
因为索网结构与张拉膜结构具有类似的受力原理

▲ 慕尼黑奥林匹克体育场
1967年蒙特利尔世博会的德国馆
8根钢铁的桅杆和5厘米直径钢缆结成的索网
支撑起半透明的白色涤纶帐篷
这一轻型化大跨度的建筑
成为1972年慕尼黑奥运主场馆的先声

▲ 蒙特利尔博览会德国馆,1967
膜材一般不能单点受力
(局部拉应力过大,可能会撕裂)
当“膜”面内仅仅由一根桅杆支撑时
为了将膜材的内力传递到帐篷的高、低点上
通常需设置脊索、谷索、索圈(即“索眼”)来实现
类似于上图蒙特利尔博览会德国馆的作法


▲ 慕尼黑奥运会主场馆, 1968–1972
丹佛国际机场航站楼
是为数不多的整体采用膜结构的机场
76米x285米的大空间
沿长边方向划分为17个单元

▲ 丹佛国际机场航站楼:鸟瞰
每个单元由间距45.8米的两根支柱
撑起山峰形的脊索
柱间为起稳定作用的谷索
以脊索和谷索为边界结构
其间的张拉膜材覆盖建筑大空间

▲ 丹佛国际机场航站楼:室内
2010年上海世博会主入口的世博轴
也采用了张拉索膜结构
由德国SBA公司和华东建筑设计研究院设计
全长1045米、宽约100米的世博轴
由6个喇叭形的“阳光谷、13根大型桅杆
数十根斜拉索和巨大的膜结构组成



▲ 上海世博会世博轴,2010年
骨架膜
骨架膜是以刚性构件作为骨架
以膜材作为覆盖材料
主要由刚性骨架承受外荷载
由于膜材的透光性和张力感
使得骨架膜结构的大空间更加明亮、开放、富有力度感


▲ 蓬皮杜梅斯艺术中心, 2010
蓬皮杜梅斯艺术中心
由坂茂建筑事务所(Shigeru Ban Architects)设计
以15m跨度为模数
3个纵深长达90m的长方体彼此垂直层叠
木结构屋面表面覆盖PTEE薄膜
呈现出极佳的效果

▲ 汉诺威世博会日本馆,2000,坂茂、奥托
2000年,奥托和与坂茂合作了汉诺威世博会日本馆
采用了与曼海姆大厅类似的网壳结构
只是屋面网格的木材换成了纸卷
充气膜
利用气压使膜产生张力
以此来抵抗外力的结构
称为充气膜结构
具体又分为气承式和气胀管式两大类
是现代膜结构摆脱马戏团帐篷形象的一次尝试
简单地理解
气承式是利用膜内外气压差
使膜产生拉力来平衡外荷载
类似于热气球


气承式(热气球) / 气胀管式(充气棒)
气胀管式的原理是
利用充气使得管(梁或拱)形成抗弯和轴向刚度
以承担外荷载
类似于常见的充气棒
气胀管式充气膜所需要的气压比气承式的更大
结构效率比气承式低

气承式和气胀管式受力原理简图
充气膜结构建造方便、快速
最初用于*用军**设施
Votta Byrdr从美军雷达穹顶、兵营
和仓库充气膜结构的建造中积累了经验
于1957年采用充气膜建造了自家的游泳池简易棚
第一次把这种结构形式带入到大众的建筑领域
以1970年大阪世博会为展示契机
膜结构因建造快速简便
被众多国家场馆所采用
其中最具代表性的美国馆和富士馆都是充气膜

▲ 大阪世博会上的美国馆,1970
美国馆的方案是由盖格尔(D.Geiger)提出的
低拱度空气膜结构,属于气承式
在长轴142米、短轴83.5米的椭圆形压环内侧
用索张拉膜材(聚氯乙烯喷涂的玻璃纤维布)
美国馆穹顶的垂度非常低(仅1.6m)
垂度低的充气穹顶受到的风荷载分布比较均匀(吸力)
这对保持膜结构形态和承载力的稳定非常有利

▲ 大阪世博会上的美国馆,1970
与美国馆不同
富士馆是一种拱形的充气膜
只对拱形管充气
建筑物内部气压与室外气压相同
出入口不需要气门锁,完全自由
同时结合横向索和缆风索
形成整体稳定的结构
充气拱的管状截面直径约4m
膜材为喷涂有弹性橡胶的聚乙烯醇纤维布
充气气压比室外大气压高800mm水柱
每个单元有16根拱,拱长均为72m
但每根拱的拱高和拱脚跨度不同
最终呈现出独特的形状
富士馆以前所未有的结构系统和形态
震惊了世界

▲ 大阪世博会富士馆,1970
建筑设计:村田丰,结构设计:川口卫
PTFE这种不可燃、高耐久性膜材的出现
为充气膜形式的永久建筑提供了技术上的可行性
20世纪七八十年代
美国和加拿大建造了大量的
盖格尔充气膜(单层低矢高气承式膜结构)的体育馆
然而,由于充气穹顶在风雪影响下
受损甚至倒塌的事故多次发生
且建筑维护费用高(维持气压和修补)
渐渐地充气穹顶被其它形式的穹顶所取代
事故原因包括多种因素
膜材料寿命(通常20-30年左右)
风雪天气的大幅降温使得气压不稳定
低矢高穹顶易积雪
挠度大和积雪进一步增大的恶性循环
除雪困难等

▲ Hubert H. Humphrey Metrodome,盖格尔设计
2010年因暴雪导致膜材撕裂,内部气压骤降而垮塌
04.
膜结构其它特性
相比与其它结构材料
膜还有一些独特的性质
比如光特性(透光、遮光、泛光)、可折叠、可卷起
利用这些特点
能设计出更加有趣的结构


▲ 2012欧洲足球竞标赛赛场,波兰
利用膜的可展特性
实现屋盖中心的开启和封闭

以膜作为张拉材料的张拉整体结构
压杆之间不直接连接
以膜构成的空间有无穷无尽的可能和魅力
综合考虑功能与形态、造型与力
材料、系统、节点、织物裁剪、施工方法等等
膜结构设计也是一种妙趣横生的探索过程
05.
膜结构案例欣赏
泰山九女峰书房
gad · line+ studio
屋面内外的双层白膜都由一序列尺寸渐变的拱形轻钢龙骨张拉而成,精确保证了屋面异形造型的流畅、柔美、顺滑。



响沙湾莲花酒店,内蒙古库布齐沙漠
PLAT ASIA
莲花酒店位于中国内蒙古库布齐沙漠的响沙湾。莲花的形式源自浩瀚沙漠中沙丘的形式,膜结构不仅是一种视觉景观,更承担着室内遮阳的作用,预估在冷却系统上能降低碳排放及电能的消耗。

DOX+当代艺术中心
Petr Hájek Architekti
这栋建筑来自于对1970年代原有建筑的更新改造,钢筋混凝土表面穿上一层柔软的立面,塑料薄膜在极端严寒的天气中不会因收缩而撕裂,并且当阳光照射表面温度升高时,也不会失去张力。


黑瞎子岛北大荒现代生态园,黑龙江
上海建筑设计研究院有限公司,第一原创工作室
北大荒生态公园位于黑霞子岛,自重极轻,热工性能优异的三层ETFE气枕作为表皮是整个建筑的特色。聚向的6m×6m气枕形成的巨大三角向中心逐渐变小。缩小,使建筑形体的向心力增强,仿佛拥有坚固的磁场,压缩了周边的空间。



▲ 建筑表皮采用了热工性能优异的三层ETFE气枕
2014年FIFA世界杯 “马内·加林沙”国家体育场,巴西
gmp
悬挂式屋面由双层结构组成,通过混凝土压力环固定。上层为半透明PTFE膜结构,下层为背面照明的膜结构。


奥胡斯大学可持续发展温室竞赛温室,丹麦
C. F. Møller


北京地铁昌平线西二旗站
李兴钢建筑工作室
根据侧式站台的特征,车站采用了双四边形组合建筑断面形式,并以PTFE膜结构作为屋面和立面维护材料和结构,实现了内部基本无柱的长向大空间。



蛇形画廊,英国
扎哈.哈迪德
蛇形画廊扩建由扎哈.哈迪德(Zaha Hadid)操刀,餐厅外面的白色壳体是玻璃纤维编织的纺织膜,外膜是PTFE涂层玻璃纤维布,内膜是有机硅涂层玻璃纤维布,外圈收口为玻璃钢。



伦敦奥运会篮球馆
Wilkinson Eyre Architects
伦敦奥运会篮球馆是奥运会历史上最大的临时场馆。场馆高30m,面积两万平方米,外敷可回收PVC膜,膜在后面的结构的作用下形成优美的起伏。透光的外表皮可以使得场馆在白天可以非常少的依赖人工照明
伦敦奥运会射击场
Magma Architecture
设计这项运动,观众的肉眼很难看轻,因此设计的重点希望通过动态的弧形空间表达出这个运动的动态和精密。白色的膜外皮上面点缀着彩色的开口,这些开口是节点,也可以消解风压,并为场地通风,也有的充当着场地的出口。清新的外观增强了奥运会的节日气氛。



Al Janoub体育场,卡塔尔
Zaha Hadid Architects
体育场包含一个可调节屋顶,采用了褶皱式PTFE纤维包层和缆索,在展开时犹如船帆一般覆盖在球场上方,在夏季时可提供荫蔽的比赛环境。
长风大悦城-会员空间
裸筑更新建筑设计事务所


可见泽栖帐篷艺术酒店,云南
捷仕建筑




拉科斯堡艺术画廊,法国
伦佐·皮亚诺工作室
这个项目屹立在著名拉考特庄园的葡萄园的正中心。拱型结构回应了风景画般的葡萄园分布,仿佛是要把风帆融入葡萄园。同时如同风筝一般,风帆飞扬再落下,同时凸显出建筑的轻盈和水平感。



弗拉门戈冰塔,哈尔滨
埃因霍芬理工大学冰雪结构研究团队 + 哈尔滨工业大学
弗兰门戈冰塔的设计,结合了东方传统塔楼的形态和弗拉明戈舞蹈的动势与优美,既体现了中外文化的融合,也是力与美相结合的表达。高达31米的冰壳,结构的建造是通过将复合冰材料喷在巨大的充气膜上形成冰壳,平均厚度为25厘米。



元上都遗址工作站,内蒙古
李兴钢建筑工作室
元上都遗址工作站位于元上都遗址之南,建筑形体朝向外侧的连续弧形界面,罩以白色半透明的PTFE膜材,为建筑提供了必要保温的同时,又能引发蒙古包的联想,带来草原上临时建筑的轻盈感,从而最大限度的降低对遗址环境的干扰。


cr:新微设计