
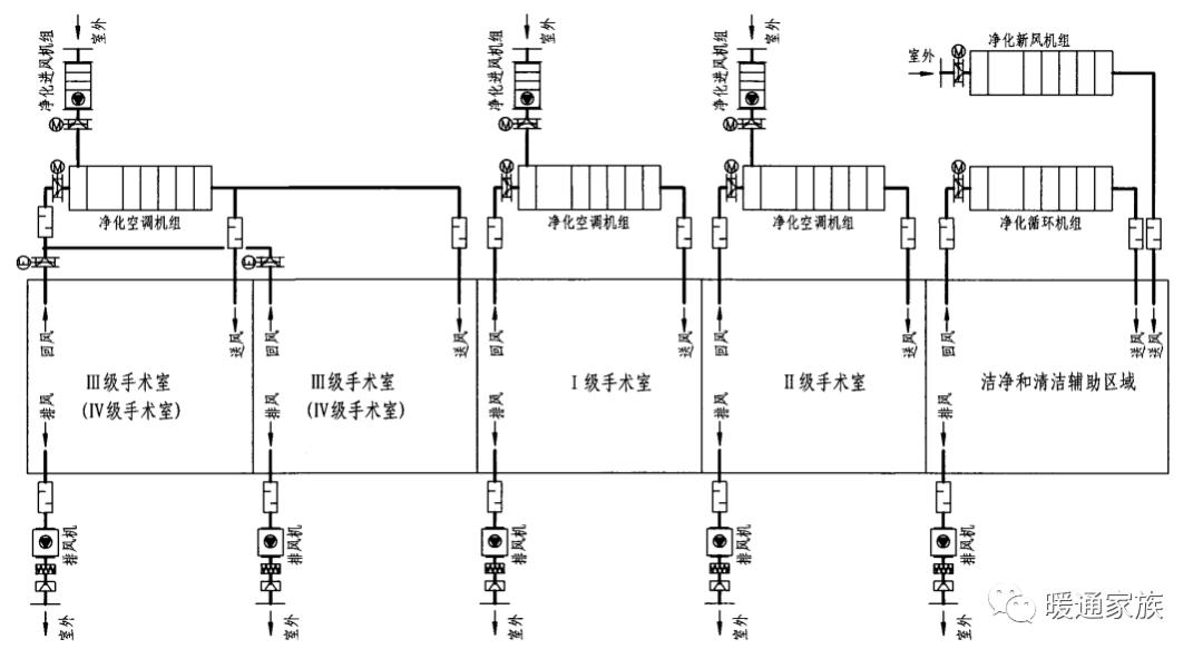
一、分散处理设计方式
1、每间手术室净化空调系统的新风单独从室外引入。
2、引入的新风经过净化进风机组内的粗效、中效、亚高效过滤处理后直接送到净化空调机组的吸入端。
3、净化空调机组承担手术室包括新风负荷的所有负荷。
4、洁净和清洁辅助区新风应单独设置净化新风机组。
5、系统特点及适用范围:
系统灵活简单,方便操作。
适用于大部分地区,尤其适用于冬季寒冷的地区,可以充分利用室外冬季冷空气作为冷源。
新风分散处理空调系统流程图(一)

新风分散处理空调系统流程图(二)

新风分散处理空调系统流程图(三)

注:大型手术部洁净和清洁辅助区净化空调系统应分区设置。

二、集中处理设计方式
1、手术室部净化空调系统的新风系统分为几组集中由室外引入。
2、按照分组设置净化新风空调机组。
3、引入的新风,经过净化新风机组内的粗效、中效、亚高效过滤处理、冷却降温除湿或加热后直接送到净化空调机组吸入端。
4、夏季新风处理到室内空气状态点的焓值;冬季新风处理到室内空气状态的等温线。
5、净化空调机组只承担手术室内热湿负荷、夏季再热负荷、风机温升负荷和冬季手术室加湿。
6、系统特点及适用范围:系统灵活性较差,但室内温湿度相对稳定;适用于新风湿负荷大的地区。
新风集中处理空调系统流程图(一)

新风集中处理空调系统流程图(二)

注:中、大型手术部净化新风机组应分区或分组设置。
