大家好,我是李工,希望大家多多支持我。
今天给大家讲一下桥式整流电路。
什么是桥式整流电路?
在前面全波整流电路那篇文章中已经讲到过了,桥式整流电路其实是全波整流电路的一种。
桥式整流电路是由四个二极管连接在一个闭环“桥”配置中,以产生所需的输出。
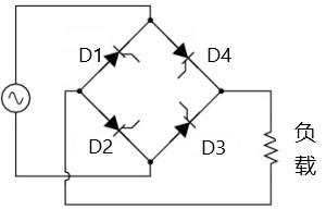
这种桥式电路的主要优点是不需要特殊的中心抽头变压器,从而减小了尺寸和成本。单个次级绕组连接到二极管桥网络的一侧,负载连接到另一侧,如下图所示。

桥式整流电路电路图
桥式整流电路工作原理
在输入交流波形二极管的正半周期期间,D1 和 D2 正向偏置,D3 和 D4 反向偏置。当电压超过二极管D1 和 D2 的阈值电平时,开始导通 - 负载电流开始流过它,如下图红线的路径所示。

桥式整流电路原理图
桥式整流电路正半周期工作原理
在正半周期间,二极管 D3-D2 得到正向偏置,并起到闭合开关的作用。二极管 D1-D4 反向偏置并且不导通,因此就像打开开关一样。因此我们在输出端得到正半周。

桥式整流电路正半周期原理图

桥式整流电路正半周期电流流向图
桥式整流电路负半周期工作原理
在负半周期间,二极管 D1-D4 正向偏置,并起到闭合开关的作用。二极管 D3-D2 反向偏置并且不导通,因此就像打开开关一样。因此我们在输出端得到正半周。

桥式整流电路负半周期原理图

桥式整流电路负半周期电流流向图
桥式整流电路输出波形图
从以上4个图可以看出,在正半周和负半周期间,流经负载电阻R L的电流方向是相同的。因此,正半周和负半周的输出直流信号的极性相同。输出直流信号的极性可以是完全正极也可以是负极。如果二极管的方向反转,那么我们会得到一个完整的负直流电压。
因此,桥式整流电路在输入交流信号的正半周期和负半周期期间都允许电流。
桥式整流电路的输出波形如下图所示,我们可以看到交流电压的负部分经过桥式整流电路后转换为正周期。

桥式整流电路特性参数计算
桥式整流电路的主要参数包括以下几个:
- 纹波系数
- 峰值反向电压 (PIV)
- 效率
纹波系数
使用因子测量输出直流信号的平滑度称为纹波因子。这里,平滑的直流信号可以被认为是包括很少纹波的输出直流信号,而高脉动直流信号可以被认为是包括高纹波的输出信号。在数学上,它可以定义为纹波电压与纯直流电压的分数。
对于桥式整流器,纹波因子的参数计算公式为:
Γ = √ (Vrms2/VDC)−1
桥式整流器的纹波系数值为0.48
PIV(峰值反向电压)
峰值反向电压或 PIV 可以定义为当二极管在整个负半周期内以反向偏置条件连接时来自二极管的最高电压值。桥式电路包括四个二极管,如 D1、D2、D3 和 D4。
在正半周期中,两个二极管(如 D1 和 D3)处于导通位置,而 D2 和 D4 二极管均处于非导通位置。同样,在负半周,D2 和 D4 等二极管处于导通位置,而 D1 和 D3 等二极管处于非导通位置。
效率
整流器的效率主要决定整流器将AC(交流电)变为DC(直流电)的能力。整流器的效率可以定义为;它是 DC o/p 功率和 AC i/p 功率的比值。桥式整流器的最大效率为 81.2%。
η = DC o/p 功率/AC i/p 功率
桥式整流电路的分类
桥式整流电路根据这些因素分为几种类型:电源类型、控制能力、桥式电路配置等。桥式整流电路主要分为单相和三相整流电路。这两种类型进一步分为非控制型、半控制型和全控制型整流电路。下面描述了其中一些类型的整流电路。
单相和三相桥式整流电路
电源的性质,即单相或三相电源决定了这些整流电路。单相桥式整流电路由四个二极管组成,用于将交流转换为直流,而三相整流器使用六个二极管,如图所示。根据二极管、晶闸管等电路元件的不同,这些整流电路也可以是不受控或受控的整流电路。

单相和三相桥式整流电路
非受控桥式整流电路
如图所示,该桥式整流电路使用二极管对输入信号进行整流。由于二极管是一种单向器件,仅允许电流沿一个方向流动。使用整流电路中的这种二极管配置,它不允许功率根据负载要求而变化。所以这种类型的整流电路用于恒定或固定电源。

非受控桥式整流电路
可控桥式整流电路
在这种类型的整流器中,AC/DC 转换器或整流器——代替不受控制的二极管,使用可控固态器件(如 SCR、MOSFET、IGBT 等)来改变不同电压下的输出功率。通过在不同的时刻触发这些设备,负载的输出功率得到适当的改变。

可控桥式整流电路
桥式整流电路设计注意事项
使用桥式整流电路从交流输入提供直流输出时,需要考虑以下几点:
- 电压降 : 千万不要忘记,流过桥式整流电路的电流会通过两个二极管。结果,输出电压将下降这个量。由于大多数桥式整流电路使用硅二极管,因此该压降至少为 1.2 伏,并且会随着电流的增加而增加。因此,可以实现的最大电压输出至少比交流输入的峰值电压低 1.2 伏。
- 计算整流器中散发的热量 : 二极管将使电压下降至少 1.2 伏(假设为标准硅二极管),随着电流的增加,该电压将上升。它是由二极管两端的标准电压降以及二极管内的电阻引起的。要注意,电流在任何半个周期内都通过电桥内的两个二极管。首先是一组两个二极管,然后是另一个。 需要查阅桥式整流电路的二极管或整个桥式整流电路电子元件的datasheet,以查看设想电流水平的电压降。 电压降和通过整流电路的电流会产生热量,需要散热。在某些情况下,这可以通过空气冷却轻松消散,但在其他情况下,桥式整流电路可能需要用螺栓固定到散热器上。为此,许多桥式整流电路被构造成用螺栓固定在散热器上。
- 峰值反向电压 : 确保不超过桥式整流电路或单个二极管的峰值反向电压非常重要,否则二极管可能会击穿。 桥式整流电路中二极管的 PIV 额定值低于与中心抽头变压器一起使用的两个二极管配置所需的额定值。如果忽略二极管压降,对于相同的输出电压,桥式整流电路需要的二极管 PIV 额定值是中心抽头整流电路的一半。这可能是使用此配置的另一个优点。二极管两端的峰值反向电压等于峰值次级电压Vsec,因为在半个周期内,二极管 D1 和 D4 导通,而二极管 D2 和 D3 反向偏置。全波桥式整流电路显示峰值反向电压假设完美的二极管上没有电压降,使用这一点,可以看出 A 点和 B 点将具有相同的电位,C 点和 D 点也是如此。这意味着来自变压器的峰值电压将出现在负载上。每个非导电二极管上也出现相同的电压。
桥式整流电路优缺点
桥式整流器的优点
- 输出直流信号中的低纹波:桥式整流器的直流输出信号比半波整流器更平滑。换言之,与半波整流器相比,桥式整流器具有更少的纹波。但是,桥式整流器的纹波系数与中心抽头全波整流器相同。
- 整流效率高:与半波整流器相比,桥式整流器的整流效率非常高。但是,桥式整流器和中心抽头全波整流器的整流效率是相同的。
- 低功耗:在半波整流器中,只允许输入交流信号的一个半周期,而阻断输入交流信号的剩余半周期。结果,几乎一半的应用输入功率被浪费了。
然而,在桥式整流电路中,电流在输入交流信号的正负半周期间都是允许的。所以输出直流功率几乎等于输入交流功率。
桥式整流器的缺点
桥式整流电路看起来很复杂:在半波整流器电路中,仅使用一个二极管,而在中心抽头全波整流电路中使用两个二极管。但在桥式整流电路中,我们使用四个二极管进行电路操作。所以桥式整流电路看起来比半波整流电路和中心抽头全波整流电路复杂。
与中心抽头全波整流电路相比,功率损耗更大:在电子电路中,我们使用的二极管越多,电压降就会越大。桥式整流电路的功率损耗几乎等于中心抽头全波整流电路。然而,在桥式整流电路中,与中心抽头全波整流电路相比,电压降略高。这是由于两个额外的二极管(总共四个二极管)。
在中心抽头全波整流电路中,每个半周期只有一个二极管导通。所以电路中的电压降为0.7伏。但在桥式整流电路中,两个串联的二极管在每个半周期导通。因此,电压降是由于两个等于 1.4 伏(0.7 + 0.7 = 1.4 伏)的二极管而发生的。但是,由于该电压降造成的功率损耗非常小。
以上就是关于桥式整流的一些知识点,希望大家多多支持我,欢迎在评论区留言。

图片来源于网络