1 施工方法
1.1 施工顺序
楼面测量放线 → 构造柱、抱框、水平系梁、墙体拉结筋固定 → 基座混凝土 →排风道安装→隔墙板安装→ 隔墙砌筑(水电管预埋) → 构造柱、抱框、水平系梁、过梁钢筋、支模 → 浇筑混凝土 → 拆模清理→ 质量验收。
1.2 测量放线
楼面隔墙测量放线时应按结构施工时主轴控制线进行,应保证各轴线间的水平距离相等且方正。
平面控制时应在楼面上弹出墙身线、构造柱位置线、抱框(门窗洞口)位置线、墙面上水电预留洞口的位置线,相对应的构造柱与顶面梁板的位置采用挂垂直线的方法进行控制。
高度控制时应根据建筑标高0.5米或1.0米线进行控制,垂直墙或柱上应标出混凝土基座、各道拉结筋、水平系梁、门窗过梁的位置线,保证本单元标高相等。皮数杆上除此内容外,在各拉结筋位置线之间应标出砌块的皮数(三皮)。
除设计注明洞口高度外,室内填空结构墙上门洞高度按建筑高度2300mm控制(边单元端头户型增加入户门高度为2100mm)。
1.3 胀锚螺栓法拉结构造施工
构造柱、抱框、水平系梁、墙体拉结筋等与主体结构的拉结采用钢板、胀锚螺栓固定时做法为:
钢板为6mm厚Q235钢板,胀锚螺栓为M6、M10、M12YG!型胀锚螺栓。构造柱、抱框、水平系梁的混凝土强度等级除注明者外为C25。
1.3.1 构造柱、水平系梁的设置
填充墙(包括内墙和外墙)在墙的拐角和交叉处设置构造柱,填充墙大于4米时,每隔4米设置一个构造柱,构造柱的位置按上述要求进行布置。
在层高大于4米(地下及非标准层)的内墙或无窗洞的外墙中,应在门洞上皮高度处或墙体半高处设置150高水平系梁,其余应在门洞上皮高度处设置120高水平系梁。门洞上水平系梁的设置应与门过梁高度综合考虑,当门过梁高度大于120时,水平系梁的高度与门过梁相等,以符合砌块的模数。
构造柱、水平系梁的配筋及断面尺寸见下图:

构造柱胀锚螺栓与上部梁、板及下部楼面板的连接见下图:

水平系梁与结构墙、柱的连接见下图:

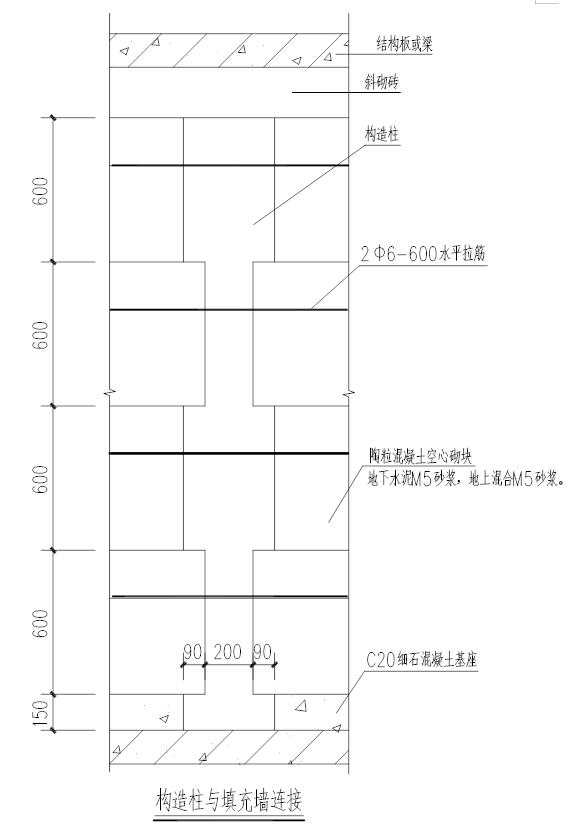
构造柱与填充墙连接见下图:

应先砌墙后浇柱,马牙槎先退后进。

1.3.2 抱框的设置
门或窗两侧设置混凝土抱框,(顶部为钢筋混凝土过梁,窗下部为填空墙时设50厚钢筋混凝土压顶,2φ6钢筋)。
抱框的配筋及断面尺寸见下图:

1.3.3 填充墙拉结筋设置
填充墙沿高度每600mm设通长2φ6(墙厚300时为3根)拉结钢筋,在与填充墙相连接的剪力墙或柱上采用胀锚螺栓固定的方法,钢板为6mm厚Q235钢板,胀锚螺栓为M6YG!型胀锚螺栓。见下图:

1.3.4 过梁设置
砌体的门洞、窗洞或设备留孔,其洞顶均设置过梁。梁宽同墙宽,梁高为1/8洞宽且不小于120mm,洞宽小于1500mm时(本填充结构洞口最大尺寸),下铁2Φ12,架立筋2φ10,箍筋均为2φ6—200,梁支座长度大于250mm。过梁配筋与水平系梁相同时钢筋拉通,不同时采用绑扎搭接。过梁、水平系梁、抱框的配置见下图:

1.4 植筋法拉结构造施工
构造柱、抱框、水平系梁、墙体拉结筋等与主体结构的拉结采用植筋时做法如下:
由植筋单位提供相关技术文件及施工现场的技术指导工作,材料选用采用JCT-1型植筋胶或JCT-5型注射式植筋胶,或JGN型植筋结构胶,并配备钻孔机械、清孔工具等。
植筋的施工温度范围:-150C~500C,本工程结构混凝土强度等级为C30,主要植筋规格为φ6.5、φ10、Φ12。
植筋胶力学性能及植筋主要技术参数如下表:
植筋胶力学性能一览表
|
序号 |
项目 |
单位 |
试验结果 |
备注 |
|
1 |
轴心抗压强度 |
Mpa |
104.3 |
|
|
2 |
弹线模量 |
Mpa |
14600 |
|
|
3 |
襞裂抗拉 |
Mpa |
11.2 |
|
|
4 |
拉伸剪切强度 |
Mpa |
2.7 |
砼试件开裂 |
|
5 |
抗拔粘接力 |
KN |
35.7 |
砼试件开裂 |
|
6 |
稠度 |
CM |
5.3 |
|
|
7 |
表观密度 |
Kg/m3 |
2070 |
|
|
8 |
抗压强度 |
Mpa |
116.0 |
|
|
9 |
抗折强度 |
Mpa |
34 |
|
|
10 |
软化系数 |
抗压:0.95 抗折:1.03 |
泡水48小时 湿强度/干强度 |
JCT植筋技术参数一览表
|
序号 |
钢筋直径(mm) |
钻孔深度(mm) |
钻孔直径(mm) |
破坏力(KN ) |
|
1 |
φ6.5 |
90 |
10 |
≥7 |
|
2 |
φ10、 |
150 |
14 |
≥18 |
|
3 |
Φ12(二级钢筋) |
180 |
16 |
≥37 |
JGN植筋技术参数一览表
|
序号 |
钢筋直径(mm) |
钻孔深度(mm) |
钻孔直径(mm) |
破坏力(KN ) |
|
1 |
φ6.5 |
74 |
10 |
≥7 |
|
2 |
φ10 |
131 |
16 |
≥18 |
|
3 |
Φ12(二级钢筋) |
223 |
20 |
≥37 |
主要施工方法:
钻孔:锚固钢筋时,在基材上用电锤或其它钻孔设备钻出符合要求的孔径。
清孔:孔内粉尘用毛刷或风机反复清刷至少三遍以上。
注胶:将植筋胶中的A料、B料进行充分混合(100:1~100:2),放入孔内,胶量应满足钢筋插入后孔内胶体填充饱满。
植筋:将钢筋插入孔内(可用旋转或冲的方法),在胶固化前禁止扰动钢筋,以免影响锚固效果。
可操作时间:10~120min。
1.5 陶粒混凝土空心砌块施工
1.5.1 工艺流程
施工准备(包括放线、立皮数杆、湿润楼面)→ 排砖撂底 → 砌砖 →混凝土浇筑 → 自检及评定 → 质量验收。
1.5.2 隔墙施工技术要求
1.陶粒混凝土砌块进场后由试验员按规定进行取样,同时检查外观、规格是否符合标准规定(尺寸偏差:长度、宽度、高度一等品时均为±2,长度、宽度、高度合格品时均为±3),合格后方可使用在工程上。现场砌块应按规格、密度等级、强度等级、质量等级分批码放整齐,地面平整,码放高度不得超过2m。陶粒砌块用手推车水平运输,装卸砌块严禁碰撞、抛扔、应轻拿轻放,要排列整齐,堆放场地应有防雨、防潮及排水措施,陶粒砌块的龄期应大于28天。
2.制备砂浆:砂浆的配合比应经试验确定,采用M5水泥砂浆、混合砂浆砌筑。应采用重量比,水泥计量精确度控制在±2%以内,砂子计量精确度控制在±5%以内。砂浆搅拌时,先倒砂子、水泥,最后加水,搅拌时间以2分钟为宜。用灰槽存放砂浆,保证砂浆的和易性,砂浆稠度为70mm。砂浆应随拌随用,拌成后3小时内使用完毕,严禁使用过夜砂浆。
3.陶粒混凝土砌块施工前将楼面清理干净,剔除表面灰浆,每层楼层要在地面弹出墙身线,及门窗洞口位置线,经复核符合图纸要求后方可进行下道工序。砌筑隔墙时,按墙宽尺寸,砌块的规格尺寸进行排列摆块。不够整块的可以割锯成需要的尺寸,但不得小于砌块长度的1/3。
4.基座要求:为保证填充墙底部踢脚面层做法不空不裂,采用C20细石混凝土基座,高度为150mm以满足要求。施工时应将楼面上用水清理干净,根据墙身厚度线和标高线进行支模,校正后浇筑混凝土。
5.与结构墙、柱拉结按5.3条要求,即首先将钢筋焊于钢板上(钢板尺寸为墙厚、柱宽、梁高-30㎜),钢板上打4个胀栓眼(拉结筋为2个孔),再将钢板用YG1型胀锚螺栓固定于柱、墙、梁、板上。
与结构墙、柱拉结或按植筋做法进行施工。
1.5.3 墙体砌筑
1.立皮数杆(采用30mm×40mm木料制作,一般距墙皮或墙角50mm为宜,皮数杆应垂直、牢固、标高一致。),确定混凝土基座、拉结筋间距、门顶过梁、水平系梁、窗台、砌块皮数的高度。每层开始时从转角处或墙定位处开始,用大铲铺灰均匀,安装陶粒砌块时放平、方正,每层均拉线控制砌体标高和砌块平整度。砌筑时为便于铺放砂浆,施工砌筑必须遵守“反砌”方法,即砌块底面(盲孔)朝上。砌筑时应满铺满挤,上下错缝,搭接长度不小于砌块长度的1/3且不应小于90mm,转角处相互咬砌搭接。
2.砌砖前混凝土陶粒砌块在使用前1~2小时要阴干,砖表面不要带水上墙。砌砖时砌体上下错缝、咬槎、搭砌,严重掉角的砌块不宜使用。留槎时应留斜槎,留槎高度不得超过1.2m。砌块砖墙应拉通线砌筑,并应随砌随吊、靠,确保墙体垂直、平整。
3.砌体水平、垂直灰缝厚度为10mm。大于30mm的垂直缝用C20细石混凝土灌实,砌体灰缝横平竖直,全部灰缝均应填满砂浆,水平灰缝饱满度按面积计不得低于80%,垂直灰缝饱满度不得低于80%,砌筑时不得出现瞎缝、透明缝。每砌一皮砌块,就位校正后用砂浆灌垂直缝,随后进行刮缝,将多余砂浆用大铲刮平,收回灰斗内,找零采用蒸压灰砂砖或专用陶粒砌块。
4.收顶:砌体收顶与结构顶板、梁相交时,施工时间应在下部砌体沉实后(至少间隔7天)方可进行,收顶采用蒸压灰砂砖斜砌的方法,砖块必须逐块敲紧挤实,填满砂浆(见砌筑法1)。同时也可在结构顶板、梁上打YG1型φ8胀栓@1000mm,φ6钢筋与胀栓点焊并沿纵墙放置。再用M5砂浆挤满,填塞高度依砌块高度而定,不得低于60mm(见砌筑法2)。

1.5.4 水电处理
水电留槽、留洞时,处理方法两种,第一种处理方法是随砌筑工程同步进行管路安装;另一种处理方法是在砌筑工程完成之后,抹灰之前,进行立管剔槽处理,剔槽深30㎜,宽60㎜,用切割机进行切割剔槽。管路安装完毕后,用干硬性混凝土填实,外侧用L=20㎜@300圆钉钉牢100㎜宽钢板网,最后进行抹灰作业。本方案要求采用第一种方法,即水电管线留置随工程砌筑同步进行。第二种方法为局部改线时的处理方法,应尽量避免。见下图:

1.5.5 质量标准
1.砌块和原材料、技术性能、强度、品种必须符合设计要求,并有出厂合格证。
2.砂浆强度等级达到设计要求,用标准试模制作试块,每一检验批且不超过250m3砌体的各种类型及强度等级的砌筑砂浆每台搅拌机应至少抽检一次,制作试块一组(每组6块),用于检验28天的砂浆强度。试块强度等级不得低于设计强度,同一验收批的砂浆试块抗压强度平均值必须大于或等于设计强度等级所对应的立方体抗压强度, 同一验收批的砂浆试块抗压强度最小一组平均值必须大于或等于设计强度等级所对应的立方体抗压强度的0.75倍。
3.砌筑错缝搭砌符合规定,不得出现竖向通缝,压缝尺寸达到规范要求。
4.转角处、交接处同时砌筑,砂浆密实,砌块平顺,砌体垂直,不得出现破槎、松动,临时间断处应留斜槎,斜槎水平投投影长度不应小于高度的2/3。
5.构造柱、水平系梁、抱框、过梁的设置、拉结筋根数、间距、位置、长度符合设计要求。
6.允许偏差:
|
项次 |
项目 |
允许偏差 |
检验方法 |
|
1 |
轴线位置 |
10mm |
尺量 |
|
2 |
垂直度 |
5mm |
吊线检查 |
|
3 |
表面平整 |
8mm |
2m靠尺、塞尺检查 |
|
4 |
标高 |
±15mm |
水准仪或拉线尺量 |
|
5 |
门窗洞口高、宽度 |
±5mm |
拉线尺量 |
1.5.6 成品保护
1.对暖卫、电气管线及其它预埋件,注意保护,不得碰撞损坏。
2.对墙体内埋置的拉结钢筋要加强保护,不得随意踩倒弯折。
3.运输砖及砂浆材料的手推车,应平稳行驶,防止碰撞墙体。
4.空心砖墙上,不得放置脚手架,防止发生事故。