买一台电台电源需要几百员,可好多朋友家里都有电脑升级淘汰下来的电脑电源,闲置没用挺可惜的!我就用一台旧电脑电源接12V为我的手台当电源,效果很好!可是接车台就不行了!一发射就自动断电(自动保护)。网上搜了不少资料,可都不成功!以上是搜的其中一份资料,请电脑高手指教,如何让我的“神乐”电源为车台供电?

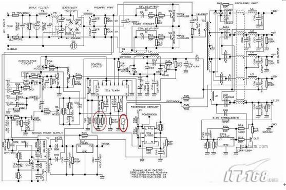
用TL494块的长城ATX250W电源进行改装,这块板上,TL494 2脚是基准电压脚,1脚为取样电压脚,1脚作用是将+5V通过两个电阻分压取样,输入TL494与1脚的基准电压比较,控制输出脉宽,从而控制输出电压。
知道原理,改起来很简单。初次动手改的时候走了点弯路,试图改2脚的基准电压,调来调去输出只有零点几伏的变化(其实是分析错了电路,以为2脚 为取样点)。后改在1脚对地接一40K的可调电阻,改变取样电压值,12V输出随之改变,13.8V时此电阻值为20K,用一20K电阻代换,装壳,改造完成。

如果能找到长城250W电源,一个不到一分钱的20K电阻就能把它改成通信电源,DIY乐趣无穷,这个电源经试验,负载电流8A时可长时间稳定工作。
下图中细黑圈内为原分压电阻,粗黑圈内为后加的电阻。改装的是长城250w电源,此电源测试时挂了两个汽车大灯,十三点几伏电压、电流大致10A,煲了2.5小时,电压无变化,温升可以忽略不计。

电脑 ATX 电源改 13.8V 通信用电源 .doc
、先找到TL494集成电路的第一脚。
2、找几个5K--50K的不同阻值的电阻(视不同的开关电源)备用.
3、从以上备用的电阻中找一个30K左右的电阻,焊到TL494的第一脚和‘地’之间。
4、将一个电压表调到直流电压档,接到电源输出的“黄”线和“黑”线间,等会儿将用它测输出电压(开关电源改造前这儿的电压应为12V)。
5、将电源插头插上。
再找一根细导线,将电源输出排线(接电脑主板的那个插头)上的“蓝”线和“黑”线短接(使开关电源工作)。
6、观察电压表电压,这时应比改造以前略大(略大于12V),若输出电压升高得不是很明显或还不到13.8V,再逐渐减小刚才加到TL494第一脚和地之间的那个电阻,直到电压表上的电压指示出13.8V为止。当然,如果第一次焊上电阻后,电压超过了13.8V,这时就要逐渐增大这个电阻,使之降到13.8V为止。(我的开关电源这个电阻取了15K时为13.9V,不同的开关电源这个电阻是取得不一样的,要多拿几个电阻从大到小去试。当然也可以用一个电位器来调,但这时要注意电位器不要调得太小了。)
原理:TL494第一脚是开关电源输出电压的取样端,当这个脚对地加上一个电阻后,取样电压就下降了,低于了平衡点。这样,开关源就会输出一个比之前更高的电压,使得TL494第一脚刚才降低的电压重新恢复到平衡点,最后稳定下来,输出比12V更高一点的电压。
注意:1、开关电源内部很多地方都是高压,打开通电操作时一定要特别小心!
2、加上去的这个电阻一定要从大到小去调(一般都在几K以上),这个电阻过小时,开关电源就要过压保护(一般电压超过14.5V左右电源就保护了),这时电源反而无电压输出了。
我用这种方法改了几个电脑电源了,作为V段机和U段机的电源性能是相当好的,对机器没有一点干扰。性价比也是很高的!输出电流在7A--10A,比花过上百元钱拿变压器做个电源划得来。
我用过的ATX电源没有负载检测功能(或许自带的电源风扇也算是负载),只要你给PG启动信号,她就工作。
电脑ATX电源改为13.8V对讲机电源
1、拆开ATX电源,找到到TL494集成电路的第一脚。
2、TL494集成电路的第一脚,对地(7脚)接一个15K的电阻,不同的ATX改电阻不同,范围为10K--50K。
3、将电源插头插上。
再找一根细导线,将电源输出排线(接电脑主板的那个插头)上的“绿”线和“黑”线短接开机(不通电源线颜色有可能不同,请参考相关使开关电源工作方法)。
4、观察电压表电压,这时应比改造以前略大(略大于12V),若输出电压升高得不是很明显或还不到13.8V,再调节TL494旁的电位器,观测并调节到13.8V了。(我的电源需要在13.8V输出接一个大电解才能boot起来,奇怪!)
5、把电源模块拆下来,把不需要的部分拆除,并放进机箱,接上电压(15V)和电流表(10A)头。注意绝缘和散热。
6、完工。实测电源的13.8V可输出最大电流为12A左右,基本能满足HAM友在业余无线电通讯中UV段的使用。
原理:TL494第一脚是开关电源输出电压的取样端,当这个脚对地加上一个电阻后,取样电压就下降了,低于了平衡点。这样,开关源就会输出一个比之前更高的电压,使得TL494第一脚刚才降低的电压重新恢复到平衡点,最后稳定下来,输出比12V更高一点的电压。
1 脉宽调制集成电路KA7500B各引脚功能及实测数据
ATX开关电源电压比较放大器LM339N和脉宽调制集成电路KA7500B各引脚功能及实测数据,表中电压数据以伏特(V)为单位,用南京产MF47型万用表10V、50V、250V直流电压挡,在ATX电源脱机检修好后接主机内各部件正常工作状态下测得;在路电阻数据以千欧(KΩ)为单位,用R×1K挡测得,正向电阻用红表笔测量,反向电阻用黑表笔测量,另一表笔接地。
表1:电压比较放大器LM339N引脚功能及实测数据
引脚号 引脚功能 工作电压(V) 在路电阻值 正 向 反向
1 电压取样比较器正端 4 8.5 13
2 反馈信号反相输入端 0 8.5 13.8
3 电源输入端 5 4 4
4 反馈信号同相输入端 1.2 11 13
5 电流取样输入端 0.8 10.5 26.4
6 电子开关启动端 1 10.5 24.4
7 电流取样输出端 1.2 11 20
8 电压取样输出端 1.2 9.5 11
9 PG信号同相控制端 1.2 11 ∞
10 电压取样输入端 1.4 10 15.5
11 PG信号反相控制端 1.6 11.5 120
12 地 0 0 0
13 PG信号输出端 4 3.6 8
14 电压取样比较器负端 1.8 9.5 25
说明:当用表笔测量LM339N的第11脚电压时,将引起电脑重新启动,属于正常现象。
表2:脉宽调制集成电路KA7500B各引脚功能及实测数据
引脚号 引脚功能 工作电压(V)在路电阻值(KΩ)正 向 反 向
1 电压取样放大器同相输入端 4.8 4.5 7
2 电压取样放大器反相输入端 4.6 8 8.8
3 反馈控制端 2.死区控制端) 0 9.5 19
5 振荡1 0.6 9 12.6
6 振荡2 2 9.2 ∞
4 脉宽调制输出控制端( 0 9 21
7 地 0 0 0
8 脉宽调制输出1 2 7.5 21
9 地 0 0 0
10 地 0 0 0
11 脉宽调制输出2 2 7.5 21
12 电源输入端 5 6.2 17
13 输出方式控制端 5 4 4
14 电压取样比较放大器负端 5 4 4
15 电流取样放大器反相输入端 5 4 4
16 电流取样放大器同相输入端 2 7.5 8
也就是说+5V的输出电流最大,而其他绕组的电流均次于它,即使你改好了输出电压,你的电源也顶多输出原来功率的一半甚至不到一半,一般PC电源上的+12V输出电流在6-10A之间,一些垃圾国产电源里的变压器自身功率都达不到150W外壳上却标着300W,象一般上点档次的PC电源它的开关变压器都采用EC35-EC40的变压器,输出300-400W是没有问题的。再下来一档的用EI35,250-300W还勉强过得去,最垃圾的电源竟然用EI28!外壳上却标着300W!我看能持续输出100W也算高的了。而且通常好的电源(300W)里面+5V的绕组都是用铜皮饶的,它的电流最大时可以上升至40-50A占电源总功率的66.7%-83%(其他绕组轻载),而现在的一些偷工减料的电源+5V绕组用漆包线饶不说,只用2-3根直径0.6-0.8mm的来绕。电流输出大小可想而知,+12V只用一根直径0.8的线作绕组,却标注输出电流有6-8A,而且它的整流管只有两个FR302!两个并联也只有6A,何况每次开关只有一个二极管导通,这种电源你改了也白改。所以在你准备改电源之前先挑一个有潜力可挖的,不要找个便宜的到处是病的电源下手,要不然麻烦接踵而至,还有如果你有能力的话,最好在改好电源外围反馈回路后,再把电源变压器也改了,TL494CN的开关变压器的绕组参数基本上这样的:初级:直径0.8mm/42T(最里面21T,最外面21T)。次级:直径0.65-0.8mm多根并绕双组(+5V=2X3T +12V=2X7T 依次类推 )
表3:开关电源电路主要三极管实测电压值(单位:V)
电路符号 元器件型号 电压值(V) B C E
Q2 A1015 2.6 —2.5 3.3
Q3 C1815 1.8 4.4 1.4
Q4 C1815 1.8 4.4 1.4
Q01 C4106 —1.5 280 140
Q02 C4106 0 140 0
Q03 BUT11A —2.2 280 0
电路符号 元器件型号 电压值(V) G S D
D21 S D22 30SC4M 0 0 5
BYQ28E 5 5 12
D23 B2060 0 0 3.3
电路符号 元器件型号 电压值(V) K A G
IC4 TL431 3.8 0 2.4
IC
用电脑电源改13.8V通讯电源
|
1、拆开ATX电源,找到到TL494集成电路的第一脚或KA7500B集成电路的第一脚。 2、TL494集成电路的第一脚,对地(7脚)接一个12K的电阻,不同的ATX改电阻不同,范围为10K--50K。 3、将电源插头插上。 再找一根细导线,将电源输出排线(接电脑主板的那个插头)上的“绿”线和“黑”线短接开机。 4、观察万用表的电压,这时应比改造以前略大(略大于12V),若输出电压升高得不是很明显或还不到13.8V,再调节TL494旁的电位器,观测并调节到13.8V了。 5、若输出电压升高得不是很明显或还不到13.8V,再逐渐减小刚才加到TL494第一脚和地之间的那个电阻,直到电压表上的电压指示出13.8V为止。当然,如果第一次焊上电阻后,电压超过了13.8V,这时就要逐渐增大这个电阻,使之降到13.8V为。 6、把风扇反过来装,加强散热。 7、改制时最好把+5V的取样电路切断,否则带负载会有些不稳。顺着1脚找出去,一般会有接三个电阻,其中一个接地,一个接+5、一个接+12,把接+5的电阻拆下。 8、电压升高后,风扇超速运转,不仅声音大,而且影响风扇寿命,把风扇正极接到+5V处,这样风扇声音就小多了。 9、完工。实测电源的13.8V可输出最大电流为12A左右,基本能满足HAM友在业余无线电通讯中UV段的使用。 KA7500B 和 TL494 是一样的接法。 15K电阻 (棕、绿、橙) 12K电阻 (棕、红、橙) |

作者:BG6EYX