1总则
1.0.1 为保证混凝土小型空心砌块建筑的设计和施工质量,做到因地制宜、就地取材、技术先进、经济合理、安全适用、质量可靠,制定本规程。
1.0.2 本规程适用于非抗震地区和抗震设防烈度为6度至9度地区,以混凝土小型空心砌块为墙体材料的房屋建筑的设计、施工及工程质量验收。
1.0.3 混凝土小型空心砌块建筑的设计、施工及工程质量验收,除应符合本规程之外,尚应符合国家现行有关标准的规定。
2 术语和符号
2.1 术语
2.1.1 混凝土小型空心砌块 concrete small-sized hollow block
普通混凝土小型空心砌块和轻骨料混凝土小型空心砌块的总称,简称小砌块(或砌块)。
2.1.2 普通混凝土小型空心砌块 normal concrete small-sized hollow block
以碎石或碎卵石为粗骨料制作的混凝土小型空心砌块,主规格尺寸为390mm×190mm×190mm,简称普通小砌块。
2.1.3 轻骨料混凝土小型空心砌块 lightweight aggregatedconcrete small-sized hollow block
以浮石、火山渣、煤渣、自然煤矸石、陶粒等粗骨料制作的混凝土小型空心砌块,主规格尺寸为390mm×190mm×190mm,简称为轻骨料小砌块。
2.1.4 单排孔小砌块 single row small-sized hollow block
沿厚度方向有单排方形孔的混凝土小型空心砌块。按骨料不同简称单排孔普通小砌块或单排孔轻骨料小砌块。
2.1.5 对孔砌筑 stacked hollow bond
小砌块砌体砌筑时上下层砌块孔洞相对。
2.1.6 错孔砌筑 staggered hollow bond
小砌块砌体砌筑时上下层砌块孔洞相互错位。
2.1.7 反砌 reverse bond
小砌块砌体砌筑时砌块底面朝上。
2.1.8 芯柱 core column
按建筑设计要求,在小砌块墙体中对孔砌筑的竖向孔洞内浇灌混凝土形成的混凝土柱,竖向孔洞内不插钢筋称素混凝土芯柱,竖向孔洞内插钢筋称钢筋混凝土芯柱。
2.1.9 构造柱 structural column
按设计要求,设置在砌块墙体中并先砌墙后浇灌混凝土柱的钢筋混凝土柱,简称构造柱。
2.1.10 控制缝 control joint
设置在墙体应力比较集中或墙的垂直灰缝相一致的部位,并允许墙身自由变形和对外力有足够抵抗能力的构造缝。
2.1.11 配筋砌体用小砌块 small concrete hollow block for reinforcedmasonry
由普通混凝土制成,主要规格尺寸为390mm×190mm×190mm、孔洞率在46%~48%、壁和肋部开有槽口、适合配筋小砌块砌体施工的单排孔空心砌块。
2.1.12 配筋小砌块砌体 reinforced small concrete hollowblockmasonry
配筋砌体用小砌块的孔洞和凹槽中配置竖向钢筋和水平钢筋、并采用灌孔混凝土填实孔洞后的砌体。
2.1.13 保温小砌块 thermal insulation small-sized hollow block
由单一材料成型具有良好保温性能的小砌块总称。其名称应冠以材料名称及排孔数,如陶粒混凝土三排孔保温小砌块。
2.1.14 复合保温小砌块 compound thermal insulation small-sized hollow block
由两种或两种以上材料复合成型具有良好保温性能的小砌块总称。
2.1.15 夹心保温砌块砌体 sandwiched complex thermal insulation hollow block masonry
由两个相互独立的内叶、外叶内夹保温隔热材料,并通过连接拉筋将其相互之间复合成整体的夹心保温砌块砌体。
2.1.16 承载面 area for loading
小砌块建筑墙体的砌筑中,设计承受墙体轴向压应力的面。
2.1.17 墙体保温隔热系统 thermal insulation system on walls
由保温层、保护层和固定材料(胶粘剂、锚固构件等)构成保温隔热构造系统的总称。按复合在外墙内外表面上的位置不同,分外墙外保温隔热系统和外墙内保温隔热系统。
2.1.18 传热系数 heat transfe rcoefficient
在稳定传热条件下,小砌块墙体两侧空气温度差为1K(1℃),1h内通过lm2面积墙体传递的热量。传热系数用K表示,是传热阻R0的倒数。小砌块建筑墙体的传热系数应考虑结构性冷(热)桥部位影响的平均传热系数,用符号Km表示,单位为W/(m2·K)。
2.1.19 热惰性指标 index of thermal inertia
表征小砌块外墙体反抗温度波动和热流波动的无量纲指标,用符号D表示。小砌块建筑外墙体的热惰性指标应取考虑结构性热桥部位影响后的平均热情性指标,用符号Dm表示。
2.1.20 配筋砌块砌体剪力墙结构 reinforced concrete masonryshear wall structure
由承受竖向和水平作用的配筋砌块砌体剪力墙和混凝土楼、屋盖所组成的房屋建筑结构。
2.2 符号
2.2.1 材料性能
Cb一一混凝土砌块灌孔混凝土的强度等级;
Db——小砌块砌体热惰性指标;
f1一—小砌块抗压强度平均值;
f2一—砂浆抗压强度平均值;
fg——对孔砌筑单排孔混凝土砌块灌孔砌体抗压强度设计值;
ft——砌体轴心抗拉强度设计值;
fv一—砌体抗剪强度设计值;
fgv——对孔砌筑单排孔混凝土砌块灌孔砌块抗剪强度设计值;
fvE——砌体沿阶梯形截面破坏抗震抗剪强度设计值;
fy——钢筋抗拉强度设计值;
fc——混凝土轴心抗压强度设计值;
Mb——混凝土砌块砌筑砂浆的强度等级;
MU——小砌块强度等级;
Rb——小砌块砌体热阻。
2.2.2 作用、效应与抗力
F——集中力设计值;
FEK——结构总水平地震作用标准值;
Ceq——地震时结构(构件).的等效总重力荷载代表值;
K——结构(构件)的刚度;
N——轴向力设计值;
Nk——轴向力标准值;
Nτ——局部受压面积上轴向力设计值,梁端支承压力设计值;
N0——上部轴向力设计值;
V—一剪力设计值。
2.2.3 几何参数
A一—构件截面毛面积;
A τ——局部受压面积;
A c——芯柱截面总面积;
A 0——影响局部抗压强度的计算面积;
A b——垫块面积;
A s——钢筋截面面积;
α——距离,边长,梁端实际支承长度;
α 0——梁端有效支承长度;
B——房屋总宽度;
b——截面宽度,边长;
b f——带壁柱端的计算截面翼缘宽度,冀墙计算宽度;
b s——在相邻横墙、窗间墙间或壁柱间的距离范围内的门窗洞口宽度;
e——轴向力合力作用点到截面重心的距离,简称轴向力的偏心距;
H——结构或墙体总高度,构件高度;
H i——第i层高;
H o——构件的计算高度;
h——墙的厚度或矩形截面轴向力偏心方向的边长;
h c——梁的截面高度;
h b——小砌块的高度;
h 0——截面有效高度,
h T——T形截面的折算厚度;
L——结构(单元)总长度;
S——相邻横墙、窗间墙间或壁柱间的距离;
y——截面重心到轴向力所在偏心方向截面边缘的距离。
2.2.4 计算系数
n——总数,如楼层数、质点数、钢筋根数、跨数等;
αmax——水平地震影响系数最大值;
β——墙、柱的高厚比;
γ——砌体局部抗压强度提高系数;
γa——砌体强度设计值调整系数;
γf——结构构件材料性能分项系数;
γRE——承载力抗震调整系数;
φ——组合值系数,轴向力影响系数;
ζ——计算系数,局压系数;
λ——构件长细比,比例系数;
μ1——自承重墙允许高厚比的修正系数;
μ2——有门窗洞口墙允许高厚比的修正系数;
μc——设构造柱墙体允许高厚比提高系数;
ρ——配筋灌孔率,比率。
3 材料和砌体的结构设计计算指标
3.1 材料强度等级
3.1.1 小砌块、砌筑砂浆和灌孔混凝土的强度等级,应按下列规定采用:
1 普通混凝土小型空心砌块强度等级可采用MU20、MUl5、MUl0、MU7.5和MU5;
2 轻骨料混凝土小型空心砌块强度等级可采用MUl5、MUl0、MU7.5、MU5和MU3.5;
3 砌筑砂浆的强度等级可采用Mb20、Mbl5、Mbl0、Mb7.5和Mb5;
4 灌孔混凝土强度等级可采用Cb40、Cb35、Cb30、Cb25和Cb20。
注:1 普通混凝土小型空心砌块、轻骨料混凝土小型空心砌块和砌筑砂浆的技术要求、试验方法和检验规则应符合现行国家标准;
2 确定砌筑砂浆强度等级时,试块底模应采用同类小砌块侧面做底模。
3.2 砌体的结构设计计算指标
3.2.1 龄期为28d的以毛截面计算单排孔普通混凝土小砌块和轻骨料混凝土小砌块砌体的抗压强度设计值,当施工质量控制等级为B级时,应根据块体和砂浆强度等级分别按下列规定采用。
1 单排孔普通混凝土小砌块和轻骨料混凝土小砌块对孔砌筑的抗压强度设计值,应按本规程表3.2.1-1的规定取值。
2 单排孔普通混凝土小砌块对孔砌筑时,灌孔砌体的抗压强度设计值fg,应按下列方法确定:
表3.2.1-1 单排孔普通混凝土小砌块和煤矸石混凝土小砌块砌体的抗压强度设计值(MPa)
|
砌块强度等级 |
砌筑砂浆强度等级 |
砌筑砂浆强度 |
||||
|
Mb20 |
Mb15 |
Mb10 |
Mb7.5 |
Mb5 |
0 |
|
|
MU20 |
6.30 |
5.68 |
4.95 |
4.44 |
3.94 |
2.33 |
|
MUl5 |
— |
4.61 |
4.02 |
3.61 |
3.20 |
1.89 |
|
MUl0 |
— |
— |
2.79 |
2.50 |
2.22 |
1.31 |
|
MU7.5 |
— |
— |
— |
1.93 |
1.71 |
1.01 |
|
MU5 |
— |
— |
— |
— |
1.19 |
0.70 |
注:1 对独立柱或厚度为双撑组砌的小砌块砌体,应按表中数值乘以0.7;
2 对T形截面砌体墙体和柱,应按表中数值乘以0.85,
3 当砌筑砂浆强度等级高于小砌块强度等级时,应按小砌块强度等级相同的砌筑砂浆强度等级,按表3.2.1-1采用小砌块砌体的抗压强度设计值;
4 表中煤矸石为自然煤矸石。
1)普通混凝土小砌块砌体的灌孔混凝土强度等级不应低于Cb20,也不应低于1.5倍的块体强度等级;
注:灌孔混凝土的强度等级Cb20等同于对应的混凝土强度等级C20的强度指标。
2)灌孔普通混凝土小砌块砌体的抗压强度设计值fg,应按下列公式计算:
fg=f+0.60αfc, (3.2.1—1) α=δρ (3.2.1—2) 式 中:
fg一—灌孔普通混凝土小砌块砌体的抗压强度设计值(MPa),设计取值不应大于未灌孔普通混凝土小砌块砌体抗压强度设计值的2倍;
f—— 未灌孔普通混凝土小砌块砌体的抗压强度设计值(MPa),应按本规程表3.2.1-1取值;
fc——灌孔混凝土的轴心抗压强度设计值(MPa);
α——普通混凝土小砌块砌体中灌孔混凝土面积与砌体毛截面积的比值;
δ——普通混凝土小砌块的孔洞率;
ρ——混凝土砌块砌体的灌孔率,系截面灌孔混凝土面积与截面孔洞面积的比值,灌孔率应根据受力情况或施工条件确定,ρ不应小于33%。
3 双排孔、多排孔普通混凝土小砌块砌体的抗压强度设计值,应按本规程表3.2.1-1的规定取值。
4 小砌块孔洞率不大于35%的双排孔或多排孔轻骨料混凝土小砌块砌体的抗压强度设计值,应按本规程表3.2.1-2的规定取值。
表3.2.1-2 轻骨料混凝土小砌块砌体的抗压强度设计值(MPa)
|
砌块强度等级 |
砌筑砂浆强度等级 |
砌筑砂浆强度 |
||
|
Mbl0 |
Mb7.5 |
Mb5 |
0 |
|
|
MUl0 |
3.08 |
2.76 |
2.45 |
1.44 |
|
MU7.5 |
— |
2.13 |
1.88 |
1.12 |
|
MU5 |
— |
— |
1.31 |
0.78 |
|
MU3.5 |
— |
— |
0.95 |
0.56 |
注:1 表中的小砌块为火山渣、浮石和陶粒轻骨料混凝土小砌块;
2 对厚度方向为双排组砌的轻骨料混凝土小砌块砌体的抗压强度设计值,应按表中数值乘以0.8。
3.2.2 龄期为28d的以毛截面计算的小砌块砌体的轴心抗拉强度设计值、弯曲抗拉强度设计值和抗剪强度设计值,当施工质量控制等级为B级时,应按本规程表3.2.2的规定取值。
表3.2.2 沿砌块砌体灰缝截面破坏时砌体的轴心抗拉强度设计值、弯曲抗拉强度设计值和抗剪强度设计值(MPa)
|
强度类别 |
破坏特征 |
砌筑砂浆强度等级 |
||
|
≥Mb10 |
Mb7.5 |
Mb5 |
||
|
轴心抗拉 |
沿齿缝截面 |
0.09 |
0.08 |
0.07 |
|
弯曲抗拉 |
沿齿缝截面 |
0.11 |
0.09 |
0.08 |
|
沿通缝截面 |
0.08 |
0.06 |
0.05 |
|
|
抗剪 |
沿通缝或 阶梯形截面 |
0.09 |
0.08 |
0.06 |
注:1 对于形状规则的砌块砌筑的砌体,当搭接长度与砌块高度的比值小于1时,其轴心抗拉强度设计值ft和弯曲抗拉强度设计值ftm应按表中值乘以搭接长度与砌块高度的比值后采用;
2 对孔洞率不大于35%的双排孔和多排孔轻骨料混凝土小砌块的抗剪强度设计值,应按表中的砌块砌体抗剪强度设计值乘以1.1。
单排孔普通混凝土小砌块对孔砌筑时,灌孔砌体的抗剪强度设计值fgv,应按下式计算或按本规程附录A中表A.0.1-1~表A.0.1-4取用:
fgv=0.2fg0.55 (3.2.2)式中:fg——灌孔砌体的抗压强度设计值(MPa)
3.2.3 下列情况的小砌块砌体的砌体强度设计值应乘以调整系数γa,γa应按下列规定取值:
1 对无筋小砌块砌体,其截面面积小于0.3m2时,γa应取其截面面积加0.7;对配筋小砌块砌体,当其中小砌块砌体截面面积小于0.2m2时,γa应取其截面面积加0.8;
2 当砌体用强度等级小于Mb5水泥砂浆砌筑时,对本规程第3.2.1条各表中的数值,γa应取为0.9;对于本规程表3.2.2中数值,γa应取为0.8;
3 当验算施工中房屋的砌体时, γa应取为1.1;
4 当施工质量控制等级为C级时,γa应取为0.89。
注:1 构件截面面积以m2计;
2 配筋砌体的施工质量控制等级不得采用C级。
3.2.4 施工阶段砂浆尚未硬化的新砌砌体的强度和稳定性,可按砌筑砂浆强度为零进行验算。
对冬期施工采用掺盐法施工的砌体,砌筑砂浆强度按常温施工的强度等级提高一级时,砌体强度和稳定性可不验算。
注:配筋砌体不得用掺盐砂浆施工。
3.2.5 小砌块砌体的弹性模量、线膨胀系数、收缩系数和摩擦系数可分别按表3.2.5-1~表3.2.5-3规定取值。砌体的剪变模量可按砌体弹性模量的40%采用。
1 砌体的弹性模量,可按表3.2.5—1规定取值;
单排孔且对孔砌筑的普通混凝土小砌块灌孔砌体的弹性模量,应按下列公式计算;
E=2000fg (3.2.5) 式中:fg——灌孔砌体的抗压强度设计值(MPa)。
2 小砌块砌体的线膨胀系数和收缩率,可按表3.2.5-2规定取值;
表3.2.5-1 砌体的弹性模量(MPa)
|
砌体类别 |
砂浆强度等级 |
||
|
普通混凝土小砌块砌体 |
≥Mbl0 |
Mb7.5 |
Mb5 |
|
轻骨料混凝土小砌块砌体 |
1700f |
1600f |
1500f |
表3.2.5-2 砌体的线膨胀系数和收缩率
|
砌体类别 |
线膨胀系数10﹣6/℃ |
收缩率mm/m |
|
普通混凝土小砌块砌体 |
10 |
-0.2 |
|
轻骨料混凝土小砌块砌体 |
10 |
-0.3 |
注:表中的收缩率由达到收缩允许标准的小砌块砌筑28d的砌体收缩率,当地方有可靠的小砌块砌体收缩试验数据时,亦可采用当地的试验数据。
3 砌体的摩擦系数,可按表3.2.5-3规定取值。
表3.2.5-3 摩擦系数
|
材 料 类 别 |
摩擦面情况 |
|
|
干燥的 |
潮湿的 |
|
|
砌体沿砌体或混凝土滑动 |
0.70 |
0.60 |
|
砌体沿木材滑动 |
0.60 |
0.50 |
|
砌体沿钢滑动 |
0.45 |
0.35 |
|
砌体沿砂或卵石滑动 |
0.60 |
0.50 |
|
砌体沿粉土滑动 |
0.55 |
0.40 |
|
砌体沿黏性土滑动 |
0.50 |
0.30 |
3.2.6 小砌块砌体应按小砌块实际的小砌块孔洞率并应考虑在墙体中增加的构造措施的重量计算墙体自重。灌孔砌体应按实际灌孔后的砌体重量计算墙体自重。
4 建筑设计与建筑节能设计
4.1 建筑设计
4.1.1 小砌块建筑和配筋小砌块砌体建筑的平面及竖向设计应符合下列要求:
1 小砌块建筑平面设计宜以2M0为基本模数,特殊情况下可采用1M0;竖向设计及墙的分段净长度应以1M0为模数。
2 配筋小砌块砌体建筑宜用配筋小砌块砌体专用混凝土小型空心砌块砌筑,平面设计应以2M0为模数。
3 应做墙体的平面及竖向排块设计。对配筋小砌块砌体建筑要保证砌块错缝和孔洞上下贯通。排块设计时,应采用主规格砌块为主,减少辅助规格砌块的数量和种类。
4 平面应简洁,不宜凹凸转折过多。竖向尽量规则,宜避免过大的外挑和内收。配筋墙体门、窗洞口宜层层上、下对齐。在用小砌块作填充墙的框架建筑中,填充墙的平面布置宜均匀对称,沿高度方向宜连续贯通。
5 设计预留的孔洞、管线槽口以及门窗、设备等固定点和固定件,应在墙体排块图上详细标注。小砌块建筑施工时应用混凝土填实各固定范围内的孔洞。
6 小砌块砌体设置控制缝时,应做好室内墙面的盖缝粉刷。
7 住宅建筑的门厅和楼梯间内,应根据功能需求合理安排好水、电、暖通管线等用的管道竖井及各种表盒位置。水表、电表、燃气表、消火栓箱等洞口,亦可在砌体墙中预埋预制钢筋混凝土表箱框。应保证表盒安装后的楼梯及通道的尺寸符合有关规范要求。
8 排水管道的主管、支管或立管、横管宜明管安装。管径较小的其他管线,可预埋于墙体内。
9 在满足节能要求下,立面设计宜利用装饰砌块突出小砌块建筑的特色。
4.1.2 小砌块建筑和配筋小砌块砌体建筑的防水设计应符合下列要求:
1 清水外墙或装饰性砌块外墙面采用的小砌块的抗渗性能应符合有关规定。宜采用掺加适量憎水剂的砂浆砌筑墙体,且宜在清水外墙表面喷涂透明防水涂料。
2 在多雨水地区,单排孔小砌块墙体应作双面粉刷,勒脚应采用水泥砂浆粉刷。
3 室外散水坡顶面以上和室内地面以下的砌体内,应设置防潮层。
4 对伸出墙外的雨篷、开敞式阳台、室外空调机搁板、遮阳板、窗套、外楼梯根部及水平装饰线脚处,均应采用节能保温措施和防水措施。
5 处于潮湿环境的小砌块墙体,墙面应采用水泥砂浆粉刷等有效的防水措施。
6 在夹心墙的外叶墙每层圈梁上的砌块竖缝底宜设置排水孔。
7 墙体粉刷应在砌体结构验收及完工28d后进行。面积较大的外墙面粉刷宜设置分格缝。
4.1.3 小砌块墙体的耐火极限应按表4.1.3采用
表4.1.3 小砌块墙体的燃烧性能和耐火极限
|
小砌块墙体类型 |
耐火极限(h) |
燃烧性能 |
|
90mm厚小砌块墙体 |
1 |
不燃烧体 |
|
190mm厚小砌块墙体 |
承重墙2 |
不燃烧体 |
|
190mm厚配筋小砌块墙体 |
承重墙3.5 |
不燃烧体 |
注:墙体两侧无粉刷层。
对防火要求高的小砌块建筑或其局部,可采用混凝土或松散材料灌实孔洞的方法来提高墙体的耐火极限,也可采取其他附加防火措施。
复合保温砌块中所复合的保温材料,宜采用燃烧性能为*级A**的保温材料。当采用不是不燃或难燃级别的保温材料时,应提出复合保温砌块砌体的耐火极限和燃烧性能。
当小砌块建筑墙体采用外保温系统时,应符合国家现行有关标准的规定。
4.1.4 对190mm厚小砌块墙体双面粉刷(各20mm厚)的空气声计权隔声量应按45dB采用。对190mm厚配筋小砌块墙体双面粉刷(各20mm厚)的空气声计权隔声量应按50dB采用。
对隔声要求较高的小砌块建筑,可采用下列措施提高其隔声性能:
1 孔洞内填矿渣棉、膨胀珍珠岩、膨胀蛭石等松散材料;
2 在小砌块墙体的一面或双面采用纸面石膏板或其他板材做带有空气隔层的复合墙体构造。
对有吸声要求的建筑或其局部,墙体宜采用吸声砌块砌筑。
4.1.5 小砌块建筑及配筋小砌块砌体建筑的屋面设计应符合下列要求:
1 采用钢筋混凝土平屋面时,应在屋面上设置保温隔热层。
2 小砌块住宅建筑宜做成有檩体系坡屋面。当采用钢筋混凝土基层坡屋面时,坡屋面宜外挑出墙面,并应在坡屋面上设置保温隔热层。
3 钢筋混凝土屋面板及上面保温隔热防水层中的砂浆找平层、刚性面层等应设置分格缝,并应与周边的女儿墙断开。
4.2 建筑节能设计
4.2.1 小砌块建筑的建筑节能设计应符合下列要求:
1 建筑的体形系数、窗墙面积比及其对应的窗的传热系数、遮阳系数和空气渗透性能,以及其他围护结构的传热系数、热惰性指标,均应符合设计建筑所在气候地区现行居住建筑与公共建筑节能设计标准的规定;
2 通过建筑节能设计计算确定的围护结构的构造设计,应满足建筑结构整体性、变形能力及防火性能的要求,安全、可靠,并具有可操作性;
3 墙体及楼地板的建筑节能设计,应同时考虑建筑装饰与设备节能对管线及设备埋设、安装和维修的要求。
4.2.2 小砌块及配筋小砌块砌体的热工性能计算参数应符合下列要求:
1 小砌块及配筋小砌块砌体的热工性能计算参数用砌体热阻和砌体热惰性指标表征,分别用符号Rma,和Dma表示。砌体热阻Rma,应按现行国家标准《民用建筑热工设计规范》GB 50176规定的计算方法与《绝热 稳态传热性质的测定 标定和防护热箱法》GB/T 13475规定的检测方法计算或检测确定。砌体热惰性指标Dma可按本规程附录B的计算方法计算确定。
2 普通小砌块及配筋小砌块砌体的热阻Rma和热惰性指标Dma可按表4.2.2采用。
表4.2.2普通小砌块及配筋小砌块砌体的热阻Rma和热惰性指标Dma
|
小砌块砌体块型 |
厚度mm |
孔洞率 % |
表观密度 kg/m3 |
Rma(m2·K)/W |
Dma |
|
单排孔小砌块 |
90 |
30 |
1500 |
0.12 |
0.85 |
|
190 |
40 |
1280 |
0.17 |
1.47 |
|
|
双排孔小砌块 |
190 |
40 |
1280 |
0.22 |
1.70 |
|
三排孔小砌块 |
240 |
45 |
1200 |
0.35 |
2.31 |
|
单排孔配筋小砌块 |
190 |
— |
2400 |
0.11 |
1.88 |
注:1 取单排孔配筋小砌块砌体的当量导热系数λma.c=1.74w/(m·K),平均蓄热系数 Sma=17.20W/(m2·K);
2 表中的热阻及热惰性指标值末包含砌体两侧的抹灰层;
3 小砌块的基材、块型及厚度与表4.2.2不同,或孔洞中内填、内插保温材料形成的复合保温小砌块砌体和带有空气间层或不带有空气间层的内,外叶小砌块夹心砌体的热阻Rma和热惰性指标Dma,应按4.2.2条1款和本规范附录C的规定进行检测和计算确定;
4 孔洞中内插、内填保温材料的复合保温小砌块砌体的热阻Rma和热惰性指标Dma可按本规程附录D采用。
4.2.3 小砌块建筑外墙的建筑热工设计应符合下列要求:
1 外墙的传热系数和热情性指标,应考虑外墙上结构性热桥部位的影响取平均传热系数和平均热惰性指标。小砌块主体部位与结构性热桥部位的传热系数Kp、Kb及热惰性指标Dp、Db和外墙平均传热系数Km、平均热情性指标Dm按本规程附录E的计算方法进行计算。
2 外墙中结构性热桥部位的传热阻Ro·b,不仅应满足外墙平均传热系数Km的要求,而且不应小于按现行国家标准《民用建筑热工设计规范》GB 50176规定计算的设计建筑所在气候地区外墙要求的最小传热阻(Ro·min)值。
3 外墙宜采用外墙外保温系统技术。采用外墙内保温系统技术时,应将计算的外墙平均传热系数乘以1.2作为外墙平均传热系数Km的设计值。同时还应对横墙与外墙交接处的400mm宽度范围进行适宜的保温处理。
4 在夏热冬冷和夏热冬暖地区,外墙宜采用外反射、外遮阳、外通风和外绿化等外隔热措施。当采用符合现行国家标准《建筑用反射隔热涂料》GB/T 25261要求的涂料饰面时,外墙传热阻计算值中可附加一个热阻值Rad:夏热冬冷地区,Rad=0.20(m2·K)/W,夏热冬暖地区,Rad=0.25(m2·K)/W;若外墙平均热情性指标Dm小于平均传热系数Km对应的规定性指标时,可不进行隔热性能设计验算。
5 建筑热工设计计算时,保温材料的导热系数和蓄热系数应采用计算导热系数λc,和计算蓄热系数Sc。
6 在严寒和寒冷地区,当外墙的保温层外侧有密实保护层或内侧构造层为加气混凝土及其他多孔材料时,保温设计时应根据地区气候条件及室内环境设计指标,按现行国家标准《民用建筑热工设计规范》GB 50176的规定进行内部冷凝受潮验算确定是否设置隔气层。设置隔气层应保证施工质量,并应有与室外空气相通的排湿措施。
7 外墙的填充墙采用具有优良热工性能的保温小砌块、复合保温小砌块及小砌块夹心砌体构成的墙体自保温系统时,保温小砌块、复合保温小砌块及小砌块夹心砌体的厚度应根据设计建筑所在地区现行建筑节能设计标准对外墙平均传热系数Km的限值规定,考虑到结构性热桥部位应采用的保温系统的计算厚度确定。同时应保证墙体自保温系统部位与结构性热桥部位交接处构造合理,表面平整。
8 外墙的保温隔热措施,应与屋顶、楼地板、门窗等构件连接部位的保温隔热措施保持构造上的连续性和可靠性。
4.2.4 居住建筑的分户墙或公共建筑的采暖空调房间与非采暖空调房间隔墙采用小砌块墙体时,建筑热工设计应符合下列要求:
1 分户墙或隔墙采用普通小砌块及配筋小砌块砌体时,应按现行建筑节能设计标准的规定,在其一侧或两侧采取适宜的保温技术进行热工设计计算;
2 分户墙或隔墙采用保温小砌块及复合保温小砌块砌体时,若保温小砌块及复合保温小砌块砌体部位的面积大于或等于分户墙或隔墙面积的70%,可将保温小砌块及复合保温小砌块砌体部位的传热系数Kp作为分户墙或隔墙的传热系数K计算值;若保温小砌块及复合保温小砌块砌体部位的面积小于分户墙或隔墙面积的70%,应考虑结构性热桥部位的影响按本规程附录E的计算方法计算分户墙或隔墙的平均传热系数Km。
4.2.5 小砌块建筑屋而的建筑热工设计应符合下列要求:
1 屋面的传热系数及热惰性指标应符合设计建筑所在气候地区现行居住建筑与公共建筑节能设计标准的规定。保温层材料的导热系数和蓄热系数应采用计算导热系数λc和计算蓄热系数Sc。
2 屋面宜设计为保温隔热层置于防水层上的倒置式屋面,且宜选择憎水型的绝热材料做保温隔热层。
3 在夏热冬冷和夏热冬暖地区,屋面宜采用绿色植被屋面或有保温材料作基层的架空通风屋面。
4 屋面的天沟、女儿墙、变形缝及突出屋面的构件与屋面交接处,应按现行国家标准《民用建筑热工设计规范》GB50176的规定,通过建筑热工设计计算在该部位的垂直或水平面上设置一定厚度的保温材料,使该部位的最小传热阻不低于设计建筑所在气候地区屋面要求。
5 小砌块砌体静力设计
5.1 设计基本规定
5.1.1 本规程采用以概率理论为基础的极限状态设计方法,以可靠指标度量结构可靠度,用分项系数的设计表达式进行计算。
5.1.2 小砌块砌体结构应按承载能力极限状态设计,并应有相应的构造措施满足正常使用极限状态的要求。
5.1.3 砌体结构和结构构件在设计使用年限内,在正常使用及正常维护条件下,必须保持满足使用要求,而不需大修或加固。设计使用年限应按现行国家标准《建筑结构可靠度设计统一标准》GB 50068规定。
5.1.4 根据建筑结构破坏可能产生的后果(危及人的生命、造成经济损失、产生社会影响等)的严重性,建筑结构按表5.1.4划分为三个安全等级。
表5.1.4 建筑结构的安全等级
|
安全等级 |
破坏后果 |
建筑物类型 |
|
一级 |
很严重 |
重要的建筑物 |
|
二级 |
严重 |
一般的建筑物 |
|
三级 |
不严重 |
次要的建筑物 |
注:1 对特殊的建筑物,其安全等级可根据具体情况另行确定;
2 对地震区砌体结构设计,应按现行国家标准《建筑工程抗震设防分类标准》GB 50223根据建筑物重要性区分建筑物类别。
5.1.5 小砌块砌体结构承载能力极限状态设计表达式,整体稳定性验算表达式,弹性方案、刚弹性方案、刚性方案的静力设计规定及其相应的横墙间距要求以及耐久性规定等,应按现行国家标准《砌体结构设计规范》GB 50003的规定执行。
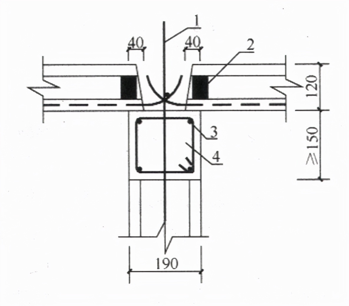
5.1.6 梁支承在墙上时,梁端支承压力(Nι)到墙边的距离,对刚性方案房屋屋盖梁和楼盖梁均应取梁端有效支承长度(αo)的40%(图5.1.6)。多层房屋由上面楼层传来的荷载(Nu),可视为作用于上一搂层的墙、柱的截面重心处。
注:当板支承于墙上时,板端支承压力Nι到墙内边的距离可取板的实际支承长度α的40%。

图5.1.6 梁端支承压力位置
5.1.7 带壁柱墙的计算截面翼缘宽度(bf)可按下列规定采用:
1 对多层房屋,当有门窗洞口时,可取窗间墙宽度;当无门窗洞口时,每侧翼墙宽度可取壁柱高度的1/3;
2 对单层房屋,可取壁柱宽加2/3墙高,但不应大于窗间墙宽度和相邻壁柱间的距离;
3 计算带壁柱墙体的条形基础时,应取相邻壁柱间的距离。
5.1.8 当转角墙段受竖向集中荷载时,计算截面的长度可从角点算起,每侧宜取层高的1/3。当上述墙体范围内有门窗洞口时,则计算截面取至洞边,但不宜大于层高的1/3。当上层荷载传至本层时.可按均布荷载计算,此时转角墙段可按角形截面偏心受压构件进行承载力验算。
5.2 受压构件承载力计算
5.2.1 受压构件的承载力应符合下式要求:
N≤φfA (5.2.1)式中:N——轴向力设计值(N);
φ——高厚比β和轴向力偏心距e对受压构件承载力的影响系数,应按本规范附录F附表采用;
f——砌体抗压强度设计值(MPa),应按本规范第3.2.1 条采用;
A——截面毛面积(mm2);对待壁柱墙,其翼缘宽度可按本规范第5.1.7条采用。
注:对矩形截面构件,当轴向力偏心方向的截面边长大于另一方向的边长时,除按偏心受压计算外,还应对较小边长方向,按轴心受压进行验算。
5.2.2 确定影响系数φ时,构件高厚比β应按下列公式计算:
对矩形截面: β=1.1(H0/h) (5.2.2-1)
对T形截面: β= 1.1(H0/hT) (5.2.2-2)
对灌孔混凝土砌块砌体:β= H0/h (5.2.2-3)
式中: H0——受压构件的计算高度(m),按本规程表5.2.4确定;
h——矩形截面轴向力偏心方向的边长(m),当轴心受压时为截面较小边长;
hT——T形截面的折算厚度(m),可近似按3.5i计算;
i——截面回转半径(m)。
5.2.3 受压构件计算高度H0应按下列规定采用:
1 对房屋底层,取楼板顶面到构件下端支点的距离。下端支点的位置,应取在基础顶画;当基础埋置较深且有刚性地坪时,可取室外地面下500mm处。
2 对在房屋其他层次,取楼板或其他水平支点间的距离。
3 对无壁柱的山墙,可取层高加山墙尖高度的1/2;对带壁柱的山墙可取壁柱处的山墙高度。
5.2.4 受压构件的计算高度H0应根据房屋类别、构件支承条件等按表5.2.4采用。
表5.2.4 受压构件的计算高度H0
|
房屋类别 |
柱 |
带壁柱墙或周边拉结的墙 |
||||
|
排架方向 |
垂直排架方向 |
S>2H |
2H≥S>H |
S≤H |
||
|
单跨 |
弹性方案 |
1.50H |
1.00H |
1.50H |
||
|
刚弹性方案 |
1.20H |
1.00H |
1.20H |
|||
|
两跨或多跨 |
弹性方案 |
1.25H |
1.00H |
1.25H |
||
|
刚性方案 |
1.10H |
1.00H |
1.10H |
|||
|
刚性方案 |
1.00H |
1.00H |
1.00H |
0.40S+0.20H |
0.60S |
|
注:1 对上端为自由端的构件H0=2H;
2 对独立柱,当无柱间支撑时, 在垂直排架方向的H0,应按表中数值乘以1.25后采用;
3 自承重墙的计算高度应根据周边支承或拉结条件确定;
4 S为房屋横墙间距。
5.2.5 轴向力的偏心距e应符合下式要求:
e≤0.6у (5.2.5)式中:e——轴向力的偏心距(mm),按内力设计值计算;
у——截回重心到轴向力所在偏心方向截面边缘的距离(mm)。
5.3 局部受压承载力计算
5.3.1 砌体截面中受局部均匀压力时的承载力应符合下式要求:
Nι≤γfAι (5.3.1)
式中:Nι——局部受压面积上的轴向力设计值(N);
γ——砌体局部抗压强度提高系数;
f——砌体的抗压强度设计值(MPa),当局部荷载作用面用混凝土灌实一皮时,应按未灌实砌体强度值采用;
Aι——局部受压面积(mm2)。
5.3.2 砌体局部抗压强度提高系数γ,应符合下列要求:
1 γ可按下式计算:
γ=1+0.35√(A0/Aι)-1 (5.3.2)
式中:A0——影响砌体局部抗压强度的计算面积(m2)。
2 计算所得γ值,尚应符合下列要求:
1)在图5.3.2a的情况下,γ≤2.5;
2)在图5.3.2b的情况下,γ≤2.0;
3)在图5.3.2c的情况下,γ≤1.5;
4)在图5.3.2d的情况下,γ≤1.25;
5) 按本规范第5.8.2条的要求灌孔的砌块砌体,在1)、2)、3)项的情况下,尚应符合γ小于等于1.5。未灌孔混凝土砌块砌体γ等于1。

图5.3.2 影响局部抗压强度的面积A0
5.3.3 影响砌体局部抗压强度的计算面积可按下列规定采用:
1 在图5.3.2a的情况下,A0=(α+c+h)h;
2 在图5.3.2b的情况下,A0=(b+2h)h;
3 在图5.3.2c的情况下,A0=(α+h)h+(b+h1-h)h1;
4 在图5.3.2d的情况下,A0=(α+h)h。
注:α、b为矩形局部受压面积Aι的边长;h、h1为墙厚或柱的较小边长,墙厚;c为矩形局部受压面积的外边缘至构件边缘的较小距离,当小于h时,应取为h。
5.3.4 梁端支承处砌体的局部受压承载力应按下列公式计算:
φN0+Nι≤ηγfAι (5.3.4-1)
φ=1.5-0.5(A0/Aι) (5.3.4-2)
N0=σ0Aι (5.3.4-3)
Aι =α0b (5.3.4-4)
α0=10√(hc/f) (5.3.4-5)
式中:φ——上部荷载的折减系数,当A0/Aι大于等于3时,应取φ等于0;
N0——局部受压面积内上部轴向力设计值(N);
Nι——梁端支承压力设计值(N);
σ0——上部平均压力设计值(N/mm2);
η——梁端底面压应力图形的完整系数,应取0.7,对于过梁和墙梁应取1.0;
α0——梁端有效支承长度(mm),当α0大于α时,应取α0等于α;
α——梁端实际支承长度(mm);
b——梁的截面宽度(mm);
hc——梁的截面高度(mm);
f——砌体的抗压强度设计值(MPa)。
5.3.5 在梁端设有刚性垫块时砌体局部受压应符合下列要求:
1 刚性垫块下的砌体局部受压承载力应按下列公式计算:
N0+Nι≤φγ1fAb (5.3.5-1)
N0=σ0Ab (5.3.5-2)
Ab=αbbb (5.3.5-3)
式中: N0——垫块面积Ab内上部轴向力设计值(N);
φ——垫块上N0与Nι合力的影响系数,应采用本规程附录F当β小于等于3时的φ值;
γ1——垫块外砌体面积的有利影响系数,γ1应为0.8γ,但不小于1.0。γ为砌体局部抗压强度提高系数,按本规程公式(5.3.2)以Ab代替Aι计算得出;
Ab——垫块面积(mm2);
αb——垫块伸入墙内的长度(mm);
bb——垫块的宽度(mm)。
2 刚性垫块的构造应符合下列要求:
1)刚性垫块的高度不宜小于190mm,自梁边算起的垫块挑出长度不宜大于垫块高度tb;
2) 在带壁柱墙的壁柱内设刚性垫块时(图5.3.5),其计算面积应取壁柱范围内的面积,而不应计算翼缘部分,同时壁柱上垫块伸入翼墙内的长度不应小于100mm;

图5.3.5 壁柱上设有垫块时梁端局部受压
3)当现浇垫块与梁端整体浇筑时,垫块可在梁高范围内设置。
3 梁端设有刚性垫块时,梁端有效支承长度α0应按下式确定:
α0= δ√(hc/f) (5.3.5-4)
式中:δ1——刚性垫块的影响系数,可按表5.3.5采用。
垫块上Nι作用点的位置可取0.4α0处。
表5.3.5 系数δ1值表
|
σ0/f |
0 |
0.2 |
0.4 |
0.6 |
0.8 |
|
δ1 |
5.4 |
5.7 |
6.0 |
6.9 |
7.8 |
注:表中其间的数值可采用插入法求得。
4 梁端设现浇刚性垫块时,其局压强度亦应按本条规定计算。
5.3.6 梁下设有长度大于лh0的垫梁时(图5.3.6),垫梁下的砌体局部受压承载力应按下列公式计算:
N0+Nι≤2.4δ2fbbh0 (图5.3.6-1)
N0=лbbh0σ0/2 (图5.3.6-2)

式中: N0——垫梁上部轴向力设计值(N);
bb——垫梁在墙厚方向的宽度(mm);
δ2——垫梁底面压应力分布系数,当荷载沿墙厚方向均匀分布时可取1.0,不均匀分布时可取0.8;
h0——垫梁折算高度(mm);
Eb、Ib——分别为垫梁的混凝土弹性模量(MPa)和截面惯性矩(mm4);
hb——垫梁的高度(mm);
E——砌体的弹性模量;
h——墙厚(mm)。
垫梁上梁端有效支承长度α0可按本规程公式(5.3.5-4)计算。

图5.3.6 垫梁局部受压
5.4 轴心受拉构件承载力计算
5.4.1 轴心受拉构件的承载力应按下列计算:
Nt≤ftA (5.4.1)
式中:Nt——轴心拉力设计值(N);
ft——砌体的轴心抗拉强度设计值(MPa),应按本规程表3.2.2采用。
5.5 受弯构件承载力计算
5.5.1 受弯构件的承载力应按下式计算:
M≤ftmW (5.5.1)
式中: M——弯矩设计值(N·mm);
f——砌体弯曲抗拉强度设计值(MPa),应按本规程表3.2.2采用;
W——截面抵抗矩(mm3)。
5.5.2 受弯构件的受剪承载力,应按下列公式计算:
V≤fvbz (5.5.2-1)
z=I/S (5.5.2-2)
式中: V——剪力设计值(N);
fv——砌体的抗剪强度设计值(MPa),应按本规程表3.2.2采用;
b——截面宽度(mm);
z——内力臂,当截面为矩形时取z等于2h/3;
I——截面惯性矩(mm4);
S——截面面积矩(mm3);
h——截面高度(mm)。
5.6 受剪构件承载力计算
5.6.1 沿通缝或沿阶梯截面破坏时受剪构件的承载力应按下列公式计算:
V≤(fv+αμσ0)A (5.6.1-1)
当荷载分项系数 γG=1.2时
μ=0.26-0.082(σ0/f) (5.6.1-2)
当荷载分项系数 γG=1.35时
μ=0.23-0.065(σ0/f) (5.6.1-3)
式中:V——截面剪力设计值(N);
A——截面面积(mm2)。对各类砌体均按毛截面计算;
fv——砌体抗剪强度设计值(N),对灌孔的混凝土砌块砌体取fgv;
α——修正系数:当γG=1.2时,混凝土砌块砌体取0.64;当γG=1.35时,混凝土砌块砌体取0.66;
μ——剪压复合受力影响系数;
σ0——永久荷载设计值产生的水平截面平均压应力(MPa);
f——砌体的抗压强度设计值(MPa);
σ0/f——轴压比,且不大于0.8。
5.7 墙、柱的允许高厚比
5.7.1 墙、柱高厚比应按下式验算:
β=(H0/h)≤μ1μ2μc[β] (5.7.1)
式中:H0——墙、柱的计算高度(m);
h——墙厚或矩形柱与H0相对应的边长(m);
μ1——自承重墙允许高厚比的修正系数;
μ2——有门窗洞口墙允许高厚比的修正系数;
μc——设构造柱墙体允许高厚比提高系数;
[β]——墙、柱的允许高厚比应按表5.7.1采用。
注:当与墙连的相邻两横墙间的距离S不大于μ1μ2[β]h时,墙的高厚比可不受本条限制。
表5.7.1 墙、柱的允许高厚比[β]值
|
砂浆强度等级 |
墙 |
柱 |
|
Mb5 ≥Mb7.5 |
24 26 |
16 17 |
注:1 配筋小砌块砌体构件的允许高厚比不应大于30;
2 验算施工阶段砂浆尚未硬化的新砌砌体高厚比时,对墙允许高厚比取14,对柱允许高厚比取11。
5.7.2 带壁柱墙和带构造柱墙的高厚比验算,应符合下列规定:
1 当按本规程式(5.7.1)验算带壁柱墙的高厚比时,公式中h应改用带壁柱墙截面的折算厚度hT;当确定截面回转半径时,墙截面的翼缘宽度,可按本规程第5.1.7条的规定采用;当确定带壁柱墙的计算高度H0时,S应取相邻横墙间的距离。
2 当构造柱截面宽度不小于墙厚时,可按本规程式(5.7.1)验算带构造柱墙的高厚比,此时公式中h取墙厚;当确定墙的计算高度时,S应取相邻横墙间的距离;墙的允许高厚比[β]可乘以下列的提高系数μc:
μc=1+(bc /ι) (5.7.2)
式中:bc——构造柱沿墙长方向的宽度(m);
ι——构造柱的间距(m)。
当bc /ι>0.25时,取bc /ι=0.25;当bc /ι< 0.05时,取bc /ι=0。
注:考虑构造柱有利作用的高厚比验算不适用于施工阶段。
3 当按本规程式(5.7.1)验算壁柱间墙的高厚比时,S值应取相邻壁柱间的距离。设有钢筋混凝土圈梁的带壁柱墙,b/S不小于1/30时,圈梁可视作壁柱间墙的不动铰支点(b为圈梁宽度)。如不允许增加圈梁宽度,可按等刚度原则(墙体平面外刚度相等)增加圈梁高度。
5.7.3 当自承重墙厚度等于190mm时,允许高厚比修正系数μ1取值应为1.2;当厚度等于90mm时,μ1取值应为1.5;当厚度在90mm~190mm之间时,μ1可按插入法取值。
注:上端为自由端墙的允许高厚比,除按上述规定提高外,尚可再提高30%。
5.7.4 对有门窗洞口的墙,允许高厚比修正系数μ2应按下式计算:
μ2=1-0.4(bs/S) (5.7.4)
式中:bs——在宽度S范围内的门窗洞口总宽度(m);
S——相邻窗间墙或壁柱之间的距离(m);
μ2——允许高厚比修正系数,当μ2< 0.7时,应取0.7。当洞口高度等于或小于墙高的1/5时,可取μ2等于1.0。
5.8 一般构造要求
5.8.1 砌块房屋所用的材料,除应满足承载力计算要求外,对地面以下或防潮层以下的砌休、潮湿房间的墙,所用材料的最低强度等级尚应符合表5.8.1的要求。
表5.8.1 地面以下或防潮层以下的墙体、潮湿房间墙所用材料的最低强度等级
|
基土潮湿程度 |
混凝土小砌块 |
水泥砂浆 |
|
稍潮湿的 很潮湿的 含水饱和的 |
MU7.5 MU10 MU15 |
Mb5 Mb7.5 Mb10 |
注:1 砌块孔洞应采用强度等级不低于C20的混凝土灌实;
2 对安全等级为一级或设计使用年限大于50年的房屋,表中材料强度等级应至少提高一级。
5.8.2 在墙体的下列部位,因采用C20混凝土灌实砌体的孔洞:
1 无圈梁和混凝土垫块的檩条和钢筋混凝土楼板支承面下的一皮砌块;
2 未设置圈梁和混凝土垫块的屋架、梁等构件支承处,灌实宽度不应小于600mm,高度不应小于600mm的砌块;
3 挑梁支承面下,其支承部位的内外墙交接处,纵横各灌实3个孔洞,灌实高度不小于三皮砌块。
5.8.3 跨度大于4.2m的梁和跨度大于6m的屋架,其支承面下应设置混凝土或钢筋混凝土垫块。当墙中设有圈梁时,垫块宜与圈梁浇成整体。
当大梁跨度大于4.8m,且墙厚为190mm时,其支承处宜加设壁柱,或采取其他加强措施。
跨度大于或等于7.2m的屋架或预制梁的端部,心采用锚固件与墙、柱上的垫块锚固。
5.8.4 小砌块墙与后砌隔墙交接处,应沿墙高每400mm在水平灰缝内设置不少于2φ4、横筋间距不大于200mm的焊接钢筋网片(图5.8.4) 。

图5.8.4 砌块墙与后砌隔墙交接处钢筋网片 1—砌块墙;2—后砌隔墙;3—φ4焊接钢筋网片
5.8.5 预制钢筋混凝土板在墙上或圈梁上支承长度不应小于80mm,板端伸出的钢筋应与圈梁可靠连接,并一起浇筑。当不能满足上述要求时,应按下列方法进行连接:
1 布置在内墙上的板中钢筋应伸出进行相互可靠对接,板端钢筋伸出长度不应小于70mm,应用混凝土浇筑成板带,混凝土强度不应低于C20;
2 布置在外墙上的板中钢筋应伸出进行相互可靠连接,板端钢筋伸出长度不应少于100mm,并用混凝土浇筑成板带,混凝土强度不应低于C20;
3 与现浇板对接时,预制钢筋混凝土板端钢筋应伸入现浇板中进行可靠连接后,再浇筑现浇板。
5.8.6 山墙处的壁柱或构造柱,应砌至山墙顶部,且屋面构件应与山墙可靠拉结。
5.8.7 在砌体中留槽洞及埋设管道时,应符合下列要求:
1 在截面长边小于500mm的承重墙体、独立柱内不得埋设管线;
2 墙体中应避免穿行暗线或预留、开凿沟槽;当无法避免时,应采取必要的加强措施或按削弱后的截面验算墙体的承载力。
5.9 砌块墙体的抗裂措施
5.9.1 小砌块房屋的墙体应按表5.9.1规定设置伸缩缝。在钢筋混凝土屋面上挂瓦的屋盖应按钢筋混凝土屋盖采用。墙体的伸缩缝应与结构的其他变形缝相重合,在进行立面处理时,必须保证缝隙的伸缩作用。
表5.9.1 砌块房屋伸缩缝的最大间距(m)
|
屋盖或楼盖类别 |
间距 |
||
|
砌块砌体房屋 |
配筋砌块砌体房屋 |
||
|
整体式或装配整体式钢筋混凝土结构 |
有保温层或隔热层的屋盖、楼盖 |
40 |
50 |
|
无保温层或隔热层的屋盖 |
32 |
40 |
|
|
装配式无檩体系 钢筋混凝土结构 |
有保温层或隔热层的屋盖、楼盖 |
48 |
60 |
|
无保温层或隔热层的屋盖 |
40 |
50 |
|
|
装配式有檩体系 钢筋混凝土结构 |
有保温层或隔热层的屋盖 |
60 |
75 |
|
无保温层或隔热层的屋盖 |
48 |
60 |
|
|
瓦材屋盖、木屋盖或楼盖、砖石屋盖或楼盖 |
75 |
100 |
|
注:1 当有实践经验并采取有效措施时,可适当放宽;
2 温差较大且变化频繁地区和严寒地区不采暖的房屋及构筑物墙体的伸缩缝的最大间距,应按表中数值予以适当减小。
5.9.2 小砌块房屋顶层墙体可根据情况采取下列措施:
1 采用装配式有檩体系钢筋混凝土屋盖和瓦材屋盖。
2 屋面应设置保温、隔热层。屋面保温(隔热)层的屋面刚性面层及砂浆找平层应设置分格缝,分格缝间距不宜大于6m,并应与女儿墙隔开,其缝宽不应小于30mm。
3 当钢筋混凝土屋面板与墙体圈梁的接触面处设置水平滑动层时,滑动层可采用两层油毡夹滑石粉或橡胶片等;对长纵墙可仅在其两端的2~3个开间内设置,对横墙可只在横墙两端1/4长度范围内设置。
4 现浇钢筋混凝土屋盖当房屋较长时,宜在屋盖设置分格缝。
5 当顶层屋面板下设置现浇钢筋混凝土圈梁并沿内外墙拉通时,圈梁高度不宜小于190mm,纵向钢筋不应少于4φ12。
6 顶层挑梁末端下墙体灰缝内设置3道焊接钢筋网片(纵向钢筋不宜少于2φ4,横筋间距不宜大于200mm),钢筋网片应自挑梁末端伸入两边墙体不小于lm(图5.9.2)。

图5.9.2 顶层挑梁末端钢筋网片
7 顶层墙体门窗洞口过梁上砌体每皮水平灰缝内设置2φ4焊接钢筋网片,并应伸入过梁两端墙内不小于600mm。
8 女儿墙应设置钢筋混凝土芯柱或构造柱,构造柱间距不宜大于4m(或每开间设置),插筋芯柱间距不宜大于1.6m,构造柱或芯柱插筋应伸至女儿墙顶,并与现浇钢筋混凝土压顶整浇在一起。
9 加强顶层芯柱(或构造柱)与墙体的拉结,拉结钢筋网片的竖向间距不宜大于400mm,伸入墙体长度不宜小于1000mm。
10 房屋山墙可采取设置水平钢筋网片或在山墙中增设钢筋混凝土芯柱或构造柱。在山墙内设置水平钢筋网片时,其间距不宜大于400mm;在山墙内增设钢筋混凝土芯柱或构造柱时,其间距不宜大于3m。
5.9.3 防止或减轻房屋底层墙体裂缝,可根据情况采取下列措施:
1 增大基础圈梁刚度;
2 基础部分砌块墙体在砌块孔洞中用Cb20混凝土灌实;
3 底层窗台下墙体设置通长钢筋网片2φ4及横筋φ4@200,竖向间距不大于400mm;
4 底层窗台采用现浇钢筋混凝土窗台板,窗台板伸入窗间墙内不小于600mm。
5.9.4 防止房屋顶层外纵墙两端和底层第一、第二开间门窗洞处的裂缝,可采取下列措施:
1 在门窗洞口两侧不少于一个孔洞中设置不小于1φ12钢筋,钢筋应在楼层圈梁或基础内锚固,并采用不低C20灌孔混凝土灌实;
2 在门窗洞口两边的墙体水平灰缝中,设置长度不小于900mm、竖向间距为400mm的2φ4焊接钢筋网片;
3 在顶层设置通长钢筋混凝土窗台梁时,窗台梁的高度宜为块高的模数,纵筋不少于4φ10,箍筋宜为φ6@200,混凝工强度等级宜为C20。
5.9.5 防止房屋顶层和次顶层第一开间内纵墙上裂缝,可在墙中设置钢筋混凝土芯柱,芯柱间距不大于1.2m。
5.9.6 防止房屋顶层横墙上的裂缝,可在连接外纵墙的横墙端部设置钢筋混凝土芯柱。顶层楼梯间横墙可按1.6m间距设置钢筋混凝土芯柱。
5.9.7 砌块房屋的顶层可在窗台下或窗台角处墙体内设置竖向控制缝,缝的间距宜为8m~12m。在墙体高度过厚度突然变化处也宜设置竖向控制缝,或采取其他可靠的防裂措施。竖向控制缝的构造和嵌缝材料应能满足墙体平面外传力和防护的要求。
5.10 框架填充墙的构造措施
5.10.1 填充墙墙体墙厚不应小于90mm。填允墙墙体除应满足稳定和自承重外,尚应考虑水平风荷载及地震作用。
5.10.2 填充墙宜选用轻质砌体材料。砌块强度等级不宜低于MU3.5。
5.10.3 根据房屋的高度、建筑体形、结构的层间变形、地震作用、墙体自身抗侧力的利用等因素,选择采用填充墙与框架柱、梁不脱开方法或填充墙与框架柱、梁脱开方法。
5.10.4 填充墙与框架柱、梁脱开的方法宜符合下列要求:
1 填充墙两端与框架柱、填充墙顶面与框架梁之间留出20mm的间隙。
2 填充墙两端与框架柱之间宜用钢筋拉结。
3 填充墙长度超过5m或墙长大于2倍层高时,中间应加设构造柱;墙柱高厚比大于本规程5.7.1条规定或墙高度超过4m时宜在墙高中部设置与柱连通的水平系梁。水平系梁的截面高度不小于60mm。填充墙高不宜大于6m。
4 填充墙与框架柱、梁的缝隙可采用聚苯乙烯泡沫塑料板条或聚氨酯发泡充填,并用硅酮胶或其他弹性密封材料封缝。
5.10.5 填充墙与框架柱、梁不脱开的方法宜符合下列要求:
1 墙厚不大于240mm时,宜沿柱高每隔400mm配置2根直径6mm的拉结钢筋;墙厚大于240mm时,宜沿柱高每隔400mm配置3根直径6mm的拉结钢筋。钢筋伸入填充墙长度不宜小于700mm,且拉结钢筋应错开截断,相距不宜小于200mm,填充墙墙顶应与框架梁紧密结合。顶面与上部结构接触处宜用一皮混凝土砖或混凝土配砖斜砌楔紧。
2 当填充墙有洞口时,宜在窗洞口的上端或下端、门洞口的上端设置钢筋混凝土带,钢筋混凝土带应与过梁的混凝土同时浇筑,其过梁的断面及配筋由设计确定。钢筋混凝土带的混凝土强度等级不宜小于C20。当有洞口的填充墙尽端至门窗洞口边距离小于240mm时,宜采用钢筋混凝土门窗框。
3 填充墙长度超过5m或墙长大于2倍层高时,墙顶与梁宜有拉结措施,中间应加设构造柱;墙高度超过4m时宜在墙高
中部设置与柱连接的水平系梁;墙高超过6m时,宜沿墙高每2m设置与柱连接的水平系梁,梁的截面高度不小于60mm。
5.11 夹心复合墙的构造规定
5.11.1 夹心复合墙应符合下列要求;
1 混凝土小砌块的强度等级不应低于MU10;
2 夹心复合墙的夹层厚度不官大于100mm;
3 夹心复合墙的有效厚度可取内、外叶墙(层)厚度的算数平方根(hι=√h12+h22);
4 夹心复合墙的有效面积应取承重或主叶墙的面积;
5 夹心复合墙外叶墙的最大横向支承间距不宜大于9m。
5.11.2 夹心复合墙叶墙间的连接应符合下列要求:
1 叶墙间的拉结件或钢筋网片应进行防腐处理,当采用热镀锌时,其镀层厚度不应小于290g/m2,或采用具有等效防腐性能的其他材料涂层;
2 当采用环形拉结件时,钢筋直径不应小于4mm,当为Z形拉结件时,钢筋直径不应小于6mm;拉结件应沿竖向梅花形布置,拉结件的水平和竖向最大间距分别不宜大于800mm和600mm;对有振动或有抗震设防要求时,其水平和竖向最大间距分别不宜大于800mm和400mm;
3 当采用可调拉结件时,钢筋直径不应小于4mm,拉结件的水平和竖向最大间距均不宜大于400mm。叶墙间灰缝的高差不大于3.2mm,可调拉结件中孔眼和扣钉间的公差不大于1.6mm;
4 当采用钢筋网片作拉结件时,网片横向钢筋的直径不应小于4mm;其间距不应大于400mm;网片的竖向间距不宜大于600mm;对有振动或有抗震设防要求时,不宜大于400mm;
5 拉结件在叶墙上的搁置长度,不应小于叶墙厚度的2/3,并不应小于60mm,
6 门窗洞口周边300mm范围内应附加间距不大于600mm的拉结件。
注:对安全等级为一级或使用年限大于50年的房屋,夹心墙叶墙间宜采用不锈钢拉结件。
5.11.3 夹心复合墙拉结件或网片的选择应符合下列要求:
1 非抗震设防地区的多层房屋,或风荷载较小地区的高层的夹心复合墙可采用环形或Z形拉结件;风荷载较大地区的高层建筑房屋宜采用焊接钢筋网片。
2 抗震设防地区的砌体房屋(含高层建筑房屋)夹心复合墙应采用焊接钢筋网作为拉结件,焊接网应沿夹心复合墙连续通长设置,外叶墙至少有一根纵向钢筋。钢筋网片可计入内叶墙的配筋率,其搭接与锚固长度应符合有关规范的规定。
5.12 圈梁、过梁、芯柱和构造柱
5.12.1 钢筋混凝土圈梁应按下列要求设置:
1 多层房屋或比较空旷的单层房屋,应在基础部位设置一道现浇圈梁;当房屋建筑在软弱地基或不均匀地基上时,圈梁刚度应适当加强。
2 比较空旷的单层房屋,当檐口高度为4m~5m时,应设置一道圈梁;当檐口高度大于5m时,宜增设。
3 多层民用砌块房屋,层数为3层~4层时,应在底层和檐口标高处各设置一道圈梁。当层数超过4层时,应在所有纵、横墙上层层设置。
4 采用现浇棍凝土楼(屋)盖的多层砌块结构房屋,当层数超过5层时,除在檐口标高处设置一道圈梁外,可隔层设置圈梁,并与楼(屋)面板一起现浇。未设置圈梁的楼面板嵌入墙内的长度不应小于lOOmm,并沿墙长配置不少于2φlO的纵向钢筋。
5 多层工业砌块房屋,应每层设置钢筋混凝土圈梁。
5.12.2 圈梁应符合下列构造要求:
1 圈梁宜连续地设在同一水平面上,并形成封闭状;当不能在同一水平面上闭合时,应增设附加圈梁,其搭接长度不应小于两倍圈梁间的垂直距离,且不应小于1m;
2 圈梁截面高度不应小于200mm,纵向钢筋不应少于4φ10,箍筋间距不应大于300mm,混凝土强度等级不应低于C20;
3 圈梁兼作过梁时,过梁部分的钢筋应按计算用量另行增配;
4 屋盖处圈梁应现浇,楼盖处圈梁可采用预制槽形底模整浇,槽形底模应采用不低于C20细石混凝土制作;
5 挑梁与圈梁相遇时,应整体现浇;当采用预制挑梁时,应采取措施,保证挑梁,圈梁和芯柱的整体连接。
5.12.3 门窗洞口顶部应采用钢筋混凝土过梁,验算过梁下砌体局部受压承载力时,可不考虑上层荷载的影响。
5.12.4 过梁上的荷载,可桉下列规定采用:
1 对于梁、板荷载,当梁、板下的墙体高度小于过梁净跨时,可按梁、扳传来的荷载采用。当梁、板下墙体高度不小于过梁净跨时,可不考虑梁、板荷载。
2 对于墙体荷载,当过梁上墙体高度小于1/2过梁净跨时,应按墙体的均布自重采用。当墙体高度不小于1/2过梁净跨时,应按高度为1/2过梁净跨墙体的均布自重采用。
5.12.5 墙体的下列部位应设置芯柱:
1 纵横墙交接处孔洞应设置混凝土芯柱。在外墙转角、楼梯间四角的纵横墙交接处的三个孔洞,宜设置钢筋混凝土芯柱;
2 五层及五层以上的房屋,应在上述部位设置钢筋混凝土芯柱。
5.12.6 芯柱应符合下列构造要求:
1 芯柱截面不宜小于120mm×120mm,宜采用不低于Cb20的灌孔混凝土灌实;
2 钢筋混凝土芯柱每孔内插竖筋不应小于1φ10,底部应伸入室内地坪下500mm或与基础圈梁锚固,顶部应与屋盖圈梁锚固;
3 芯柱应沿房屋全高贯通,并与各层圈梁整体现浇;
4 在钢筋混凝土芯柱处,沿墙高每隔400mm应设φ4钢筋网片拉结,每边伸入墙体不应小于600mm。
5.12.7 采用钢筋混凝土构造柱加强的砌块房屋,应在外墙四角、楼梯间四角的纵横墙交接处设置构造柱。在纵横墙交接处,沿竖向每隔400mm设置直径4mm焊接钢筋网片,埋入长度从墙的转角处伸入墙不应小于700mm。
5.12.8 砌块房屋的构造柱应符合下列要求:
1 构造柱最小截面宜为190mm×190mm,纵向钢筋宜采用4φ12,箍筋间距不宜大于250mm;
2 构造柱与砌块连接处宜砌成马牙槎,并应沿墙高每隔400mm设焊接钢筋网片(纵向钢筋不应少于2φ4,横筋间距不应大于200mm),伸入墙体不应小于600mm;
3 与圈梁连接处的构造柱的纵筋应穿过囤圈梁,构造柱纵筋上下应贯通。
6 配筋砌块砌体剪力墙静力设计
6.1 设计基本规定
6.1.1 配筋小砌块砌体剪力墙结构的内力与位移分析可采用弹性分析方法,应根据荷载效应的基本组合或偶然组合按承载能力极限状态设计,并满足正常使用状态的要求。
6.1.2 配筋小砌块砌体剪力墙平面外的轴向力偏心距e按内力设计值计算,并不应超过0.7y。
6.2 正截面受压承载力计算
6.2.1 配筋小砌块砌体剪力墙正截面承载力应按下列基本假定进行计算:
1 受力后的截面变形符合平截面假定;
2 钢筋与灌孔混凝土之间、灌孔混凝土与砌块之间无相对滑移;
3 砌体、灌孔混凝土的抗拉强度忽略不计;
4 灌孔小砌块砌体的极限压应变不大于0.003,钢筋的极限拉应变不大于0.01。
6.2.2 轴心受压配筋小砌块砌体剪力墙正截面受压承载力应按下列公式计算:
N≤φ 0g(f gA+0.8f' yA' s) (6.2.2-1)
φ 0g=1/(1+0.001β 2) (6.2.2-2)
式中: N——轴向力设计值(N);
f g——灌孔小砌块砌体的抗压强度设计值(MPa);
f' y——钢筋的抗压强度设计值(MPa);
A——构件的毛截面面积(mm 2);
A' s ——全部竖向钢筋的截面面积(mm 2);
φ 0g ——轴心受压构件的稳定系数;
β——构件的高厚比。
注:无箍筋或水平分布钢筋时, f' yA' s=0。
6.2.3 配筋小砌块砌体剪力墙构件的计算高度(H0),房屋底层取楼板顶面到剪力墙下端基础或地下室顶面的距离,对房屋其他楼层取该层层高。
6.2.4 矩形截面偏心受压配筋小砌块砌体构件正截面承载力计算,应符合下列规定:
1 大小偏心受压界限:
当χ≤ξbh0时,为大偏心受压;
当χ>ξbh0时,为小偏心受压。
式中:ξb——界限相对受压区高度,对HPB300级钢筋取ξb等于0.56,对HRB335级钢筋取ξb等于0.53,对HRB400或RRB400级钢筋取ξb等于0.50;
χ——截面受压区高度(mm);
h0——截面有效高度(mm)。
2 大偏心受压时应按下列公式计算(图6.2.4):
N≤fgbχ+f'yA's-fyAs-ΣfsiAsi (6.2.4-1)
NeN≤fgbχ(h0-χ/2)+f'yA's(h0-α's)-ΣfsiSsi (6.2.4-2)
式中:N——轴向力设计值(N);
fg——灌孔砌体的抗压强度设计值(MPa);
fy,f'y——竖向受拉、压主筋的强度设计值(MPa);
b——截面宽度(mm)。
fsi——竖向分布钢筋的抗拉强度设计值(MPa);
As,A's——竖向受拉、压主筋的截面面积(mm2);
Asi——单根竖向分布钢筋的截面面积(mm2);
Ssi——第i根竖向分布钢筋对竖向受拉主筋的面积矩(mm3);
eN——轴向力作用点到竖向受拉主筋合力点之间的距离(mm)。
α's——受压区纵向钢筋合力点至截面受压区边缘的距离,对T形、L形、工形截面,当翼缘受压时取100mm,其他情况取300mm;
αs——受拉区纵向钢筋合力点至截面受拉区边缘的距离,对T形、L形、工形截面,当翼缘受压时取300mm,其他情况取100mm。

图6.2.4 矩形截面偏心受压正截面承载力计算简图
当受压区高度χ< 2α's时,其正截面承载力可按下式进行计算:
Ne'N≤fyAs(h0-α's) (6.2.4-3)
式中:e'N——轴向力作用点至竖向受压主筋合力点之间的距离(mm)。
3 小偏心受压时,应按下列公式计算(6.2.4):
N≤fgbχ+f'yA's-σsAs (6.2.4-4)
NeN≤fgbχ(h0-χ/2)+f'yA's(h0-α's) (6.2.4-5)
σs=fy/(ξb-0.8)(χ/h0-0.8) (6.2.4-6)
式中:σs——钢筋As的应力(MPa)。
注:当受压区竖向受压主筋无箍筋或无水平钢筋约束时,可不考虑竖向受压主筋的作用,取f'yA's=0。
矩形截面面对称配筋小砌块砌体小偏心受压时,可近似按下列公式计算钢筋截面面积:
As=A's=NeN-ξ(1-0.5ξ)fgbh02/f'y(h0-α's) (6.2.4-7)
其中相对受压区高度ξ,可按下式计算:
ξ=χ/h0=N-ξbfgbh0/[(NeN-0.43fgbh02)/(0.8-ξb)(h0-α's)+fgbh0] +ξb (6.2.4-8)
注:小偏心受压计算中不考虑竖向分布钢筋的作用。
6.2.5 T形、L形、工形截面偏心受压构件,当翼缘和腹板的相交处采用错缝搭接砌筑和同时设置垂直间距不大于1.2m的水平配筋带,且水平配筋带的截面高度≥60mm,钢筋不少于2φ12时,可考虑翼缘的共同工作,翼缘的计算宽度取表6.2.5中的最小值,其正截面受压承载力应按下列规定计算:
1 当受压区高度χ≤h'f时,应按宽度为b'f的矩形截面计算;
2 当受压区高度χ>h'f时,则应考虑腹板的受压作用,应按下列公式计算:
1)大偏心受压(图6.2.5)
N≤fg[bχ+(b'f-b)h'f]+f'yA's-fyAs-ΣfsiAsi (6.2.5-1)
NeN≤fg[bχ(h0-χ/2)+(b'f-b)h'f(h0-b'f/2)]+f'yA's(h0-α's)-ΣfsiSsi (6.2.5-2)
式中:b'f——T形、L形、工形截面受压区的翼缘计算宽度(mm);
h'f——T形、L形、工形截面受压区的翼缘宽度(mm)。
2)小偏心受压
N≤fg[bχ+(b'f-b)h'f]+f'yA's-σsAs (6.2.5-3)
NeN≤fg[bχ(h0-χ/2)+(b'f-b)h'f(h0-b'f/2)]+f'yA's(h0-α's) (6.2.5-4)

图6.2.5 T形截面偏心受压构件正截面承载力计算简图
表6.2.5 T形、L形、工形截面偏心受压构件翼缘计算宽度b'f
|
考虑情况 |
T形、工形截面 |
L形截面 |
|
按构件计算高度H0考虑 |
H0/3 |
H0/6 |
|
按腹板间距L考虑 |
L |
L/2 |
|
按翼缘厚度h'f考虑 |
b+6h'f |
b+3h'f |
|
按翼缘的实际宽度b'f考虑 |
b'f |
b'f |
注:表中b为腹板宽度,构件的计算高度H0可按本规程6.2.3条的规定取用。
6.2.6 矩形截面出平面偏心受压配筋小砌块体剪力墙承载力计算,应按下列公式计算:
N≤φg(fgA+0.8f'yA's) (6.2.6-1)
φg =N≤φg(fgA+0.8f'yA's)/{1+2.5×[(e/b)+√(1/2.5)×1/φ0g-1]2} (6.2.6-2)
式中:φg——出平面偏心受压构件承载力影响系数;
e—— 出平面偏心力作用点至墙片受压端边缘的距离(mm);
A——剪力墙受压面积(mm2),A=b×h;
b——配筋小砌块砌体剪力墙厚度(mm);
h——配筋小砌块砌体剪力墙计算长度(mm)沿墙均布偏心荷载作用时取墙的长度,楼面梁与剪力墙墙肢在墙肢平面外方向连接时,h取梁两边各200mm再加梁宽;
φ0g——轴心受压构件的稳定系数。
6.3 斜截面受剪承载力计算
6.3.1 偏心受压和偏心受拉配筋小砌块砌体剪力墙,其斜截面受剪承载力应根据下列情况进行计算:
1 剪力墙的截面应满足下列要求:
V≤0.25fgbh0 (6.3.1-1)
式中:V——剪力墙的剪力设计值(N);
b——剪力墙截面宽度或T形、倒L形截面腹板宽度(mm);
h0——剪力墙截面的有效高度(mm)。
2 剪力墙在偏心受压时的斜截面受剪承载力应按下列公式计算:
V≤1/(λ-0.5)[0.6fgvbh0+0.12N(AW/A)]+0.9fyh(Asb/S)h0 (6.3.1-2)
λ=M/Vh0 (6.3.1-3)
式中:fgv——灌孔小砌块砌体抗剪强度设计值(MPa);
M、N、V——计算截面的弯矩(N·mm)、轴向力(N)和剪刀设计值(N),其中V不大于0.25fgbh0 ;
A——剪力墙的截面面积(mm2),其中翼缘的有效面积,可按本规程表6.2.5确定;
AW——T形或倒L形截面腹板的截面面积(mm2),对矩形截面取AW等于A;
λ——计算截面的剪跨比,当λ小于1.5时取1.5,当λ大于等于2.2时取2.2;
h0——剪力墙截面的有效高度(mm);
Asb——配置在同一截面内的水平分布钢筋的全部截面面积(mm2);
S——水平分布钢筋的竖向间距(mm);
fyh——水平钢筋的抗拉强度设计值(MPa)。
3 剪力墙在偏心受拉时的斜截面受剪承载力应按下式计算:
V≤1/(λ-0.5)[0.6fgvbh0-0.22N(AW/A)]+0.9fyh(Asb/S)h0 (6.3.1-4)
6.3.2 配筋小砌块砌体剪力墙跨高比大于2.5的连梁宜采用钢筋混凝土连梁,其截面组合的剪力设计值和斜截面承载力,应符合现行国家标准《混凝土结构设计规范》GB 50010对连梁的有关规定。
6.3.3 剪力墙采用配筋小砌块砌体连梁时应符合下列要求:
1 连梁的截面应满足下式的要求:
V≤ 0.25fgbh0 (6.3.3-1)
2 连梁的斜截面受剪承载力应按下列计算:
V≤0.8fgvbh0+fyv(Ash/S)h0 (6.3.3-2)
式中:Ash——配置在同一截面内的箍筋各肢的全部截面面积(mm2);
fyv——箍筋的抗拉强度设计值(MPa)。
6.4 构造措施
6.4.1 钢筋的规格应符合下列要求:
1 钢筋的直径不宜大于25mm,设置在灰缝中的箍筋不应小于6mm,在其他部位不应小于10mm;
2 配置在孔洞或空腔中的钢筋面积不应大于孔洞或空腔面积的5%。
6.4.2 钢筋的设置应符合下列规定:
1 设置在灰缝中钢筋的直径不宜大于灰缝厚度的1/2;
2 两平行的水平钢筋间的净距不应小于50mm;两平行的水平钢筋间应设不小于φ4拉结筋,水平间距不应大于600mm。
6.4.3 灌孔混凝土中竖向钢筋的锚固应符合下列要求:
1 当计算中充分利用竖向受拉钢筋强度时,其锚固长度La,对HPB300级和HRB335级钢筋不应小于30d;对HRB400和RRB400级钢筋不应小于35d;在任何情况下钢筋的锚固长度不应小于300mm;
2 当计算中充分利用竖向受压钢筋强度时,其锚固长度不应小于0.7La;
3 受力光面钢筋,应在钢筋末端作弯钩,在轴心受压构件中,可不作弯钩;绑扎骨架中的受力变形钢筋,在钢筋的末端可不作弯钩。
6.4.4 配筋小砌块砌体墙内竖向钢筋的接头应符合下列要求:
钢筋的直径大于22mm时宜采用机械连接接头,接头的质量应符合有关标准的规定;其他直径的钢筋可采用搭接接头,并应符合下列要求:
1 钢筋的接头位置宜设置在受力较小处。
2 受拉钢筋的搭接接头长度不应小于1.1 La,受压钢筋的搭接接头长度不应小于0.8La,且均不应小于300mm。
3 当相邻接头钢筋的间距不大于75mm时,其搭接长度不应小于1.2La。当钢筋间接头错开20d时,搭接长度可不增加。
6.4.5 设置在凹槽砌块混凝土带中的水平分布钢筋可弯入端部灌孔混凝土中,锚固长度不宜小于30d,且其水平或垂直弯折段的长度不应小于20d和200mm;钢筋的搭接长度不宜小于35d。
6.4.6 钢筋的最小保护层厚度应符合下列要求:
1 灰缝中钢筋砂浆保护层,室内正常环境不应小于15mm,在室外或潮湿环境不应小于30mm;
2 位于砌块孔槽中的钢筋保护层,在室内正常环境不宜小于20mm;在室外或潮湿环境不宜小于30mm。
注:对安全等级为一级或设计使用年限大于50年的配筋砌体结构构件,钢筋的保护层应比本条规定的厚度至少增加5mm,或采用经防腐处理的钢筋、抗渗混凝土砌块等措施。
6.4.7 配筋小砌块砌体剪力墙、连梁的砌体材料强度等级应符合下列要求:
1 砌块的强度等级不应低于MU10;
2 砌筑砂浆的强度等级不应低于Mb7.5;
3 灌孔混凝土应采用坍落度大、流动性及和易性好,并与砌块结合良好的混凝土,其强度等级不应低于Cb20,也不应低于1.5倍的块体强度等级;
4 作为承重或抗侧作用的配筋小砌块砌体剪力墙的孔洞,应全部用灌孔混凝土灌实。
注:对安全等级为一级或设计使用年限大于50年的配筋小砌块砌体房屋,所用材料的最低强度等级应至少提高一级。
6.4.8 配筋小砌块砌体剪力墙厚度为190mm,连梁截面宽度不应小于190mm。
6.4.9 配筋小砌块砌体剪力墙的构造配筋应符合下列要求:
1 应在墙的转角、端部和洞口的两侧配置竖向连续的钢筋,钢筋直径不宜小于12mm;
2 应在洞口的底部和顶部设置不小于2φ10的水平钢筋,其伸入墙内的长度不宜小于40d和600mm;
3 应在楼(屋)盖的所有纵横墙处设置现浇钢筋混凝土圈梁,圈梁的宽度宜等于墙厚且其高度应符合立面排块的模数,圈梁主筋不应少于4φ10且不应小于相应配筋砌体墙的水平钢筋,圈梁的混凝土强度等级不应小于相应灌孔小砌块砌体的强度,也不应低于C20;
4 剪力墙其他部位的竖向和水平钢筋的间距不应大于墙长及墙高的1/3,也不应大于800mm;
5 剪力墙沿竖向和水平方向的构造钢筋配筋率均不应小于0.07%。
6.4.10 按短肢墙设计的配筋砌块窗间墙除应符合本规程第6.4.8条和第6.4.9条规定外,尚应符合下列要求:
1 窗间墙的截面应符合下列要求:
1)墙宽不应小于800mm;
2)墙净高与墙宽之比不宜大于5。
2 窗间墙中的竖向钢筋应符合下列要求:
1)每片窗间墙中沿全高不应少于4根钢筋;
2)窗间墙的竖向钢筋的配筋率不宜小于0.2%,也不宜大于0.8%。
3 窗间墙中的水平分布钢筋应符合下列要求:
1)水平分布钢筋应在墙端部纵筋处向下弯折90°,弯折段长度不小于15d和150mm;
2)水平分布钢筋的间距:在距梁边1倍墙宽范围内不应大于1/4墙长,其余部位不应大于1/2墙长;
3)水平分布钢筋的配筋率不宜小于0.15%。
6.4.11 配筋小砌块砌体剪力墙应按下列情况设置边缘构件:
1 当利用剪力墙端的砌体时,应符合下列要求:
1)应在一字形墙端至少3倍墙厚范围内的孔中设置不小于φ12通长竖向钢筋;
2)应在墙体交接处设置每孔不小于φ12的通长竖向钢筋,L形宜设置3个孔,T形宜设置4个孔,十字形宜设置5个孔;
3)剪力墙端部压应力大于0.6f g的部位,除按本款第一项的规定设置竖向钢筋外,尚应设置间距不大于200mm、直径不小于6mm的封闭箍筋,该封闭箍筋宜设置在灌孔混凝土中。
2 当在剪力墙墙端设置混凝土柱时,应符合下列要求:
1)柱的截面宽度不应小于墙厚,柱的截面高度宜为1倍~2倍的墙厚,并不应小于200mm;
2)柱混凝土的强度等级不应小于相应灌孔小砌块砌体的强度,也不应低于C20;
3)柱的竖向钢筋不宜小于4φ12,箍筋不宜小于φ6、间距不宜大于200mm;
4)墙体中的水平钢筋应在柱中锚固,并应满足钢筋的锚固要求;
5)柱的施工顺序应为先砌砌块墙体,将与混凝土柱交界面所有砌块的堵头凿除后,同时浇捣灌孔混凝土。
6.4.12 应控制配筋小砌块砌体剪力墙平面外的弯矩,当剪力墙肢的平面外方向梁的偏心距大于本规程第6.1.2条规定时,应采取下列措施之一:
1 沿梁轴线方向设置与梁相连的配筋小砌块砌体剪力墙,抵抗该墙肢平面外弯矩;
2 当不能设置时,可将梁端与墙连接作为铰接处理,并采取相应梁与墙铰接的构造措施;
3 梁高不宜大于墙截面厚度的2倍。
6.4.13 配筋小砌块砌体剪力墙中当连梁采用钢筋混凝土时,连梁混凝土的强度等级不应小于相应灌孔小砌块砌体的强度,也不应低于C20;其他构造尚应符合现行国家标准《混凝土结构设计规范》GB 50010的有关规定要求。
6.4.14 配筋小砌块砌体剪力墙中当连梁采用配筋小砌块砌体时,连梁应符合下列要求:
1 连梁的截面应符合下列要求:
1)连梁的高度不应小于两皮砌块的高度和400mm;
2)连梁应采用H型砌块或凹槽砌块组砌,孔洞应全部浇灌混凝土。
2 连梁的水平钢筋宜符合下列要求:
1)连梁上、下水平受力钢筋宜对称、通长设置,在灌孔砌体内的锚固长度不宜小于40d和600mm;
2)连梁水平受力钢筋的配筋率不宜小于0.2%,也不宜大于0.8%。
3 连梁的箍筋应符合下列要求:
1)箍筋的直径不应小于6mm;
2)箍筋的间距不宜大于1/2梁高和600mm;
3)在距支座等于梁高范围内的箍筋间距不应大于1/4梁高,距支座表面第一根箍筋的间距不应大于100mm;
4)箍筋的面积配筋率不宜小于0.15%;
5)箍筋宜为封闭式,双肢箍末端弯钩为135°;单肢箍末端的弯钩为180°,或弯90°加12倍箍筋直径的延长段。
6.4.15 部分框支配筋小砌块砌体剪力墙结构中框支层上一层及以下的配筋小砌块砌体墙的水平及竖向分布钢筋最小配筋率均不应小于0.10%,最大间距均不应大于600mm。
7 抗震设计
7.1 一般规定
7.1.1 抗震设防地区的混凝土小砌块砌体承重的多层房屋,底部一层或两层框架-抗震墙砌体房屋,配筋小砌块砌体抗震墙房屋,除应满足静力设计要求外,尚应按本章的规定进行抗震设计,同时应符合现行国家标准《建筑抗震设计规范》GB 50011的要求。
注:本章中“配筋小砌块砌体抗震墙”指全部灌芯配筋砌块砌体。
7.1.2 多层小砌块砌体房屋的抗震设计,应保证结构的整体性,并按规定设置钢筋混凝土圈梁、芯柱或构造柱,或采用约束砌体、配筋砌体等。
7.1.3 多层小砌块砌体房屋和配筋小砌块砌体抗震墙房屋宜避免采用不规则建筑结构方案。
1 多层小砌块砌体房屋的建筑布置和结构体系宜符合国家标准《建筑抗震设计规范》GB 50011-2010中7.1节的要求,并应符合下列要求:
1)应优先采用横墙承重或纵横墙共同承重的结构体系;
2)楼梯间不宜设置在房屋的尽端和转角处;
3)多层小砌块砌体房屋,不应在房屋转角处设置转角窗;
4)横墙较少、跨度较大或高度较大的房屋,宜采用现浇钢筋混凝土楼、屋盖;
5)烟道、风道等不应削弱墙体,不宜采用无竖向配筋的附墙烟囱及出屋面的烟囱;
6)不应采用无锚固的钢筋混凝土预制挑檐。
2 配筋小砌块砌体抗震墙房屋应符合国家标准《建筑抗震设计规范》GB 50011—2010中3.4节的规则性要求,并符合下列要求:
1)纵横向抗震墙宜拉通对直;每个独立墙段长度不宜大于8m,也不宜小于墙厚的5倍;墙段的高度与墙段长度之比不宜小于2。门窗洞口宜上下对齐,成列布置。
2)宜避免设置转角窗,否则应采取加强措施。
7.1.4 抗震设计时,房屋应根据不规则程度、地基基础条件和技术经济等因素的比较分析,确定是否设置防震缝。
1 多层小砌块砌体房屋有下列情况之一时宜设置防震缝,缝两侧均应设置墙体,缝宽应根据烈度和房屋高度确定,可采用70mm~100mm:
1)房屋立面高差在6m以上;
2)房屋有错层,且楼板高差大于层高的1/4;
3)各部分结构刚度、质量截然不同。
2 配筋小砌块砌体抗震墙房屋,体形复杂、平立面不规则时宜设防震缝。防震缝宽度应根据烈度和房屋高度确定,当房屋高度不超过24m时,可采用lOOmm;当超过24m时,6度、7度、8度和9度相应每增加6m、5m、4m和3m,宜加宽20mm。
7.1.5 抗震设计时结构材料性能指标,应符合下列要求:
1 混凝土小砌块的强度等级不应低于MU7.5,其砌筑砂浆强度等级不应低于Mb7.5。配筋小砌块砌体抗震墙,混凝土小砌块的强度等级不应低于MU10,其砌筑砂浆强度等级不应低于MblO。
2 混凝土材料,应符合下列要求:
1)托梁,底部框架—抗震墙砌体房屋中的框架梁、柱、节点核芯区、落地混凝土墙和过渡层楼板,部分框支配筋小砌块砌体抗震墙结构中的框支梁和框支柱等转换构件、节点核芯区、落地混凝土墙和转换层楼板,其混凝土的强度等级不应低于C30;
2)构造柱、圈梁、水平现浇钢筋混凝土带及其他各类构件不应低于C20,砌块砌体芯柱和配筋小砌块砌体抗震墙的灌孔混凝土强度等级不应低于Cb20。
3 普通钢筋材料应符合抗震性能指标,宜优先采用延性、韧性和焊接性较好的钢筋,并宜符合下列规定:
1)砌体中普通钢筋宜选用HRB400级钢筋和HRB335级钢筋,也可采用HPB300级钢筋;
2)托梁、框架梁、框架柱、落地混凝土墙和框支梁、框支柱等混凝土构件,其纵向受力普通钢筋和墙分布钢筋宜选用不低于HRB400的热轧钢筋,也可采用HRB335级热轧钢筋;箍筋宜选用不低于HRB335级的热轧钢筋,也可选用HPB300级热轧钢筋。
I 多层小砌块砌体结构
7.1.6 多层小砌块砌体房屋的层数和总高度应符合下列要求:
1 一般情况下,房屋的层数和总高度不应超过表7.1.6的规定。
表7.1.6 房屋的层数和总高度限值
|
房屋类别 |
最小抗震厚度(mm) |
烈度和设计基本地震加速度 |
|||||||||||
|
6度 |
7度 |
8度 |
9度 |
||||||||||
|
0.05g |
0.10g |
0.15g |
0.20g |
0.30g |
0.40g |
||||||||
|
高度(m) |
层数 |
高度(m) |
层数 |
高度(m) |
层数 |
高度(m) |
层数 |
高度(m) |
层数 |
高度(m) |
层数 |
||
|
多层混凝土小砌块砌体房屋 |
190 |
21 |
7 |
21 |
7 |
18 |
6 |
18 |
6 |
15 |
5 |
9 |
3 |
|
底部框架-抗震墙混凝土小砌块砌体房屋 |
190 |
22 |
7 |
22 |
7 |
19 |
6 |
16 |
5 |
— |
— |
— |
— |
注:1 房屋的总高度指室外地面到主要屋面板板顶或檐口的高度,半地下室从地下室室内地面算起,全地下室和嵌固条件好的半地下室应允许从室外地面算起;对带阁楼的坡屋面应算到山尖墙的1/2高度处;
2 室内外高差大于0.6m时,房屋总高度应允许比表中的数据适当增加,但增加量应少于1.0m;
3 乙类的多层砌体房屋仍按本地区设防烈度查表,其层数应减少—层且总高度应降低3m;不应采用底部框架--抗震墙砌体房屋;
4 本表小砌块砌体房屋不包括配筋小砌块砌体抗震墙房屋。
2 各层横墙较少的多层砌体房屋,总高度应比表7.1.6的规定降低3m,层数相应减少一层;各层横墙很少的多层砌体房层,还应再减少一层。
注:横墙较少是指同一楼层内开间大于4.2m的房间占该层总面积的40%以上;其中,开间不大于 4.2m的房间占该层总面积不到20%且开间大于4.8m的房间占该层总面积的50%以上为横墙很少。
3 6、7度时,横墙较少的丙类多层砌体房屋,当按第7.3.14条规定采取加强措施并满足抗震承载力要求时,其高度和层数应允许仍按表7.1.6的规定采用。
7.1.7 多层小砌块砌体承重房屋的层高,不应超过3.6m。
底部框架—抗震墙砌体房屋的底部,层高不应超过4.5m;当底层采用约束小砌块砌体抗震墙时,底层的层高不应超过4.2m。
7.1.8 多层小砌块砌体房屋总高度与总宽度的最大比值,宜符合表7.1.8的要求。
表7.1.8 房屋最大高宽比
|
烈度 |
6度 |
7度 |
8度 |
9度 |
|
最大高宽比 |
2.5 |
2.5 |
2.0 |
1.5 |
注:1 单面走廊房屋的总宽度不包括走廊宽度;
2 建筑平面接近正方形时,其高宽比宜适当减小。
7.1.9 多层小砌块砌体房屋抗震横墙的间距,不应超过表7.1.9的要求:
表7.1.9 房屋抗震横墙的间距(m)
|
房屋类别 |
烈度 |
||||
|
6度 |
7度 |
8度 |
9度 |
||
|
多层砌体房屋 |
现浇或装配整体式钢筋混凝土楼、屋盖 装配式钢筋混凝土楼、屋盖 |
15 11 |
15 11 |
11 9 |
7 4 |
|
底部框架-抗震墙砌体房屋 |
上部各层 |
同多层砌体房屋 |
— |
||
|
底层或底部两层 |
18 |
15 |
11 |
— |
|
注:多层砌体房屋的顶层,最大横墙间距应允许适当放宽,但应采取相应加强措施。
7.1.10 多层小砌块砌体房屋中砌体墙段的局部尺寸限值,宜符合表7.1.10的要求:
表7.1.10 房屋的局部尺寸限值(m)
|
部位 |
6度 |
7度 |
8度 |
9度 |
|
承重窗间墙最小宽度 |
1.0 |
1.0 |
1.2 |
1.5 |
|
承重外墙尽端至门窗洞边的最小距离 |
1.0 |
1.0 |
1.2 |
1.5 |
|
非承重外墙尽端至门窗洞边的最小距离 |
1.0 |
1.0 |
1.0 |
1.0 |
|
内墙阳角至门窗洞边的最小距离 |
1.0 |
1.0 |
1.5 |
2.0 |
|
无锚固女儿墙(非出入口处)的最大高度 |
0.5 |
0.5 |
0.5 |
0.0 |
注:1 局部尺寸不足时,应采取增加构造柱或芯柱及增大配筋等局部加强措施弥补,且最小宽度不宜小于1/4层高和表列数据的80%;
2 当表中部位采用全灌孔配筋小砌块或钢筋混凝±墙垛时,其局部尺寸不受本表限制;
3 出入口处的女儿墙应有锚固。
7.1.11 底部框架—抗震墙砌体房屋的结构布置和钢筋混凝土结构部分,应符合现行国家标准《建筑抗震设计规范》GB 50011的有关规定。底部混凝土框架的抗震等级,6、7、8度应分别按三、二、一级采用,混凝土墙体的抗震等级,6、7、8度应分别按三、三、二级采用。
7.1.12 配筋小砌块砌体抗震墙房屋的最大高度应符合表7.1.12—1的规定,且房屋高宽比不宜超过表7.1.12—2的规定;对横墙较少或建造于Ⅳ类场地的房屋,适用的最大高度应适当降低。
表7.1.12—1 配筋小砌块砌体抗震墙房屋适用的最大宽度(m)
|
结构类型 |
最小墙厚 |
烈度和设计基本地震加速度 |
|||||
|
6度 |
7度 |
8度 |
9度 |
||||
|
0.05g |
0.10g |
0.15g |
0.20g |
0.30g |
0.40g |
||
|
配筋小砌块砌体抗震墙 |
190mm |
60 |
55 |
45 |
40 |
30 |
24 |
|
配筋小砌块砌体部分框支抗震墙 |
55 |
49 |
40 |
31 |
24 |
— |
|
注:1 房屋高度指室外地面至檐口的高度(不包括局部突出屋顶部分);
2 某层或几层开间大于6.0m以上的房屋建筑面积占相应层建筑面积40%以上时,应按表内的规定相应降6.0m取用;
3 房屋的高度超过表内高度时,应进行专门的研究和论证,采取有效的加固措施。
表7.1.12—2 配筋小砌块砌体抗震墙房屋的最大高宽比
|
烈度 |
6度 |
7度 |
8度 |
9度 |
|
最大高宽比 |
4.5 |
4.0 |
3.0 |
2.0 |
注:房屋的平面布置和竖向布置不规则时应适当减小最大高宽比的值。
7.1.13 配筋小砌块砌体抗震墙房屋应根据抗震设防分类、抗震设防烈度、房屋高度和结构类型采用不同的抗震等级,并应符合相应的计算和构造措施要求。丙类建筑的抗震等级宜按表7.1.13确定。
表7.1.13 抗震等级的划分
|
高度(m) 结构类型 |
设 防 烈 度 |
|||||||
|
6度 |
7度 |
8度 |
9度 |
|||||
|
≤24 |
>24 |
≤24 |
>24 |
≤24 |
>24 |
≤24 |
||
|
配筋小砌块砌体抗震墙 |
四 |
三 |
三 |
二 |
二 |
一 |
一 |
|
|
部分框支配 筋小砌块砌体抗震墙 |
非底部加强部位抗震墙 |
四 |
三 |
三 |
二 |
二 |
不应采用 |
不应采用 |
|
底部加强部位抗震墙 |
三 |
二 |
二 |
一 |
一 |
|||
|
框支框架 |
二 |
二 |
一 |
一 |
||||
注:1 接近或等于高度分界时,可结合房屋不规则程度及场地、地基条件确定抗震等级;
2 多层房屋(总高度≤18m)可按表中抗震等级降低一级取用,已是四级时取四级;
3 部分框支抗震墙结构首层或底部两层为框支层的结构,不包括仅个别框支墙的情况;
4 乙类建筑按表内提高一度所对应的抗震等级采取抗震措施,已是一级时取一级。
7.1.14 采用现浇钢筋混凝土楼、屋盖时,抗震横墙的最大间距,应符合表7.1.14的要求:
表7.1.14 配筋小砌块砌体抗震横墙的量大间距
|
烈度 |
6度 |
7度 |
8度 |
9度 |
|
最大间距(m) |
15 |
15 |
11 |
7 |
7.1.15 配筋小砌块砌体抗震墙房屋的层高应符合下列要求:
1 底部加强部位的层高,一、二级不宜大于3.2m,三、四级不宜大于3.9m;
2 其他部位的层高,一、二级不宜大于3.9m,三、四级不宜大于4.8m。
注:底部加强部位指不小于房屋高度的1/6且不小于底部二层的高度范围,房屋总高度小于18m时取一层。
7.1.16 配筋小砌块砌体抗震墙的短肢墙应符合下列要求:
1 不应采用全部为短肢墙的配筋小砌块砌体抗震墙结构,应形成短肢抗震墙与一般抗震墙共同抵抗水平地震作用的抗震墙结构,9度时不宜采用短肢墙;
2 短肢墙的抗震等级应比本规程表7.1.13的规定提高一级采用;已为一级时,配筋应按9度的要求提高;
3 在给定的水平力作用下,一般抗震墙承受的地震倾覆力矩不应小于结构总倾覆力矩的50%,且短肢抗震墙截面面积与同层抗震墙总截面面积比例,抗震等级为三级及以上房屋两个主轴方向均不宜大于20%,抗震等级为四级的房屋,两个主轴方向均不宜大于50%;总高度小于等于18m的多层房屋,短肢抗震墙截面面积与同层抗震墙总截面面积比例,一、二级时两个主轴方向均不宜大于30%,三级时不宜大于50%,四级时不宜大于70%;
4 短肢墙宜设置翼墙;不应在一字形短肢墙平面外布置与之单侧相交的楼、屋面梁。
注:短肢抗震墙是指墙肢截面高度与宽度之比为5~8的抗震墙,一般抗震墙是指墙肢截面高度与厚度之比大与8的抗震墙。“L”形,“T”形,“+”形等多肢墙截面的长短肢性质应由较长一肢确定。
7.1.17 配筋小砌块砌体抗震墙房屋抗震计算时,应按本节规定调整地震作用效应;6度时可不作截面抗震验算(不规则建筑除外),但应按本规程的有关要求采取抗震构造措施。配筋小砌块砌体抗震墙房屋应进行多遇地震作用下的抗震变形验算,具楼层内最大的层间弹性位移角不宜超过1/800,底层不宜超过1/1200,部分框支配筋小砌块砌体抗震墙结构除底层之外的部分框支层不宜超过1/1000。
7.1.18 部分框支配筋小砌块砌体抗震墙房屋的结构布置应符合下列要求:
1 上部的配筋小砌块砌体抗震墙的中心线宜与底部的抗震墙或框架的中心线相重合。
2 房屋的底部应沿纵横两个方向设置一定数量的抗震墙,并应均匀布置。底部抗震墙可采用配筋小砌块砌体抗震墙或钢筋混凝土抗震墙,但同一层内不应混用。如采用钢筋混凝土抗震墙,混凝土强度等级不宜大于C35。
3 矩形平面的部分框支配筋小砌块砌体抗震墙房屋结构的楼层侧向刚度比和底层框架部分承担的地震倾覆力矩,应符合国家标准《建筑抗震设计规范》GB 50011—2010第6.1.9条的有关要求。
4 抗震墙应采用条形基础、筏板基础、箱基或桩基等整体性能较好的基础。
5 除应符合本规程有关条文要求之外,部分框支配筋小砌块砌体抗震墙房屋的结构布置尚应符合国家现行标准《建筑抗震设计规范》GB 50011和《高层建筑混凝土结构技术规程》JGJ 3中的有关要求。
7.2 地震作用和结构抗震验算
7.2.1 计算地震作用时,建筑的重力荷载代表值应取结构和构件自重标准值和各可变荷载组合值之和。各可变荷载的组合值系数,应按表7.2.1采用。
表7.2.1 组合值系数
|
可变荷载种类 |
组合值系数 |
|
|
雪荷载 |
0.5 |
|
|
屋面积灰荷载 |
0.5 |
|
|
屋面活荷载 |
不计入 |
|
|
按实际情况计算的楼面活荷载 |
1.0 |
|
|
按等效均布荷载计算的楼面活荷载 |
藏书库、档案库 |
0.8 |
|
其他民用建筑 |
0.5 |
|
7.2.2 结构抗震计算应符合现行国家标准《建筑抗震设计规范》GB 50011相关规定。配筋小砌块砌体抗震墙房屋宜采用振型分解反应谱法,多层小砌块砌体房屋可采用底部剪力法进行抗震计算。
7.2.3 多层小砌块砌体房屋采用底部剪力法计算时,各楼层可仅取一个自由度,结构的水平地震作用标准值应按下列公式确定(图7.2.3):
FEk=αmaxGeq (7.2.3-1)

(i=1,2…n ) (7.2.3-2)
△ Fn=δnFEk (7.2.3-3)
式中:FEk——结构总水平地震作用标准值(N);
αmax——水平地震影响系数最大值,应按表7.2.3采用;
Geq——结构等效总重力荷载(N),单质点应取总重力荷载代表值,多质点可取总重力荷载代表值的85%;
Fi——质点i的水平地震作用标准值(N);
Gi,Gj——分别为集中于质点i、j的重力荷载代表值(N),应按本规程第7.2.1条确定;
Hi,Hj——分别为质点i、j的计算高度(mm);
△Fn——顶部附加水平地震作用(N);
δn——顶部附加地震作用系数,多层小砌块砌体房屋可采用0.0。
表7.2.3 水平地震影响系数最大值
|
烈度 |
6度 |
7度 |
8度 |
9度 |
|
多遇地震αmax |
0.04 |
0.08(0.12) |
0.16(0.24) |
0.32 |
注:括号中数值分别用于设计基本地震加速度为0.15g和0.30g的地区。
7.2.4 采用底部剪力法时,突出屋面的屋顶间、女儿墙、烟囱等的地震作用效应,宜乘以增大系数3,此增大部分不应往下传递,但与该突出部分相连的构件应予计入。采用振型分解反应谱法时,突出屋面部分可作为一个质点。
7.2.5 一般情况下,小砌块砌体房屋应至少在建筑结构的两个主轴方向分别计算水平地震作用并进行抗震验算,各方向的水平地震作用应由该方向抗侧力构件承担。
7.2.6 质量和刚度分布明显不对称的小砌块砌体房屋,应计入双向水平地震作用下的扭转影响。
7.2.7 采用底部剪力法时,结构的楼层水平地震剪力设计值,应按下式计算:
Vi=1.3Vhi (7.2.7)
式中: Vi——第i层水平地震剪力设计值(N);
Vhi——第i层水平地震剪力标准值(N),由本规程第7.2.3条的水平地震作用标准值计算得到。
7.2.8 进行地震剪力分配和截面验算时,砌体墙段的层间等效侧向刚度应按下列原则确定:
1 刚度的计算应计及高宽比的影响。高宽比小于1时,可只计算剪切变形;高宽比不大于4且不小于1时,应同时计算弯曲和剪切变形;高宽比大于4时,等效侧向刚度可取0;
注:墙段的高宽比指层高与墙长之比,对门窗洞边的小墙段指洞净高与洞侧墙宽之比。
2 墙段宜按门窗洞口划分;对设置构造柱的小开口墙段按毛墙面计算的刚度,可根据开洞率乘以表7.2.8的墙段洞口影响系数。
表7.2.8 墙段洞口影响系数
|
开洞率 |
0.10 |
0.20 |
0.30 |
|
影响系数 |
0.98 |
0.94 |
0.88 |
注:1 开洞率为洞口水平截面积与墙段水平毛截面积之比,相邻洞口之间净宽小
于500mm的墙段视为洞口;
2 洞口中线偏离墙段中线大于墙段长度的1/4,表中影响系数值折减0.9;门洞的洞顶高度大于层高80%时,表中数据不适用;窗洞高度大于50%层高时,按门洞对待。
7.2.9 多层小砌块砌体房屋,可只选从属面积较大或竖向应力较小的墙段进行截面抗震承载力验算。
7.2.10 小砌块砌体沿阶梯形截面破坏的抗震抗剪强度设计值,应按下式确定:
fvE= ζNfv (7.2.10)
式中: fvE——砌体沿阶梯形截面破坏的抗震抗剪强度设计值(MPa);
fv——非抗震设计的砌体抗剪强度设计值;应按本规程表3.2.2采用。
ζN——砌体抗震抗剪强度的正应力影响系数,应按表7.2.10采用。
表7.2.10 砌体强度的正应力影响系数
|
砌体类别 |
σ0/fv |
||||||
|
普通小砌块 |
1.0 |
3.0 |
5.0 |
7.0 |
10.0 |
12.0 |
≥16.0 |
|
1.23 |
1.69 |
2.15 |
2.57 |
3.02 |
3.32 |
3.92 |
|
注:σ0为对应于重力荷载代表值的砌体截面平均压实力。
7.2.11 小砌块墙体的截面抗震受剪承载力,应按下列验算:
V=fvEAγRE (7.2.11)
式中:V——考虑地震作用组合的墙体剪力设计值(N);
A——墙体横截面积(mm2);
γRE——承载力抗震调整系数,应按表7.2.11采用。
表7.2.11 承载力抗震调整系数
|
墙体 |
两端设置芯柱或构造柱的承重抗震墙 |
自承重抗震墙 |
其他抗震墙 |
|
γRE |
0.90 |
0.75 |
1.00 |
7.2.12 设置构造柱和芯柱的小砌块墙体的截面抗震受剪承载力,可按下式计算:
V≤(1/γRE)[fvEA+(0.3ftlAcl+0.3ft2Ac2+0.05fylAsl+0.05fy2As2)ζc] (7.2.12)
式中: ftl——芯柱混凝土轴心抗拉强度设计值(MPa);
ft2——构造柱混凝土轴心抗拉强度设计值(MPa);
Acl——墙中部芯柱截面总面积(mm2);
Ac2——墙中部构造柱截面总面积(mm2);
Asl——芯柱钢筋截面总面积(mm2);
As2——构造柱钢筋截面总面积(mm2);
fyl——芯柱钢筋抗拉强度设计值(MPa);
fy2——构造柱钢筋抗拉强度设计值(MPa);
ζc——芯柱、构造柱参与工作系数,可按表7.2.12采用。
表7.2.12 芯柱和构造柱参与工作系数
|
填孔率ρ |
ρ< 0.15 |
0.15≤ρ< 0.25 |
0.25≤ρ< 0.5 |
ρ≥0.5 |
|
ζc |
0 |
1.00 |
1.10 |
1.15 |
注:填孔率指芯柱和构造柱根数(含构造柱和芯柱数量)与孔洞总数之比。
7.2.13 底部框架-抗震墙房屋的抗震验算,应按现行国家标准《建筑抗震设计规范》GB 50011的有关规定执行。
7.2.14 配筋小砌块砌体抗震墙承载力计算时,底部加强部位截面的组合剪力设计值应按下列规定调整:
V=ηvwVw (7.2.14)
式中:V——抗震墙截面组合的剪力设计值(N);
Vw——抗震墙截面组合的剪力计算值(N);
ηvw——剪力增大系数,按表7.2.14取用。
表7.2.14 剪力增大系数ηvw
|
结构部位 |
抗震等级 |
|||
|
一 |
二 |
三 |
四 |
|
|
底部加强区抗震墙 |
1.60 |
1.40 |
1.20 |
1.00 |
|
其他部位抗震墙 |
1.00 |
1.00 |
1.00 |
1.00 |
|
底部加强区的短肢抗震墙 |
1.70 |
1.50 |
1.30 |
1.10 |
|
多层房屋其他部位的短肢抗震墙 |
1.20 |
1.15 |
1.10 |
1.05 |
注:表中多层房屋是指总高度小于等于18m且按本规程第7.1.16条第3款要求布置的短肢抗震墙多层房屋。
7.2.15 配筋小砌块砌体抗震墙截面组合的剪力设计值,应符合下列公式要求:
剪跨比大于2
V≤(1/γRE)(0.2fgbh) (7.2.15-1)
剪跨比不大于2
V≤(1/γRE)(0.15fgbh) (7.2.15-2)
式中: fg——灌孔小砌块砌体抗压强度设计值(MPa);
b——抗震墙截面宽度(mm);
h——抗震墙截面高度(mm);
γRE——承载力抗震调整系数,取0.85。
7.2.16 偏心受压配筋小砌块砌体抗震墙截面受剪承载力,应按下列公式验算:
V≤(λ/γRE){[λ/(λ-0.5)(0.48fgvbh0+0.1N)+0.72fyh (Ash/S)h0]} (7.2.16-1)
0.5V≤(1/γRE)[0.72fyh(Ash/S)h0] (7.2.16-2)
式中:N——抗震墙组合的轴向力设计值(N);
当N>0.2fgbh时, 取N=0.2fgbh;
λ——计算截面处的剪跨比, 取λ=M/Vh0;小于1.5时,取1.5,大于2.2时取2.2;
fgv——灌孔小砌块砌体抗剪强度设计值(MPa);
Ash——同一截面的水平钢筋截面面积(mm2);
fyh——水平分布钢筋抗拉强度设计值(MPa);
h0——抗震墙截面有效高度(mm)。
7.2.17 偏心受拉配筋小砌块砌体抗震墙,其斜截面受剪承载力应按下列公式计算:
V≤(1/γRE){[1/(λ-0.5)(0.48fgvbh0-0.17N)+0.72fyh(Ash/S)h0]} (7.2.17-1)
0.5V≤(1/γRE)[0.72fyh(Ash/S)h0] (7.2.17-2)
当0.48fgvbh0-0.17N≤0时,取0.48fgvbh0-0.17N=0。
7.2.18 抗震墙采用配筋小砌块砌体连梁时应符合下列要求:
1 连梁的截面应满足下式的要求:
V≤(1/γRE)(0.15fgvbh0) (7.2.18-1)
2 连梁的斜截面受剪承载力应按下式计算:
V≤(1/γRE)[0.56fgvbh0+0.7fyv(Asv/S)h0] (7.2.18-2)
式中:Asv——配置在同一截面内的箍筋各肢的全部截面面积(mm2);
fyv——箍筋的抗拉强度设计值(MPa)。
7.2.19 配筋小砌块砌体结构构件抗震设计,除应符合本章规定外,尚应符合现行国家标准《建筑抗震设计规范》GB 50011和《砌体结构设计规范》GB 50003的有关要求,混凝土构件部分应符合国家现行标准《混凝土结构设计规范》GB 50010和《高层建筑混凝土结构技术规程》JGJ 3的有关要求。
7.3 抗震构造措施
7.3.1 小砌块砌体房屋同时设置构造柱和芯柱时,应按下列要求设置现浇钢筋混凝土构造柱(以下简称构造柱):
1 构造柱设置部位,应符合表7.3.1的要求。
2 外廊式和单面走廊式的多层小砌块砌体房屋,应根据房屋增加一层后的层数,按表7.3.1的要求设置构造柱,且单面走廊两侧的纵墙均应按外墙处理。
3 横墙较少的房屋,应根据房屋增加一层的层数,按表7.3.1的要求设置构造柱。当横墙较少的房屋为外廊式或单面走廊式时,应按本条2款要求设置构造柱;但6度不超过4层、7度不超过3层和8度不超过2层时,应按增加2层的层数设置。
4 各层横墙很少的房屋,应按增加两层的层数设置构造柱。
5 有错层的多层房屋,错层部位应设置墙,墙中部构造柱间距不宜大于2m,在错层部位的纵横墙交接处应设置构造柱。
表7.3.1 多层小砌块砌体房屋构造柱设置要求
|
房屋层数 |
设置部位 |
||||
|
6度 |
7度 |
8度 |
9度 |
||
|
≤5 |
≤4 |
≤3 |
1 |
外墙四角和对应转角; 楼、电梯间四角,楼梯斜梯段上下端对应的墙体处; 错层部位横墙与外纵墙交接处; 较大洞口两侧 |
隔12m或单元横墙与外纵墙交接处; 楼梯间对应的另一侧内横墙与外纵墙交接处 |
|
6 |
5 |
4 |
2 |
隔开间横墙(轴线)与外墙交接处; 山墙与内纵墙交接处 |
|
|
7 |
6、7 |
5、6 |
3、4 |
内墙(轴线)与外墙交接处; 内墙的局部较小墙垛处; 内纵墙与横墙(轴线)交接处 |
|
注:1 较大洞口,内墙指不小于2.1m的洞口;外墙在内外墙交接处已设置构造柱时允许适当放宽,但洞侧墙体应加强;
2 当按本条第2~4款规定确定的层数超出表7.3.1范围,构造柱设置要求不应低于表中相应烈度的最高要求且宜适当提高。
- 7.3.2 小砌块砌体房屋的构造柱,应符合下列构造要求:
1 构造柱截面不宜小于190mm×190mm,纵向钢筋不宜少于4φ2,箍筋间距不宜大于250mm,且在柱上下端应适当加密;6、7度时超过5层、8度时超过4层和9度时,构造柱纵向钢筋宜采用4φ14,箍筋间距不应大于200mm;外墙转角的构造柱应适当加大截面及配筋;
2 构造柱与小砌块墙连接处应砌成马牙槎;与构造柱相邻的砌块孔洞,6度时宜填实,7度时应填实,8、9度时应填实并插筋lφ12;
3 构造柱与圈梁连接处,构造柱的纵筋应在圈梁纵筋内侧穿过,保证构造柱纵筋上下贯通;
4 构造柱可不单独设置基础,但应伸入室外地面下500mm,或与埋深小于500mm的基础圈梁相连;
5 必须先砌筑小砌块墙体,再浇筑构造柱混凝土。
7.3.3 小砌块砌体房屋采用芯柱做法时,应按表7.3.3的要求设置钢筋混凝土芯柱,并应满足下列要求:
1 混凝土砌块砌体墙纵横墙交接处、墙段两端和较大洞口两侧宜设置不少于单孔的芯柱。
2 有错层的多层房屋,错层部位应设置墙,墙中部的钢筋混凝土芯柱间距宜适当加密,在错层部位纵横墙交接处宜设置不少于4孔的芯柱。
3 房屋层数或高度等于或接近本规程表7.1.6中限值时,纵、横墙内芯柱间距尚应符合下列要求:
1)底部1/3楼层横墙中部的芯柱间距,6度时不宜大于2m;7、8度时不宜大于1.5m;9度时不宜大于1.0m;
2)当外纵墙开间大于3.9m时,应另设加强措施。
4 对外廊式和单面走廊式的房屋、横墙较少的房屋、各层横墙很少的房屋,尚应分别按本规程第7.3.1条第2、3、4款关于增加层数的对应要求,按表7.3.3的要求设置芯柱。
表7.3.3 小砌块砌体房屋芯柱设置要求
|
房屋层数 |
设置部位 |
设置数量 |
|||
|
6度 |
7度 |
8度 |
9度 |
||
|
≤5 |
≤4 |
≤3 |
— |
外墙转角和对应转角; 楼、电梯间四角,楼梯斜梯段上下端对应的墙体处(单层房屋除外); 大房间内外墙交接处; 错层部位横墙与外纵墙交接处; 隔12m或单元横墙与外纵墙交接处 |
外墙转角,灌实3个孔; 内外墙交接处,灌实4个孔; 楼梯斜段上下端对应的墙体处,灌实2个孔 |
|
6 |
5 |
4 |
1 |
同上; 隔开间横墙(轴线)与外纵墙交接处 |
|
|
7 |
6 |
5 |
2 |
同上; 各内墙(轴线)与外纵墙交接处; 内纵墙与横墙(轴线)交接处和洞口两侧 |
外墙转角,灌实5个孔; 内外墙交接处,灌实4个孔; 内墙交接处,灌实4个孔~5个孔:洞口两侧各灌实1个孔 |
|
— |
7 |
6 |
3 |
同上; 横墙内芯柱间距不大于2m |
外墙转角,灌实7个孔; 内外墙交接处,灌实5个孔; 内墙交接处,灌实4个孔~5个孔:洞口两侧各灌实1个孔 |
注:1 外墙转角、内外墙交接处、楼电梯间四角等部位,应允许采用钢筋混凝土构造柱替代部分芯柱;
2 当按本规程第7.3.1条第2~4款规定确定的层数超出表7.3.3范围,芯柱设置要求不应低于表中相应烈度的最高要求且宜适当提高。
7.3.4 小砌块砌体房屋的芯柱,尚应符合下列构造要求:
1 小砌块砌体房屋芯柱截面不宜小于120mm×120mm;
2 芯柱混凝土强度等级,不应低于Cb20;
3 芯柱的竖向插筋应贯通墙身且与圈梁连接;插筋不应小于1φ12,6、7度时超过5层、8度时超过4层和9度时,插筋不应小于1φ14;
4 芯柱混凝土应贯通楼板,当采用装配式钢筋混凝土楼盖
时,应采用贯通措施(图7.3.4);
5 芯柱应伸入室外地面下500mm或与埋深小于500mm的基础圈梁相连。
7.3.5 小砌块砌体房屋墙体交接处或芯柱、构造柱与墙体连接处应设置拉结钢筋网片,网片可采用直径4mm的钢筋点焊而成,沿墙高间距不大于600mm,并应沿墙体水平通长设置。6、7度时底部1/3楼层,8度时底部1/2楼层,9度时全部楼层,上述拉结钢筋网片沿墙高间距不大于400mm。

图7.3.4 芯柱贯穿楼板构造
1—芯柱插筋;2—堵头;3—1φ8;4—圈梁
7.3.6 小砌块砌体房屋各楼层均应设置现浇钢筋混凝土圈梁,不得采用槽形砌块代作模板,并应按表7.3.6的要求设置;纵墙承重时,抗震横墙上的圈梁间距应比表内要求适当加密。现浇或装配整体式钢筋混凝土楼、屋盖与墙体有可靠连接的房屋,应允许不另设圈梁,但楼板沿抗震墙体周边均应加强配筋并应与相应的构造柱、芯柱钢筋可靠连接。有错层的多层小砌块砌体房屋,在错层部位的错层楼板位置应设置现浇钢筋混凝土圈梁。
表7.3.6 小砌块砌体房屋现浇钢筋混凝土圈梁设置要求
|
墙类 |
烈 度 |
||
|
6、7度 |
8度 |
9度 |
|
|
外墙和内纵墙 |
屋盖处及每层楼盖处 |
屋盖处及每层楼盖处 |
屋盖处及每层楼盖处 |
|
内横墙 |
同上; 屋盖处间距不应大于4.5m; 楼盖处间距不应大于7.2m; 构造柱对应部位 |
同上; 各层所以横墙,且间距不应大于4.5m; 构造柱对应部位 |
同上; 各层所有横墙 |
7.3.7 圈梁除应符合现行国家标准《建筑抗震设计规范》GB 50011要求外,尚应符合下列构造要求:
1 现浇混凝土圈梁的截面宽度宜取墙宽且不应小于190mm,配筋宜符合表7.3.7的要求,箍筋直径不应小于φ6;基础圈梁的截面宽度宜取墙宽,截面高度不应小于200mm,纵筋不应少于4φ14。
表7.3.7 混凝土砌块砌体房屋圈梁配筋要求
|
配筋 |
烈 度 |
||
|
6、7度 |
8度 |
9度 |
|
|
最小纵筋 |
4φ10 |
4φ12 |
4φ14 |
|
箍筋最大间距(mm) |
250 |
200 |
150 |
2 圈梁应闭合,遇有洞口圈梁应上下搭接。圈梁宜与预制板设在同一标高处或紧靠板底。
3 圈梁在本规程第7.3.6条圈梁设置要求的间距内无横墙时,应利用梁或板缝中配筋替代圈梁。
7.3.8 多层小砌块砌体房屋的层数,6度时超过5层、7度时超过4层、8度时超过3层和9度时,在底层和顶层的窗台标高处,沿纵横墙应设置通长的水平现浇钢筋混凝土带;其截面高度不小于60mm,纵筋不少于2φ10,并应有分布拉结钢筋;其混凝土强度等级不应低于C20。
水平现浇混凝土带亦可采用槽形砌块替代模板,其纵筋和拉结钢筋不变。
7.3.9 楼梯间应符合下列要求:
1 楼梯间墙体中部的芯柱间距,6度时不宜大于2m;7、8度时不宜大于1.5m;9度时不宜大于1.Om;房屋层数或高度等于或接近本规程表7.1.6中限值时,底部1/3楼层芯柱间距宜适当减少。突出屋顶的楼梯间和电梯间,构造柱、芯柱应伸到顶部,并与顶部圈梁连接。
2 楼梯间墙体,应沿墙高每隔400mm水平通长设置φ4点焊拉结钢筋网片。
3 楼梯间及门厅内墙阳角处的大梁支承长度不应小于500mm,并应与圈梁连接。
4 装配式楼梯段应与平台板的梁可靠连接,8、9度时不应采用装配式楼梯段;不应采用墙中悬挑式踏步或踏步竖肋插入墙体的楼梯,不应采用无筋砖砌栏板。
7.3.10 小砌块砌体房屋的楼、屋盖应符合下列要求:
1 装配式钢筋混凝土楼板或屋面板,当板的跨度大于4.8m并与外墙平行时,靠外墙的预制板侧边应与墙或圈梁拉结。
2 房屋端部大房间的楼盖,6度时房屋的屋盖和7度~9度时房屋的楼、屋盖,当圈梁设在板底时,钢筋混凝土预制板应相互拉结,并应与梁、墙或圈梁拉结。
3 楼、屋盖的钢筋混凝土梁和屋架应与墙、柱(包括构造柱)或圈梁可靠连接。在梁支座处墙内不少于3个孔洞应设置芯柱。当8、9度房屋采用大跨梁或井字梁时,宜在梁支座处墙内设置构造柱;在梁端支座处构造柱和墙体的承载力,尚应考虑梁端弯矩对墙体和构造柱的影响。
4 坡屋顶房屋的屋架应与顶层圈梁可靠连接,檩条或屋面板应与墙及屋架可靠连接,房屋出入口处的檐口瓦应与屋面构件锚固;采用硬山搁檩时,顶层内纵墙顶,8度和9度时,应增砌支撑山墙的踏步式墙垛,7度时,宜增砌支撑山墙的踏步式墙垛,并设构造柱。
7.3.11 预制阳台,6、7度时应与圈梁和楼板的现浇板带可靠连接;8、9度时不应采用预制阳台。
7.3.12 小砌块砌体女儿墙高度超过0.5m时,应在墙中增设锚固于顶层圈梁构造柱或芯柱做法,构造柱间距不大于3m,芯柱间距不大于1.6m;女儿墙顶应设置压顶圈梁,其截面高度不应小于60mm,纵向钢筋不应少于2φ10。
7.3.13 同一结构单元的基础或桩承台,宜采用同一类型的基础,底面宜埋置在同一标高上,否则应增设基础圈梁并应按1:2的台阶逐步放坡。
7.3.14 丙类的多层小砌块砌体房屋,当横墙较少且总高度和层数接近或达到本规程表7.1.6规定限值,应采取下列加强措施:
1 房屋的最大开间尺寸不宜大于6.6m;
2 同一结构单元内横墙错位数量不宜超过横墙总数的1/3,且连续错位不宜多于两道;错位的墙体交接处均应增设构造柱或芯柱,且楼、屋面板应采用现浇钢筋混凝土板;
3 横墙和内纵墙上洞口的宽度不宜大于1.5m,外纵墙上洞口的宽度不宜大于2.1m或开间尺寸的一半,且内外墙上洞口位置不应影响内外纵墙与横墙的整体连接;
4 所有纵横墙均应在楼、屋盖标高处设置加强的现浇钢筋混凝土圈梁:圈梁的截面高度不宜小于150mm,上下纵筋各不应少于3φ10,箍筋不小于φ6,间距不大于300mm;
5 所有纵横墙交接处及横墙的中部,均应增设构造柱或2个芯柱,在纵、横墙内的柱距不宜大于3.0m;芯柱每孔插筋的直径不应小于18mm;构造柱截面尺寸不宜小于240mm×240mm(墙厚190mm时为240mm×190mm),配筋宜符合表7.3.14的要求;
表7.3.14 增设构造柱的纵筋和箍筋设置要求
|
位置 |
纵向钢筋 |
箍筋 |
||||
|
最大配筋率(%) |
最小配筋率(%) |
最小直径(mm) |
加密区范围(mm) |
加密区间距(mm) |
最小直径(mm) |
|
|
角柱 |
1.8 |
0.8 |
14 |
全高 |
100 |
6 |
|
边柱 |
14 |
上端700 下端500 |
||||
|
中柱 |
1.4 |
0.6 |
12 |
|||
6 同一结构单元的楼、层面板应设置在同一标高处;
7 房屋底层和顶层的窗台标高处,宜设置沿纵横墙通长的水平现浇钢筋混凝土带;其截面高度不小于60mm,宽度不小于190mm,纵向钢筋不少于3φ10,横向分布筋的直径不小于φ6且其间距不大于200mm;
8 所有门窗洞口两侧,均应设置一个芯柱,钢筋不应少于1φ12。
7.3.15 底部框架—抗震墙房屋过渡层小砌块砌体块材的强度等级不应低于MU1O,砌筑砂浆强度等级不应低于MblO。
7.3.16 过渡层墙体的构造,应符合下列要求:
1 上部抗震墙的中心线宜与底部的框架梁、抗震墙的中心线相重合;构造柱或芯柱宜与框架柱或墙贯通。
2 过渡层应在底部框架柱、混凝土墙或约束砌体墙所对应处设置构造柱或芯柱;墙体内的构造柱间距不宜大于层高;芯柱除应按本规程表7.3.3设置外,最大间距不宜大于lm。
3 过渡层构造柱的纵向钢筋,6、7度时不宜少于4φ16,8度时不宜少于4φ18。过渡层芯柱的纵向钢筋,6、7度时不宜少于每孔1φ16,8度时不宜少于每孔1φ18。一般情况下,纵向钢筋应锚入下部的框架柱或混凝土墙内;当纵向钢筋锚固在托墙梁或次梁内时,梁的相应位置应加强。
4 过渡层的小砌块墙在窗台标高处,应设置沿纵横墙通长的水平现浇钢筋混凝土带或系梁块;现浇钢筋混凝土带的截面高度不应小于60mm,宽度不应小于墙厚,纵向钢筋不应少于2φ10,横向分布筋的直径不小于6mm且其间距不大于200mm。此外,小砌块砌体墙芯柱之间沿墙高应每隔400mm设置φ4通长水平点焊钢筋网片。
5 过渡层的砌体墙,凡宽度不小于1.2m的门洞和2.1m的窗洞,洞口两侧宜增设截面不小于120mm×190mm的构造柱或单孔芯柱。
6 当过渡层的砌体抗震墙与底部框架梁、墙体不对齐时,应在底部框架内设置托墙转换梁,并且过渡层小砌块墙应采取比本条4款更高的加强措施。
7.3.17 底部框架—抗震墙房屋的楼盖应符合下列要求:
1 过渡层的底板应采用现浇钢筋混凝土板,板厚不应小于120mm;并应少开洞、开小洞,当洞口尺寸大于800mm时,洞口周边应设置边梁;
2 其他楼层,采用装配式钢筋混凝土楼板时均应设置现浇圈梁;采用现浇钢筋混凝土楼板时应允许不另设圈梁,但楼板沿抗震墙体周边均应加强配筋并应与相应的构造柱可靠连接。
7.3.18 底部框架—抗震墙房屋的钢筋混凝土托墙梁,其截面和构造应符合下列要求:
1 梁的截面宽度不应小于300mm,梁的截面高度不应小于跨度的1/lO。
2 梁上、下部纵向钢筋最小配筋率,一、二级时不应小于0.4%,三、四级时不应小于0.3%。
3 箍筋的直径不应小于10mm,间距不应大于200mm;梁端在1.5倍梁高且不小于1/5梁净跨范围内,以及上部墙体的洞口处和洞口两侧各500mm且不小于梁高的范围内,箍筋间距不应大于lOOmm。对托墙梁支承在框架梁的一端,梁端箍筋可不设置箍筋加密区;支承托墙次梁的框架梁,全跨箍筋间距不应大于lOOmm,且在托墙次梁两侧设置附加横向钢筋。
4 沿梁高应设腰筋,数量不应少于2φ14,间距不应大于200mm。
5 梁的纵向受力钢筋和腰筋应按受拉钢筋的要求锚固在柱内,且支座上部的纵向钢筋在柱内的锚固长度应符合钢筋混凝土框支梁的有关要求。
7.3.19 底部框架—抗震墙房屋的底部采用配筋小砌块砌体抗震墙时,抗震墙水平向或竖向钢筋在边框梁、柱中的锚固长度,应按现行国家标准《混凝土结构设计规范》GB 50010的规定确定。
7.3.20 底部框架—抗震墙砌体房屋的底部采用钢筋混凝土墙时,其截面和构造应符合下列要求:
1 抗震墙周边应设置梁(或暗梁)和边框柱(或框架柱)组成的边框;边框梁的截面宽度不宜小于墙板厚度的1.5倍,截面高度不宜小于墙板厚度的2.5倍;边框柱的截面高度不宜小于墙板厚度的2倍;
2 抗震墙的厚度不宜小于160mm,且不应小于墙板净高的1/20;抗震墙宜设竖缝或洞口形成若干墙段,各墙段的高宽比不宜小于2;
3 抗震墙的竖向和横向分布钢筋配筋率均不应小于0.30%,并应采用双排布置;双排分布钢筋间拉筋的间距不应大于600mm,直径不应小于6mm;
4 墙体的边缘构件可按国家标准《建筑抗震设计规范》GB 50011—2010第6.4节关于一般部位的规定设置。
7.3.21 对6度设防且层数不超过4层的底层框架—抗震墙房屋,可采用嵌砌于框架之间的小砌块抗震墙,但应计入小砌块墙对框架的附加轴力和附加剪力,并应符合下列构造要求:
1 墙厚不应小于190mm,砌筑砂浆强度等级不应低于Mb10,应先砌墙后浇框架;
2 沿框架柱每隔400mm配置φ4点焊拉结钢筋网片,并沿小砌块墙水平通长设置;在墙体半高处尚应设置与框架柱相连的钢筋混凝土水平系梁,系梁截面不应小于190mm×190mm,纵筋不应小于4φ12,箍筋直径不应小于φ6,间距不应大于200mm;
3 墙体在门、窗洞口两侧应设置芯柱;墙长大于4m时,应在墙内增设芯柱,芯柱应符合本规程第7.3.4条的有关规定;其余位置,宜采用钢筋混凝土构造柱替代芯柱,钢筋混凝土构造柱应符合本规程第7.3.2条的有关规定。
7.3.22 底部框架—抗震墙房屋的框架柱应符合下列要求:
1 柱的截面不应小于400mm×400mm,圆柱直径不应小于450mm;
2 柱的轴压比,6度时不宜大于0.85,7度时不宜大于0.75,8度时不宜大于0.65;
3 柱的纵向钢筋最小总配筋率,当钢筋的强度标准值低于400MPa时,中柱在6、7度时不应小于0.9%,8度时不应小于1.1%;边柱、角柱和混凝土抗震墙端柱在6、7度时不应小于1.0%,8度时不应小于1.2%;
4 柱的箍筋直径,6、7度时不应小于8mm,8度时不应小于10mm,并应全高加密箍筋,间距不应大于100mm;
5 柱的最上端和最下端组合的弯矩设计值应乘以增大系数,一、二、三级的增大系数应分别按1.5、1.25和1.15采用。
7.3.23 底部框架—抗震墙房屋的其他抗震构造措施,应符合现行国家标准《建筑抗震设计规范》GB 50011的有关要求。
7.3.24 配筋小砌块砌体抗震墙的水平和竖向分布钢筋应符合表7.3.24—1和表7.3.24—2的要求。
表7.3.24-1 配筋小砌块砌体抗震墙水平分布钢筋的配筋构造要求
|
抗震等级 |
最小配筋率(%) |
最大间距 (mm) |
最小直径 (mm) |
|
|
一般部位 |
加强部位 |
|||
|
一级 |
0.13 |
0.15 |
400 |
φ8 |
|
二级 |
0.13 |
0.13 |
600 |
φ8 |
|
三级 |
0.11 |
0.13 |
600 |
φ8 |
|
四级 |
0.10 |
0.10 |
600 |
φ6 |
注;1 9度时配筋率不应小于0.2%;
2 水平分布钢筋宜双排布置,在顶层和底部加强部位,最大间距不应大于400mm;
3 双排水平分布钢筋应设不小于φ6拉结筋,水平间距不应大于400mm。
表7.3.24—2 配筋小砌块砌体抗震墙竖向分布钢筋的配筋构造要求
|
抗震等级 |
最小配筋率 (%) |
最大间距 (mm) |
最小直径 (mm) |
|
|
一般部位 |
加强部位 |
|||
|
一级 |
0.15 |
0.15 |
400 |
φ12 |
|
二级 |
0.13 |
0.13 |
600 |
φ12 |
|
三级 |
0.11 |
0.13 |
600 |
φ12 |
|
四级 |
0.10 |
0.10 |
600 |
φ12 |
注:1 9度时配筋率不应小于0.2%;
2 竖向分布钢筋宜采用单排布置,直径不应大于25mm;
3 在顶层和底部加强部位,最大间距应适当减小。
7.3.25 配筋小砌块砌体抗震墙在重力荷载代表值作用下的轴压比,应符合下列要求:
1 一级(9度)不宜大于0.4,一级(7、8度)不宜大于0.5,二、三级不宜大于0.6。
2 短肢墙体全高范围,一级不宜大于0.5,二、三级不宜大于0.6;对于无翼缘的一字形短肢墙,其轴压比限值应相应降低0.1。
3 各向墙肢截面均为3b<h<5b的小墙肢,一级不宜大于0.4,二、三级不宜大于0.5,其全截面竖向钢筋的配筋率在底部加强部位不宜小于1.2%,一般部位不宜小于1.0%。对于无翼缘的一字形独立小墙肢,其轴压比限值应相应降低0.1。
4 多层房屋(总高度小于等于18m)的短肢墙及各向墙肢截面均为3b<h<5b的小墙肢的全部竖向钢筋的配筋率,底部加强部位不宜小于1%,其他部位不宜小于0.8%。
7.3.26 配筋小砌块砌体抗震墙墙肢端部应设置边缘构件(图7.3.26)。构造边缘构件的配筋范围:无翼墙端部为3孔配筋,“L”形转角节点为3孔配筋,“T”形转角节点为4孔配筋,其最小配筋应符合表7.3.26的要求,边缘构件范围内应设置水平箍筋。底部加强部位的轴压比,一级大于0.2和二、三级大于0.3时,应设置约束边缘构件,约束边缘构件的范围应沿受力方向比构造边缘构件增加1孔,水平箍筋应相应加强,也可采用钢筋混凝土边框柱。

图7.3.26 配筋小砌块砌体抗震墙的构造边缘构件
1一水平箍筋;2一芯柱区;3—芯柱纵筋(3孔);4—拉筋
表7.3.26 配筋小砌块砌体抗震墙边缘构件的配筋要求
|
抗震等级 |
每孔竖向钢筋最小量 |
水平箍筋 最小直径 |
水平箍筋 最大间距 (mm) |
|
|
底部加强部位 |
一般部位 |
|||
|
一级 |
1φ20 |
1φ18 |
φ8 |
200 |
|
二级 |
1φ18 |
1φ16 |
φ6 |
200 |
|
三级 |
1φ16 |
1φ14 |
φ6 |
200 |
|
四级 |
1φ14 |
1φ12 |
φ6 |
200 |
注:1 边缘构件水平箍筋宜采用搭接点焊网片形式;
2 当抗震等级为一、二、三级时,边缘构件箍筋应采用不低于HRB335级或RRB335级钢筋;
3 二级轴压比大于0.3时,底部加强部位边缘构件的水平箍筋最小直径不应小于φ8;
4 约束边缘构件采用混凝土边框柱时,应符合相应抗震等级的钢筋混凝土框架柱的要求。
7.3.27 宜避免设置转角窗,否则,转角窗开间相关墙体尽端边缘构件最小纵筋直径应比本规程表7.3.26的规定值提高一级,且转角窗开间的楼、屋面应采用现浇钢筋混凝土楼、屋面板。
7.3.28 配筋小砌块砌体抗震墙内钢筋的锚固和搭接,应符合下列要求:
1 配筋小砌块砌体抗震墙内竖向和水平分布钢筋的搭接长度不应小于48倍钢筋直径,竖向钢筋的锚固长度不应小于42倍钢筋直径;
2 配筋小砌块砌体抗震墙的水平分布钢筋,沿墙长应连续设置,两端的锚固应符合下列规定:
1)一、二级的抗震墙,水平分布钢筋可绕主筋弯180°弯钩,弯钩端部直段长度不宜小于12d;水平分布钢筋亦可弯入端部灌孔混凝土中,锚固长度不应小于30d,且不应小于250mm;
2)三、四级的抗震墙,水平分布钢筋可弯入端部灌孔混凝土中,锚固长度不应小于25d,且不应小于200mm。
7.3.29 配筋小砌块砌体抗震墙连梁的构造,当采用混凝土连梁时,应符合本规程第6.4.13条的规定和《混凝土结构设计规范》GB 50010中有关地震区连梁的构造要求;当采用配筋小砌块砌体连梁时,除符合第6.4.14条的规定以外,尚应符合下列要求:
1 连梁上下水平钢筋锚入墙体内的长度,一、二级不应小于1.15倍锚固长度,三级不应小于1.05倍锚固长度,四级不应小于锚固长度,且不应小于600mm。
2 连梁的箍筋应沿梁长布置,并应符合表7.3.29的要求:
表7.3.29 连梁箍筋的构造要求
|
抗震等级 |
箍筋最大间距(mm) |
直径 |
|
一级 |
75 |
φ10 |
|
二级 |
100 |
φ8 |
|
三级 |
120 |
φ8 |
|
四级 |
150 |
φ8 |
注:当梁端纵筋配筋率大于2%时,表中箍筋最小直径应加大2mm。
3 顶层连梁在伸入墙体的纵向钢筋长度范围内应设置间距不大于200mm的构造封闭箍筋,其规格和直径与该连梁的箍筋相同。
4 墙体水平钢筋应作为连梁腰筋在连梁拉通连续配置。当连梁截面高度大于700mm时,自梁顶面下200mm至梁底面上200mm范围内应设置腰筋,其间距不应大于200mm;每皮腰筋数量,一级不小于2φ12,二级~四级不小于2φ10;对跨高比不大于2.5的连梁,梁两侧腰筋的面积配筋率不应小于0.3%;腰筋伸入墙体内的长度不应小于30d,且不应小于300mm。
5 连梁不宜开洞,当必须开洞时应满足下列要求:
1)在跨中梁高1/3处预埋外径不应大于200mm的钢套管;
2)洞口上下的有效高度不应小于1/3梁高,且不应小于200mm;
3)洞口处应配补强钢筋并在洞周边浇筑灌孔混凝土,被洞口削弱的截面应进行受剪承载力验算。
6 对于跨高比不小于5的连梁宜按框架梁设计,计算时其刚度不应按连梁方法折减;短肢墙的剪力增大系数应满足本规程表7.2.14的规定。
7.3.30 配筋小砌块砌体抗震墙的圈梁构造,应符合下列要求:
1 在基础及各楼层标高处,每道配筋小砌块砌体抗震墙均应设置现浇钢筋混凝土圈梁,圈梁的宽度不应小于墙厚,其截面高度不宜小于200mm;
2 圈梁混凝土抗压强度不应小于相应灌孔混凝土的强度,且不应小于C20;
3 圈梁纵向钢筋不应小于相应配筋砌体墙的水平钢筋,且不应小于4φ12;基础圈梁纵筋不应小于4φ12;圈梁及基础圈梁箍筋直径不应小于φ8,间距不应大于200mm;当圈梁高度大于300mm时,应沿梁截面高度方向设置腰筋,其间距不应大于200mm,直径不应小于10mm;
4 圈梁底部嵌入墙顶小砌块孔洞内,深度不宜小于30mm;圈梁顶部应是毛面。
7.3.31 配筋小砌块砌体抗震墙房屋的基础(或钢筋混凝土框支梁)与抗震墙结合处的受力钢筋,当房屋高度超过50m或一级抗震等级时宜采用机械连接,其他情况可采用搭接。当采用搭接时,一、二级抗震等级时搭接长度不宜小于50d,三、四级抗震等级时不宜小于40d(d为受力钢筋直径)。
7.3.32 部分框支配筋小砌块砌体抗震墙结构中底部加强区配筋小砌块砌体墙的水平及竖向分布钢筋最小配筋率,不应小于0.13%,多层不应小于0.10%,最大间距不应大于400mm。
7.3.33 部分框支配筋小砌块砌体抗震墙结构中混凝土部分的设计尚应符合现行国家标准《混凝土结构设计规范》GB 50010、《建筑抗震设计规范》GB 50011的相关要求。
7.3.34 总层数8层及以上或高度超过24m的部分框支配筋小砌块砌体抗震墙结构房屋,其混凝土部分的设计尚应符合现行行业标准《高层建筑混凝土结构技术规程》JGJ 3的相关要求。