PLC
教 学 设 计
课程全程贯穿教学做相结合的教学理论,课堂上讲解与演示相结合,“我教”与“你做”相结合,在讲解、演示某一模块的基础知识和操作方法后,让学生自己做一遍,并加以总结;在此基础上,提出进一步要求,让学生独立完成后续的调试过程,老师再予以总结提炼,如此不断反复循环,层层递进,改“抱着走”为“拉着走”直至“自己走”,充分调动学生自主学习的积极性。
全书配有四个综合实训项目,以项目教学法为中心,主要培养自主学习能力、职业能力、团结协作能力和创新能力。选择中小规模的实际工程项目案例作为设计任务,全班学生分成若干组,将自主策划、任务分解、“教、学、做”和总结有机结合。在实施过程中,尽量模拟企业真实工作环境和氛围,使学生在校就感受到企业的真实情况,体验到企业的氛围,更好地学以致用。将传统的“学生”和“教师”的角色转换为企业的“员工”与“车间主任或部门经理”,层层负责制,让学生有企业工作的真实情景感。
模块一 常用低压电器
一、教学目标
1(知识目标: 熟悉常用 低压 电器的结构、工作原理、用途及主要参数
2(能力目标: 能正确选用、安装、检测和维修常用 低压 电器。
二、教学内容
1. 低压电器的基本知识
2. 接触器
3. 继电器
4. 熔断器
5. 断路器
6. 主令电器
三、教学重点和难点
重点:每种电器作用、结构、工作原理。
难点:保护电器和控制电器的使用
四、教学方法与手段
本模块主要介绍常用的开关电器、主令电器、接触器、继电器、断路器、熔断器的作用、结构、工作原理、主要参数及图形符号。适合采用多媒体教学和理实一体化教学,用实物图片来演示低压电气及其图形符号,并在课堂上展示实物,采用“演示法”这种形象直观的教学手段和方法,设法提高学生学习的积极性和主动性,使其对本模块介绍的电器留下深刻的印象。
根据教学要求,突出重点,突破难点,运用行动导向教学中的案例、启发式、大脑风暴法等教学方法,方法具体应用举例如下:
(1)了解电器的结构,如了解接触器,运用实物讲解,通过对接触器进行拆装,并利用摄像投影图片,再要求学生把拆下的零件与图片进行对照,并说出它们的名称,加深了印象,这样就可以快速记住接触器,根本不用死记硬背。
(2)理解电器的工作原理,取一个CJl0-20,380V的接触器,把接触器的线圈两
”的一声,接触器衔铁被吸合,带动触点动作;一断端加上电压,此时立刻听到“啪
开电源,又“啪”的一声,接触器触点很快复位,关键是让学生仔细观察刚才接触器的动作顺序,然后用贴切的话描述出接触器的动作过程,工作原理就很自然地写出来了。
(3)掌握图形符号、文字代号,是为模块二学习控制线路打下基础,必须在课堂内要掌握。了解电器的主要技术参数,进行对低压电器的选用,这是本章的关键点,要求学生必须掌握的内容,也是学生解决实际问题的能力反映。
(4)实训教学——低压电器的拆装。首先进行现场教学:组织学生到校内机加工车间进行现场观摩,通过现场操作和观摩实际电控柜,让学生进行体验性学习,对电控柜内的元器件外形、安装、布线及机电结合留下深刻印象,有助于学生理解本课程的理论知识和技术应用,开阔了眼界,感受真实的职业环境。然后回到低压电器拆装实训室,通过边讲边做、讲练结合的方式,将理论与操作有机结合。在讲练过程中,以电气安装、检测、维修岗位技术员的角色进行情境体验。
五、学习方法
在学习本模块时,在对各种低压电气有感性认识后,应着重了解每种电气的作用、结构和原理,并了解其常见故障及处理方法。宜采用“操作实践法”的学习方法,在
相关实训课中巩固所学内容。
六、授课程序
通过实际工程 案例( 水塔供水的控制) 引入 相关实践性知识——元器件介绍 。 首先讲解低压电气的基本知识,然后用多媒体或实物逐个演示各种常用低压电气的图形,演示的同时讲解其作用、结构和原理,使学生熟练掌握所将知识,最后布置作业题使学生巩固本模块内容。
本模块安排1-2次实训(多学时安排2次),通过拆装和检测电器,熟悉接触器、继电器的结构,了解其动作原理,掌握低压电器检测与维修。
教 案

模块一
1(低压电器的基本知识 课 题 授课时数 3 2(接触器
1(了解低压电器的基本知识
教学目标 2(能熟练掌握接触器的功能、符号、常用型号、技术参数及
其使用方法
教学重点 接触器的功能、符号及其使用方法
教学难点 接触器的技术参数、交流接触器的短路环
案例、启发互动式等教学方法 教学方法 理实一体化教学,边讲边做、讲练结合 教学手段 多媒体课件; 器件展示:接触器;现场观摩 课外作业 1-1、1-4
教学过程:
案例引入:水塔供水的控制
*人工控制
1. 控制原理图——从日常用电启发

2(原理与特点说明—— 一起讨论 提问:人工控制的缺点,
*自动控制——怎样实现, 大脑风暴法 , 接触器控制
*相关实践性知识——元器件介绍
一、低压电器的基础知识
凡是对电能的生产、输送、分配和使用起控制、调节、检测、转换及保护作用的电
工器械均可称为电器。用于交流1200V以下、直流1500V以下电路,起通断、控制、保护与调节等作用的电器称为低压电器。
1. 低压电器的分类
1)按电器的动作性质分
?手动电器 人操作发出动作指令的电器,例如刀开关、按钮等。
?自动电器 不需人工直接操作,按照电的或非电的信号自动完成接通、分断电路任务的电器,例如接触器、继电器、电磁阀等。
2)按用途分
?控制电器 用于各种控制电路和控制系统的电器,例如接触器、继电器、电动机起动器等。
?配电电器 用于电能的输送和分配的电器,例如刀开关、低压断路器等。
?主令电器 用于自动控制系统中发送动作指令的电器,例如按钮、转换开关等。
?保护电器 用于保护电路及用电设备的电器,例如熔断器、热继电器等。
?执行电器 用于完成某种动作或传送功能的电器,例如电磁铁、电磁离合器等。
3)按工作原理分
?电磁式电器 依据电磁感应原理来工作的电器。如交直流接触器、各种电磁式继电器等。
?非电量控制电器 电器的工作是靠外力或某种非电物理量的变化而动作的电器。如刀开关、速度继电器、压力继电器、温度继电器等。
2. 电磁式电器
电磁式电器类型很多,从结构上看大都由两个基本部分组成,即:感测部分和执行
部分。1)电磁机构
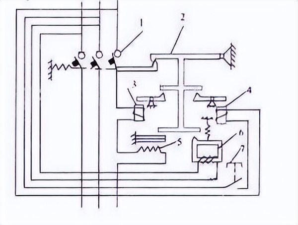
电磁机构又称为磁路系统,其主要作用是将电磁能转换为机械能并带动触头动作从而接通或断开电路。电磁机构的结构形式如图1-1。
电磁机构由动铁芯(衔铁)、静铁芯和电磁线圈三部分组成,其工作原理是,当电磁线圈通电后,线圈电流产生磁场,衔铁获但足够的电磁吸力,克服弹簧的反作用力与静铁芯吸合。

图1-1 电磁机构的结构形式
(a)、(d)螺管式 (c)、(f)、(g)转动式 (b)、(e)直动式
还应指出,在交流电磁机构中,为避免因线圈中交流电流过零时,磁通过零,造成衔铁抖动,需在交流电磁机构铁心的端部开槽,嵌入一个铜短路环,以消除振动,确保
衔铁的可靠吸合。


图1-2 交流电磁铁的短路环 图1-3 触头的结构形式
1-衔铁2-铁芯3-线圈4-短路环
2)触头系统
触头是有触点电器的执行部分,通过触头的闭合、断开控制电路通、断。触头的结构形式有桥式触头和指式触头两种。
3)灭弧系统
电弧:开关电器切断电流电路时,触头间电压大于10V,电流超过80mA时,触头间会产生蓝色的光柱,即电弧。
电弧的危害:延长了切断故障的时间;电弧的高温能将触头烧损;高温引起电弧附近电气绝缘材料烧坏;形成飞弧造成电源短路事故。
灭弧措施:吹弧、拉弧、长弧割短弧、多断口灭弧、利用介质灭弧、改善触头表面材料。常采用灭弧罩、灭弧栅和磁吹灭弧装置。

图1-4 灭弧装置 a) 双断口灭弧 b) 灭弧罩 c) 灭弧栅
二、 接触器
接触器是机床电气控制系统中使用量大、涉及面广的一种低压控制电器,用来频繁地接通和分断交直流主回路和大容量控制电路。主要控制对象是电动机,能实现远距离控制,并具有欠(零)电压保护。
1.结构和工作原理
接触器主要由电磁系统、触头系统和灭弧装置组成,外形和结构简图如图1-5所示。
电磁系统:电磁系统包括动铁芯(衔铁)、静铁芯和电磁线圈三部分组成,其作用是将电磁能转换成机械能,产生电磁吸力带动触头动作。
触头系统:触头又称为触点,是接触器的执行元件,用来接通或断开被控制电路。触头的结构形式很多,按其所控制的电路可分为主触头和辅助触头。主触头用于接通或断开主电路,允许通过较大的电流;辅助触头用于接通或断开控制电路,只能通过较小的电流。
触头按其原始状态可分为常开触头(动合触点)和常闭触头(动断触点)。原始状态时(即线圈未通电)断开,线圈通电后闭合的触头叫常开触头;原始状态时闭合,线圈
通电后断开的触头叫常闭触头。线圈断电后所有触头复位,即恢复到原始状态。
灭弧装置:在分断电流瞬间,触头间的气隙中会产生电弧,电弧的高温能将触头烧损,并可能造成其它事故。因此,应采用适当措施迅速熄灭电弧。常采用灭弧罩、灭弧栅和磁吹灭弧装置。
工作原理:接触器根据电磁工作原理,当电磁线圈通电后,线圈电流产生磁场,使静铁心产生电磁吸力吸引衔铁,并带动触头动作,使常闭触头断开,常开触头闭合,两者是联动的。当电磁线圈断电时,电磁力消失,衔铁在释放弹簧的作用下释放,使触头复原,即常开触头断开,常闭触头闭合。接触器的图形符号、文字符号如图1-5(b)所示。

图1-5 接触器结构、图形、文字符号
2.交、直流接触器的特点
接触器按其主触头所控制主电路电流的种类可分为交流接触器和直流接触器。
1)交流接触器
交流接触器线圈通以交流电,主触头接通、分断交流主电路。
当交变磁通穿过铁芯时,将产生涡流和磁滞损耗,使铁芯发热。为减少铁损,铁芯用硅钢片冲压而成。为便于散热,线圈做成短而粗的圆筒状绕在骨架上。为防止交变磁通使衔铁产生强烈振动和噪声,交流接触器铁芯端面上都安装一个铜制的短路环。交流接触器的灭弧装置通常采用灭弧罩和灭弧栅。
2)直流接触器
直流接触器线圈通以直流电流,主触头接通、切断直流主电路。
直流接触器铁芯中不产生涡流和磁滞损耗,所以不发热,铁芯可用整块钢制成。为保证散热良好,通常将线圈绕制成长而薄的圆筒状。直流接触器灭弧较难,一般采用灭弧能力较强的磁吹灭弧装置。
3.接触器型号及主要技术指标1)型号意义
2)主要技术指标
额定电压
交流接触器:127、220、380、500V
直流接触器:110、220、440V额定电流
交流接触器:5、10、20、40、60、100、150、250、400、600A 直流接触器:40、80、100、150、250、400、600A
吸引线圈额定电压交流接触器:36、110(127)、220、380V 直流接触器:24、48、220、440V
4.接触器的使用选择原则
选择接触器时应从其工作条件出发,主要考虑下列因素:
?控制交流负载应选用交流接触器;控制直流负载选用直流接触器。
?接触器的使用类别应与负载性质相一致。
?主触头的额定工作电压应大于或等于负载电路的电压。
?主触头的额定工作电流应大于或等于负载电路的电流。还要注意的是接触器主触头的额定工作电流是在规定条件下(额定工作电压、使用类别、操作频率等)能够正常工作的电流值,当实际使用条件不同时,这个电流值也将随之改变。
对于电动机负载可按下列经验公式计算:
PNI , CKUN
式中:I为接触器主触点电流(A);P为电动机额定功率(kW);U为电动机的额定CNN
K 电压(V);为经验系数,一般取1,1.4。
?吸引线圈的额定电压应与控制回路电压相一致,接触器在线圈额定电压85,及以上时才能可靠地吸合。
?主触头和辅助触头的数量应能满足控制系统的需要。
教 案

模块一
课 题 继电器 授课时数 3
1(能熟练陈述热继电器、电磁式继电器、时间继电器和速度教学目标 继电器的功能、符号、常用型号,掌握其使用方法
2(了解固态继电器的基本知识
教学重点 热继电器、电磁式继电器、时间继电器的符号及其使用方法 教学难点 时间继电器的工作原理
启发式、大脑风暴法等教学方法 教学方法 理实一体化教学,边讲边做、讲练结合
多媒体课件及模型; 器件展示与演示:中间继电器、时间继教学手段 电器;电脑、投影仪
课外作业 1-2、1-3
教学过程:
三、继电器
1.电磁式继电器
1)电流继电器
电流继电器的线圈串接在被测量的电路中,以反映电路电流的变化。为了不影响电路工作情况,电流继电器线圈匝数少,导线粗,线圈阻抗小。
电流继电器有欠电流继电器和过电流继电器两类。
在机床电气控制系统中,电流继电器主要根据主电路内的电流种类和额定电流来选择。
2)电压继电器
电压继电器的结构与电流继电器相似,不同的是电压继电器线圈为并联的电压线圈,所以匝数多、导线细、阻抗大。
3)中间继电器
中间继电器实质上是电压继电器的一种,它的触点数多(有六对或更多),触点电流容量大,动作灵敏。其主要用途是当其它继电器的触点数或触点容量不够时,可借助中间继电器来扩大它们的触点数或触点容量,从而起到中间转换的作用。
电磁式继电器的图形符号一般是相同的,如图1-7所示。

图1-7 电磁式继电器的图形、文字符号
2.时间继电器
时间继电器是一种用来实现触点延时接通或断开的控制电器,按其动作原理与构造不同,可分为电磁式、空气阻尼式、电动式和晶体管式等类型。机床控制线路中应用较多的是空气阻尼式时间继电器,目前晶体管式时间继电器也获得了愈来愈广泛的应用。
1)空气阻尼式时间继电器
2)晶体管式时间继电器
晶体管式时间继电器具有延时范围广、体积小、精度高、调节方便及寿命长等优点,所以发展快,应用广泛。
时间继电器的图形符号如图1-9所示,文字符号为KT。

图1-10 时间继电器的图形符号

3.热继电器
1)热继电器的结构及工作原理
热继电器是利用电流的热效应原理来保护设备,使之免受长期过载的危害,主要用于电动机的过载保护、断相保护、三相电流不平衡运行的保护及其他电气设备发热状态的控制。
2)热继电器的使用与选择
热继电器的选择主要根据电动机的额定电流来确定热继电器的型号及热元件的额定电流等级。
4.速度继电器
速度继电器根据电磁感应原理制成的,用于转速的检测,如用来在三相交流异步电动机反接制动转速过零时,自动断开反相序电源。速度继电器常用于铣床和镗床的控制电路中。图1-13为其外形、结构和符号图。

(a) 外形 (b)结构 (c)符号
图1-13 速度继电器外形、结构和符号图
速度继电器的动作转速一般不低于120r/min,复位转速约在100r/min以下,工作时,允许的转速高达1000,3600r/min。
速度继电器的图形符号如图图1-13(c)所示,文字符号为KS。
5.固态继电器
固态继电器(Solid State Relay)简称SSR,是70年代中后期发展起来的一种新型无触点继电器。固态继电器是具有两个输入端和两个输出端的一种四端器件,其输入与输出之间通常采用光电耦合器隔离,并称其为全固态继电器。
图1-14所示为用固态继电器控制三相感应电动机线路图。

图1-14 固态继电器控制三相感应电动机
教 案

模块一
4(熔断器
课 题 5(低压断路 器 授课时数 3
6( 主令电器
能熟练掌握按钮、闸刀开关、铁壳开关、低压断路器、熔断器、教学目标 组合开关、万能转换开关、行程开关等低压电器的作用、型号
与参数的意义
按钮、低压断路器、熔断器、组合开关、行程开关等低压电器教学重点 的作用和符号
教学难点 低压断路器的动作原理、万能转换开关的接线
启发互动式等教学方法 教学方法 理实一体化教学,边讲边做、讲练结合
多媒体课件; 器件展示:闸刀开关、铁壳开关、低压断路器、教学手段 熔断器、组合开关、万能转换开关;现场观摩行程开关的作
用
课外作业 1-8、1-12
教学过程:
四、 熔断器
1.结构与用途
熔断器的结构一般分成熔体座和熔体等部分。熔断器是串联连接在被保护电路中的,当电路电流超过一定值时,熔体因发热而熔断,使电路被切断,从而起到保护作用。熔体的热量与通过熔体电流的平方及持续通电时间成正比,当电路短路时,电流很大,熔体急剧升温,立即熔断,当电路中电流值等于熔体额定电流时,熔体不会熔断。所以熔断器可用于短路保护。
2.类型
3.熔断器的选择
五、低压开关和低压断路器
1.闸刀开关
1)闸刀开关的作用
闸刀开关是一种手动配电电器。主要用来隔离电源或手动接通与断开交直流电路,也可用于不频繁的接通与分断额定电流以下的负载,如小型电动机、电炉等。
2)外型与结构
3)闸刀开关技术参数与选择
4)使用闸刀开关时的注意事项
2(铁壳开关
铁壳开关也称封闭式负荷开关,它有安装在铸铁或钢板制成的外壳内的刀式触头和灭弧系统、熔断器以及操作机构等组成。
3(低压断路器
1)低压断路器的用途
低压断路器又称自动空气开关。分为框架式DW系列(又称万能式)和塑壳式DZ系列(又称装置式)两大类。主要在电路正常工作条件下作为线路的不频繁接通和分断用,并在电路发生过载、短路及失压时能自动分断电路。
2)DZ系列断路器的结构和工作原理
断路器由触头系统、灭弧室、传动机构和脱扣机构几部分组成。如图1-18所示。

图1-18 DZ系列断路器结构图
3)漏电断路器
六、主令电器
自动控制系统中用于发送控制指令的电器称为主令电器。常用的主令电器有控制按钮、行程开关、接近开关、万能开关等几种。
1.控制按钮
控制按钮通常用作短时接通或断开小电流控制电路的开关。控制按钮是由按钮帽、复位弹簧、桥式触点和外壳等组成。通常制成具有常开触点和常闭触点的复合式结构。
2(转换开关(组合开关)和万能转换开关
1) 组合开关
转换开关实质上是一种特殊刀开关,是操作手柄在与安装面平行的平面内左右转动的刀开关。只不过一般刀开关的操作手柄是在垂直安装面的平面内向上或向下转动,而组合开关的操作手柄则是平行于安装面的平面内向左或向右转动而已。多用在机床电气控制线路中,作为电源的引入开关,也可以用作不频繁地接通和断开电路、换接电源和负载以及控制5KW以下的小容量电动机的正反转和星三角起动等。
2)万能转换开关
比组合开关有更多的操作位置和触点、能够接多个电路的一种手动控制电器。由于它的档位多、触点多,可控制多个电路,能适应复杂线路的要求,图1-24是LW12万能转换开关外形图,它是有多组相同结构的触点叠装而成,在触头盒的上方有操作机构。由于扭转弹簧的储能作用,操作呈现了瞬时动作的性质,故触头分断迅速,不受操作速度的影响。
同操作位置的各对触点通断状态与触点下方或右侧对应,规定用于虚线相交位置上的涂黑圆点表示接通,没有涂黑圆点表示断开。另一种是用触点通断状态表来表示,表中以“+”(或“ ? ”)表示触点闭合,“—”(或无记号)表示分断。组合开关的文字符号:SA
3.行程开关
行程开关用来反映工作机械的位置变化(行程),用以发出指令,改变电动机的工作状态。如果,把行程开关安装在工作机械行程的终点处,以限制其行程,就称为限位开关或终端开关。它不仅是控制电器,也是实现终端保护的保护电器。
1) 直动式行程开关
2)微动开关
3)滚轮旋转式行程开关
行程开关的符号:

图1-27 行程开关和接近开关的符号
4.接近开关
为了克服有触点行程开关可靠性较差,使用寿命短和操作频率低的缺点,采用了无触点式行程开关,也叫电子接近开关。接近开关外形结构多种多样,电子电路装调后用环氧树脂密封,具有良好的防潮防腐性能。它能无接触又无压力地发出检测信号,
又具有灵敏度高,频率响应快,重复定位精度高,工作稳定可靠、使用寿命长等优点。
在自动控制系统中已获得广泛应用。
教 案

模块一
课 题 实训一 低压电器的拆装 授课时数 3
1(熟悉接触器、继电器的结构,了解其动作原理 教学目标
2(了解交流接触器与继电器结构上的区别及使用方法 教学重点 交流接触器的拆装
教学难点 接触器在运行中产生很大噪声的原因分析
教学方法 现场教学、讨论式、讲练结合、情境体验、自评互评 教学手段 多媒体演示; 实物操作实践
课外作业 实训报告
教学过程:
一、实训要求与步 骤
1(纪律要求
实验期间必须穿工作服(或学生服)、胶底鞋;注意安全、遵守实习纪律,做到有事请假,不得无故不到或随意离开;实验过程中要爱护实验器材,节约用料。 2(工艺要求
(1)检验器材质量
在不通电的情况下,用万用表或肉眼检查各元器件各触点的分合情况是否良好,器件外部是否完整无缺;检查的螺丝是否完好,是否滑丝;检查接触器的线圈电压与电源电压是否相符。
(2)拆装电器元件
交流接触器、中间继电器
(3)自检
?检查万用表的电阻档是否完好、表内电池能量是否充足;
?手动检查各活动部件是否灵活,固定部分是否松动,线圈阻值是否正确; ?通电检查各触点压力是否符合要求,声音是否正常;
(4)通电试验
通电前必须自检无误并征得指导教师的同意,通电时必须有指导教师在场方能进行。在操作过程中应严格遵守操作规程以免发生意外。
3(实验报告
实验过程中应认真学习实验教材和其他参考材料,认真完成指导教师布置的作业,实验完成后每位学生应写一份实验报告。
二、考核标准
(1)不知道电器的基本名称,每个扣5分。
(2)不了解型号的意义,每个扣2分。
(3)万用表使用不正确,每次扣5分。
(4)拆装电器元件不正确,每次扣5分。
(5)通电试验不成功,扣10分。
(6)回答问题时,错一处,扣5分。
(7)不遵守安全文明生产规章,每次扣5分。
教 学 设 计
模块二 控制电路基本环节
一、教学目标
1(知识目标: 熟悉电气原理图画法规则和读图法;熟练掌握机床控制电路的基本环节
2(能力目标:能正确绘制和阅读电气控制系统图;具有不太复杂的电气控制线路分析和安装接线能力
二、教学内容
1(电气控制系统图的基本知识
2(三相异步电动机全压起动控制
3(三相异步电动机降压起动控制
4(三相异步电动机的制动控制线路
5(其他典型控制环节
6(电动机控制的保护环节
三、教学重点和难点
重点:各种电动机的起动、正反、制动等控制线路
难点:画出各种控制线路,并分析线路的工作原理
四、教学方法与手段
本模块内容主要是各种电动机的起动、制动等控制线路,理论性较强,基本概念多且抽象难懂,信息量大,适合采用多媒体教学和示教板演示教学。采用启发互动式教学方法,启迪学生的思维,训练思维技巧,在授课的过程中,应注意深入浅出,设法提高学生学习的积极性。综合实训项目采用项目驱动法。
对本模块内容我们要求学生熟练掌握三相异步电动机的基本控制线路,并且做到快速默画出控制线路,为什么提出这样的要求?答案很简单,如漂亮的积木,小小的,形状各异,很不起眼,但根据不同的积木进行组合,可以搭出非常漂亮的积木图案,同样,老师提出这样的要求,便于学生掌握方法,一张不论简单还是复杂的电路原理图,都是由一个一个既简单又最基本的控制线路组合而成;另一目的就是教学生学会
设计,并且把三相异步电动机控制线路的设计如何自然地融入日常的教学中。教学方法具体应用举例如下:
(1)掌握控制线路的分析。从简单到复杂,逐步深入,如分析具有自锁正转控制线路。先引入点控制线路,然后由学生讨论,为什么会出现不连续的原因?关键在于没有给接触器线圈以持续通电的机会。所以解决的办法是在按钮两端并联辅助触点克服了点动控制,但控制线路又出现了不能停车的现象,因此必须要加入停止按钮。控制功能满足了要求,再让学生去思考电路是否已经好了,稍后提示从加强保护功能角度出发考虑问题。短路保护、过载保护、欠压、失压保护是否齐全了,连续运转的电动机需要过载保护,所以控制线路还要加人热继电器,问题到此解决好了。这样的*法讲**,一是起到承上启下的作用,二是启发学生如何去开发设计的思路,挖掘学生的潜能,把“设计”这个学生认为不可能做到的难题融人了平时的教学之中,并且教师还可以采用压缩的方法,把基本的控制线路进行归纳,使得学生不用花费很多的时间去记忆各个独立的控制线路。当第二章节的控制线路内容讲解好了,学生对设计也有一个深层次的了解,教师的关键任务是教会学生的设计思路,慢慢地培养学生的设计能力。
(2)工作原理分析。如何解决工作原理分析,突破“死记硬背”。例如,正转控制线路原理的分析。方法是按图装接线路,这样通过实物操作按钮,观察到接触器的动作,电动机的真正转动,教师只要稍加引导就很快掌握了工作原理。因为启动时,首先是按下启动按钮,接触器得电吸合,带动触点动作,主触头与自锁触头同时闭合,最后使电动机转动。松开按钮,接触器仍然吸合电动机持续运转(注:此时断开自锁触点一端引线,就可以看到点动,让学生体会点动与自锁的区别根本所在)。按下停止按钮,接触器线圈断电,主触头断开,自锁触点断开,电动机停止转动。根据刚才看到的现象或结合电原理图用同样分析方法说出工作原理,用少量的文字和箭头把它描述出来,控制线路的工作原理很快即写出来。
(3)如何培养学生的设计能力。例如三相异步电动机的正反转控制线路,设计步骤如下:第一,画出一个正转控制线路。第二,再画一个正转控制线路。第三,利用三相异步电动机反转控制原理,只要改变三相电源中的任意两相相序,电动机即可实现反转。在主电路接线时,只要对U相与W相的连线做小小的变动,就成功地完成了
正反转控制线路。第四,此时教师可以提出问题,电路设计好了吗?学生可以自由组合讨论,可能会有学生提出,两个按钮同时按下时,主电路出现短路,自然地引入连锁的触点。如果有学生说“加上常闭触点”,注意此时教师可以反问学生为什么用常闭触点,并讲出道理来,以便了解学生是真正懂了,还是从书上搬过来的。
(4)综合实训项目教学。采用项目教学法:选择中小规模的实际工程项目案 “水塔供水的控制”作为设计任务,教师作为一个组,全班学生分成若干组,将自主策划、任务分解、“教、学、做”和总结有机结合。在实施过程中,尽量模拟企业真实工作环境和氛围,使学生在校就感受到企业的真实情况,体验到企业的氛围,更好地学以致用。将传统的“学生”和“教师”的角色转换为制造水塔供水控制设备企业的“员工”与“车间主任或部门经理”,层层负责制,让学生有企业工作的真实情景感。 五、学习方法
由于本模块文字内容多,电路图多,需要理解和记忆的知识点也多,因此在学习本章时应提前做好预习,对每一个知识点首先获得感性认识,这样在听课的过程中就不会感到吃力。课后还要及时复习,仔细阅读所讲过的概念和原理,加深对抽象概念的理解,再通过课后作业巩固本章学习内容。以达到对一些基本环节熟记,会画,会接线、会分析电路的工作原理之目的。
六、授课程序
通过实际工程案例(水塔自动供水控制)引入相关性知识。由电动机的起动控制讲起,再介绍各种电动机的起动方法及各种起动方法的使用场合和特点;然后讲述电动机的制动控制,介绍各种电动机的制动方法及各种制动方法的使用场合和特点,讲述电动机的各种控制原则、特点和使用场合;随后讲述电动机常用的保护环节;课后布置作业题使学生巩固本章内容。在学习本模块课题2、3、4后,各安排1次实训;最后完成1个综合实训项目。
教 案

模块二
1(电气系统图的基本知识 课 题 授课时数 2 2(三相异步电动机的全压起动控制
1(了解电气系统图的基本知识 教学目标 2(能够熟练分析电动机的起保停线路、正反转控制线路
1(点动、自锁、互锁控制的作用 教学重点 2(正反转控制线路的工作原理
教学难点 带双重互锁正反转控制线路的工作原理
教学方法 案例、启发互动式、大脑风暴法等教学方法 教学手段 多媒体课件及模型; 示教板演示;电脑、投影仪 课外作业 2-1、2-2
教学过程:
一、电气控制系统图的基本知识
电气控制系统图有三类:电气原理图、电器元件布置图和电气安装接线图。 1(图形、文字符号
,)图形符号
图形符号通常用于图样或其它文件,用以表示一个设备或概念的图形、标记或字符。 ,)文字符号
,)主电路各接点标记
2.电气原理图的画法规则
3.电气元件布置图
4.电气安装接线图
二、三相异步电动机全压起动
1.单向旋转控制电路
1)点动正转控制线路
点动正转控制线路是用按钮、接触器来控制电动机运转的最简单的正转控制线路。如图
2-4所示。
起动:按下起动按钮SB?接触器KM线圈得电?KM主触头闭合?电动机M起动运行。 停止:松开按钮SB?接触器KM线圈失电?KM主触头断开?电动机M失电停转。 停止使用时:断开电源开关QS。
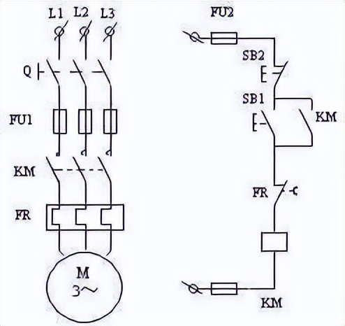
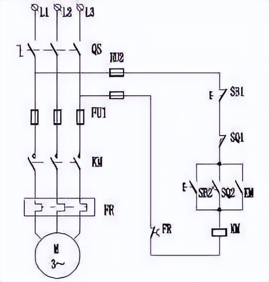
2)接触器自锁正转控制线路


图2-4 点动正转控制电路 图2-5 接触器自锁正转控制线路 线路的工作原理如下:先合上电源开关Q。
起动:按下起动按钮

与起动按钮SB1并联起自锁作用的常开触头叫自锁触头(也称自保触头)。
停止:按下停止按钮

电路的保护环节:短路保护;过载保护;失压和欠压保护
4)连续与点动混合控制的正转控制电路
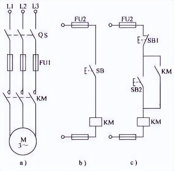
2.可逆旋转控制电路
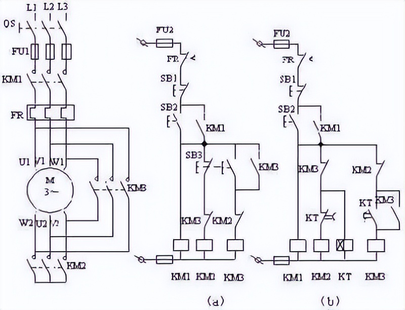
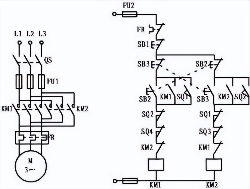
各种生产机械常常要求具有上、下、左、右、前、后等相反方向的运动,这就要求电动机能够实现可逆运行。三相交流电动机可借助正、反向接触器改变定子绕组相序来实现。为避免正、反向接触器同时通电造成电源相间短路故障,正反向接触器之间需要有一种制约关系 , 互锁,保证它们不能同时工作。图2-7给出了两种可逆控制线路。
图2-7(a)是电动机“正—停—反”可逆控制线路,利用两个接触器的常闭触头KM1和KM2相互制约,即当一个接触器通电时,利用其串联在对方接触器的线圈电路中的常闭触头的断开来锁住对方线圈电路。这种利用两个接触器的常闭辅助触头互相控制的方法称为“互锁”,起互锁作用的两对触头称为互锁触头。这种只有接触器互锁的可逆控制线路在正转运行时,要想反转必先停车,否则不能反转,因此叫做“正—停—反”控制线路。
图2-7(b)是电动机“正—反—停”控制线路,采用两只复合按钮实现。在这个线路中,正转起动按钮SB2的常开触点用来使正转接触器KM1的线圈瞬时通电,其常闭触头则串联在反转接触器KM2线圈的电路中,用来锁住KM2。反转起动按钮SB3也按SB2的道理同样安排,当按下SB2或SB3时,首先是常闭触头断开,然后才是常开触头闭合。这样在需要改变电动机运动方向时,就不必按SB1停止按钮了,可直接操作正反转按钮即能实现电动机可逆运转。这个线路既有接触器互锁,又有按钮互锁,叫做具有双重互锁的可逆控制线路,为机床电气控制系统所常用。

图2-7可逆旋转控制电路
教 案 模块二

实训二 电动机单向起动线路的接线课 题 授课时数 2 与排故
1(学习异步电动机基本控制电路的连接 教学目标 2(加深对点动和自锁控制特点的理解
3(初步掌握由电气原理图变换成安装图的能力 教学重点 掌握由电气原理图变换成安装图的能力 教学难点 由电气原理图变换成安装图
教学方法 讨论式、讲练结合、情境体验、自评互评 教学手段 多媒体课件演示;实操接线
课外作业 实训报告
教学过程:
一、实训电路

三相异步电动机的点动和自锁控制
二、实训步骤
1(熟悉各种电器设备和控制电器排列顺序,记录所用电器规格、型号。 2(将电动机接成?形,按图a)连接主电路。
3(点动控制。
(1)按图b)连接点动控制电路。
(2)按原理图逐点检查接线,经实验指导教师同意方可送电试车。 (3)合上QS,按下按钮SB,接触器吸合,电动机起动并运转。松开SB,电机停
转。
(4)上述动作无误后,反复按SB几次,观察线路工作情况。
(5)操作完毕,断开QS。
4(自锁控制。
(1)按图c)连接自锁控制电路。
(2)按原理图逐点检查接线,经实验指导教师同意方可送电试车。 (3)合上QS,按下起动按钮SB2,接触器吸合,电动机起动并连线续运转。 (4)按SB1,电机停转。
(5)实训完毕,关电源,拆线。
注意:若线路工作有问题应首先切断开关QS,再进行检查,排除故障后方可继续
试验。
三、思考题与小结
1(电路中自锁点起什么作用,
2(试车时发现一接通电路,电动机即正常运转,分析其原因(经查主电路接线正
确)。
3(热继电器的整定值调节的原则是什么,
4(写出本次实验收获和体会。
教 案 模块二

课 题 3(三相异步电动机降压起动控制 授课时数 2
1(掌握三相笼型异步电动机常用的减压起动方法和特点 教学目标 2(能够熟练分析电动机常用的减压起动控制线路
星形—三角形(Y—?)降压起动 教学重点
星形—三角形(Y—?)降压起动控制的原理 教学难点
启发互动式、大脑风暴法等教学方法 教学方法 边讲边做、讲练结合
教学手段 多媒体课件; 示教板演示
课外作业 2-4、2-7
教学过程:
三、异步电动机降压起动控制
通常规定:电源容量在 180kVA 以上,电动机容量在 7kW 以下的三相异步电动机可采用直接起动。
1.定子绕组串电阻(电抗)起动控制线路
,)手动切除电阻控制电路

图2-8 手动切除电阻控制电路
,)降压自动起动控制线路
电路的工作原理为:合上电源开关QS,按下起动按钮SB2,KM1得电并自锁,电动机定子绕组串入电阻R降压起动,同时KT得电,经延时后KT常开触头闭合,KM2得电主触头将起动电阻R短接,电动机进入全压正常运行。

图2-9 自动起动控制线路
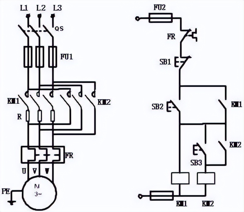
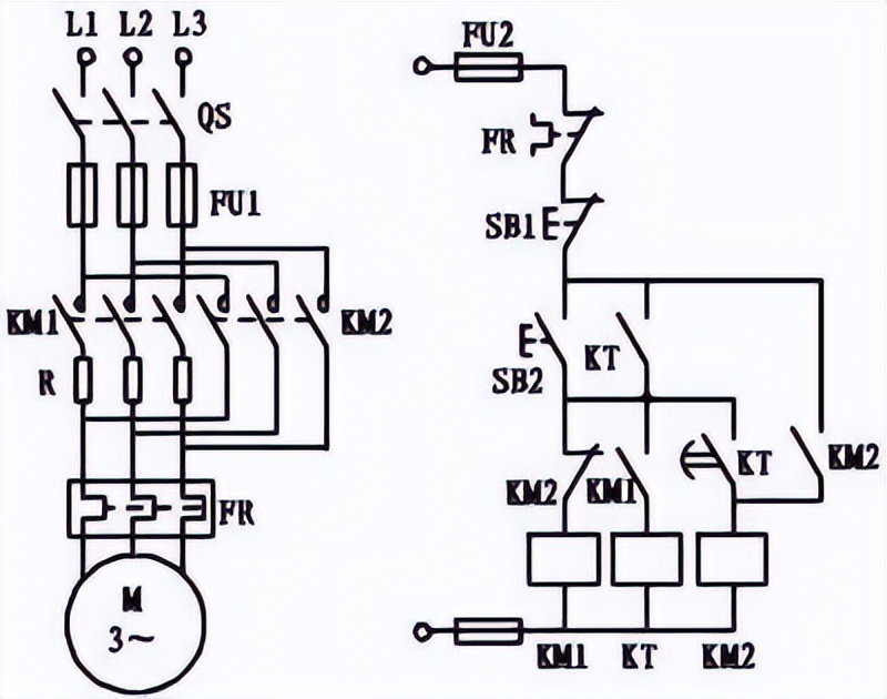
2.星形——三角形降压起动控制线路
星形——三角形(Y—?)降压起动是指电动机起动时,把定子绕组接成星形,以降低起动电压,减小起动电流;待电动机起动后,再把定子绕组改接成三角形,使电动机全压运行。Y—?起动只能用于正常运行时为?形接法的电动机。

图2-10 Y—?降压起动控制线路
,)按钮、接触器控制Y—?降压起动控制线路
图2-10(a)为按钮、接触器控制Y—?降压起动控制线路。线路的工作原理为:按下起动按钮SB2,KM1、KM2得电吸合,KM1自锁,电动机星形起动,待电动机转速接近额定转速时,按下SB3,KM2断电、KM3得电并自锁,电动机转换成三角形全压运行。
,)时间继电器控制 Y —?降压起动控制线路
图2-10(b)为时间继电器自动控制Y—?降压起动控制线路,电路的工作原理为:按下起动按钮SB2,KM1、KM2得电吸合,电动机星形起动,同时KT也得电,经延时后时间继电器K常闭触头打开,使得KM2断电,常开触头闭合,使得KM3得电闭合并自锁,电动机由星形切换成三角形正常运行。
教 案 模块二

实训三 三相异步电动机的正、反转课 题 授课时数 4 控制
1(熟悉并掌握电动机可逆旋转线路的连接 教学目标 2(理解可逆控制线路电气、机械互锁原理
3(掌握可逆运行线路常见故障的排除方法 教学重点 电动机可逆旋转线路的连接
教学难点 可逆运行线路常见故障的排除方法
教学方法 互动式、讲练结合、情境体验、自评互评 教学手段 多媒体课件; 实物操作实践
课外作业 实训报告
教学过程:
一、实训电路

三相异步电动机可逆运转控制线路
二、实训步骤
1(检查各电的型号、规格是否符合实训要求。
2(按图连接电路,注意接触器与按钮触头间自锁互锁连线是否正确。
3(自查无误并经指导教师检查后,通电实验,合上电源开关QS。
4(电动机正、反转运行:分别按下开关按钮SB2、SB3,观察电动机是否作正反转运行。
5(电气、机械互锁控制验证:同时按下按钮SB2、SB3,接触器KM1、KM2均不得电,电动机不转;按下正转按钮SB2,电机正转运行;然后直接按反转按钮SB3,电机立即从正转运转到反向运转。
6(失压与欠压保护
按下起动按钮SB2或SB3,电机起动后,断开电源,模拟电动机失压状态;随后,再接通电源,但不按起动按钮,观察电动机能否自行起动。
7(过载保护
打开热继电器的后盖,当电动机起动后,人为拨动双金属片模拟电动机过载情况,观察电机、电器动作情况。
8(实践过程中出现不正常现象时,应立即切断开关QS,记录故障现象,分析故障产生原因并排除故障,再重新上述实验。本人解决不了时,再请指导老师一起分析解决。
9(实验结束,断开电源,拆线,整理电气设备等。
三、思考题与小结
1(在实验电路中,按SB2(或SB3)电动机正常起动运行,若很轻按一下SB3(或
SB2)电动机运行有什么变化,为什么,
2(实验中发现按下SB2、SB3,电机旋转方向不变,分析故障原因,
教 案

模块二
课 题 4(三相异步电动机制动控制 授课时数 2 教学目标 能分析电机能耗制动和反接制动控制线路原理 教学重点 机床电机能耗制动和反接制动控制线路原理 教学难点 时间原则控制的单向能耗制动控制线路的工作原理
启发互动式 教学方法 理实一体化教学,边讲边做、讲练结合
教学手段 多媒体课件及模型;示教板演示
课外作业 2-5
教学过程:
四、三相异步电动机的制动控制线路
1.耗制动控制线路
能耗制动是电动机脱离三相交流电源后,结定子绕组加一直流电源,以产生静止磁场,起阻止旋转的作用,达到制动的目的。图2-11是时间原则控制的单向能耗制动控制线路。

图2-11 时间原则控制的单向能耗制动控制线路
2.反接制动控制线路
反接制动是利用改变电动机电源的相序,使定子绕组产生相反方向的旋转磁场,因而产生制动转矩的制动方法。图2-12为电动机单向反接制动控制线路。

图2-12 单向反接制动控制线路
教 案 模块二

实训四 三相异步电动机的能耗制动课 题 授课时数 4 控制
熟悉三相异步电动机能耗制动控制电路的工作原理、接线方教学目标 法、调试及故障排除的技能
教学重点 能耗制动控制电路的接线、调试及故障排除的技能 教学难点 能耗制动控制电路的工作原理及故障排除 教学方法 探究式、讲练结合、情境体验、自评互评 教学手段 多媒体;实物操作实践
课外作业 实训报告
教学过程:
一、实训电路

电机能耗制动电气控制线路(时间原则)
二、实训步骤
1(用万用表检测时间继电器的通电延时动作的常开、常闭触头的接点。 2(按图接线。
确定好实验板上2个接触器KM1、KM2的位置,然后自上而下按各支路接线。检查控制回路,注意各节点连线,尤其注意节点连线较多时是否有错漏。
3(调整滑线变阻器R的值,以改变电动机两绕组间的直流电压的大小。经指导教师检查后合上电源开关通电试车。
4(操作起动按钮SB2,观察电动机起动。
5(操作停止按钮SB1,观察电动机能耗制动情况。
6(在实验过程中若出现异常现象,切断电源,记录下故障现象,分析并排除故障,然后在通电实验。
7(实验结束,断开电源,拆线,整理电气设备等。
三、思考题与小结
1(能耗制动控制电路有何优点和缺点,适用于什么情况,
2(转子回路制动电阻的大小对制动效果有何影响,
3(总结实验中出现的异常现象,写出本次实验的收获和体会
教 案

模块二
课 题 5(其他典型控制环节 授课时数 2
1(能对多地控制、顺序连锁控制、自动往复控制电路等典型
教学目标 控制环节进行分析
2(初步具有简单控制环节的诉计能力
多地控制、顺序连锁控制、自动往复控制电路等典型控制环节教学重点 的应用
教学难点 自动往复控制电路的原理分析
教学方法 案例、启发互动式、大脑风暴法等教学方法 教学手段 多媒体课件;示教板演示
课外作业 2-8
教学过程:
五、其他典型控制环节 1(多地控制线路
能在两地或多地控制同一台电动机的控制方式叫电动机的多地控制。在大型生产设备上,为使操作人员在不同方位均能进行起停操作,常常要求组成多地控制线路。
2.连锁控制
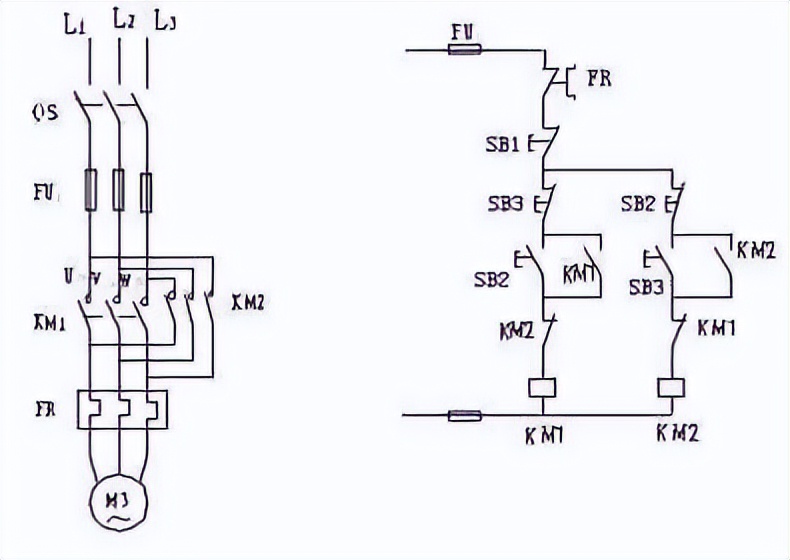
连锁控制的应用是很广泛的。电动机控制的基本环节中已介绍了自锁控制、互锁控制、正常工作与点动的连锁控制。凡是生产线上某些环节或一台设备的某些部件之间具有互相制约或互相配合的控制,均称为连锁控制。下面再介绍实现按顺序工作时的连锁控制。
图2-14为两台电动机的连锁控制线路。图2-14(a)是顺序起动、同时停止或单独停止M2控制线路。在这个控制线路中,只有KM1线圈通电后,其串入KM2线圈电路中的常开触头KM1闭合,才使KM2线圈有通电的可能。图2-14(b)是顺序起动、逆序停止控制线路。停车时,必须按SB3按钮,断开KM2线圈电路,使并联在按钮SB1下的常开触头KM2断开后,再按SB1才能使KM1线圈断电。

(a) (b)
图2-14 两台电动机的连锁控制线路
思考:怎样通过主电路实现顺序控制,
,(自动往复控制电路
有些生产机械,如万能铣床,要求工作台在一定距离内能自动往返,而自动往返通常是利用行程开关控制电动机的正反转来实现工作台的自动往返运动。工作台自动往返运动示意图如图2-15所示。

图2-15 工作台自动往返运动示意图
图2-16为工作台自动往返行程控制线路,工作过程如下:按下起动按钮SB2,KM1得电并自锁,电动机正转工作台向左移动,当到达左移预定位置后,挡铁B压下SQ2,SQ2常闭触头打开使KM1断电,SQ2常开触头闭合使KM2得电,电动机由正转变为反转,工作台向右移动。当到达右移预定位置后,挡铁A压下SQ1,使KM2断电,KM1得电,电动机由反转变为正转,工作台向左移动。如此周而复始地自动往返工作。当按下停止按钮SB1时,电动机停转,工作台停止移动。若因行程开关SQ1、SQ2失灵,则由极限保护行程开关SQ3、SQ4实现保护,避免运动部件因超出极限位置而发生事故。

图2-16 工作台自动往返行程控制线路
教 案

模块二
课 题 综合项目一:水塔供水控制 授课时数 4
1(水塔自动控制的设计与分析
训练内容 2(水塔自动控制线路的安装接线
3(水塔自动控制线路的故障检测
1(认识实训所用的电器的的功能、符号、常用型号,掌握其
使用方法 训练目标 2(能熟练进行水塔自动控制线路的接线及线路的通电试车
3(掌握线路的基本检测方法
教学重点 水塔自动控制线路的安装接线与故障检测
教学难点 分析水塔自动控制原理
教学方法 项目驱动法、讲练结合、情境体验、自评互评 教学手段 多媒体课件及模型; 实物操作实践
课外作业 项 目 报告
,教学设计思路,
1.准备阶段:将整个班级分为若干个项目小组~每组选出一名“项目经理”~由项目经理负责组织小组成员讨论项目要求~落实项目分工并实施~形成教师、项目经理、小组成员的三级管理体制。描述真实的工程案例~提出案例的问题
2. 展开阶段:提出工作任务~明确项目完成的进度时间表,要求小组长对该组项目实施过程做详细记录~如人员分工~具体进度安排~出现的问题~问题解决的方法等,教师跟踪每组的学习情况~参与讨论~及时进行技术技巧的辅导~协调小组中出现的分歧,鼓励学生大胆进行创新思维~对学生中出现的“主见”给予充分肯定。各组将设计好的控制系统拿到实训室进行安装调试~看能否达到预期效果。
3. 结束阶段:教师要及时对完成的一个个阶段性小项目进行总结与回顾~对学生的表现进行当堂认可~然后就主要问题进行集中解决。最后作出学习评价:评定从两方面入手~即结果性评价和过程性评价。结果性评价主要是考察学生是否达到了学习目标~过程性评价主要是考察学生的学习能力、协作能力、工作态度。
教学设计:
一、工作任务 ——真实的工程案例
1(问题的提出(任务描述):水塔的作用是通过水泵把地下水抽压到塔顶的水塔内储存,以保证供水系统有一定的压力( 一定的水位 )。如图所示。

2(问题的解决方案
水泵通常采用笼型三相交流异步电动机拖动。所以,水塔的控制实际上就是三相异步电动机的控制。方法有人工控制和自动控制。首先介绍最简单的水塔控制方法—
—人工控制。
提问:人工控制的缺点,---确定自动控制方案
人工控制是用闸刀开关(或铁壳开关)和低压断路器通断电源控制水泵,水泵电机的起动和停止都必须人工手动操作,不能排除由于没有及时关机、开机而造成水塔溢水和供水系统停水的可能。
二、自动控制方案设计(分组)
1.自动控制的含义
水塔的自动控制,就是要在无人操作的情况下,供水系统在水塔水位低于某一下限位置时,控制系统能自动起动水泵电机,不断地向水塔送水,直到水位升到某一上限位置时,控制系统能自行关断水泵电机。
一个自动控制系统,还应当具有人工干预的功能,以便必要时采用手动操作,达到可随时起动(或停止)水泵的目的。
另外,为了控制系统的安全,还应当设有一些必要的保护环节—短路保护和电动机的过载保护。
问题:怎样实现,
2(自动控制装置设计及工作过程

水塔的水位检测系统示意图
3.控制线路设计与分析(分三步画)
根据水塔控制要求,应在低水位的下限起动电动机,这时通过水位监测系统(浮球中所示位置),起动电动机。浮球1在下限位置,撞块2在行程开关SQ2附近,使行程开关SQ2受压,SQ2的一对常开触头接通,这就使控制电路中KM得电动作,主电路中KM三个常开主触头闭合,电动机M就起动运行。随着水泵的工作,水塔中水位逐渐上升,浮球上升又使撞块向下离开行程开关SQ2,行程开关一旦不受压就会复位,从而使SQ2常开触头断开,如果控制电路只受SQ2常开触头的控制,这时KM就会断开,使M停止,而这时水塔的水位还远没有达到上限水位, 问题:怎样解决这个矛盾, --只要在控制原理图中下限行程开关SQ2常开触头旁并联一个KM接触器的常开触头就可以了。当SQ2接通KM回路时,KM的主触头闭合的同时,与SQ2并联的一对常开触头也闭合了,等到撞块离开SQ2而使SQ2I常开断开时,KM线圈也不会失电,而继续保持得电状态,用接触器自己的动作来保持其得电状态的功能称 自保(或自锁) ,该常开触头叫自保(或自锁)触头。

水塔的自动控制原理图
问题:如何人工干预呢, --例如预先知道将要停电,为使水塔供水不间断,而提前储满水,就要在水塔水位不在下限位置时也能够起动水泵电机,可以采用手动按钮SB2的常开触头并联在下限行程开关SQ2的常开触头上,需要时,只要按压起动按钮SB2,它能够代替SQ2起到接通KM回路的作用。又例如因检修而需要临时停止水泵电机的工作,可以按压停止按钮SB1,使其常闭触头断开,电机停止。
由于交流接触器没有短路保护和过载保护的功能,控制系统另外增加了保护元件——熔断器和热继电器。熔短器FU1(三只一组)在它后面的主电路和电器发生短路时迅速熔断,熔断器FU2(两只一组,也可只用一只),在控制电路的各处发生短路时,迅速熔断,以保护供电源及电器不受损坏。
学生分组讨论所设计控制电路的特点并做出自评:
?水塔可在无人值班情况下,由自动控制系统按要求自行工作。
?自动控制系统的关键在于水位的检测及上、下限行程开关和撞块的相对位置设定,其原则是:必须在下限位开机,上限位关机。
?实现水位检测和控制的器件、开关,应根据现场具体情况和可供选用的器件、开关种类予以选择。
?既有自动控制功能,又能手动控制。这是为了满足控制的实际需要,要记住实际需要和使用方便是控制系统的最高追求。
?对电机的两种控制方式,在原理图上实现时,采用两个起动信号(常开触头)并联,两个停止信号(常闭触头)串联。
三、实操接线(分10组,按中级维修电工标准)
3人一组,组长分好工:1人作准备,1人主接线,1人记录
1. 说明注意事项和操作要领
2. 熟悉按钮、行程开关、接触器、电动机铭牌型号、规格
3. 按实验图连接电路,注意接触器与按钮触头间自锁连线是否正确
4. 检查电路,并报告结果
5. 经老师同意后,准备试机:操作并观察,看能否达到预期效果
约40分钟,叫已完成组举手,未完成组说明原因,老师给予讲解。
6. 未完成组继续,由其它已完成组员提供帮助,到完成为止 (培养团队协作意识)
7. 实训结束,断开电源,拆线,整理电气设备等。
四、评价
教师对完成的项目进行总结与回顾,对完成较好组员的表现进行当堂认可,然后就主要问题进行集中解决。评定从两方面入手,即结果性评价和过程性评价。
评价内容:过程性评价主要是考察学生的组员的学习能力、协作能力、工作态度;结果性评价主要是考察学生是否达到了学习目标, 如工具使用正确、布线合理、检测方法正确、操作顺序得当、 达到预期效果。就训练中出现的主要问题进行分析,并提出解决方法。
(建立项目卡,作为实训成绩依据)
五、问题与思考
1. 在正确接线情况下,按钮盒最少出现有几根导线,若不合理能多出几根,
2. 试车时发现一接通电路,电动机即正常运转,分析其原因。(经查主电路接线正确)。
3. 试车时,按SB2发现电动机不运转,分析其原因,简述故障检测与排除过程。
教 学 设 计
模块三 典型机床电气控制
一、教学目标
1( 知识目标: 熟练掌握典型生产机械的工作原理、控制特点;综合了解实际设备中机、电、液之间的配合
2(能力目标: 初步具有对不太复杂的机床控制电路改造和设计能力;具有机床常见电气故障的排除能力
二、教学内容
1(电气控制线路分析基础
2. C6140T车床电气控制
3. X62W卧式万能铣床电气控制
4.X机床电气故障排除的方法
三、教学重点和难点
重点:机床控制电路的分析方法
难点:机床控制电路的分析方法
四、教学方法与手段
本模块内容主要是几种机床电气控制系统,机床电气控制线路图比较复杂,理论性较强,基本概念多且抽象难懂,信息量大,适合采用多媒体教学和现场教学,用课件演示几种机床的形状,并演示每种机床的控制线路图。用类比对照法将几种机床的控制系统对照起来讲。结合实训,通过对机床的操作控制,加深对本章内容的理解。在授课的过程中,应注意深入浅出,从实用性的角度,调动起学生学习的积极性。
现场教学法简介:现场教,现场学,现场实践,组织学生到校内机加工车间和校外实训基地进行现场观摩、参加一定的生产实际操作。聘请企业专业技术人员对实际控制系统到现场进行教学,有助于学生理解本课程的理论知识和技术应用,提升了学生的实际操作技能,开阔了眼界,感受真实的职业环境。在讲本模块时,我们将课堂搬到校内机加工车间,通过现场操作和观摩实际电控柜,让学生进行体验性学习,对
电控柜的安装、布线及机电结合留下深刻印象。
有了前面知识的储备,能很顺利地把模块三的内容讲好,可以说很省力地完成任务。具体教法:
(1)教会学生阅读电原理图的方法。第一,分析主电路,主要看电动机的名称、功率、数量;分别由什么电器控制,具有什么控制形式,如降压控制或双速,具有什么保护功能。第二,分析控制线路,主要具有什么样的控制功能,如连续、正反转、两地等,以及明确接触器线路的供电回路。第三,分析照明电路、指示电路。
(2)常见故障的分析。最好的方法是采用*拟机模**床控制线路或已经安装好的相关控制线路,教师提出几个常见故障问题,让学生自己来完成。如断开电路中的熔断器,断开自锁触头,断开接触器线圈的电源等,首先让学生根据电原理图进行分析,写出可能会导致的故障现象,再结合动手实际操作,根据要求断开电路,把真实看到的故障现象与刚才分析进行对比是否相吻合。这种“纸上谈兵”的方法,在这里起着很重要的作用,大大地加强了学生的分析能力,培养了学生的逻辑推理能力、思维能力,若分析故障的思路正确的话,其实际的故障也就很快排除。有了以上的知识作为铺垫,学生对故障分析有了感性的认识,再开展常用机床控制线路讲解,根本不需费很大的劲,学生更不用去“死记”,让学生轻松地学会了故障分析,无形之中提升了维修技能。
五、学习方法
本模块是在掌握常用控制电器及电气控制基本环节的基础上,对机床电气控制系统进行的分析,要求学生在课前要对上一章的内容进行复习,课堂上要紧跟老师的思路走,对电气原理图认真进行分析,课后要及时复习,加深对所讲知识点的理解,再通过课后作业巩固本章内容。
六、授课程序
先讲述电气控制系统分析的基础知识,再通过典型生产机械电气控制线路的实例分析,进一步阐述电气控制系统的分析方法与步骤,然后介绍机床电气控制系统的常见故障,分析故障原因及排除故障的方法。课后布置作业题使学生巩固本章内容。在学习本模块课题3后,安排1次实训;最后完成1个综合实训项目。
教 案 模块三

1(电气控制线路分析基础 课 题 授课时数 3 2(C6140T车床电气控制
1(掌握电气原理图阅读分析的方法与步骤 教学目标 2(能熟练分析C6140T车床的电气线路工作原理
3(能分析并排除C6140T车床电气线路的常见故障 教学重点 C6140T车床的电气线路工作原理
教学难点 C6140T车床电气线路故障的分析
教学方法 现场教学法、类比对照法、情境体验 教学手段 多媒体课件;现场操作和观摩
课外作业 3-4、3-6
教学过程:
一、电气控制线路分析基础
1. 电气控制线路分析的内容
1)设备说明书。
2)电气控制原理图
3)电气设备总装接线图
4)电气元件布置图与接线图
2. 电气原理图阅读分析的方法与步骤
1)分析主电路
2)分析控制电路
3)分析辅助电路
4)分析联锁与保护环节
5)总体检查
二、C6140T车床电气控制
1.车床的认识(回顾机加工实习对车床的认识)
1)车床的结构认识
2)车床的运动情况认识
主运动(切削运动):主轴通过卡盘或顶尖带动工件的旋转运动
进给运动:溜板箱带动刀架的直线运动。
其它运动有:刀架的快速移动。
刀架移动和主轴旋转都是由一台电动机来拖动的。
2. 车床加工对控制线路要求分析
1)主运动(切削运动)——主轴通过卡盘或顶尖带动工件的旋转运动
2)进给运动——溜板带动刀架的直线运动
3)快速移动——溜板带动刀架的快速运动
单向点动操作、短时工作方式。
4)冷却润滑要求
车削加工中,根据不同的工件材料,也为了延长刀具的寿命和提高加工质量,需
要切削液对工件和刀具进行冷却润滑,而有时又不采用,因此采用自动空气开关控制
冷却泵电动机单向旋转。
此外还应配有安全照明电路和必要的联锁保护环节。
总结:C6140T车床由3台三相笼型异步电动机拖动,即主电动机M1、冷却泵电动机M2和刀架快速移动电动机M3。
3(C6140T车床控制线路分析
1)主电路(见图3-2)
2)控制电路(见图3-3)
3)照明电路
电源变压器TB将380V的交流电压降到36V的安全电压,供照明用。照明电路由开关K控制灯泡EL。熔断器FU3用作照明电路的短路保护。
冷却泵电动机M2运行指示灯HL1,6.3V电压供电源指示HL2,刻度照明HL3。
总结:?主轴电动机采用单向直接起动,单管能耗制动。能耗制动时间用断电延时型时间继电器控制。?主轴电动机和冷却泵电动机在主电路中保证顺序联锁关系。?用电流互感器检测电流,监视电动机的工作电流。
4. C6140T车床电气线路常见故障分析
1)故障现象:主轴电动机M1不能起动。
原因分析:?控制电路没有电压。?控制线路中的熔断器FU5熔断。?接触器KM1未吸合,按起动按钮SB2,接触器KM1若不动作,故障必定在控制电路,如按钮SB1、SB2的触头接触不良,接触器线圈断线,就会导致KM1不能通电动作。当按SB2后,若接触器吸合,但主轴电动机不能起动,故障原因必定在主线路中,可依次检查接触器KM1主触点及三相电动机的接线端子等是否接触良好。
2)故障现象:主轴电动机不能停转。
原因分析:这类故障多数是由于接触器KM1的铁芯面上的油污使铁芯不能释放或KM1的主触点发生熔焊,或停止按钮SB1的常闭触点短路所造成的。应切断电源,清洁铁芯极面的污垢或更换触点,即可排除故障。
3)故障现象:主轴电动机的运转不能自锁。
原因分析:当按下按钮SB2时,电动机能运转,但放松按钮后电动机即停转,是由于接触器KM1的辅助常开触头接触不良或位置偏移、卡阻现象引起的故障。这时只要将接触器KM1的辅助常开触点进行修整或更换即可排除故障。辅助常开触点的连接导线松脱或断裂也会使电动机不能自锁。
4)故障现象:刀架快速移动电动机不能运转
原因分析:按点动按钮SB3,接触器KM3未吸合,故障必然在控制线路中,这时可检查点动按钮SB3,接触器KM3的线圈是否断路。
5)故障现象:M1能起动,不能能耗制动
原因分析:踩下行程开关S,1,不能实现能耗制动,其故障范围可能在主电路,也可能在控制电路中电路。
教 案

模块三
课 题 3(X62W型万能铣床的电气控制 授课时数 2
1(能熟练分析X6132铣床的电气线路工作原理 教学目标 2(能熟练分析X6132铣床的故障原因并能排除故障 教学重点 X6132铣床的电气线路工作原理
教学难点 铣床工作台的控制
教学方法 现场教学、类比对照法、情境体验
教学手段 多媒体课件;现场操作和观摩;示教板演示 课外作业 3-7、3-8
教学过程:
三、X62W卧式万能铣床电气控制
1. 铣床认识(回顾机加工实习对铣床的认识)
1)铣床的结构认识
2)铣床的运动情况认识
2. 铣床加工对控制线路要求分析—从运动情况看电气控制要求
3. 元器件认识,电磁离合器
1)结构认识(摩擦片式电磁离合器):主要由激磁线圈、铁芯、衔铁、摩擦片及联接件等组成。一般采用直流24V作为供电电源。
2)动作原理分析:
4. X62W卧式万能铣床电气线路分析
1)主电路分析
2)控制电路分析
?主电动机的起停控制
?主轴变速点动控制
?工作台移动控制
?工作台各运动方向的联锁
?工作台进给变速点动控制
?圆工作台控制
?冷却泵电动机的控制
3)辅助电路及保护环节分析
机床的局部照明由变压器T(6)供给36V安全电压,灯开关为SA4(6)。
Ml、M2和M3为连续工作制,由FRl、FR2和FR3实现过载保护。由FUl、FU2实现主电路的短路保护,FU3实现控制电路的短路保护,FU4实现照明电路的短路保护。另外,还有工作台终端极限保护和各种运动的联锁保护,前面已详细叙述了。
5. X62W万能铣床电气控制线路的常见故障分析(留给自学生自己分析)
1)主轴停车制动效果不明显或无制动。
2)主轴停车后产生短时反向旋转。
3)主轴变速时无瞬时冲动。
4)工作台不能快速移动。
教 案 模块三

课 题 实训五 铣床电路故障排除练习 授课时数 6
1(熟悉X62W铣床的电气接线
教学目标 2(理解X62W铣床的电气控制原理
3(掌握X62W铣床常见故障的排除
教学重点 X62W铣床常见故障的排除
教学难点 X62W铣床的电气控制原理
教学方法 演示法、讲练结合、情境体验、自评互评 教学手段 多媒体课件;电脑、投影仪;模拟操作实践 课外作业 实训报告
教学过程:
一、实训步骤
1(熟悉X62W铣床电气控制原理图,找到各元器件的实际位置。
2(记录接触器、热继电器、行程开关、控制按钮、电动机铭牌、型号、规格。
3(按图4将电动机的线接好。
4(将X62W铣床考核柜中故障开关置正常位置,合上电源断路器,分别操作各按钮、转换开关和行程开关,实现主轴电动机M1起动与停车、工作台的快速移动、工作台进给运动的控制和冷却泵电机的起停控制等。
5(小组成员间互设,-,个故障,根据现象,通过分析与检测找到故障处,提出故障排除方法。
6.实验结束,断开电源,拆线,整理电气设备等。
二、思考题与小结
1(X62W铣床工作台不能几个方向同时移动,为什么设置这样的联锁,
2(X62W铣床主轴可正反转,但无进给及快速移动,试分析故障原因何在,
3(总结实验中出现异常现象,试分析原因并写出收获、体会。
教 案 模块三

综合项目二:摇臂钻床电气系统的设课 题 授课时数 6 计与制做
1(摇臂钻床电气系统的的设计与分析 训练内容 2(摇臂钻床电气控制线路的安装接线
3(摇臂钻床电气线路的故障检测
1(掌握机床电气系统的的设计与分析方法
2(能熟练进行摇臂钻床控制线路的接线及线路的通电试车 训练目标 3(掌握线路的基本检测方法
4(掌握电控柜的制做工艺
教学重点 摇臂钻床电气控制线路的安装接线与故障检测 教学难点 电控柜的制做
教学方法 项目驱动法、讲练结合、情境体验、自评互评 教学手段 多媒体课件及模型;实物操作实践 课外作业 项 目 报告
,教学设计思路,
1.准备阶段:将整个班级分为若干个项目小组~每组选出一名“项目经理”~由项目经理负责组织小组成员讨论项目要求~落实项目分工并实施~形成教师、项目经理、小组成员的三级管理体制。描述真实的工程案例~提出案例的问题。
2. 展开阶段:提出工作任务~明确项目完成的进度时间表,要求小组长对该组项目实施过程做详细记录~如人员分工~具体进度安排~出现的问题~问题解决的方法等,教师跟踪每组的学习情况~参与讨论~及时进行技术技巧的辅导~协调小组中出现的分歧,鼓励学生大胆进行创新思维~对学生中出现的“主见”给予充分肯定。各组将设计好的控制系统拿到实训室进行安装调试~看能否达到预期效果。
3. 结束阶段:教师要及时对完成的一个个阶段性小项目进行总结与回顾~对学生的表现进行当堂认可~然后就主要问题进行集中解决。最后作出学习评价:评定从两方面入手~即结果性评价和过程性评价。结果性评价主要是考察学生是否达到了学习目标~过程性评价主要是考察学生的学习能力、协作能力、工作态度。
教学设计:
一、工作任务 ——真实的工程案例
钻床是一种孔加工机床。可用来钻孔、扩孔、铰孔、攻丝及修刮端面等多种形式加工。在各种钻床中,摇臂钻床操作方便、灵活,适用范围广,具有典型性,特别适于单件或批量生产中加工多孔的大型零件。试为摇臂钻床设计一套电气系统,要求满足控制的实际需要,且可靠性较好、操修方便、性价合理。

项目图2-1 摇臂钻床的结构
二、控制要求1( 摇臂钻床运动部件较多,因此采用多电机拖动。通常设有主轴电动机、摇臂升降电动机、液压泵电动机及冷却泵电动机。
2(摇臂钻床为适应多种形式的加工,要求具有多种切削速度,主轴的旋转和进给速度的控制一般由机械方法实现。主轴的旋转运动与进给运动由一台电动机拖动。 3(为了加工螺纹,主轴要求正反转。摇臂钻床主轴正反转一般由液压系统实现。 4(摇臂沿外立柱的升降由电动机的正反转实现。外立柱绕內立柱的旋转靠人力作用实现。
5(应具有必要的连锁与保护。控制。这是为了满足控制的实际需要,要记住实际需要和使用方便是控制系统的最高追求。
三、控制方案设计(分组)
1(主电路的设计
2(控制电路的设计
3(辅助电路的设计
4(保护环节的设计
学生分组讨论所设计控制电路的特点并做出自评。
四、实操接线(分10组,按中级维修电工标准)
3人一组,组长分好工。
1(说明注意事项和操作要领
2(按实验图连接电路,注意接触器与按钮触头间自锁连线是否正确
3(检查电路,并报告结果
4(经老师同意后,准备试机:操作并观察,看能否达到预期效果
约40分钟,叫已完成组举手,未完成组说明原因,老师给予讲解。
5(完成组继续,由其它已完成组员提供帮助,到完成为止 (培养团队协作意识)
6(互设2-3个故障,进行故障诊断和排除。
7(实训结束,断开电源,拆线,整理电气设备等。
五、评价
教师对完成的项目进行总结与回顾,对完成较好组员的表现进行当堂认可,然后就主要问题进行集中解决。评定从两方面入手,即结果性评价和过程性评价。
评价内容:过程性评价主要是考察学生的组员的学习能力、协作能力、工作态度;结果性评价主要是考察学生是否达到了学习目标, 如工具使用正确、布线合理、检测方法正确、操作顺序得当、 达到预期效果。就训练中出现的主要问题进行分析,并提出解决方法。
(建立项目卡,作为实训成绩依据)
六、课外作业
设计并制做电控柜。
教 学 设 计
模块四 PLC指令系统
一、教学目标
1( 知识目标: 熟悉PLC的基本组成与工作原理;熟练掌握,X系列可编程控制器的基本指令及应用;熟悉编程的基本规则和技巧
2(能力目标: 能正确编写和阅读不太复杂的PLC用户程序;能进行PLC的I/O接线和熟练使用编程器
二、教学内容
1(可编程序控制器概述
2(可编程序控制器的基本组成
3(PLC的工作原理
4(PLC的编程语言
5(FX系列PLC概述
6(基本逻辑指令及使用
7(PLC的编程及应用
8(步进指令及状态编程法
9(应用指令的初步认识
三、教学重点和难点
重点:,X系列可编程控制器的基本指令及应用
难点:状态编程法;应用指令
四、教学方法与手段
模块四除了采用项目教学、“讲练结合,层层递进”教学、“启发式+互动式”教学方法外,针对PLC的特点采用“软硬结合,分析排障法”特色教学法。PLC的程序设计与调试涉及到软件与硬件两个部分,且两者密不可分,因此,在教学中通过软件来调试硬件,以硬件的运行和信号检测来测试软件,不断强化软件与硬件结合设计与调试方法。同时在真实的工作过程中,出错、纠错、提高是一过必经的过程,如果在实训的过程中,一切条件由老师准备妥当,没有任何差错就完成实训,只会给学生
造成虚假的美好。因此,在实训过程中提倡“出错”,甚至老师人为设置错误,让学生在出错、请教、纠错的过程中体验程序开发的真实过程,真正学会软件、硬件调试的技能,提高学生发现问题、分析问题、讨论问题和解决问题的能力。具体教法举例如下:
(1)可编程控制器的基础知识,内容简单易懂,采取讲授的方法,在教学过程中配合录像片、典型实物、模型、CAI多媒体音像教学等多种教学手段,把传统的教学手段和现代教育技术协调应用,结合三菱PLC产品的实际应用来讲述,使学生了解PLC的特点,及其在控制中的重要性,为后续学习打好基础。
(2)可编程控制器的基本原理与组成,教师采取讲授原理与演示及展示实物硬件组成相结合的方法,在授课的过程中,应注意突出内容的直观性,增强学生的感性认识,将其通俗化,便于学生接受。使学生充分了解PLC的原理,及其硬件和软件组成,为后续学习打好基础。
(3)基本逻辑指令及PLC的编程规则与技巧,理论性较强,基本概念多且抽象难懂,信息量大,适合采用多媒体教学。在授课的过程中,多举控制应用实例,如电动机正反转联锁控制、顺序启动控制、振荡电路、定时期等实际控制的例子,应注意深入浅出,从实用性的角度,充分调动起学生学习的积极性。
(4)步进指令,侧重于培养学生对步进指令的理解及应用能力。教师主要以步进指令的实际应用,讲解如何使复杂的编程工作简单化。可以结合实训进行本章的教学,在实训课中,教师应调动学生参与实践,动手编程的积极性,有意识地拔高学生的编程能力,为学生走上工作岗位打下良好的基础。
(5)功能指令的格式和各种功能指令的应用,侧重于培养学生对功能指令的理解及应用能力。教师主要以功能指令的实际应用,结合实训课中对功能指令的具体应用来讲解,使学生在应用中加深对各功能指令的理解及应用,注重对学生实际能力的培养。
五、学习方法
“PLC的概述”作为阅读材料,初步了解PLC的定义、特点、应用及发展方向。“基本组成与工作原理”对学生的综合素质要求较高,由于PLC的核心是 CPU ,要求学生有一定的计算机基础,许多知识点是几门学科相互交差和渗透产生的,不易理
解。课后要及时复习,加深对所讲知识点的理解。本模块的一些基本逻辑指令需要记忆,要求学生在课前要预习,课后及时复习,课堂上要紧跟老师的思路走,加深对所学指令的理解,再通过课后作业和实习巩固本部分内容。达到深刻理解,熟练掌握编程规则及技巧,能够运用自如。在掌握基本逻辑指令及编程规则与技巧的基础上,用步进指令使编程更加简单。要求学生在课前要对基本逻辑指令的内容进行复习,课堂上要紧跟老师的思路走,对状态转移图和步进梯形图认真进行分析,课后要及时复习,达到熟练掌握。在掌握逻辑指令和步进指令的基础上,对PLC实现高级控制的各种功能指令的学习,要求学生作好课前预习,课堂上要紧跟老师的思路走,掌握功能指令的格式,了解各种功能指令,能够熟练应用。课后要及时复习,加深对所讲知识点的理解。
六、授课程序
首先讲述PLC的产生背景、PLC的定义、PLC适应不同工作环境所具有的特点、、应用范围和PLC的发展方向;接着讲述可编程控制器的基本原理、硬件组成和软件组成,在讲述硬件组成的同时演示图片及展示实物;然后介绍三菱公司的FX2N系列PLC的基本逻辑指令、编程的基本规则与技巧、常见控制的应用实例;最后讲述介绍步进指令和步进梯形图,通过典型实例分析来讲解步进指令的应用,并介绍各种功能指令的基础知识和基本格式。课后布置作业题使学生巩固本模块内容。
在学习本模块课题6、7、8后,各安排1次实训;最后完成1个综合实训项目。
教 案

模块四
1(PLC概述
课 题 2( PLC的组成 授课时数 1
3(PLC的工作原理
1(了解PLC的有关基础知识
教学目标 2(熟悉PLC的组成及内部元器件
3(掌握PLC的工作原理,熟悉PLC的控制特点 教学重点 PLC的基本组成及工作原理
教学难点 PLC的循环扫描工作方式
教学方法 讲授、“启发式+互动式”教学方法
在教学过程中配合录像片、典型实物、CAI多媒体音像教学教学手段 等多种教学手段;讲授原理与演示及展示实物硬件组成相结
合
课外作业 4-2、4-3
教学过程:
一、可编程序控制器概述
1(PLC产生
2(PLC概念
3. PLC的分类与特点
1) 可编程序控制器的分类
?按照点数、功能不同分类
?按照结构形状分类
?按照使用情况分类
2)PLC的特点
?可靠性高,抗干扰能力强
?编程简单,使用方便
?控制程序可变,具有很好的柔性 ?功能完善
?扩充方便,组合灵活
?减少了控制系统设计及施工的工作量 ?体积小、重量轻,是“机电一体化”特有的产品
总之,PLC技术代表了当前电气控制的世界先进水平,PLC与数控技术和工业机
器人已成为机械工业自动化的三大支柱。 4(PLC的发展与应用
1)PLC的发展大体上可分为3个阶段: ?形成期(1970―1974年)
?成熟期(1973―1978年)
?大发展时期(1977――至今)
2)随着国外PLC技术的日益发展,其应用也越来越广泛,其范围通常可分成五
大类型
?顺序控制
?运动控制
?过程控制
?数据处理
?通信
二、可编程序控制器的基本组成 1(PLC的硬件组成
可编程序控制器的组成基本同计算机一样,由电源、中央处理器(CPU)、存贮器、输入/输出接口及外围设备接口等构成。
1)CPU(Central Process Unit)
2)系统程序存储器
3)用户存储器
4)输入接口电路
5)输出接口电路
6)编程器
7)外部设备
8)电源
2(PLC的软件组成
1)继电器逻辑
PLC一般为用户提供以下几种继电器(以FX2N系列PLC为例):
输入继电器( X )、输出继电器( Y )、内部继电器( M )
2)定时器逻辑
3)计数器逻辑
三、PLC的工作原理
1.可编程序控制系统的等效电路
可编程序控制系统的等效电路可分为三部分即输入部分、内部控制电路和输出部分。输入部分就是采集输入信号,输出部分就是系统的执行部件,这两部分与继电器控制电路相同,内部控制电路是由编程实现的逻辑电路,用软件编程代替继电器电路的功能。等效电路简图如图4-4所示。
1) 输入部分
2) 内部控制电路
3) 输出部分
2.可编程序控制器的工作方式
1)输入刷新阶段
2)程序执行阶段
3)输出刷新阶段
由此可见,输入刷新、程序执行和输出刷新三个阶段构成PLC一个工作周期,由此循环往复,因此称为循环扫描工作方式。由于输入刷新阶段是紧接输出刷新阶段后马上进行的,所以亦将这两个阶段统称为I/O刷新阶段。实际上,除了执行程序和I/O刷新外,PLC还要进行各种错误检测(自诊断功能)并与编程工具通讯,这些操作统
称为“监视服务”,一般在程序执行之后进行。
总之,PLC采用扫描的工作方式,是区别于其他设备的最大特点之一,我们
在学习和使用PLC当中都应加强注意。
教 案 模块四

4(PLC的编程语言 课 题 授课时数 2 5(FX系列PLC概述
1(熟练掌握梯形图、指令表的画法规则,了解顺序功能流程
教学目标 图和功能块图
2(熟记FX系列PLC的编程元件的功用和地址编号 2N
教学重点 FX系列PLC的编程元件 2N
状态元件、指针、定时器、计数器、数据寄存器、变址寄存器教学难点 的使用
教学方法 讲授、“启发式+互动式”教学方法
在教学过程中配合录像片、典型实物、CAI多媒体音像教学教学手段 等多种教学手段
课外作业 4-5、4-6
教学过程:
四、PLC的编程语言
PLC为用户提供了完整的编程语言,以适应编制用户程序的需要。PLC提供的编
程语言通常有以下几种:梯形图、指令表、顺序功能流程图和功能块图。1(梯形逻辑
图(LAD)
2(指令语句表(STL)
3(顺序功能流程图(SFC)
4.功能块图(FBD)五、FX 系列PLC概述 三菱电机现有的FX系列产品样本中仅有FX、FX、FX和FX这四个子系列。本1S1N2N2NC
模块主要介绍FX系列PLC。 2N
1. FX系列PLC的型号
2.FX系列PLC的基本单元 2N
3. FX 系列PLC的编程元件 2N
1)输入继电器(X0,X177)
2)输出继电器(Y0,Y177)
3)辅助继电器(M)
? 通用辅助继电器M0,M499(500点)
? 停电保持辅助继电器M500, M1023(524点) ? 特殊辅助继电器M8000,M8255(256点) 4)状态元件(S)
5)指针(P,I)
6)定时器(T)(字、bit)
7)计数器(C(字、bit)
8) 数据寄存器(D)(字)
9)变址寄存器(V,Z)(字)
教 案

模块四
课 题 6(基本逻辑指令 授课时数 2
1(掌握PLC基本指令的符号及意义 教学目标 2(能够用PLC的基本指令,对典型电路进行编程 教学重点 PLC基本指令的符号及意义
教学难点 分支多重输出MPS、MRD、MPP指令和主控指令MC、MCR的使用 教学方法 “讲练结合,层层递进”教学、“启发式+互动式”教学 教学手段 多媒体课件;讲授原理与演示相结合
课外作业 4-7、4-8
教学过程:
六、基本逻辑指令及使用
简介FX的基本指令形式、功能和编程方法。 2N
1. LD、LDI、OUT指令
1)程序举例:

图4-8
2)例题解释:当X0接通时,Y0接通;当X1断开时,Y1接通。 3)指令使用说明:
?LD和LDI指令用于将常开和常闭触点接到左母线上;
?LD和LDI在电路块分支起点处也使用;
?OUT指令是对输出继电器、辅助继电器、状态继电器、定时器、计数器的线圈
驱动指令,不能用于驱动输入继电器,因为输入继电器的状态是由输入信号决定的。
?OUT指令可作多次并联使用
?定时器的计时线圈或计数器的计数线圈,使用OUT指令后,必须设定值(常数
K或指定数据寄存器的地址号)。
2. AND、ANI指令
1)程序举例:
2)例题解释:
3)指令说明:
3. OR、ORI指令
1)程序举例:
2)例题解释:
3)指令说明:
?OR、ORI指令用作1个触点的并联连接指令;
?OR、ORI指令可以连续使用,并且不受使用次数的限制;
?OR、ORI指令是从该指令的步开始,与前面的LD、LDI指令步进行并联连接;
?当继电器的常开触点或常闭触点与其他继电器的触点组成的混联电路块并联
时,也可以用这两个指令。
4. 串联电路块并联指令ORB、并联电路块串联指令ANB
1)程序举例:
2)例题解释:
3)指令说明:
?ORB、ANB无操作软元2个以上的触点串联连接的电路称为串联电路块; ?将串联电路并联连接时,分支开始用LD、LDI指令,分支结束用ORB指令; ?ORB、ANB指令,是无操作元件的独立指令,它们只描述电路的串并联关系; ?有多个串联电路时,若对每个电路块使用ORB指令,则串联电路没有限制,如
上举例程序;
?若多个并联电路块按顺序和前面的电路串联连接时,则ANB指令的使用次数没
有限制;
?使用ORB、ANB指令编程时,也可以采取ORB、ANB指令连续使用的方法;
但只能连续使用不超过8次,在此建议不使用此法。
5. 分支多重输出MPS、MRD、MPP指令
MPS指令:将逻辑运算结果存入栈存储器;
MRD指令:读出栈1号存储器结果;
MPP指令:取出栈存储器结果并清除。
1)程序举例:
2)例题解释:
3)指令说明:
6. 主控指令MC、MCR
1)程序举例:
2)例题解释:
3)指令说明:
7. 置位指令SET、复位指令RST
RST指令称为复位指令:功能为清除保持的动作,以及寄存器的清零。 1)程序举例:
2)例题解释:
3)指令说明:
8. 上升沿微分脉冲指令PLS、下降沿微分脉冲指令PLF
PLS指令:上升沿微分脉冲指令,当检测到逻辑关系的结果为上升沿信号时,驱
动的操作软元件产生一个脉冲宽度为一个扫描周期的脉冲信号。
PLF指令: 下降沿微分脉冲指令,当检测到逻辑关系的结果为下降沿信号时,驱
动的操作软元件产生一个脉冲宽度为一个扫描周期的脉冲信号。
1)程序举例:
2)例题解释:
3)指令说明:
?PLS指令驱动的软元件只在逻辑输入结果由OFF到ON时动作揖个扫描周期;
?PLF指令驱动的软元件只在逻辑输入结果由ON到OFF时动作一个扫描周期;
?特殊辅助继电器不能作为PLS、PLF的操作软元件。
9. INV取反指令
INV指令是将即将执行INV指令之前的运算结果反转的指令,无操作软元件。
1)程序举例:

图4-25
2)例题解释:X0接通,Y0断开;X0断开,Y0接通。
3)指令说明:
?编写INV取反指令需要前面有输入量,INV指令不能直接与母线相连接,也不能如OR、ORI、ORP、ORF单独并联使用;
?可以多次使用,只是结果只有两个,要么通要么断;
?INV指令只对其前的逻辑关系取反。
10. 空操作指令NOP、结束指令END
1)NOP指令:称为空操作指令,无任何操作元件。其主要功能是在调试程序时,用其取代一些不必要的指令,即删除由这些指令构成的程序;另外在程序中使用NOP指令,可延长扫描周期。若在普通指令与指令之间加入空操作指令,可编程序控制器可继续工作,就如没有加入NOP指令一样;若在程序执行过程中加入空操作指令,则在修改或追加程序时可减少步序号的变化。
2)END指令:称为结束指令,无操作元件。其功能是输入输出处理和返回到0步程序。
3)指令说明:
11. LDP、LDF、ANDP、ANDF、ORP、ORF指令
1)LDP:上升沿检测运算开始(检测到信号的上升沿时闭合一个扫描周期)。
LDF:下降沿检测运算开始(检测到信号的下降沿时闭合一个扫描周期)
ANDP:上升沿检测串联连接(检测到位软元件上升沿信号时闭合一个扫描周期)
ANDF:下降沿检测串联连接(检测到位软元件下降沿信号时闭合一个扫描周期)
ORP:脉冲上升沿检测并联连接(检测到位软元件上升沿信号时闭合一个扫描周期)
ORF:脉冲下降沿检测并联连接(检测到位软元件下降沿信号时闭合一个扫描周期)
2)上述6个指令的操作软元件都为X、Y、M、S、T、C。
教 案 模块四

课 题 实训六 基本指令的编程练习 授课时数 3
1(熟悉PLC实验装置
2(练习编程器的使用
教学目标
3(掌握与、或、非逻辑功能的编程方法
4(掌握定时器计数器的用法
1(编程器的使用 教学重点 2(与、或、非逻辑功能的编程方法 教学难点 定时器、计数器的用法
教学方法 讲练结合、情境体验、自评互评 教学手段 实物操作实践
课外作业 实训报告
教学过程:
一、实训内容与步骤
(一)与或非逻辑功能实验
通过程序判断Yl、Y2、Y3、Y4的输出状态,然后再输入PLC并运行程序加以验证。实验参考程序如下。
步序 指令 器件号 说明 步序 指令 器件号 说明 0 LD X001 输入 7 ANI X003 1 AND X003 输入 8 OUT Y003 或非门输出 2 OUT Y001 与门输出 9 LDI X001 3 LD X001 10 ORI X003 4 OR X003 11 OUT Y004 与非门输出 5 OUT Y002 或门输出 12 END 程序结束 6 LDI X001 梯形图中的X001、X003分别对应控制实验单元输入开关X1、X3。
通过专用电缆连接电脑与PLC主机。打开FXGPWIN,逐条输入程序,检查无误后,PLC通电,将程输入PLC,把主机上的STOP/RUN按钮拨到RUN位置,运行指示灯点亮,表明程序开始运行,有关的指示灯将显示运行结果。拨动输入开关X1、X3,观察输出指示灯Y1、Y2、Y3、Y4是否符合与、或、非逻辑的正确结果。
(二)定时器,计数器功能实验
1(定时器的认识实验
定时器的控制逻辑是经过时间继电器的延时动作,然后产生控制作用。 实验参考程序如下。
步序 指令 器件号 说明
0 LD X001 输入
1 OUT T0 延时5秒
2 K50
3 LD T0
4 OUT Y000 延时时间到,输出
5 END 程序结束
2(定时器扩展实验
由于PLC的定时器和计数器都有一定的定时范围和计数范围,如果需要的设定值超过范围,我们可以通过几个定时器和计数器的串联组合来扩充设定值的范围。 实验参考程序如下。
步序 指令 器件号 说明
0 LD X001 输入
1 OUT T0 延时5秒
2 K50
3 LD T0
4 OUT T1 延时3秒
5 K30
6 LD T1
7 OUT Y000 延时时间到,输出
8 END 程序结束
3(计数器认识实验
三菱FXOS系列的内部计数器分为16位二进制加法计数器和32位增计数,减计数器两种。其中的16位二进制加法计数器,其设定值在K1,K32767范围内有效。
实验参考程序如下。
步序 指令 器件号 说明 步序 指令 器件号 说明
0 LD X001 输入 6 LD T0
1 ANI T0 7 OUT C0 计数20次
2 OUT T0 延时10秒 8 K20
3 K100 9 LD C0
4 LD X000 输入 10 OUT Y000 计数满,输出
5 RST C0 计数器复11 END 程序结束
位
这是一个由定时器T0和计数器C0组成的组合电路。T0形成一个设定值为10秒的自复位定时器,当X1接通,T0线圈得电,经延时10秒,T0的常闭触点断开,定时器断电复位,待下一次扫描时,T0的常闭接点才闭合,T0线圈又重新得电。即T0触点每10秒钟接通一次,每次接通时间为一个扫描周期。计数器对这个脉冲信号进行计数,计数到20次,C0常开触点闭合,使Y0线圈接通。从X0接通到Y0有输出,延时时间为定时器和计数器设定值的乘积:T=T0×C0=10×20=200S。 总
二、实验报告
1(列出实验的梯形图程序和程序说明。
2(如何扩大定时器的延时范围?
3(写出本次实验的心得体会。
教 案

模块四
课 题 7(PLC的编程及应用 授课时数 2
1(掌握编程的基本规则和技巧 教学目标 2(能够运用基本指令设计典型电路的梯形图 教学重点 典型电路的梯形图
教学难点 计数器配合计时的长延时电路
除采用“案例”教学、“启发式+互动式”教学方法外,针对PLC教学方法 的特点采用“软硬结合,分析排障法”特色教学法
在教学过程中配合录像片、典型实物、模型、CAI多媒体音教学手段 像教学等多种教学手段
课外作业 4-10、4-11
教学过程:
七、PLC的编程及应用
1.PLC编程特点
1)程序执行顺序比较
2)PLC程序的扫描执行结果
3)PLC软件特性
PLC在梯形图里可以无数次地使用其触点,既可以是常闭也可以是常开。
2.PLC编程的基本规则
1)X、Y、M、T、C等器件的触点可多次重复使用。
2)梯形图每一行都是从左边母线开始,线圈接在最右边。
3)线圈不能直接与左边的母线相连。
4)同一编号的线圈在一个程序中使用两次称为双线圈输出,双线圈输出容易引起误操作,应避免线圈重复使用。步进顺序控制除外。
5)梯形图必须符合顺序执行的原则,即从左到右,从上到下地执行。如不符合顺序执行的电路不能直接编程。桥式电路梯形图就不能直接编程。
6)在梯形图中串联触点和并联触点使用的次数没有限制,但由于梯形图编程器和打印机的限制,所以建议串联触点一行不超过10个,并联连接的次数不超过24行。
3. 编程技巧
1)程序的编写应按照自上而下、从左到右的方式编写。为了减少程序的执行步数,程序应“左大右小、上大下小“,尽量不出现电路块在左边或下边的情况。
2)依照扫描的原则,程序处理时尽可能让同时动作的线圈在同一个扫描周期内。
3)桥型电路的编程。
4)复杂电路的处理。如果电路的结构比较复杂,用 ANB 或者 ORB 等指令难以解决,可重复使用一些触点画出它们的等效电路,然后再进行编程就比较容易了。
4. 典型控制程序
1)自保持程序
自保持电路也称自锁电路。常用于无机械锁定开关的启动停止控制中。如用无机械锁定功能的按钮控制电动机的启动和停止;并且分为启动优先和断开优先两种。
2)互锁程序
互锁电路用于不允许同时动作的两个或多个继电器的控制,如电动机的正反转控制。
3)时间电路程序
?接通延时
?限时控制程序
?断开延时和长延时
?计数器配合计时
4)分频电路程序
5)振荡电路程序
6)时钟电路程序
5. 编程实例
例1 电动机起动、自保持及停止控制电路的PLC程序设计。
1)分析工艺过程
传统的继电器—接触器控制的电动机的起动、自保持及停止电路,按下起动按钮SB2,接触器KM线圈得电并自锁,电动机起动运行,按下停止按钮SB1,接触器KM线圈失电,电动机停止运行。
2)PLC的I/O点的确定和分配
和继电器控制系统类似,PLC也是由输入部分,•逻辑部分和输出部分组成。其相对应的元件安排如下
输入元件 输出元件
X000:起动按钮SB1 Y001:接触器KM线圈
X001:停止按钮SB2
3)PLC接线图
4)程序编写

图4-44
按下起动按钮SB1,X000接收外部信号置“1”,Y001置“1”并自锁,自锁的目的是当起动按钮SB1松开,X000置“0”时,Y001仍然能保持置“1”状态,使电动机连续运行。需要停车时,按下停止按钮SB2,X001常闭触电置“0”,断开Y001,使Y001置“0”,使电动机停止运行。
5)调试。
例2 锅炉点火和熄火控制。
控制要求为:点火过程为先启动引风,5分钟后启动鼓风,2分钟后点火燃烧;熄火过程为先熄灭火焰,2分钟后停止鼓风,5分钟后停止引风。
1)分析工艺过程
2)PLC的I/O点的确定与分配
3)PLC接线图
4)控制程序编写
5)调试。
教 案

模块四
实训七 异步电动机Y-Δ减压启动PLC的控课 题 授课时数 4 制
1(熟悉和掌握PLC控制异步电动机Y-Δ减压启动系统的实践
教学目标 步骤
2(学会PLC编写梯形图程序和转换成指令表程序的方法 教学重点 Y-Δ减压启动系统PLC控制的实训步骤
教学难点 Y-Δ减压启动梯形图程序的原理
教学方法 讲练结合、演示法、情境体验、自评互评 教学手段 多媒体教学;实物操作实践
课外作业 实训报告
教学过程:
一、实训内容与步骤
1(接线——按“实验接线图”接线
将SS、ST、FR分别接主机的输入点X0、X1、X2;将KM1、KM2、KM3分别接主机输出点Y1、Y2、Y3;COM端与主机的COM端相连;本实验区的COM1,COM2端与主机的COM1、COM2端相连。KM1、KM2、KM3的动作用发光二极管来模拟。
实验装置已将三个CJ10-10接触器的接触点引出至面板上。学生可按图示的粗线,用专用实验连接导线连接。三相市电已引至三相开关SQ的的U、V、W端。 A、B、C、D、X、Y、Z与三相异步电动机的相应六个接线柱相连。将三相闸刀开关拨向“关”位置(开关往上扳),这一实验模块中的U 、V、W端就已得电。所以,请在连好实验接线后,才将这一开关接通,请千万注意人身安全。
2(编程——编写梯形图程序

梯形图程序
3(转换——转换成指令表程序(让学生完成)
4(调试——将所编程序传送到PLC,然后进行调试,观察调试结果
5(总结——用因果图分析动作步骤,记录在调试程序过程中出现的问题,并分析其产生的原因。
四、实验报告
1(画出PLC的I/O端口接线图,列出I/O端子分配表;
2(列出梯形图程序和程序说明。
教 案

模块四
课 题 8(步进指令及状态编程法 授课时数 1
1(掌握步进指令的表示方法和含义,能应用步进指令进行简教学目标 单编程。
2(能根据工序绘出状态图,转换梯形图、指令表 教学重点 应用步进指令进行简单编程
教学难点 应用步进指令编程
教学方法 案例、启发互动式、大脑风暴法等教学方法 教学手段 多媒体课件
课外作业 4-13
教学过程:
八、 步进指令及状态编程法
1. 状态继电器(状态软元件)
2. 状态转移图的设计法
何谓状态转移图(系统状态)设计法,系统程序设计一般有两种思路:一是针对某一具体对象(输出)来考虑),另一种就是功能图设计法。它把整个系统分成几个时间段,在这段时间里可以有一个输出,也可有多个输出,但他们各自状态不变。一旦有一个变化,系统即转入下一个状态。
3. 指令STL、RET
STL指令称为“步进接点“指令。其功能是将步进接点接到左母线。RET指令称为“步进返回“指令。其功能是使临时左母线回到原来左母线的位置。



应用步进指令时注意:1)步进接点只有常开触点,而没有常闭触点,用 表示,指令用STL表示,连接步进触点的其它继电器触点用LD或LDI指令表示,使用STL指令后,应用RET指令使LD点返回左母线。2)只有步进触点闭合时它后面的电路才能动作。如果步进触点断开则其后面的电路将全部断开。但是在1个扫描周期以后,不再执行指令。3)状态的地址号不能重复使用。
4. 程序举例
例1. PLC环系列按钮步进彩灯电路——STL切动一体方案
1)PLC实验接线简图

图4-50
2)SFC图?(译为)梯形图?(译为)指令表

图4-51
例2.某送料小车工作示意图如图4-52所示,小车可以在A、B之间正向启动前进和反向启动后退;小车前进到B处停车,延时10秒后返回,后退至A处停车后立即返回;按下停止按钮,小车停在A、B之间任一位置。

图4-52
教 案

模块四
课 题 实训八 十字路*交口**通灯控制的模拟 授课时数 4
1(正确理解PLC循环扫描的工作过程
2(通过PLC对红绿灯的变时控制,加深对PLC按时间控制功教学目标 能的理解
3(进一步掌握PLC的基本指令,定时器、计数器的正确使用
方法
1(PLC对红绿灯的变时控制 教学重点 2( 程序的调试方法
教学难点 梯形图的工作原理
教学方法 现场教学、讲练结合、情境体验、自评互评
教学手段 多媒体课件;模拟操作实践
课外作业 实训报告
教 案 模块五

课 题 9(应用指令的初步认识 授课时数 1
1(掌握应用指令的基本格式和规则
教学目标 2(掌握常用应用指令的表示方法和含义,能使用应用指令进
行简单编程
教学重点 常用应用指令的表示方法和含义
教学难点 使用应用指令进行编程
教学方法 讲授、 “启发式+互动式”教学方法
教学手段 多媒体课件
4-15、4-16 课外作业
教学过程:
九、应用指令的初步认识
1. 应用指令的基础知识
1)应用指令的基本格式
?应用指令有三部分组成:功能编号FNC---,助记符,操作数。 ?梯形图形式: 、。 ?梯形图输入同一个应用指令:、。




?应用指令的含义

2)应用指令的规则
2. 应用指令简介
应用指令分为程序流程控制、传送与比较、数据处理等,在这节里我们对常用应
用指令作一简单介绍。
1)传送与比较指令
?MOV指令
?比较指令CMP(FNC10)、区间比较指令 ZCP(FNC11)
2)程序流程控制指令
3)四则运算指令
?加法指令
?减法指令
4)移位指令
5)数据处理: 批复位指令ZRST
3. 应用指令的程序编写——定时报时器控制程序
应用计数器与比较指令构成24小时可设定定时时间的控制器,每15分钟为一设
定单位,工96个时间单位。
教 案

模块四
课 题 综合项目三:*答器抢**的PLC控制 授课时数 4
1(方案确定、电气控制元器件选用、I/O端口分配 训练内容 2(软件设计及调试
通过对简单自动控制系统的PLC控制设计,使学生进一步熟悉
PLC的结构、组成、工作原理,掌握根据生产工艺过程和自动训练目标 控制要求用PLC进行控制的PLC系统及控制程序设计方法和步
骤,培养同学们的工程意识和工程实践能力,为今后进一步从
事这方面的工作打下坚实的基础
教学重点 软件设计及调试
教学难点 软件设计
教学方法 项目驱动法、讨论式、情境体验、自评互评
教学手段 多媒体课件及模型;模拟操作实践;制做作品
课外作业 项 目 报告
教学过程:
一、工作任务
设计一个知识竞赛抢答装置,提出如下控制要求:
1(*答器抢**同时为8组选手分别提供按钮进行抢答,按钮分别为PB0、PB1、PB2、PB3、PB4、PB5、PB6、PB7;
2(设置一个复位按钮PB10,实现系统电路的复位,由主持人控制;
3(当主持人打开启动开关SW1后,在设定时间T0内,如果某组抢先按下按钮,则驱动音效电路1发出声响,指示灯L1亮,并且在8段数码管显示器(如图1所示)上显示出抢答成功的组号,此时电路实现互锁,其他组再按下抢答按钮为无效;
4(如果在时间T0内,无人应答,则驱动音效电路2发出声响,指示灯L2亮,表示抢答者均放弃该题;
5(在抢答成功后,主持人打开限时开关SW2,启动计时器,在设定时间T1内回答有效,当到达设定时间T1时,驱动音效电路3,指示灯L3亮,表示答题时间到。
二、内容及步骤
1.总体方案的确定
根据控制要求,确定总体方案。
2.正确选用电气控制元件和PLC
根据选用的输入输出设备的数目和电气特性,选择合适的PLC,要求进行电气元件的选用说明。
3.分配I/O点,画出I/O连线图
根据选用的输入输出设备,确定I/O端口。依据输入输出设备和PLC的I/O端口分配关系,画出I/O连线图。
4.程序设计说明及过程分析
要求绘制控制系统流程图,详细进行程序设计过程的分析说明。
5.软件设计及调试
设计简单、可靠的控制程序,并上机调试通过。
6.编写简要说明书
三、教学设计
1.分组与布置任务
2.确定工程解决方案和控制电路
3.方案验证
4.学习评价
四、参考资料
1(系统结构
(1)系统结构框图如项目图3-1所示.

项目图3-1
(2)主控制器
本系统的主控制器采用日本三菱公司生产的FX1N-40MR型PLC,该型PLC功能较大,提供24个输入点和16个输出点,继电器输出方式,均采用8进制编号.PLC编程可采用手持式编程器或编程软件FXGP-WIN-C,PLC可编程程序控制器及软件提供了完整的编程环境,可进行离线纺程,在线连接和调度.三菱PLC的编程指令简单易懂且程序设计灵活,可采用梯形图或者指令语言进行软件设计。
(3)输入输三菱FX1N-40MR型PLC采用整体式结构,其控制单元提供24个输入点,16个输出点.本系统需要11个输入点,13个输出点,具体分配如下表所示.
输入输出端子分配表
输入端子分配 输出端子分配
抢答按钮PB0 XOOO 八段数码管a Y000
抢答按钮PB1 X001 八段数码管b Y001
抢答按钮PB2 X002 八段数码管c Y002
抢答按钮PB3 X003 八段数码管d Y003
抢答按钮PB4 X004 八段数码管e Y004
抢答按钮PB5 X005 八段数码管f Y005
抢答按钮PB6 X006 八段数码管g Y006
抢答按钮PB7 X007 音效电路1 Y010
复位按钮PB10 X010 提示灯L1 Y011
启动开关SW1 X011 音效电路2 Y012
限时开关SW2 X012 提示灯L2 Y013
音效电路3 Y014
提示灯L3 Y015
2(硬件连接图
本系统外部硬件连接方式如项目图3-2所示。

项目图3-2
3(软件设计
(1)系统梯形图
系统控制部分梯形图和显示器编码部分梯形图设计。
(2)工作过程分析
?始抢答前,主持人首先通过复位按钮PB10(X010)实现电路复位,在提问之后,打开选择开关SW1(X011)启动定时器T0(本程序预设为10s)。
?答限时内,当某一组抢先按下抢答按钮后,对应的辅助继电器接通,同时切断其它抢答回路,实现互锁.如PB0抢先按下,则X000导通,辅助继电器M0接通,同时切断M1-M7抢答回路,PB1-PB7再按下将不会起作用。
?成功后,辅助继电器M8接通,启动音效电路1(Y010)和指示灯L1(Y011),同时利用内部编码程序段控制输出点Y000-Y006,输出驱动信号,驱动外部数码显示器显示抢答成功的组号。
?果在限时内无人抢答,则启动音效电路2(X012)和指示灯L2(Y013),外部数码显示器无显示。
?成功后,主持人打开限时开关SW2(X012),启动定时器T1(本程序预设为60s),当T1计时结束,将启动音效电路3(Y014)和指示灯L3(Y015)提示回答时间到。
教 学 设 计
模块五 PLC控制系统的设计与应用
一、教学目标
1( 知识目标: 掌握PLC控制系统设计的内容、步骤和方法,熟悉PLC在常用控制系统中的典型应用
2(能力目标: 具有应用PLC实现电气自动控制要求的设计能力,能够进行对一般电气控制设备的PLC改造并初步形成PLC应用系统的设计、安装、调试、故障排除能力
二、教学内容
1(控制系统设计概要
2(PLC控制系统设计的要点
3(PLC的软件设计方法
4(应用案例
5(PLC故障诊断及其处理
三、教学重点和难点
重点:PLC控制系统设计的步骤、内容和方法
难点:PLC控制系统设计方法
四、教学方法与手段
本模块内容主要是PLC控制系统的设计内容和步骤,及PLC在实际控制中的应用。在教学过程中配合录像片、典型实物模型、 CAI 多媒体音像教学等多种教学手段,突出“案例法”教学。
在讲授时,将实际案例引入教材、教学体系中,每个重要知识点均与实际应用结合起来。例如我们以机械手的控制引出案例,让学生了解PLC控制系统设计的内容、步骤和方法。因为教学是以案例的形式提出,增强学生的学习兴趣,从“要我学”变为“我要学”,从而对案例的理论和相关技能得以大力培养。
在讲述PLC控制系统中用户程序的设计时,利用类比对照法,将几种软件设计方法,及每种方法的设计步骤进行比较。在讲应用PLC进行机械手、电梯控制中的应用时,从实用性的角度,调动起学生学习的积极性。
五、学习方法
要进行PLC控制系统设计的硬件设置和软件设计,就必须熟悉PLC的组成结构及各种指令,所以在学习本模块之前,要将有关模块的内容进行复习,课堂上要紧跟老师的思路走,熟练掌握PLC控制系统设计的内容和步骤,掌握最常用的翻译法、顺序功能图法和逻辑法这三种设计方法。再通过课后作业巩固本模块内容。
六、授课程序
先讲述PLC控制系统设计的内容和步骤;再讲述PLC的硬件设置及PLC的软件设计方法与步骤;然后讲述PLC在机械手控制和电梯控制中的应用;最后介绍PLC故障诊断及其处理。课后布置作业题使学生巩固本章内容。
、4后,各安排1次实训;最后完成1个综合实训项目。 在学习本模块课题3
教 案 模块五

1(控制系统设计概要 课 题 授课时数 2 2(设计的要点
1(了解控制系统设计的基本原则、基本内容和一般步骤
2(能根据负载正确选择PLC型号,点数,I/O模块;掌握PLC教学目标 控制设计的基本步骤和方法
3(了解控制系统设计的要点
教学重点 控制系统设计的基本内容和一般步骤 教学难点 扩展模块的选用和PLC的网络设计要点 教学方法 讲授、 “启发式+互动式”教学
在教学过程中配合录像片、模型、CAI多媒体音像教学等多教学手段 种教学手段
课外作业 5-1
教学过程:
一、控制系统设计概要
1.PLC控制系统设计的基本原则
2. PLC控制系统设计的基本内容
3.PLC控制系统设计的一般步骤
1)流程图功能说明
2)PLC程序设计的步骤
3)设计步骤框图:
二、PLC控制系统设计的要点
1.LC硬件选购
2.输入回路的设计要点
1)电源回路。
2)PLC上DC24V电源的使用。
3)外部DC24V电源。
4)输入的灵敏度。
3.输出回路的设计要点
1)各种输出方式之间的比较。
2)抗干扰与外部互锁。
3)“COM“点的选择。
4)PLC外部驱动电路。
4.扩展模块的选用
对于小的系统,如80点以内的系统(一般不需要扩展;当系统较大时,就要扩展。不同公司的产品,对系统总点数及扩展模块的数量都有限制,当扩展仍不能满足要求时,可采用网络结构;同时,有些厂家产品的个别指令不支持扩展模块,因此,在进行软件编制时要注意。
5.PLC的网络设计
6.软件编制
在编制软件前,应首先熟悉所选用的 PLC产品的软件说明书,待熟练后再编程。若用图形编程器或软件包编程,则可直接编程,若用手持编程器编程,应先画出梯形图,然后编程,这样可少出错,速度也快。编程结束后先空调程序,待各个动作正常后,再在设备上调试。
教 案 模块五

课 题 3(PLC的软件设计方法 授课时数 2
1(掌握PLC常用的软件设计方法:经验设计法、翻译法、状
教学目标 态转移图、逻辑设计法
2(学会用以上方法进行控制系统的设计
教学重点 经验设计法、翻译法、状态转移图
教学难点 状态转移图、逻辑设计法
类比对照法、“讲练结合,层层递进”教学、“启发式+互动式”教学方法 教学方法
教学手段 多媒体课件
课外作业 5-3、5-4
教学过程:
三、PLC的软件设计方法1.经验设计法
经验设计法即在一些典型的控制电路程序的基础上,根据被控对象的具体要求,进行选择组合,并多次反复调试和修改梯形图,有时需增加一些辅助触点和中间编程环节,才能达到控制要求。这种方法没有规律可遵循,设计所用时间和质量与设计者的经验有很大关系,所以称为经验设计法。经验设计法用于较简单的梯形图设计。应用经验设计法必须熟记一些典型的控制电路,如起保停电路、脉冲发生电路等。
2.翻译法
用PLC中软元件,代替原继电器—接触器控制线路图中的元器件,直接翻译成梯形图的方法。主要用于对旧设备、旧控制系统的技术改造。
设计举例:正反转。

3.状态转移图针对顺序控制方式或步进控制方式的程序设计。在程序设计时,首先将系统的工作过程分解成若干个连续的阶段,每一阶段称为“工步”或“状态”,以工步(或状态)为单元,从工作过程开始,一步接着一步,一直到工作过程的最后一步结束。设计举例见后面的应用范例1。
4.逻辑设计法以布尔逻辑代数为理论基础,以逻辑变量“0”或“1”作为研究对象,以“与”、“或”、“非”三种基本逻辑运算为分析依据,对电气控制线路进行逻辑运算,把触点的“通、断”状态用逻辑变量“0”或“1”来表示。
设计举例:“与、或、非”逻辑关系。
教 案

模块五
课 题 实训九 运料小车控制模拟 授课时数 4
1(掌握SFTL指令或ADD、MOV等功能指令的使用方法
2(熟悉生产机械多种运行方式控制的编程方法及运行情况 教学目标 3(掌握PLC的I/O点数的选择原则
4(进一步掌握程序的调试方法,提高分析问题和解决问题的
能力
教学重点 熟悉生产机械多种运行方式控制的编程方法及运行情况 教学难点 生产机械多种运行方式控制的编程方法
教学方法 任务驱动、讨论式、讲练结合、自评互评
教学手段 多媒体课件及模型;模拟操作实践
课外作业 实训报告
教学过程:
一、实验控制要求
如图所示送料装置运行过程示意图,控制要求如下:
l(送料装置在原位时压下行程开关SQ1。
2(起动后送料装置前进至A处压下SQ2,停留T1(30S)送料装置自动返回原位。 3(返回原位SQ1处后,延时T2(30s),再自动前进至A处压下SQ2不停,一直运
行至B处压下SQ3停止,停留T3(30s)后,自动返回原位压下SQ1停止。 4(在原位停留T4(30s)后再自动前进,按上述过程进行自动循环。
5(要求循环到预定的次数(预设2次),送料装置自动停在原位,循环次数可以
通过程序设定,也可以通过外部进行设定。
6(可在运行的任意位置停止,停止后可点动返回原位。

送料装置运行过程示意图
图9-2 自动送料装置控制过程流程图
二、实验线路及原理
如图为送料装置PLC控制的硬件原理图。

说明:KM1、KM2为拖动送料装置电动机正反向运行的交流接触器;SB1为起动按钮,SB2为反向起动按钮;SB3为外部设置循环次数的按钮;SB3接通的次数,即为送料装置的循环次数;SB4为停止按钮;SA1为程序置数和外部置数的选择开关,接通时为外部设置循环置数。SA2为点动和自动的选择开关。
三、实验步骤
1(按硬件原理图先接好PLC的电源及输入端接线,检查无误后通电。
2(将程序输入PLC内存。
3(检查输入的程序是否正确。
4(将PLC机的工作状态选择RUN状态,运行程序。
5(模拟调试程序是否符合要求:
(1)送料装置的点动控制,将SA2接通,操作SB1、SB2、观察输出的变化是否符合要求。
(2)程序设定循环次数,改变计数器的设定值即可改变送料装置的循环次数。监控计数器的当前值变化,记录送料装置的循环次数,是否与程序设定的相符合。
(3)外部设定循环次数,将SA1接通此时PLC的输人信号X11有效,然后再按下SB3,SB3的接通次数即为设定的循环次数,PLC将设定的循环次数存人PLC,与PLC中存入的已循环次数比较,当二者相等时,循环结束。监控PLC存储器内循环次数的变化,记录送料装置的循环次数是否与外部设定的相符合。
6(程序模拟调试完成后,再根据硬件原理图接好PLC的输出部分接线,然后按模拟调试的过程带载调试,直到满足要求。
7(记录调试中出现的问题,并分析其产生的原因。
六、实验报告
1(写出控制要求;
2(画出PLC的I/O端口接线图,列出I/O分配表;
3(列出送料装置PLC控制的梯形图和程序说明;
4(说明实验过程中出现的问题是如何解决的。
教 案 模块五

课 题 4(应用案例 授课时数 2
结合机械手臂控制的工作过程具体进行控制系统的设计,了解教学目标 实际电气工程系统的设计过程
教学重点 机械手臂控制
教学难点 机械手臂控制程序的设计
案例、启发互动式、大脑风暴法等教学方法 教学方法 理实一体化教学,边讲边做、讲练结合 教学手段 多媒体课件;实物演示和观摩
课外作业 5-5、5-6
教学过程:
四、应用案例
传统的自动控制系统由继电器—接触器控制组成,存在故障多、可靠性差、工作寿命短、不易检修等缺点。随着PLC的普及和完善,以及PLC本身所具有的高可靠性、易编程修改的特点,在自动控制系统中应用取得了良好的效果。如:MPS模块化自动生产加工系统、智能群控电梯控制系统。
【应用范例1】机械手臂控制

图5-6 机械手臂控制示意图1. 机械电气控制设计的手臂控制要求
2. 机械电气控制设计的功能分析
3. 机械电气控制设计的元件分配

4. 机械电气控制设计的绘制状态流程图
1)原点复位流程
2)工件搬运流程(图5-9)
3)传送带流程(图5-10)
4)并进-合流分支(图5-11)
5. 机械电气控制设计的步进阶梯图转换
(图5-12)
6. 机械电气控制设计的程序清单
教 案

模块五
课 题 实训十 机械手动作模拟 授课时数 5
1(掌握移位指令的使用方法
教学目标
2(熟悉生产机械多种运行方式控制的编程方法及运行情况 教学重点 掌握移位指令的使用方法
教学难点 梯形图程序的工作原理
教学方法 现场教学、讨论式、讲练结合、情境体验、自评互评 教学手段 多媒体课件;现场演示和观摩;实物操作实践 课外作业 实训报告
教学过程:
一、控制要求
机械手将工件A处传送到B处,上升/下降和左移/右移的执行用双线圈二位电磁阀推动气缸完成。当某个电磁阀线圈通电,就一直保持现有的机械动作,例如一旦下降的电磁阀线圈通电,机械手下降,即使线圈在断电,仍保持现有的下降动作状态,直到相反方向的线圈通电为止。另外,夹紧/放松由单线圈二位电磁阀推动气缸完成,线圈通电执行夹紧动作,线圈断电时执行放松动作。设备装有上、下限位和左、右限位开开关,它的工作过程如图10-1所示,有八个动作。
二、实验面板图
图下框中的YV1、YV2、YV3 、YV4 、YV5、HL分别接主机的输出点Y0、Y1、Y2、Y3、Y4、Y5;SB1、SB2分别接主机的输入点X0、X5;SQ1、SQ2、SQ3、SQ4分别接主机的输入点X1、X2、X3、X4。上框中的起动、停止用动断按钮来实现,限位开关用纽子开关来模拟,电磁阀和原位指示灯用发光二极管来模拟。
三、实训步骤
1(根据硬件接线图,在THPLC-A型实验装置上连接好PLC的电源及输入、输出端接线,检查
无误后通电。
2(编写PLC程序。
3(将程序输入PLC内存。
4(将PLC的工作状态选择至RUN状态,运行程序。
5(调试程序是否符合控制要求,若不符合要求,应对所输入的程序进行修改,反复调试直到
满足要求为止。
6(记录在调试程序过程中出现的问题,并分析其产生的原因。
四、实训报告
1(列出送料装置PLC控制的梯形图和程序说明。
2(说明在调试程序过程中,各行程开关应如何模拟操作。
3(说明实验过程中出现的问题是如何解决的。
教 案

模块五
课 题 5(PLC故障诊断及其处理 授课时数 4
1(了解PLC常见故障及现象 教学目标 2(掌握PLC故障的查找方法和流程
教学重点 PLC常见故障的查找方法和流程
教学难点 运行故障检查
除采用“讲练结合,层层递进”教学、“启发式+互动式”教学方教学方法 法外,针对PLC的特点采用“软硬结合,分析排障法”特色教
学法
教学手段 多媒体课件;现场演示
课外作业 5-8
教学过程:
五、PLC故障诊断及其处理
PLC有很强的自诊断能力,当PLC自身故障或外围设备故障,都可用PLC上具有的诊断指示功能的发光二极管的亮灭来诊断。
1(PLC故障查找流程图
1)总体检查
根据总体检查流程图找出故障点的大方向,逐渐细化,以找出具体故障,如图5-13所示。
2)电源故障检查
电源灯不亮需对供电系统进行检查,检查流程图如图5-14所示。
3)输入输出故障检查
输入输出是PLC与外部设备进行信息交流的通道,其是否正常工作,除了和输入输出单元有关外,还与联接配线、接线端子、保险管等元件状态有关。检查流程图如图5-15、图5-16所示。
4)运行故障检查
电源正常,运行指示灯不亮,说明系统已因某种异常而终止了正常运行,检查流程图如图5-17所示。
5)外部环境的检查
影响PLC工作的环境因素主要有温度、湿度、噪音与粉尘,以及腐蚀性酸碱等。
2(可编程序控制器输入、输出单元故障处理
1)可编程序控制器输入单元故障处理
2)可编程序控制器输出单元故障处理
教 案

模块五
课 题 综合项目四:三层楼电梯PLC控制 授课时数 6
1(分析整理电梯输入输出信号
训练内容 2(设计系统方案
3(上机调试程序和进行系统调试
1(掌握PLC基本理论、结构及编程
2(学会PLC与其他设备的装接、构成自动化系统,进行软、训练目标 硬件调试
3(培养同学们的工程意识和工程实践能力,为今后进一步从
事这方面的工作打下坚实的基础
教学重点 软件设计及调试
教学难点 系统方案设计
教学方法 项目驱动法、现场教学、讨论式、情境体验、自评互评 教学手段 多媒体;现场演示;实物操作实践
课外作业 项 目 报告
教学过程:
一、工作任务
设计一个三层楼电梯PLC控制装置,提出如下控制要求:
1(当电梯停于1F或2F时,如果按3F按钮呼叫,则电梯上升到3F。 2(当电梯停于3F或2F时,如果按1F按钮呼叫,则电梯下降到1F。 3(当电梯停于1F, 如果按2F按钮呼叫,则电梯上升到2F。 4(当电梯停于3F,如果按2F按钮呼叫,则电梯下降到2F。 5(当电梯停于1F,而2F、3F有人呼叫,电梯先上升到2F,由SQ2控制暂停2秒,
继续上升到3F。
6.当电梯停于3F,而1F、2F按钮有人呼叫时,电梯下降到2F,由SQ2控制暂停2
秒,继续下降到1F。
7. 梯上升途中,任何反方向的下降按钮呼叫均无效。
8. 电梯上升途中,任何反方向的上升按钮呼叫均无效。
9.层楼之间的到达时间应在10秒内完成,否则电梯停机。
二、内容及步骤
1.总体方案的确定:根据控制要求,确定总体方案
2.正确选用电气控制元件和PLC
根据选用的输入输出设备的数目和电气特性,选择合适的PLC,要求进行电气元件
的选用说明。
3.分配I/O点,画出I/O连线图
根据选用的输入输出设备,确定I/O端口。依据输入输出设备和PLC的I/O端口
分配关系,画出I/O连线图。
4.程序设计说明及过程分析
要求绘制控制系统流程图,详细进行程序设计过程的分析说明。 5.软件设计及调试:设计简单、可靠的控制程序,并上机调试通过。 6.编写简要说明书
三、教学设计
1.分组
2.确定工程解决方案和控制电路
3.方案验证
4.学习评价
四、注意事项
1(注意加电气互锁及PLC触点保护
2(安装时,整体布局要合理。不能带电换接线路
3(系统调试过程中要注意安全
五、考核要求与标准
1(正确画出电路图
2、按要求设计控制系统方案
3(完成系统的调试
4(项目答辩
教 学 设 计
模块六 特殊功能模块及其应用
一、教学目标
1( 知识目标: 了解 PLC通信模块、模拟量 输入/输出模块、位置控制模块的使用常识
2(能力目标: 能正确进行 PLC主机、特殊功能模块和外部设备的硬件接线,并能 进行一般参数设置
二、教学内容
1( 通信 模块及其应用
2( 模拟量输入/输出 模块及其应用
3( 位置控制 模块及其应用
4(变频器多段调速的应用
三、教学重点和难点
重点:PLC与计算机通信方式
难点:PLC与变频器通信
四、教学方法与手段
本模块内容适合采用多媒体教学、演示实验或展示实物的手段,结合案例法教学。在讲授时,将实际案例引入教材、教学体系中,每个重要知识点均与实际应用结合起来。例如通过“FX2N系列PLC的‘编程口’及‘485口’通信”案例来理解PLC联网通信方式及参数的设置。因为教学是以案例的形式提出,增强学生的学习兴趣,从“要我学”变为“我要学”,从而对案例的理论和相关技能得以大力培养。
在讲模拟量控制和位置控制中的应用时,主要讲述了三菱公司FX2N系列的PLC各种功能模块的性能指标,及其在控制应用中选择使用。适合采用多媒体教学、演示实验或展示实物的方法,来提高学生的兴趣,以此降低课堂的枯燥乏味。让学生了解各种模块的外型、结构、性能、用途等。在授课的过程中,从实用性的角度,调动起学生学习的积极性。
在讲PLC与计算机通信及PLC网络时,计算机、通信技术、控制技术联系比较密切,基本概念多且抽象难懂,信息量大,适合采用多媒体教学。对各种通信硬件、通信方式及相关网络作以简单介绍,使学生对相关内容有所了解即可。
五、学习方法
本模块不作为本课程的重点,学生在学习的过程中,要充分利用以往所学的计算机、数据通信技术等知识,对 PLC与计算机通信及PLC网络充分理解,要全面了解有关PL 的各种技术,能够对PLC各项功能的使用熟练掌握,为以后的工作打下坚实的基础。
六、授课程序
以三菱公司FX2N系列为例,先讲述PLC的通信基础知识,数据通信的基本概念、通信方式、通信接口等,再用于模拟量控制的各种功能模块;然后介绍位置控制单元模块,对变频器多段调速进行简介。最后布置作业,让学生阅读有关模块知识的其他书籍。
本模块安排1-2次实训(多学时安排2次),通过PLC通信练习,了解PLC与PC通信的硬件配置和参数的设置,掌握编程软件和组态软件的使用。
教 案 模块六

课 题 1(通信模块及其应用 授课时数 2
了解PLC网络及通讯基本知识,能设计简单的PLC与PC的通教学目标 讯方案
教学重点 PLC与计算机通信方式
教学难点 PLC与变频器通信
教学方法 结合案例,“讲练结合,层层递进”教学 教学手段 多媒体教学、演示实验或展示实物的手段 课外作业 查阅网上资料
教学过程:
一、通信 模块及其应用
PLC与计算机、PLC与外部设备、PLC与PLC之间的信息交换称为PLC通信。PLC通信的目的是通过共同约定的通信协议和通信方式,传输和处理交换的信息。
1(PLC与计算机通信1)PLC通信的基本概念
?并行通信与串行通信
?串行通信的类型
?串行通信的连接方式
2)PLC与计算机数据通信方式
实现多处理机之间的联接和数据通信主要有过程通道连接通信方式、调制解调通信方式、总线连接通信方式和高速数据通道通信方式等。?过程通道连接通信方式
?调制解调连接通信方式
?高速数据通道连接通信方式
3)PLC与上位机的通信
?PLC与上位机通信接口
PLC通信主要采用串行异步通信,其常用的串行通信接口标准有RS-232C、RS-422A和RS-485等。
?PLC与上位机的通信模块
2(PLC与PLC的通信
在较大规模的控制系统中,有时需要两台或两台以上的PLC进行控制。在FX系2N列中,利用光纤并行通信适配器FX-40AP/AW和双绞线并行通信适配器FX-40AW,可2N2N实现两台PLC的自动数据传送,达到两台PLC并联运行的目的。
3(PLC和变频器通信
1)系统硬件组成
2)硬件安装方法
3)变频器通讯参数设置
4)PLC编程方法及示例
?通讯方式
?变频器控制的PLC指令规格
?变频器运行监视的PLC语句表程序示例及注释
?变频器运行控制的PLC语句表程序示例及注释
?变频器参数读取的PLC语句表程序示例及注释
?变频器参数写入的PLC语句表程序示例及注释
教 案 模块六

课 题 2.模拟量输入/输出 模块及其应用 授课时数 2
教学目标 了解PLC用于模拟量控制
教学重点 模拟量输入输出单元模块的接线及参数设置 教学难点 模拟量控制
教学方法 结合案例,“讲练结合,层层递进”教学 教学手段 多媒体教学、演示实验或展示实物的手段 课外作业 查阅网上资料
教学过程:
二、模拟量输入/输出模块及其应用
,(概述
模拟量输入模块(A/D模块)是把现场连续变化的模拟信号转换成适合PLC内部处理的数字信号。输入的模拟信号经运算放大器放大后进行A/D转换,再经光电藕合器为PLC提供一定位数的数字信号。FX2N系列常用的PLC模拟量输入/输出模块如图6-12所示。
2(模拟量输入/输出单元
以三菱公司的F2-6A模块为例,来说明模拟量输入输出单元模块的有关情况。 F2-6A是三菱公司F1、F2系列PLC的扩展单元,为8位4通道输入、2通道输出的模拟量输入输出单元模块。
3(A/D转换、D/A转换
1)模数转换(A/D)模块:将现场仪表输出的(标准)模拟量信号0-10mA、4-20mA、1-5VDC等转化为计机可以处理的数字信号
数模转换(D/A)模块:将计算机内部的数字信号转化为现场仪表可以接收的标准信号4-20mA等。
如:12位数字量(0-4095)?4-20mA;2047对应的转换结果:12mA。
2)A/D转换(A/D、AI)的作用 (A/D、AI)的作用
3)D/A转换(D/A、AO)的作用 (D/A、AO)的作用
4(几种常见模拟量输入/输出模块简介1)模拟量输入模块FX-4AD
2)热电偶温度传感器模拟量输入模块FX-4AD-TC
3)模拟量输出模块FX-2DAFX-2DA为2通道12位D/A转换模块,每个通道可独立设置电压或电流输出。FX-2DA是一种与F2-6A相比具有高精确度的输出模块。
教 案

模块六
课 题 3(位置控制 模块及其应用 授课时数 2 教学目标 了解PLC用于位置控制
教学重点 脉冲输出单元F2-30GM与步进电机或伺服电机驱动器相接
脉冲输出单元F2-30GM与步进电机或伺服电机驱动器的配合使教学难点 用
教学方法 结合案例,“讲练结合,层层递进”教学
教学手段 多媒体教学、演示实验或展示实物的手段
课外作业 查阅网上资料
教学过程:
三、位置控制模块及其应用
1(概述
位置控制是对工位的控制,可由位置控制模块实现。PLC系统可作为整个位置控制系统中的一个控制环节,配上伺服放大器或驱动放大器,就可以将位置控制功能和逻辑控制、顺序控制等一揽子解决。2(点位控制的脉冲输出单元F2-30GM 脉冲输出单元F2-30GM与步进电机或伺服电机驱动器相接,可驱动步进电机或伺服电机实现位置控制。下面为F2-30GM应用系统方框图。

图6-20 F2-30GM应用系统方框图
教 案 模块六

课 题 实训十一 PLC编程口通信练习 授课时数 4
1(了解PLC与PC通信的硬件配置和参数的设置 教学目标
2(练习使用GPP编程软件
教学重点 PLC与PC通信的硬件配置和参数的设置 教学难点 PLC与PC通信的参数设置
教学方法 现场教学、讲练结合、情境体验、自评互评 教学手段 多媒体;现场演示;实际操作实践
课外作业 实训报告
教学过程:
一、参考梯形图
M8000
[ RST M8161]16位通信模式的设置
[ RS D500 K10 D400 K10 ]设置传送的和接收缓冲区的地址范围X000
[ BMOV D100 D500 K10 ]将D100-D109中的数据送入传送缓冲区
[ RST M8122]将传送控制置执行传送M8122
[ BMOV D400 D0 K9 ]将接收缓冲区的转存到D0-D8
[ RST M8123]M8123置OFF,可接收新的数据 功能:将D100-D109中的数据按16位通信传送出去,并将接收的数据转存到
D000-D008中。
二、实训步骤
1. 硬件接线。用“编程电缆”将PLC的“422编程口”(8针mini口)与计算机的
“232串行通信口”(9针D形口)相连。
2(设置通讯参数。PLC方的串行口的“232通信”参数——默认设置如下:

3(输入、编辑梯形图,并转换成语句表指令。
4(将程序*载下**到PLC。
5(程序的调试。通过执行菜单命令“在线?监视”或“在线?调试”来实现。 三、实训报告与考核要求
(一)实训报告
1.认真观察PLC基本单元上输入/输出指示灯的变化,并记录。
2.总结梯形图输入及修改的操作过程。
3.记下通讯参数的设置方式。
(二)考核要求
1(严格按操作规程作业。
2(正确进行“编程口通信”硬件接线。
3(按照规定的步骤编程、写入与修改程序、设置通信参数、调试程序。 4(遵守安全文明生产规定。