高能提醒:本节内容巨多,要耐心学习呀![不看]
大家继续关注点赞转发,好好学习,继续加油!
第二章 电气安全技术
第一节 电气事故及危害(3-4分)
第二节 触电防护技术(5-6分) 【本文分享】
第三节 电气防火防爆技术(3-4分)
第四节 雷击和静电防护技术(4-5分)
第五节 电气装置安全技术(2-3分)
第二节 触电防护技术
触电防护技术 包括 直接接触触电防护、间接接触触电防护 和 兼防直接接触和间接接触触电防护技术。
直接接触电击防护措施: 绝缘、屏护和间距。
间接接触电击防护措施: 接地、接零、等电位联结、双重绝缘、电气隔离、不导电环境。
兼防直接和间接电击措施: 安全电压、漏电保护。
一、绝缘、屏护和间距( 防直接接触电击 )
(一)绝缘
1.绝缘材料
(1)绝缘材料分类
1)固体绝缘材料 ,包括陶瓷、玻璃、云母、石棉等无机绝缘材料,橡胶、塑料、纤维制品等有机绝缘材料和玻璃漆布等复合绝缘材料。
2)液体绝缘材料 ,包括矿物油、硅油等液体。
3)气体绝缘材料 ,包括六氟化硫、氮等气体。
(2)绝缘材料性能
绝缘材料有 电性能、热性能、机械性能、化学性能、吸潮性能、抗生物性
能 等多项性能指标。
1)电性能: 绝缘电阻、耐压强度、泄漏电流 和 介质损耗 。
电阻率: 相应于在稳定 直流 状态下材料所表现的电阻率。
介电常数: 表明绝缘极化特征的性能参数。 介电常数越大,极化过程越慢。
绝缘电阻: 相当于漏导电流遇到的电阻,是直流电阻。绝缘物受潮后绝缘电阻明显降低。
2)力学性能: 指 强度、弹性 等性能。随着使用时间延长,力学性能将逐渐降低。
3)热性能: 包括 耐热性能、耐弧性能、阻燃性能、软化温度 和 黏度 。
耐热性能: 用允许工作温度来衡量。
耐弧性能: 指接触电弧时表面抗炭化的能力。无机绝缘材料的耐弧性 优于 有机绝缘材料。
阻燃性能: 用氧指数表示,氧指数是在规定的条件下,材料在氧、氮混合气体中恰好能保持燃烧状态所需要的 最低氧浓度 。

软化温度: 是指 固体 绝缘在较高温度下维持不变形的能力。
黏度: 指绝缘 液体 的流动性。
4)吸潮性能: 包括 吸水性能 和 亲水性能 。 木材属于吸水性材料,玻璃属于非吸水性材料、属于亲水性材料,蜡和聚四氟乙烯属于非亲水性材料。
5)抗生物性能: 材料抵御霉菌等生物性破坏的能力。

2.绝缘破坏
(1)绝缘击穿( 都是由碰撞电离导致的电击穿 )
1)气体绝缘击穿: 气体击穿后 绝缘性能会很快恢复 。
2)液体绝缘击穿: 绝缘性能 只在一定程度上得到恢复 。液体的 密度越大越难击穿 , 击穿强度比气体高。 液体绝缘的击穿特性 与其纯净程度有关。
3)固体绝缘击穿: 有 电击穿、热击穿、电化学击穿、放电击穿 等击穿形式。固体绝缘击穿后将 失去其原有性能 。
电击穿 :特点是作用时间 短 、击穿电压 高 。
热击穿 :特点是电压作用时间 较长 ,击穿电压 较低 。
电化学击穿 :特点是电压作用时间 很长 、击穿电压 很低 。
放电击穿: 在强电场作用下,内部气泡首先发生碰撞电离而放电,继而加热其他杂质, 使之气化形成气泡,由气泡放电进一步发展导致的击穿。
(2)绝缘老化
老化是绝缘材料在运行过程中受到热、电、光、氧、机械力、微生物等因素的长期作用,发生一系列 不可逆 的物理化学变化,导致电气性能和机械性能的劣化。
(3)绝缘损坏
损坏是绝缘材料受到外界腐蚀性液体、气体、蒸气、潮气、粉尘的污染和侵蚀,以及受到外界热源、机械力、生物因素的作用,失去电气性能、力学性能的现象。
(二)屏护和问距
1.屏护
采用护罩、护盖、栅栏、箱体、遮拦等将带电体同外界隔绝。
(1)凡用金属材料制成的屏护装置,为了防止屏护装置意外带电造成触电事故, 必须进行接地(接零) 。
(2)遮拦入口门上应按需要安装信号装置和联锁装置。
(3)栅栏和遮拦安装要求。


2.间距
间距是将可能触及的带电体置于可能触及的范围之外。
(1)架空线路应避免跨越建筑物,架空线路 不应跨越 可燃材料屋顶 的建筑物。架空线路必须跨越建筑物时,应与有关部门协商并取得该部门的同意。
(2)架空线路导线与建筑物的最小距离:

(3)架空线路应与有爆炸危险的厂房和有火灾危险的厂房保持必须的防火间距。
(4)架空线路断线接地时,为防跨步电压伤人,离接地点4m~8m范围内,不能随意进入。
(5) 在低压作业中 ,人体及其所携带工具与带电体的距离 不应小于0.1m 。
(6) 在10kV作业中 , 无遮拦时 ,人体及其所携带工具与带电体的距离不应小于 0.7m ; 有遮拦时, 遮拦与带电体之间的距离不应小 0.35m 。
二、保护接地和保护接零( 防间接接触电击 )
(一)接地保护
1. ⅠT 系统(保护接地)
(1)ⅠT 系统安全原理
保护接地是将电气设备在故障情况下可能呈现危险电压的金属部位经接地线、接地体同大地紧密地连接起来;其 安全原理 是通过 低电阻接地 , 把故障电压限制在安全范围以内 。但应注意 漏电状态并未因保护接地而消失 。
宇母Ⅰ: 表示配电网不接地或经高阻抗接地。
字母T: 表示电气设备外壳直接接地。

(2)ⅠT 系统系统应用范围和基本要求
1)把故障电压 限制在安全范围 以内,但 漏电状态并未消失 。
2)只有在不接地配电网中,由于单相接地电流较小,才有可能通过保护接地把漏电设备故障对地电压限制在安全范围之内。
3)在线路较长的低压配电网中,单相电击的危险性依然存在。
4)保护接地 适用于各种不接地配电网。
5) 在380V不接地低压配电网中 , 保护接地电阻 RE≤4Ω 。当 电压不超过100kV·A时 ,可以放宽到 RE ≤10Ω 。
6) 不需要强制切断故障电路,不需要强制设置漏电保护装置 ,通常设置在发生漏电事故后仍需要正常运行的用电设备供电。如 消防安防、矿井通风换气设备、手术室、洁净室的通风换气设备 。
2.TT系统(工作接地系统)
(1) TT系统安全原理
第一个T: 电源直接接地。
第二个T: 电气设备外壳直接接地。图中,中性点引出的导线N叫做中性线(也叫做 工作零线 )。中性点的接地 RN 叫做 工作接地 。

(2)TT系统应用范围和基本要求
1)TT系统的接地 RE 虽然可以大幅度降低漏电设备上的故障电压,但单凭 RE 的作用 不能将触电危险性降低到安全范围以内 。
2)由于故障回路串联有 RE 和 RN ,故障电流不可能太大, 一般的短路保护不起作用,不能及时切断电源,使故障长时间延续下去。因此,采用TT系统统中应装设能自动切断漏电故障的 漏电保护装置 ( 剩余电流保护装置 )。
3)TT 系统主要用于 低压用户 ,即用于未装备配电变压器,从外面引进低压电源的小型用户。
总结:接地保护

(二)接零保护
1.保护接零系统安全原理和类别
保护接零系统就是 TN系统 。 T: 电源接地。 N :电气 设备 在正常情况下不带电的金属部分 与配电网中性点(N点)之间做金属性连接 ,亦即与配电网保护零线(保护导体)的直接连接。
原理: 当设备某相带电体碰连设备外壳(外露导电部分)时,通过设备外壳形成该相对保护零线的单相短路, 短路电流促使线路上的短路保护迅速动作,从而将故障部分断开电源,消除电击危险 。

TN系统 分为 TN-S , TN-C-S , TN-C 三种方式。
1)TN-S系统 是保护零线与中性线 完全分开 的系统。( PE: 5根线 )
2)TN-C-S系统 是干线部分的 前一段 保护零线与中性线 共用 , 后一段 保户零线与中性线 分开 的系统。( PEN+PE: 4.5根线 )
3)TN-C系统 是干线部分保护零线与中性线 完全共用 的系统。( PEN: 4根线 )
在TN 系统中,中性线用N表示,专用的保护线用PE表示,共用的保护线与中性线用PEN 表示。

2. TN系统速断和限压要求
(1)除速断保护的作用外,保护接零也能降低漏电设备对地电压,但将漏电设备 对地电压限制在某一安全范围内是困难的。
(2)在接零系统中,对于 配电线路 或仅供给 固定式电气设备 的线路,故障持续时间 不宜超过5s 。
(3)对于供给 手持式电动工具、移动式电气设备 的线路或插座回路,电压 220V 者故障持续时间 不应超过0.4s , 380V 者 不应超过0.2s 。
(4)为了实现保护接零要求,可以采用一般过电流保护装置或剩余电流保护装置。
3.保护接零应用范围
(1)TN-S系统: 可用于 有爆炸危险 ,或 火灾危险性较大 ,或安全要求较高的场所,宜用于有独立附设变电站的车间。
(2)TN-C系统: 可用于 无爆炸危险、火灾危险性不大、用电设备较少、用电线路简单且安全条件较好的场所 。
(3)TN-C-S系统: 宜用于厂内设有总变电站,厂内低压配电的场所及非生产性楼房。
总结:接零保护

4. 重复接地
重复接地指PE线或PEN线除工作接地以外其他点的 再次接地 。
重复接地的作用:
(1) 减轻 零线断开或接触不良时电击的 危险性 。
(2) 降低 漏电设备的 对地电压 。
(3) 改善 架空线路的 防雷性能 。
(4) 缩短 漏电故障 持续时间 。

5.工作接地
(1) 工作接地 指配电网在 变压器或发电机中性点的接地 。
(2)工作接地的主要作用是 减轻各种过电压的危险 。在配电系统发生一相故障接地的情况下,如有工作接地 RN≤4Ω ,一般可限制中性线对地电压一般不超过50V 、非接地相对地电压不超过250V。
(3) 在不接地的10kV系统中 ,工作接地与变压器外壳的接地、避雷器的接地是 共用 的。 一般要求RN≤4Ω;高土壤电阻率地区 ,允许 RN≤10Ω 。
(4) 在直接接地的10kV系统中 ,工作接地应与变压器外壳的接地、避雷器的接地 分开 。
6.等电位联结(连接)
(1) 等电位连接 指保护导体与建筑物的金属结构、生产用的金属装备以及允许用作保护线的金属管道等用于其他目的的不带电导体之间的连接。
(2)等电位连接是保护接零系统的组成部分。
(3) 主等电位连接导体 的最小截面积不得小于最大保护导体截面积的 1/2 ,且不得小于 6mm2 。
(4)两台设备之间局部等电位连接导体的最小截面积不得小于两台设备保护导体中 较小者 的截面积。
(5)设备与设备外导体之间的局部等电位连接线的截面积不得小于该设备保护零支线截面积的 1/2 。

(三)保护导体和接地装置
1.保护导体
(1)保护导体组成
1) 保护导体 包括 保护接地线 、 保护接零线 和 等电位联结线 。保护导体分为人工保护导体和自然保护导体。
2) 交流电气设备 应 优先利用 建筑物的金属结构,生产用的起重机的轨道、配线的钢管等 自然导体作保护导体 。
3) 在低压系统 , 允许利用 不流经可燃液体 或 气体的金属管道 作为保护导体。
4) 人工保护导体 可以采用 多芯电缆的芯线、与相线同一护套内的绝缘线、固定敷设的绝缘线或裸导体 等。
5)保护导体干线必须与电源中性点和接地体(工作接地、重复接地)相连,保护导体支线应与保护干线相连。
6)保护干线应经 两条 连接线与接地体连接。
7)所有 保护导体 ,包括有保护作用的PEN线,均 不得安装单极开关 和熔 断器 。
8)各设备的保护(支线)不得串联连接,即不得利用设备的外露导电部分作为保护导体的一部分。
(2)保护导体截面积
1)当保护线与相线材料相同时,保护线符合下表的规定:

2)采用单芯绝缘导线作保护零线PE线时, 有机械防护 的不得小于 2.5mm2 ; 没有机械防护 的不得小于 4mm2 。
3) 铜质PEN线 截面积 不得小于10mm2 、 铝质 的 不得小于16mm2, 如系 电缆芯线 则 不得小于4mm2。
4)电缆线路应利用其专用保护芯线和金属包皮作保护接零。
2.接地装置
(1)自然接地体和人工接地体
1)埋设在地下的金属管道(有可燃或爆炸性介质的管道除外) 、金属井管、与大地有可靠连接的建筑物的金属结构、水工构筑物及类似构筑物的金属管、桩等自然导体均可用作自然接地体。
2)当自然接地体的接地电阻符合要求时,可不敷设人工接地体( 发电厂和变电所除外 )。
3)自然接地体至少应有 两根导体 在不同地点与接地网连接(线路杆塔除外)。

(2)接地线
1) 交流电气设备 应 优先利用自然导体 作接地线。 在非爆炸危险环境 ,如自然接地线有足够的截面, 可不再另行敷设人工接地线 。
2) 非经允许 ,接地线 不得作其他电气回路使用 。
3) 不得利用 蛇皮管、管道保温层的金属外皮或金属网以及电缆的金属护层作接地线。
(3)接地装置安装
1)接地体上端 离地面深度 不应小于0.6m (农田地带 不应小于1m ),并应在冰冻层以下。
2)接地体宜避开人行道和建筑物出入口附近。
3)接地体的引出导体应引出地面 0.3m 以上。
4)接地体 离独立避雷针接地体 之间的地下水平距离 不得小于3m ; 离建筑物墙基 之间的地下水平距离 不得小于1.5m 。
5)接地装置应尽量避免敷设在腐蚀性较强的地带。
6)为防止机械损伤和化学腐蚀,接地线与铁路或公路的交叉处及其他可能受到损伤处,均应穿管或用角钢保护。

(4)接地装置连接
1)接地装置地下部分的连接采用 焊接 ,并应采用 搭焊 ,不得有虚焊。
2)利用自然导体作接地线时,其伸缩缝或接头处应设加 跨接线 。
3)接地线与管道的连接可采用螺纹或抱箍螺纹连接,但必须采用镀锌件。
4)在有振动的地方,应采取防松措施。

三、双重绝缘、安全电压和漏电保护
(一)双重绝缘
双重绝缘属于 防止间接接触电击 的安全技术措施。
1. 双重绝缘结构
双重绝缘是强化的绝缘结构, 包括 双重绝缘 和 加强绝缘 两种类型。具有双重绝缘的电气设备属于 Ⅱ类电气设备 。
(1)工作绝缘。 又称基本绝缘,是 带电体 与 不可触及导体 之间的绝缘。是保证电气设备正常工作和防止触电的基本绝缘。
(2)保护绝缘。 又称附加绝缘,是 不可触及的导体 与 可触及导体 之间的绝缘。是当工作绝缘损坏后用于防止电击的绝缘
(3)双重绝缘 。指 工作绝缘 (基本绝缘)和 保护绝缘 (附加绝缘)。
(4)加强绝缘。 是 具有与双重绝缘相同绝缘水平 的单一绝缘。

2.双重绝缘的基本条件
(1)Ⅱ类设备的绝缘电阻用500V直流电压测试。 工作绝缘 的绝缘电阻不得低于 2MΩ , 保护绝缘 的绝缘电阻不得低于 5MΩ , 加强绝缘 的绝缘电阻不得低于 7MΩ 。
(2)Ⅱ类设备的外壳应有足够的绝缘水平和力学强度,外壳上的盖、窗必须使用工具才能打开。
(3)Ⅱ类设备在其明显部位应有“回”形标志。
(4)凡属双重绝缘的设备, 不得再行接地或接零 。
(二)安全电压
安全电压,也称为特低电压( ELV ) ,是在一定条件下、一定时间内不危及生命安全的电压。
安全电压属既能 防止间接接触电击 也能 防止直接接触电击 的安全技术措施。
依靠安全电压供电的设备属于 Ⅲ类 设备。
1.安全电压限值和额定值
(1)限值
1) 工频安全电压 有效值的限值为 50V 。
2) 直流安全电压 的限值为 120V 。
(2)额定值

2.安全电源及回路配置
(1)安全电源
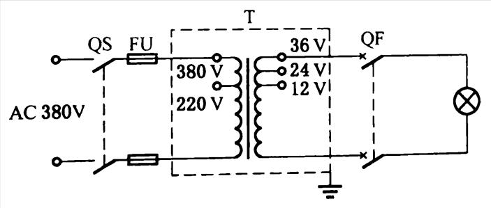
1)通常采用安全隔离变压器作为特低电压的电源。
2)安全隔离变压器的一次和二次线圈之间有良好的绝缘。
3)特低电压边均应与高压边保持双重绝缘的水平。

安全隔离变压器接线图
4)Ⅰ类电源变压器可能触及的金属部分必须接地(或接零)。其电源线中,应有一条专用的黄绿相间颜色的保护线。
5)Ⅱ类电源变压器不采取接地(或接零)措施,没有接地端子。
(2)回路配置
1)安全电压回路的带电部分必须与较高电压的回路保持电气隔离,并不得与大地、保护接零(地)线或其他电气回路连接。
2)安全电压的配线宜与其他电压等级的配线 分开敷设 。
(3)插销座
安全电压设备的插销座 不得带有接零或接地插头。

(4)短路保护
安全隔离变压器一次边和二次边均应装设短路保护元件。
(5)功能特低电压
1)装设必要的屏护或加强设备的绝缘,以防止直接触电。
2)该回路与一次边保护零线或保护地线连接时,一次边应装设防止电击的自动断电装置,防止间接触电。
(三)电气隔离和不导电环境
电气隔离 和 不导电环境 都属于 防止间接接触电击 的安全技术措施。
1.电气隔离
电气隔离指工作回路与其他回路实现电气上的隔离。
安全原理 是在隔离变压器的 二次边构成了一个不接地的电网 ,阻断在二次边工作的人员单相电击电流的通路。

电气隔离的回路必须符合以下条件:
(1)电源变压器必须是隔离变压器。
1)隔离变压器的输入绕组与输出绕组 没有电气连接 ,并具有 双重绝缘 的结构。
2)单相隔离变压器额定容量不超过25kV·A,三相不超过40kV·A。
3)隔离变压器的空载输出电压交流 不应超过1000V 。
(2)二次边保持独立。被隔离回路不得与其他回路及大地有任何连接。
(3)二次边线路电压过高或二次边线路过长,都会降低这种措施的可靠性。
(4)为了防止隔离回路中两台设备的不同相线漏电时的故障电压带电的危险,设备的金属外壳之间应采取 等电位连接 措施。
2. 不导电环境
不导电环境是指地板和墙都用不导电材料制成,即大大提高了绝缘水平的环境。不导电环境必须符合以下安全要求:
(1)电压500V及以下者,地板和墙每一点的电阻不应低于50kΩ;电压500V以上者不应低于100kΩ。
(2)保持间距或设置屏障,防止人体在工作绝缘损坏后同时触及不同电位的导体。
(3)具有永久性特征。不因受潮或引进其他设备而降低安全水平。
(4)为了保持不导电特征, 不得有保护零线或保护地线。
(5)有防止场内高电位引出和场所范围外和场所外低电位引入场所范围内的措施。
(四)漏电保护
漏电保护装置 主要用于 防止 间接接触电击 和 直接接触电击 。漏电保护装置也可用于防止漏电火灾,以及用于监测一相接地故障。
漏电保护装置分类:
1)按照动作原理,分为电压型和电流型两类。
2)按照有无电子元器件,分为电子式和电磁式两类。
3)按照极数,分为二极、三极和四极漏电保护装置等。

1.漏电保护原理
(1) 电压型漏电保护装置 以设备上的 故障电压 为动作信号。
(2) 电流型漏电保护装置 以 漏电电流 或 触电电流 为动作信号。
(3)动作信号经处理后带动执行元件动作,促使线路 迅速分断 。
(4) 漏电保护装置:
1) 正常状态 ,供电回路正常供电,处于 联通 状态。
2) 故障状态 (漏电),供电回路断开, 切断 故障回路。

2.漏电保护装置的动作参数

保护装置的额定不动作电流不得低于额定动作电流的1/2 。
3. 漏电保护装置的安装和运行
(1)需安装漏电保护装置的情形
1)属于 Ⅰ类 的移动式电气设备。
2) 医 院中可能直接接触人体的电气医用设备。
3) 生 产用的电气设备。
4)安装在 户 外的电气装置。
5)施工 工 地的电气机械设备。
6)机关、学校、宾馆、饭店、企事业单位和住宅等 除壁挂式空调电源插座外 的其他电源 插座 或插座回路。
7) 临 时用电的电气设备。
8)游泳池、喷 水 池、浴池的电气设备。
记忆方法: 医生户工 插座临水。
(2)可以不安装漏电保护装置的情形
1)使用 特低电压供电 的电气设备。
2)具有 双重绝缘 或 加强绝缘 结构的电气设备。
3)使用 隔离变压器且二次侧为不接地 系统供电的设备。
4)其他没有漏电危险和触电危险的电气设备。
(3)装设不切断电源的报警式漏电保护装置的情形
漏电时立即切断电源将会造成其他事故或重大经济损失。
1)公共场所的通道照明电源和应急照明电源。
2)消防用电梯及确保公共场所安全的电气设备。
3)用于消防设备的电源(如火灾报警装置、消防水泵、消防通道照明等)。
4)用于防盗报警的电源。
5)其他不允许突然停电的场所或电气装置的电源。
好好学习,耐心用心!!!