搞建筑施工的朋友
看到下面这张图一定不会陌生

没错,它就是建造高层建筑常用的悬挑式钢管扣件外脚手架。
说起它的优点,可以扯出一大箩筐,比如:
1、造价便宜;
2、适应性广;
3、承载能力强;
4、搭拆方便;
5、复杂的建筑结构也适用。
所以,在爬架大行其道的今天,悬挑脚手架还大有市场。
但是,悬挑脚手架有一个很大缺点。从下图可以看出:

那就是悬挑脚手架放置的工字钢,楼面放置的长度大于悬挑的长度。
结果就是非常浪费工字钢,要知道现在租工字钢不便宜,同时也给后续的施工带来不便。
那如何解决这个浪费钱的痛点呢?
还别说,现在有施工单位改进出来的花篮拉杆工具式悬挑架施工工法,可以完美解决工字钢浪费的问题。
工艺原理
花篮拉杆工具式悬挑架由水平钢梁和花篮螺杆两部分组成。

斜拉式悬挑架,型钢梁的力学模型为简支结构,挑梁由工字钢一端固定于主体结构;
挑梁与建筑物之间连结采用经热处理的10.9级的高强螺栓,斜拉式园钢拉杆固定在上部主体结构上;
斜拉杆、通过钢板相互连接,由花篮螺栓拧紧受力,组成一个三角形型钢承重体系。
原理说得深奥,看图其实很简单:

适用范围
适用于高层建筑主体结构四周悬挑阳台较少建筑,尤其适用于框架结构。

工艺流程
搭设准备工作→悬挑架体材料制作→悬挑架体材料检查→墙体圈梁埋设套管→安装悬挑工字钢挑梁→脚手架扫地杆搭设→安装花篮斜拉杆→拧紧花篮、调整悬挑梁端头高度→维护

一、准备工作
熟悉工程建筑结构施工图、编制悬挑架及脚手架施工组织设计。
根据施工图确定脚手架分段高度(每段不宜超过28m)确定悬挑架沿建筑物纵向间距,确定悬挑架使用类型(普通型、加长型、超长型)数量,发现现场情况与设计型号相抵触时,及时与技术部门沟通协调,修改设计。
在此基础上绘制悬挑脚手布置平面图和剖面图,作为施工组织内容之一。
二、材料制作
1)工字钢端部铁板下料和焊接
根据选定的16号工字钢的长度和铁板的大小及厚度绘制加工平面图,见下图,对工人进行交底,现场用氧气切割下料,同时也可委托加工厂进行成品加工。

钢板加工平面图

工字钢及钢板现场下料图
取工字钢长1.5米,距工字钢前端10公分处焊接Φ22mm*30mm钢筋头,以稳固脚手架立杆,距焊接钢筋头15公分处焊接100mm*100mm*12mm铁板一块,末端采用200mm*220mm*12mm铁板与工字钢焊接,孔距为110㎜,见下图。

工字钢及钢板现场焊接图
2)花篮螺栓的加工
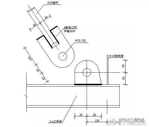
1、根据方案计算后选定的螺栓形状、尺寸、规格进行下料切割,绘制花篮螺栓的加工平面图,对工人进行交底后现场加工,见下图。

花篮螺栓加工平面图
2、取Φ20*1.6米、Φ20*1.0米碳素优质钢与三根Φ14碳素优质钢进行双面焊接,加工成型的花篮螺栓进行组合安装(正反牙具),见下图。

花篮螺栓现场加工图
3)拉杆制作与焊接
1、将上、下拉杆与耳板绘制加工平面图,并对工人进行交底,现场切割下料,依次见下图。

上拉杆与建筑物拉结剖面图

上拉杆平面加工图

坡口焊剖面图

连接板现场加工图
2、上端Φ20*1.6米碳素优质钢与250*10*12㎜铁板弯曲成20°(根据楼层面而定),打孔切割槽距(槽距为20*100)后进行坡口焊接,见下图。

拉杆现场加工图
3、下端Φ20*1.0米碳素优质钢与250mm*10mm*12mm铁板(根据楼层面而定),打孔切割槽距(槽距为20*100)后进行坡口焊接,见下图。

下拉杆及连接板加工平面图
三、悬挑架构配件检查
将悬挑架构配件,对照施工组织设计要求进行全面检查。
核对型号、规格、数量、构件外形变化,连结板缺陷,螺栓孔与螺栓匹配,填写检查表。
四、墙体圈梁埋设套管
1、顶板模板支设完成后,梁外模合模前,根据限制的脚手架工字钢平面布置图,精确在模板面上放出定位线,见下图。

螺栓孔放线图
2、上端:在工字钢悬挑的上楼层对应处预埋25*200㎜套管一根,套管两端采用胶带封闭,焊接在梁、墙柱上;
3、下端:悬挑前高强螺栓套管预埋采用Φ25*200㎜空心钢管预埋,两头用胶带封闭,埋入钢筋绑扎梁、墙柱中进行焊接固定,转角处采用200*220*12㎜铁板预埋;
4、套管预埋好后,派专人对套管的平面布置尺寸和高度位置进行复核,确保套管的位置偏差减小到最小。
5、混凝土浇筑过程中,应派专人跟踪作业,严禁在有预埋套管的位置下料,在振捣过程中,操作人员严禁碰撞套管。
五、安装悬挑工字钢
1、待混凝土的强度达到要求后,拆除梁的侧模,疏通预埋梁内套管,将20mm*300mm高强螺栓加垫片从套管孔中由内往外穿过,见下图。

高强螺栓放置图
2、将加工好的工字钢端部套入放置好的两个高强螺栓,然后分别在螺栓上加垫片配两个高强螺帽,用扳手将螺帽拧紧,见下图。

工字钢紧固图
3、对于转角处工字钢由于预埋螺栓无法预埋和角度受限,转角处必须放置的工字钢可采用钢板,再根据现场实际情况,现场将工字钢与钢板焊接,见下图。

转角处工字钢焊接图
六、脚手架扫地杆搭设
1、待悬挑工字钢全部安装就位后,在工字钢上先布设悬挑架扫地杆,扫地杆布设好后,将立杆套在钢筋头上,并与扫地杆连接牢固,见下图。

悬挑架扫地杆布设图
2、依据普通脚手架搭设要求完成悬挑层架体的搭设。
七、花篮螺栓上下拉杆安装
1、待悬挑上一层混凝土达到强度后,拆除梁侧模,将高强螺栓加垫片从套管中由内往外穿出,并将上拉杆的耳板与高强螺栓用双螺母加垫片固定牢固。
2、将下拉杆与工字钢上的耳板用高强螺栓加垫片进行初步固定,待上拉杆伸入后牢固固定,见下图。

花篮螺栓与下拉杆连接图
3、将花篮螺栓孔与下拉杆丝扣对接不断旋转,然后松开耳板螺丝,将花篮螺栓伸入上拉杆丝扣旋转,直至旋转不动,然后用工具将花篮螺栓旋转至下拉杆耳板与工字钢耳板正好可以伸入高强螺栓后,及时穿入螺栓并拧紧螺栓,见下图。

花篮螺栓与上拉杆连接图
4、最后用工具将花篮螺栓旋转至旋转不动,确认拉杆拧紧后,结束上下拉杆的安装,见下图。

花篮螺栓紧固图
5、悬挑层脚手架搭设完成后,及时用旧模板将悬挑层封闭处理,见下图。

悬挑架内立面图
八、悬挑架维护
1、拉结拉好,应对所有牙具采用黄油包裹保护;
2、定期检查花篮螺栓是否锈蚀、松动。
工艺原理
1、本工艺操作方便,适应范围广,安全可靠。
2、相较于传统悬挑架,可节约55%的型钢用量,经济效益显著;
3、解决了型钢悬挑层因砌体补洞引起的外墙渗水问题,取得了较好的社会效益;
4、不存在结构后期补洞施工,大大缩短了工期;
5、拉杆拉结无需在模板上开洞预埋拉环,尤其对铝模、塑模而言,可减少损耗率,提高模板重复利用率,降低成本。
【以上内容来源于网络,若有不当之处,烦请指正!】