昆明地铁运营有限公司、昆明轨道交通集团有限公司的研究人员程晋然、马天文等,在2019年第3期《电气技术》杂志上撰文(论文标题为“地铁再生能馈装置辅助无功补偿的可行性研究”),通过对地铁牵引变电所再生能馈装置与主变电所静止无功补偿装置的原理进行比较分析,研究再生能馈系统产生无功功率的运行控制方法,实现牵引变电所能馈装置辅助主变电所无功补偿装置进行无功补偿的功能。在运营线路现场验证了该方案的可行性与有效性,为优化设备管理与运行提供了一种新的思路。
我国的城市轨道交通供电系统多数采用110kV/35kV主变电所集中供电方式,35kV中压环网电缆(或电网接入的110kV高压电缆)沿地铁线路被敷设,其分布电容较大,会产生大量的容性无功功率。而容性无功易造成负载电压损失或空载电压升高,影响设备安全、经济运行。
昆明地铁供电系统在主变电所安装静止无功发生器(static var generator, SVG),根据计量点处的无功特性进行动态集中补偿,虽然实现了较高的网侧(计量点处)功率因数,但存在昼夜负荷率相差较大,且SVG停机维护期间网侧功率因数急剧下降的问题。针对此类问题,昆明地铁通过研究再生能馈装置输出无功功率的方式,实现分布式无功补偿,初步寻找到了问题的解决方案。

1 地铁供电系统无功特性
地铁集中式供电系统通过主变电所将城市电网引入的110kV高压电源降为35kV中压电源,再经中压环网输送至各个下级变电所。其主要无功源包括:整流器、主变压器、中压变压器的感性无功以及电缆的容性无功。
1)整流器及变压器无功特点
整流器及变压器工作时产生感性无功。变压器的无功功率包括铁心的励磁功率和线圈的漏磁无功功率,当电压不变时,铁心励磁功率为定值;线圈的漏磁无功功率与变压器的负荷率有关。
2)中压环网电缆无功特点
35kV中压环网电缆产生的无功功率包括容性无功功率(QC)和感性无功功率(QL)。通常QC QL,故QL可忽略不计;QC与电缆长度成正比,当电缆长度和电压恒定时,QC也保持不变。
3)系统无功特性
地铁供电系统的负荷波动性较大。在地铁的运行过程中,用电负荷大,可抵消系统容性无功功率,表现为感性滞后无功,需补偿容性无功功率的量较少;而地铁停运期间,电缆产生的容性无功功率超过系统产生的感性无功功率,供电系统功率因数降低,处于无功倒送状态,需进行大量感性无功补偿。
2 SVG与能馈装置的基本原理
2.1 SVG基本原理
SVG可通过实时的数据采集、计算和控制,动态跟踪电网电能质量变化,并根据变化情况动态调节无功输出,实现负荷的连续调节,同时兼顾谐波滤波功能。
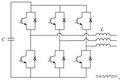
SVG的基本原理是通过调节逆变桥中IGBT(绝缘栅双极型晶体管)元器件的开关,控制直流逆变的电压幅值和相位,生成与系统电压成一定角差的信号注入电力系统,实现无功生成的目的。整个装置相当于一个调相电源,检测系统的无功,快速、连续、平滑地发出大小相等、相位相反的无功,实现无功的就地平衡。SVG装置的核心部分为逆变器,主电路原理及基本原理分别如图1和图2所示。

图1 SVG主电路示意

图2 SVG等效电路及基本原理
2.2 再生能馈装置原理
地铁电客列车运行特点包括站间运行距离短,运行速度高,频繁起动及制动等。电客列车起动时需消耗大量电能,制动时再生大量电能,为减少制动能量在列车制动电阻上的耗散、抑制区间隧道内温度升高,通常在牵引变电所设置再生制动能量吸收装置。
昆明地铁3号线工程牵引供电系统采用中压回馈型再生制动电能逆变回馈装置(能馈装置),能馈装置的逆变器直流侧与牵引变电所中的整流器直流母线相联,交流进线接到交流中压系统上,可实现将列车制动电能从DC 750V牵引系统逆变回馈到35kV中压网络,通过中压网络再分配、再利用,起到显著的节能效果。
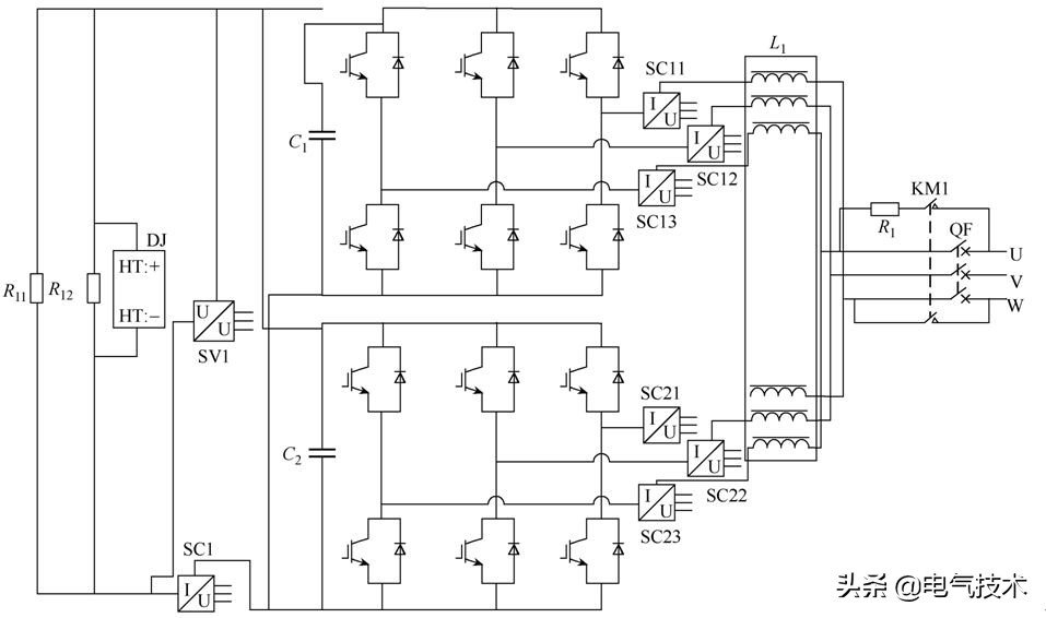
能馈装置与SVG在主电路结构上基本一致,均由三相逆变桥构成。当列车制动使直流电压超过规定值时,开启PWM(脉宽调制)控制功率器件IGBT工作,通过快速调节电流将直流母线侧因列车制动产生的能量快速回馈到电网中,同时稳定直流母线电压,确保地铁直流供电系统的稳定。当能馈装置检测到直流电流小于设定值时,能馈装置退出运行,进入待机状态,IGBT驱动脉冲*锁封**。主电路图如图3所示。
能馈装置的逆变桥结构决定了此变流器具原理上有四象限运行的可能性,理论上讲,只要通过控制逆变桥输出交流侧电压幅值与相位,就可以获得所需的有功(需直流侧输出或消纳能量)和无功功率。
3 分布式无功补偿方案
地铁供电系统具有容性无功功率大、负荷波动性大的特点,存在反送无功功率的问题,必须合理设计补偿方案。昆明地铁采用集中式无功补偿,在主变电所的35kV母线设置动态无功补偿装置,对整个供电系统的无功进行补偿。
通过能馈装置的运行工况分析,能馈装置运行时可实现分别控制有功、无功功率,在满足列车牵引、制动需求的同时,对中压网络进行无功补偿。能馈装置的交流侧通过变压器连接中压网络,基于每个牵引变电所配置能馈装置的情况下,可利用其实现对中压网络的分布式无功补偿,即在每个牵引变电所进行就地无功补偿,提高整个供电系统的功率因数。

图3 能馈装置主电路示意图(部分)
地铁输电线路较长,容性无功较大。在地铁停运期间,供电系统用电负荷低,电缆的容性无功突出,导致功率因数较低。此时,再生能馈装置处于待机状态,设备温度降低易发生凝露问题。利用再生能馈装置输出无功功率,实现供电系统的分布式无功补偿功能,可大幅度提高能馈装置利用率。
且通过能馈装置辅助供电系统夜间无功补偿,可使主变电所SVG的昼夜负荷基本持平,从而减少SVG容量设置甚至可以一定时期内不设,提高系统运行的经济性,降低夜间噪声,避免SVG设备长时间处于满负荷运行导致的超温跳闸风险以及能馈装置昼夜温差引起的凝露风险。
4 初步效果
昆明地铁在运营与非运营时段,都已经开展了相关实验。在设备供应商的配合下,初步证实了利用能馈装置进行无功补偿的可行性与有效性,具体介绍如下。
昆明地铁3号线供电系统采用35kV集中供电方式,在沙沟尾和放马桥(放马桥停车场内)设主变电所,设牵引变电所15座(正线13座,石咀车辆段1座,放马桥停车场1座)。主变电所内设置SVG实现系统无功集中式补偿,牵引变电所均设置了中压回馈型再生能馈装置。
以110kV沙沟尾主变电所供电区域为试点,SVG正常运行时,昼间(运营时段)输出无功2~4Mvar,夜间(停运后)输出无功5~6Mvar,昼夜波动较大。由于能馈装置原设计工况为间歇运行,设备允许的间歇运行容量为3.6MVA,由于无功补偿为持续运行,经理论测算与现场实测,按25%~30%原设计容量在夜间投入无功补偿。此工况下,设备散热能力以及设备房的散热条件,均满足持续运行的要求。能馈装置夜间投入辅助补偿后,主变电所SVG负荷波动大幅度降低,实际观察昼夜均未超过4Mvar。
能馈装置在地铁停运期间投入无功补偿运行时,设备主要电气部件的温度较夜间待机状态提升3℃~5℃,与昼间正常运行时的温度基本保持一致,设备昼夜温差减小。在地下空间采用机械通风进行散热的设备房内,降低了环境变化引起凝露而导致设备故障的风险。
在特殊情况下,如2018年主变电所设备扩容施工期间,设备施工导致SVG停役,对侧计量点处功率因数急剧下降。基于能馈装置的分布无功补偿功能,该主变供电范围内的全部能馈装置按无功补偿工况投入,在SVG停役的一个电量计费周期内,显著提高了网侧功率因数,避免了百余万元的力调电费支出。
结论
地铁供电系统昼夜工况差异较大,负荷变化快。通过系统无功功率的昼夜、高峰低谷变化规律分析,在能馈装置具备调节运行工况的基础上,根据现场实测数据进行调整,初步形成系统能馈装置及SVG设备运行的配合补偿方案。该方案可以显著提高设备装置利用率,降低主所SVG负荷率,甚至暂停主所SVG运行;减少能馈装置的昼夜负荷变化,避免了设备夜间低温凝露的风险,减少维护工作量。
在已经配置集中式无功补偿系统的线路,能馈装置的此种运行方式可作为集中式SVG停机期间的辅助补偿措施。在此技术成熟运用的前提下,考虑到能馈装置从原理上可同时实现能量回馈与无功补偿的运行工况,新建线路也可研究减少集中式SVG设置容量或不设集中式SVG的可能性。