在上篇文章中,我们分析了照明电路的控制接线,其中一些线路用到了继电器,趁着我们还没忘记,我们再来分析这些带接触器的控制线路。小编发文的惯用思路,就是由简到难,敬爱的读者您可以根据自己的水平直接跳跃。那就开始喽:
先进行两个思考吧。
第一个简单思考,还有没有朋友区分不开继电器和接触器呢?在我们的教科书上,我们发现这二者有很多相似之处,都有线圈,都有常开常闭触点。因为二者的区别并非本文描述的重点,简单说一下吧,继电器的线圈和底座可以分开,一般继电器损坏,直接拔下线圈,换个新的就可以了,常用于低压控制电路,触点的电压一般不超过220V;接触器线圈和触点组成一个整体,触点不够了,可以再插上一个触点模块,增加触点,触点多用于380V。二者在使用的原理上,基本相同。
第二个思考,什么是自锁电路?看一下下面的图1

图1
图中SB1和SB2是两个按钮,区别在于SB1是常闭按钮,SB2是常开按钮。图中三个KM字母是一个器件上的,就是接触器上的,方块的KM是线圈,给KM线圈加上电压,KM的触点会进行动作,常开触点变闭合,常闭触点变断开,一旦KM线圈没有电,触点马上恢复初始状态。解释自锁:如图中在QS断路器接通的前提下,按下SB2,此时KM线圈得电,其常开触点闭合,此时即使松开SB2,KM线圈也有电,因为它通过自己常开触点闭合后的线路送来了电,好像自己给自己锁上了一样。如果想断开,只有把给KM线圈送电的线路断开一个口,图中的SB1就是用来做这个工作的。再看一下下面的图,哪个能锁上。

图2
c可以实现自锁。记住一点,常开按钮与线圈的常开并联后再串联上线圈,就实现了自锁。

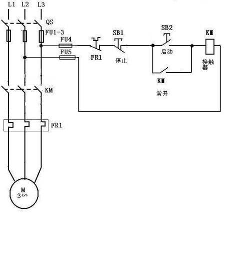
图3
图3这样的线路,一般情况下通的是380V的电,控制线路用的也是380V的电,接触器线圈的工作电压也是380V。去除图1中的FU4、FU5熔断器和FR1热继电器,就是图3的电路图。

图4
图4的接触器外形虽然与图3不同,但使用上是相同的。在控制电路上增加了熔断器和热继电器,使线路更加安全。

图5
图5与图4的区别,首先主电路通的是220V电压,其次我们看到控制电路的电源是通过变压器接入,具体是多少电压,这就取决于接触器线圈的工作电压是多少了。

图6
图6对比图5,其控制电路的电压是220V的,缺少了熔断器,但在控制电路上增加了一个断路器。

图7
图7对比图6,只是接触器不同。

图8
图8一般情况下通的是380V的电,控制电路用的也是380V的,接触器线圈的工作电压也是380V。

图9
图9相比图8,在控制电路上增加了热继电器和熔断器,保护了主电路。一旦线路过热,热继电器会断开触点。如果瞬时电流非常大,熔断器也会断开控制电路,进而断开主电路。

图10
图10的线路很简单,但不太安全,旋钮开关打到闭合,接触器线圈接通,负载工作;相反,接触器线圈没有电,负载不工作。

图11
图11可以对比图4,主电路电压和控制回路电压发生了变化,控制回路里面的熔断器也换成了断路器。

图12
图12主电路通的是380V的电压,而控制回路通过变压器变压通的是220V的电压。

图13
经过上面的分析,图13就不再赘述了。
本文的关键其实就是重点说明了自锁电路的使用。懂得了原理后,我们可以根据需要设计出很多线路,在实际使用中我们要多考虑到安全因素,熔断器和热继电器都应该加入到电路中。
小编不才,就分享到这里吧,希望对您有用。喜欢的朋友,可以关注本号,后续我们会分享更多能够便利生活、具有实用的知识。
如有不妥,欢迎指正。如有转载,请注明出处。