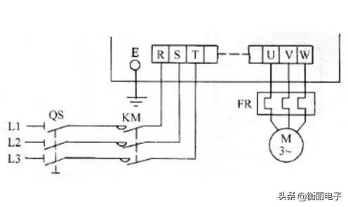
1、主电路的接线

上海衡丽
1)主电路电源端子R、S、T,经接触器和空气断路器与电源连接,不用考虑相序。
2)变频器的保护功能动作时,继电器的常闭触点控制接触器电路,会使接触器断开,从而切断变频器的主电路电源。
3)不应以主电路的通断来进行变频器的运行、停止操作。需用控制面板上的运行键( RUN)和停止键(STOP)或用控制电路端子FWD (REV)来操作。
4)变频器输出端子(U、V、W)最好经热继电器再接至三相电动机上,当旋转方向与设定方向不一致时,要调换U、V、W三相中的任意两相。
5)变频器的输出端子不要连接到电力电容器或浪涌吸收器上。
6)从安全及降低噪声的需要出发,为防止漏电和干扰侵入或辐射出去,必须接地。根据电气设备技术标准规定,接地电阻应小于或等于国家标准规定值,且用较粗的短线接到变频器的专用接地端子PE上。当变频器和其他设备,或有多台变频器一起接地时,每台设备应分别和地相接,而不允许将一台设备的接地端和另一台的接地端相接后再接地。
2、控制电路端子
1)用接点输入时,使用接触可靠性高的接点。
2)出厂时,FWD-CM用短路片连接。通电后,只要按动触摸面板上的RUN键,即正转运行,按STOP键即停止运行(在触摸面板操作方式下)。
3)出厂时,外部报警输入端子THR-CM间已连接短路片,使用时要卸下短路片,与外部设备异常接点串接。若没有此接点,就不要卸下短路片。
4)模拟频率设定端子(13,12,11,C1)是连接从外部输入模拟电压、电流、频率设定器(电位器)的端子,在这种电路上设接点时,要使用微小信号的成对接点。
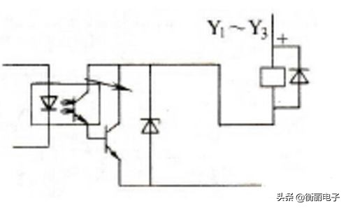
5)变频调速系统中的接触器、电磁继电器以及其他各类电磁铁的线圈,都具有较大的电感,在接通和断开的瞬间会产生很高的感应电动势,在电路内会形成峰值很高的浪涌电压,影响变频器的正常工作。可采用吸收电路来控制。开路集电极输出端子连接控制继电器时,可在励磁线圈的两端连接吸收电涌的二极管,如图所示。

上海衡丽
6)控制电路端子上的连接电线用0.75mm及以下规格的屏蔽线或绞合在一起的聚乙烯线。
7)屏蔽线的接线,如下图所示。把一端连接到各自的共用端子(11、CM)上,另一端不接。

上海衡丽
也可在线圈两端并接RC浪涌电压吸收电路,如下图所示。应注意RC浪涌电压吸收电路的接线不能超过20cm。

上海衡丽
3、地线的接线

上海衡丽
1)由于在变频器内有漏电流,为了防止触电,变频器和电机必须接地。
2)变频器接地用专用接地端子。接地线的连接,要使用镀锡处理的压接端子。拧紧螺丝时,注意不要将螺丝扣弄坏。
3)镀锡中不含铅。
4)接地电缆尽量用粗的线径,必须等于或大于规定标准,接地点尽量靠近变频器,接地线越短越好。

上海衡丽
想了解更多知识关注 衡丽电子 或百度搜索 上海衡丽