一、选择题(每小题2分,共24分,每小题只有一个正确答案)
16.下列对生活中一些物理量的估计,最接近实际值的是( )
A.人感觉舒适的环境温度约为50℃
B.一本初中物理课本的质量为50kg
C.一节干电池的电压为1.5V
D.一名中学生的身高为16.5m
17.下列物态变化现象中属于熔化的是( )

A.冰雪的消融

B.雾凇的形成

C.云海的形成

D.白雾的消散
18.下列有关中国古代文明中涉及的物理知识,说法正确的是( )
A.大小不同的编钟

B.钻木取火时木头

C.小孔成像是光的

D.使用辘轳提水可以省功

发声,音调相同 内能不变 直线传播现象
19.下列关于声现象的说法正确的是( )
A.鼓面发声时,鼓面并不振动

B.戴耳塞在强噪声环境中工作是在声源处减弱噪声

C.声呐是利用次声波发现障碍物的

D.通过长管听到远处船只航行的声音,说明水能传声

20.下列生活现象与其对应的物理知识,说法不正确的是( )
A.轮胎有花纹可以增大摩擦

B.由于惯性,刹车时人体容易前倾

C.荡秋千时,小孩机械能守恒

D.盘山公路可省力,但费距离

21.发电机发电是获取电能的重要方式,下列实验揭示发电机原理的是( )
A.奥斯特实验

B.电磁感应现象

C.磁场对电流的作用

D.自制电磁铁

22.下列说法不正确的是( )

A.甲图:手捏笔囊松手后,墨水被“吸”入钢笔利用了大气压强
B.乙图:沿纸条上方吹气,纸条飞起是因为在气体流速大的地方压强大
C.丙图:随着不断倒入液体,液体对橡皮膜的压强越来越大
D.丁图:用手轻压笔的同时笔对手也有力的作用
23.下列说法中,不正确的是( )
A.花香四溢是扩散现象

B.摩擦起电实质是电荷转移

C.色散现象是光的折射形成的

D.航天飞机是用金属材料中密度大的制造

24.下列对物质的认识,说法不正确的是( )
A.原子是由原子核和核外电子组成的
B.磁体周围的磁场是真实存在的
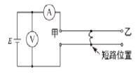
C.核燃料是不可再生能源
D.白炽灯的灯丝都是用超导体制成的
25.如图所示,从电热水壶的结构和使用方法来看,下列说法中不正确的是( )

A.用两脚插头替代损坏的三脚插头,不符合安全用电要求
B.壶把上的胶木应具有良好的导热性、导电性
C.壶身和壶嘴构成连通器
D.当水烧开时蜂鸣器报警是利用声音传递信息
26.如图,小明同学做“测量滑轮组机械效率”的实验,测得:物体重力为3N、在1s的时间内将物体匀速提升0.2m、拉力F为1.8N。此过程中,下列说法中正确的是( )

A.提升时物体的重力势能变小
B.拉力所做的有用功为1.2J
C.滑轮组的机械效率为55.6%
D.绳子自由端移动的速度为0.4m/s
27.如图,电源电压保持不变,电阻R1的阻值为20Ω,闭合开关S,电流表A1的示数为0.3A,电流表A2的示数为0.2A,电路通电时间为3min.下列说法中不正确的是( )

A.电源电压为6V
B.电阻R2的阻值为30Ω
C.电路的总功率为3W
D.这段时间电路消耗的电能为9J
三、非选择题(36题~51题,计46分)
36.(2分)我国发射的“天问号”火星探测器在飞向火星的过程中,以火星为参照物,探测器是_______的;探测器将信号传回地球,是靠______(选填“声波”或“电磁波”)来传递信息的。
37.(2分)如图所示,桥在水中形成的“倒影”是______(选填“虚”或“实”)像,这个像是光的_______(选填“反射”或“折射”)形成的。

38.(2分) “端午节”是我国的传统节日,这一天小朋友们爱做“撞熟鸡蛋”的游戏,煮鸡蛋是通过_____方式来增加鸡蛋的内能;在两个鸡蛋相撞时,蛋壳会破碎,说明力可以改变____。
39.(2分)如图所示,小明用撬棍向上撬石头,由于动力臂______阻力臂,所以撬棍是一个______(选填“省力”或“费力”)杠杆。

40.(2分)家庭电路中,各用电器是______联的。如图是某同学家房间内的部分电路,开关闭合后,灯泡正常发光,此时用验电笔检验A点处,氖管______(选填“发光”或“不发光”)。

41.(2分)如图所示,某电熨斗重力为12N,放在水平桌面上,它与桌面的接触面积为0.01m2,则它对桌面的压强为______Pa;若电熨斗电阻为55Ω,通过的电流为4A,则其工作200s产生的热量为_______J。

42.(2分)静止在水平桌面上的文具盒受到的一对平衡力是_____,这两个力的合力为____。

43.(2分)小明利用如图所示器材研究“水沸腾的规律”实验中,他除了记录水中气泡情况,还需要记录______和______。
44.(2分)哈尔滨市正在进行的老旧小区改造措施惠及万民,其中为房屋外墙安装保温层更换门窗等措施可减少散热,提高室温实现“节能减排”因此某居民楼一冬天可节约燃煤2.8×104kg,这些煤完全燃烧可放出的热量为______J,这些热量可使太阳岛人工湖中1.0×108kg的水温度升高______。[水的比热容为4.2×103J/(kg·),煤的热值为3.0×107J/kg]
45.(2分)在相距15km的甲、乙两地之间有两条输电线,已知每1m输电线的电阻为0.01Ω,现输电线在某处发生短路,为确定短路位置,检修员利用电压表、电流表和电源接成如图所示电路进行检测.当电压表的示数为6V时,电流表的示数为0.06A,则甲地到短路位置之间的输电线总阻值为________Ω。短路位置到甲地的距离是________m。

46. (2分)体重500N的小明参加跳远来增强体质,请在图中画出小明受重力的示意图。(图中O点为重力的作用点)

47.(2分)如图,请根据通电螺线管附近静止小磁针的指向,用箭头在A点标出磁感线方向,在B点标出电流方向。

48. (5分) 在做“凸透镜成像的规律”实验时,如图所示:
(1)小明用发出平行光的手电筒正对凸透镜照射,移动光屏到图甲位置时,光屏上出现了最小最亮的光斑,这说明凸透镜对光有______(选填“会聚”或“发散”)作用,此凸透镜的焦距是______cm;

(2)实验中出现如图乙所示的实像,他判断此像是实像的依据应是______,请你列举一例此成像规律在生活中的应用,_______;
(3)在(2)的基础上,保持蜡烛、光屏不动,向右缓慢移动凸透镜直到光屏上又出现烛焰的像,此时成像的情况是________。
49. (5分)春辉同学做“探究浮力大小与液体密度、物体排开液体体积的关系”实验,如下图所示,A、B为同种材料的金属块(体积VA<VB),液体密度ρ浓盐水>ρ海水,均在物体静止时对弹簧测力计进行读数(其中F1、F2分别为乙、丙两图中测力计示数)。

(1)如图甲所示,春辉测量金属块A所受重力为_______N;
(2)他将金属块A分别浸没在浓盐水和清水中,如图乙、丙所示,初步得出的实验结论是:______相同时,液体密度越大,物体所受浮力越_______;
(3)春辉又将金属块B浸没在清水中(如图丁所示),测得其受到的浮力为1.2N。春辉分析图甲、图丙和图丁得出了“浮力大小与物体排开液体体积的关系”;而玉丽同学思考:对比图甲,图乙和图丁,同时结合(2)的实验结论,是否也能分析出“浮力大小与物体排开液体体积的关系”呢______?请针对玉丽的思考写出你的分析。______
50. (6分)某实验小组想测量额定电流为0.3A小灯泡的额定功率,同学们设计了如下方案。
(1)实验电路如图甲所示,其中电源电压为6V。


①连接电路过程中,开关应处于_______状态;
②如图甲是未连接好的电路,请用笔画线代替导线,正确连接实物电路(要求:滑动变阻器的滑片向右移动时,小灯泡变亮) ;
③测小灯泡额定功率的原理是________。调节滑片,当电流表示数为0.26A时,看到电压表的示数(如图乙所示)为_______V;
(2)为了测出小灯泡的额定功率,关于下一步的操作:
①小丽认为电压表换为0-15V的量程即可测出小灯泡额定功率。爱思考的小溪说电压表仍选0-3V量程也能测出小灯泡额定功率,请你在虚线框内画出小溪方案的电路图。
②小丽和小溪谁的方案测量结果更精确? 为什么?
51. (6分)除湿器可以降低室内空气湿度,它将室内的空气吸入后,使其中的水蒸气液化,从而使空气中的水蒸气含量降到令人舒适的程度,某型号除湿器的铭牌主要参数如下表所示,其中“水箱容积”是指除湿器水箱能容纳液化产生水的最大体积。已知水的密度为1.0×103kg/m3,请回答下列有关该除湿器的问题:
|
型号 |
ZC-FD1080 |
|
额定电压 |
220V |
|
额定功率 |
220W |
|
水箱容积 |
2.5L |
(1)水箱能容纳水的最大质量;
(2)在额定功率下工作时的电流;
(3)以额定功率连续除湿10小时需要消耗的电能。
哈尔滨市2021年初中升学考试综合试题
参考答案及评分标准(物理部分)
一、单项选择题(每小题2分.共24分)
|
题号 |
16 |
17 |
18 |
19 |
20 |
21 |
22 |
23 |
24 |
25 |
26 |
27 |
|
答案 |
C |
A |
C |
D |
C |
B |
B |
D |
D |
B |
D |
D |
三、非选择题(38题~53题,共46分)
以下各题的其它答法只要合理可参照评分标准评分
36. 运动 电磁波 37. 虚 反射 38. 热传递 物体的形状 39. 大于 省力
40. 并 发光 41.
42. 文具盒受到的重力和桌面对文具盒的支持力 零
43. 加热时间 温度
44.


45.


46.如图所示.

47.如图所示.

48.(5分)
(1)(2分)① 会聚 ② 20.0
(2)(2分)像能够在光屏上呈现 投影仪
(3)(1分)倒立、缩小的实像
49.(5分)(1)(1分)4 (2)(2分) 物体排开液体体积 大
(3)(2分)对比图甲,乙可知,A在浓盐水中所受浮力F浮A= G-F1 =4N-2.8N = 1.2N.由题意可知,B在清水中受的浮力F浮B =1.2N,
比较 F浮A=F浮B,若只将图乙中的浓盐水换为清水,则根据(2)的结论有F'浮A<F浮A,
则F'浮A=F'浮B又因为V排B>V排A. ,所以可以得出:在液体密度相同时,物体排开液体体积越大,浮力越大.
50.(6分)(l)(3分)①断开

②
③P=UI

(2)(3分)①
②小溪的方案测量结果更精确. 小溪的电压表使用0~3V量程,分度值为0.1V;而小丽电压表使用的是0~15V量程,分度值为0.5V,0.1V小于0.5V,所以小溪的电压测量的精确度高.而电流是相同的,根据P=Ul可知,小溪测量出的小灯泡的额定功率更精确.
51.【详解】注意原始公式
解:(1)水箱能容纳水的最大质量m=ρV=1.0×103kg/m3×2.5×10-3m3=2.5Kg
(2)在额定功率下工作时的电流

(3)以额定功率连续除湿10小时需要消耗的电能
W=Pt=220W×10×3.6×103s=7.92×106J
答:(1)水箱能容纳水的最大质量为2.5kg;
(2)在额定功率下工作时的电流为1A;
(3)以额定功率连续除湿10小时需要消耗的电能为7.92×106J。