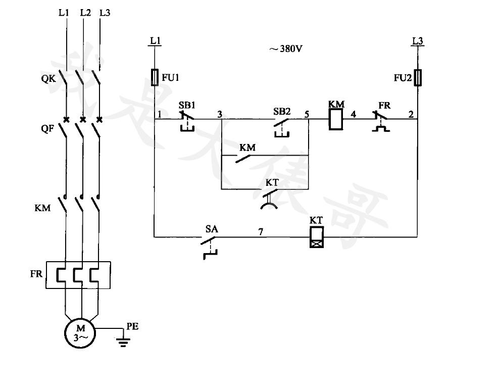
朋友们大家好,我是大俵哥。今天我们来聊一下自锁电路里怎么添加延时功能,首先给大家看一下电路图。

电路图
很早关注我的朋友应该对自锁电路已经很了解了,我们来分析一下这个电路。
一,正常启动
当我们按下启动按钮SB2时,KM线圈吸合自锁电机运行,按下SB1时电机停止,典型的自锁电路。
二,延时自启动
当我们把选择开关SA旋到通的位置时,时间继电器KT得电开始计时,到达我们设定的时间后KT的常开点闭合KM线圈得电。KT常开点虽然不会复位,但是功能类似于SB2,这样就实现了延时自启动。

时间继电器

接线图
熟练掌握时间继电器的接线,是学习延时电路的要点。我们一起再看一下这个时间继电器的接线图,7和2是线圈接电源,8是公共点,5和8是常闭6和8是常开,1和3闭合可以实现时间的复位,1和4闭合可以实现时间的暂停。

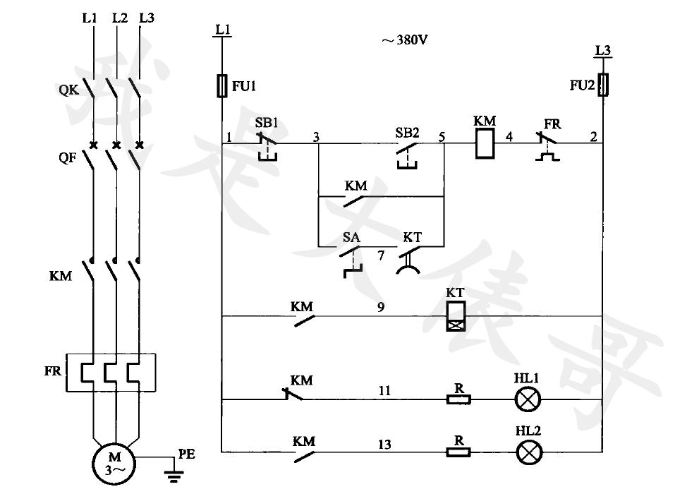
电路图
再看一下这张电路图,喜欢的朋友可以自己练习分析一下。

欢迎留言点评
零基础学习电工2019版实物接线彩图100多个实物接线
¥99.00
购买