XX机房建设项目设计方案
目 录
第一章 数据中心机房建设综述
信息化是我国产业优化升级和实现工业化、现代化的关键环节,要实现国民经济持续快速健康发展,推进经济结构战略性调整,不断提高人民群众的生活水平,其中一项覆盖现代化建设全局的战略举措,就是要大力推进国民经济和社会发展信息化。
数据中心作为信息化系统工程建设的"心脏",正在国计民生中扮演着越来越重要的角色。计算机机房的环境条件是影响计算机主机及各种通讯设备长期可靠运行的一个重要的因素。它直接影响到设备的稳定性、可靠性,使用效率和寿命。同时,计算机机房又是工作人员进行操作和监控的场所,如何既满足计算机机房内设备的运行环境又考虑工作人员工作环境的舒适性,即以人为本、人机并重理论是现代计算机机房设计的基本理念。
本次数据中心机房建设是XXXXXXX信息中心信息基础设施建设的一个重要任务,也是关键工作。但机房又与数据中心基础设施的总体设计内容息息相关,只有通过对数据中心基础设施的整体设计,才能实现机房的合理设计,充分满足XXXXXXX信息中心不断发展的需求。
针对以上数据中心的建设目标,结合我们多年机房建设经验,我们对本机房建设进行了充分、详尽的论证,着重于安全性,可扩展性及以上各业务开展的可实施性。同时,亦考虑到本机房将来作为XXXXXXX信息中心的核心地位,在配置上,保证了业务的可扩充性。
第二章 设计原则
为了将机房建设成为一个具有智能化数据处理中心,设计过程中遵循以下原则:
(1)整体性原则
机房工程包含了装饰、电气、暖通、环境监控等多个专业,在设计时应整体考虑,统一规划,相互协调配合,使机房工程成为一个统一的有机体。
(2)适用性原则
机房的设计标准要达到国际、国内先进水平,满足各类计算机及辅助设备的运行工作环境要求,满足期货交易所对计算机系统安全、稳定、不间断运行的高性能要求。同时,适当满足发展业务的要求。
(3)可靠性原则
各系统应采用高可靠性设计标准,以保证计算机系统全年每天24小时连续稳定不间断的工作。供电系统的设计要达到系统全年运行故障率小于十万分之一的标准。空调系统的设计要满足计算机系统正常运行的工作温、湿度要求,以及空气洁净度和降噪音等方面的要求。
(4)安全性原则
应具有完整的安全策略和切实可靠的安全手段来保障计算机机房用户运行系统基础环境的安全。从建筑安全性、区域逻辑管理安全性、运行管理安全性、通讯系统管理安全性、配套基础设施安全性等各个方面进行设计。
(5)先进性与经济性相结合原则
系统应采用国际先进技术,构建合理的适当超前的技术体系架构,用以确保较长时期的技术领先地位。同时又要兼顾投资的合理性,以及系统建成后的运行和维护成本的经济性。
(6)灵活性和扩展性原则
本数据处理中心机房建筑平面和空间的布局应当具有适当的灵活性,各楼层的机房应进行合理的面积分割,按业务发展程度分步投入使用,机房精密空调的数量应根据需要分步配置。机房内的隔断墙结构应便于拆装,既能相对独立分割使用,又能适应扩容组合和面积扩充,各子系统也应适应这种变化,符合自身和客户的要求。
(7)总体集成性原则
计算机机房工程是一个整体工程,但同时各系统又具有相对的对立性,系统设计时应借助现代信息化、智能化技术,构建一个智能化的机房环境集中监控系统,为数据处理中心计算机房群的集成管理提供良好的控制平台。
从上述设计思想、方针出发,相信建成后的XXXXXXX信息中心计算机机房将充分地体现信息中心信息化技术的综合管理水平。
第三章 设计标准
遵循设计标准:1、《浙江省政府机关电子信息系统机房建设规范》
2、GB50174-2008《电子信息系统机房设计规范》3、GB2887-89《计算机场地技术条件》4、GB9361-88《计算站场地安全要求》5、GB/T2887-2000《电子计算机场地通用规范》
6、GB6650-86《计算机机房用活动地板技术条件》7、SJ/T10796-1996《计算机机房用抗静电活动地板技术条件》
参考设计标准:
(1)、《工业与民用供电系统设计规范》(GBJ52-82)(2)、《低压配电装置及线路设计规范》(GBJ54-83)(3)、《电气装置安装工程施工及验收规范》(GBJ32-82)
(4)、《电气装置安装工程接地装置施工及验收规范》(50169-92)
(5)、《低压配电设计规范》(GB50054-95)
(6)、《不间断电源设备》
(7)、《不间断电源技术性能标定方法和试验要求》(现行国标电工标准)
(8)、《建筑物电气标准》(国际电工标准)
(9)、《建筑设计防火规范》
(10)、《建筑内部装修设计防火规范》(GB50222-95)(11)、《安全防范工程程序与要求》(GA/T75-94)(12)、《建筑与建筑群综合布线系统工程设计规范》(GB/T50311-2000)(13)、《智能建筑设计标准》(EBD-03-95)(14)、《建筑与建筑群综合布线系统工程施工及验收规范》
(15)、《商用建筑综合布线标准》(EIA/TIA-568B)
(16)、《通信系统机房设计》(GBKJ-90)
(17)、《安全防范工程程序与要求》(GA/T75-94)
(18)、《民用闭路监视电视系统工程技术规范》(GB/50198-94)
(19)、以太网、快速以太网、千兆以太网以及相关的互联网协议
(20)、《通信局(站)电源系统总技术要求》(YD/T1051-2000)
(21)、《采暖通风与空气调节设计规范》(GBJ19-87)(2001年版)
(22)、《通风与空调工程施工及验收规范》(GB50243-97)(23)、《火灾自动报警系统施工及验收规范》(GB50116-92)
(24)、《七氟丙烷(HFC-227ea)洁净气体灭火系统设计规范》Q/HSB 06-2000(25)、《气体灭火系统施工及验收规范》GB50263-97
(26)、《高层民用建筑设计防火规范(1999年版)》(GB50045-95)(27)、《火灾自动报警系统设计规范》(GB50116-98)(28)、《建筑防雷设计规范(2000年版)》GB50057-94(29)、《工业企业照明设计标准》GB50034-1992(30)、《通信接地设计规范》GBJ79-85(31)、《采暖通风与空气调节设计规范》GBJ19-87(32)、《民用建筑电气设计规范》(JGJ/T16-92)
(33)、《处理涉密信息的电磁屏蔽室的技术要求和测试方法》BMB3—1999C级
(34)《高性能屏蔽室屏蔽效能设计方案》 GB12190-90
(35)中华人民共和国邮电部标准《通信局(站)接地设计暂行技术规定》 YDJ26-89
第四章 现状分析
机房建设是一项内容复杂、专业综合性强、工期紧的系统性工程,甲方对工程的要求都比较高,所以,对本项目所涉及的各个专业内容都必须进行专业设计。通过对设计的综合评审,才能综合协调各个工种的施工内容和顺序,才能够在较短的时间内,指导施工正确、完善的进行。另外,本工程的核心部分是中心机房的建设,机房是各类信息数据的处理中心。机房内放置的计算机设备、通讯设备、网络设备及辅助系统设备都是高科技产品,而且,又要满足系统内各类信息数据的重要性、敏感性、及时性,所以,需要一个非常严格的操作环境,能否稳定可靠地运行,是否能保证各类信息通讯畅通无阻,是非常重要的。
机房工程建设要充分体现"面向未来"的设计思想,既要立足于现在,又要能适应今后的发展。通过运用现代高科技手段,努力建设一个具有国际先进水平的数据处理中心。
根据XXXXXXX信息中心提供新建计算机机房设备类型、数量、功能要求,经技术人员整理为以下内容:
1. 用户现状分析:工程地点为新建XXXXXXX大楼一楼。
2. 规划中的机房面积约为212平方米。
第五章 设计范围
我公司技术部对机房进行如下设计:
1. 机房平面布置设计;
2. 机房配套装饰系统;
3. 机房动力配电系统;
4. 机房PDS综合布线系统;
5. 机房UPS不间断电源系统;
6. 机房专用精密空调系统、新风系统;
7. 机房门禁监控系统;
8. 机房防雷接地、静电释放系统;
9. 机房气体消防报警系统;
10. 机房动力设备环境集中监控系统;
11. 机房机柜系统
12. 机房KVM管理系统
第六章 技术指标
机房是由大量的微电子设备、精密机械设备及机电设备组成的。如果环境条件不能满足这些设备对环境的使用要求,就会降低计算机等微电子设备的可靠性,加速元、器件及材料的老化,甚至丢失重要的数据和出现误动作等。
根据XXXXXXX信息中心提供机房内各类计算机设备对机房环境的技术指标要求,综合对应计算机GB标准;建议以GB B类标准机房为设计标准,具体技术指标如下:
1、环境要求:
开 机:
温度 夏季23±1℃,冬季20±2℃,变化率<5℃/h,要不凝露湿度 40%--55%停机:
温度 5℃-----35℃,变化率<5℃/h,要不凝露湿度 40%--70%
尘净度:主要工作区域尘埃的粒径大于或等于0.5μm的个数应小于或等于18000粒/ cm3 (相当于500000粒/ 英尺3)噪 音:5点测试平均值<70dB
磁场干扰:≤800A/m
噪音:5点测试平均值<68dB 磁场干扰环境场强:≤800A/m;
无线电干扰场强:频率范围0.15~1000MHz时不大于126dB;
主机房和辅助区内绝缘体的静电电位不应大于1kV;
停机条件下,主机房地板垂直级水平向的振动加速度不大于500mm/s2;
噪声为<65dB。
2、供配电要求:
电源规格必须符合下列标准:(该项要求是为了确保系统安全运行而设,务必按要求进行检查)
电压:单相交流,220V +4%,-8%(198-232V)
频率:50HZ +/-0.5HZ
瞬间电压波动不能超过220V+/-15%,且必须在25个周期(0.5秒)内恢复,对于磁盘存储设备则需在三个周期内恢复。
总谐波(HARMONIC)成分不得高于5%。
瞬间脉冲电压(IMPULSE)若大于100V(UP TO 200US)时,将影响计算机及网络通讯设备系统的正常运行。下表列出瞬间脉冲在不同情况下的摘要:

器材选用安全可靠,考虑最恶劣情况的安全。
3、照明要求:
地面0.8m处>350Lx,禁止使用电感整流器
主要工作区和基本工作区的平均照度应不低于350LX
其他工作区的平均照度为250LX以上
应急事故照明:照度应为普通照明照度的1/10.
应急疏散照明:照度应大于等于5LX
4、地线要求:
直流工作地电阻<1Ω
交流工作地电阻<4Ω
安全保护地电阻<4Ω
防雷保护地电阻<10Ω
静电释放地电阻<10Ω
5、屏蔽要求要求:
电磁感应会使设备产生通讯信息产生错误或丢失。电磁干扰的来源:
-----雷暴雨产生的天电干扰
-----广播台天线电电磁波干扰
-----雷达发出的电磁波干扰
-----高压电源线可能传送瞬时干扰
-----大用电工具干扰
-----办公室设备如影印机、吸尘机、冷气机等干扰
-----汽车马达产生干扰
-----大电流的延迟继电器、接触器、电机用其它打火设备的干扰
抑制电磁干扰的主要办法是系统接地和屏蔽
电磁干扰可以用屏蔽的方法使之削弱,以确保弱电的正常运转,提高其可靠性。采用屏蔽要根据机房周围的环境条件来确定。一般讲,电子设备的机壳都是用金属制造的,而且它们都要接地,因此具有一定的屏蔽作用。为防止电源线的干扰,电源设备装置至机房配电柜以及供电电缆都要采用屏蔽电缆或加金属管屏蔽,在机房场地四周墙壁加金属围板或金属网,是一个非常好的防止外间对计算机及网络通讯设备系统产生干扰的方法。
6、综合布线要求:
机房内用户点至配线架,按照六类非屏蔽双绞线FLUX国际标准测试仪,测试通过。
7、结构装修要求:
天棚:
可上人维修设计
吊筋单点悬挂>100kg
金属扣板600系列单块承重>3.8kg
抗静电地板:
地板:集中载荷不小于500kg;均匀载荷不小于3000kg/m2;抗静电绝缘值1×105Ω~1×109Ω。
桁梁挠度(Deflection)<2mm
抗静电绝缘值(Resistance)1×107/1×1010Ω
承重不小于500kg/M2
规格(Size)600×600×35mm
均布负荷(Unforml Lord)5672(KG/m2)
墙面:主机房达到半屏蔽效果
隔断墙:质轻易改,牢固安全,通透明亮
天棚以上地板以下:必须不会结尘,纳垢
地板以下:具有保温功能,不结露。
介质柜:抗静电防磁作用。
其它用材也必须做到:阻燃、绝燃、不起尘、抗静电、易清洗、无眩光。
第七章 系统设计
1、平面功能布置设计
1、区域功能分析设计
一个好的机房建设,首先要有一个合理的功能分区。可以说,功能分区的好坏是机房建设的关键。根据我们多年的机房建设经验,机房功能分区除了要满足国家有关规范及用户的基本要求外,还应注重考虑如下几点:
机房的分级管理
为便于管理,机房分区应按辅助功能间→基本功能间→中心机房分级管理。即辅助功能间在入口处,基本功能间在中部,主机房在最内。
空间的可扩展性
机房建设的高科技、高投入特性,使机房的改建、扩建都是一项即浪费资金、又浪费人力物力的行为。因此,在机房建设的初期设计阶段,应充分考虑到机房的可扩展性。对可能扩展的功能分区留出较大的余量,这在建设初期可能有些浪费,但在未来的使用中,尤其是系统扩容中就能体现巨大的优越性。
分区各自独立
各功能分区应即协调统一,又互相独立,避免出现互相干扰现象(如要通过A房才能进入B房)。
流畅的通道
宽敞、流畅的通道不但在紧急情况供工作人员快速撤离,保证人员的安全,而且可供外来人员方便的参观,提升业主信息化建设的总体形象。
隐藏立柱
现代高层建筑柱为较多且比较粗大,在机房建设中应尽量弱化这些立柱,即尽量将柱位柱位隐藏在功能区隔断墙体内。
中心机房是整个数据中心的核心部分,主要安装主机,网络等IT设备,同时也安装部分空调,配电设备。核心机房的面积一般按照机柜的数量来估算。
我们建议采用600X1000的42U设备机柜作为统一的标准框架,网络设备机柜,服务器设备机柜,电源柜,全部采用这种统一的规格。
另外,在机柜的排列上,我们建议在每排设备机柜的正面保证1200MM的操作空间,在设备机柜的背面保证700MM的维护空间,这样不但提高了机房的空间利用,也利于设备的散热分布。
在网络设备机柜的考虑方面,按照我们以往的经验,建议将综合布线的点位直接敷设在每台服务器机柜。这样设备的连接非常简单,具有非常好的灵活性。
另外,在考虑机架、机柜设备的选型时,必须全面考虑今后数据中心建设中的趋势,在以下三个关键领域采取相应的对策:
1. 通风:随着服务器数量的增加,每个服务器的计算容量要求更大的电源,于是每个机柜的散热就变得更加重要。良好的通风性能可以提高机柜内部件的可用性。
2. 数据电缆布线:因为每个机柜内服务器和网络互连设备数量的增加,数据线路数量的管理可能变得非常困难。必须避免由于机柜背面电缆过多而导致机柜后门无法关闭的情况。
3. 配电:数据中心的管理人员必须根据机柜内IT设备的数量好用电量,妥善计划在机柜内使用的输出插座数,以满足IT设备对输出插座的需要。如果缺乏管理输出插座的策略,将会降低IT 机柜的可用性。
数据中心机房平面规划的方案
根据现场实际勘测和我公司多年数据中心建设方面的经验,我们给出以下规划方案:功能区情况,具体如下(参照图纸):


2、机房结构装饰系统设计
XXXXXXX计算机机房应是整个大楼安全性、可靠性要求最高、最重要的场所,机房内放置的计算机设备、通迅网络设备不仅因为高科技产品而需要一个非常严格的操作环境,更重要的是它能否正常运作,对整个XXXXXXX机房的管理运行是至关重要的,因此计算机机房的基本结构组合必须达到以下标准;有防尘、抗静电、阻燃、绝燃、屏蔽防漏水、隔热、保温、降噪等。在设计、施工、材料选择上均应重点考虑这些要求,我公司设计如下:
2.1吊顶装璜工程
计算机中心机房、操作机房区域吊顶采用铝合金微孔金属天棚吊顶。机房内的吊顶主要具有以下作用:
在吊顶以上到顶棚的空间作为计算机房的回风库,当不作为风库时,可用来作装饰照明、消防、门禁等管道走线;安装固定照明灯具;安装固定自动火灾探测器、喷头;防止灰尘下落;管道、线路维护时必须方便、快捷、不损坏其它区域结构。
我公司设计:
1、机房全部区域采用微孔铝合金金属吊顶,设计吊顶高度为3.000米。
2、中心机房、UPS配电机房吊顶以上天棚涂刷防静电涂料。
3、中心机房吊顶以上天棚铺设20mm厚橡塑保温棉。
2.2墙体制作工程
我公司设计:
1、中心机房、UPS配电机房采用彩钢板墙饰面,基层内填充防火保温隔音棉,给机房带来现代化的气息,给机房带来现代化的气息,同时又能起到抗尘、抗潮、防水,屏蔽的作用。
2、中心机房、UPS配电机房之间设置不锈钢外框防火玻璃隔断。美观大方、并便于观察、及时处理问题。
2.3地面工程
我公司设计:
1、中心机房、UPS配电机房全部敷设防静电活动地板,防静电活动地板敷设设计标高为0.40米。
2、中心机房、UPS配电机房地板以下涂刷防尘防静电涂料,提高机房洁净度和导静电漆。
3、中心机房地面敷设20mm厚橡素防火保温板,保温板上敷设反光膜,增加机房保温性能和防地板下产生结露现象。
4、中心机房机柜前活动抗静电地板要采用通风地板,精密空调送出的冷气流,经通风地板后进入机柜。
活动地板安装过程中,地板与墙面交界处,活动地板需精确切割下料,切割边需封胶处理后安装,地板钢质边支架采用规格为40*40。地板安装后,用10mm不锈钢板压边踢脚线装饰。
根据现场实际情况及使用单位之要求,现场切割、制作电缆线出口,并安装地板出线口。出入口采用抗静电地板根据现场实际情况,加工定制出入口台阶,并嵌上50*5不锈钢收口条。
抗静电地板安装前,要求先采用防静电漆涂刷二遍防尘处理,并安装静电泄漏系统。铺设静电泄漏地网,通过静电泄漏干线和机房安全保护地的接地端子封在一起,将静电泄放掉。静电泄漏地网采用6mm2裸铜线十字型压接施工方式,取一端点接至接地铜排采取单一回路接地,接地电阻小于1欧姆。
2.4门窗工程
我公司设计: 1、中心机房货物通道门设计采用双开甲级钢质防火门(1500*2400mm)、
2、中心机房人员主要出入门设计采用双开有框防火玻璃门(1500*2400mm)
3、UPS配电机房的主出入口通道门设计采用双开有框防火玻璃新高度(1500*2200mm/900*2200mm)。
4、中心机房、UPS配电机房原有窗户采用轻钢龙骨加纸面石膏板封闭。
2.5其它工程
由于电池、精密空调等重量较大,我公司设计8#槽钢底座安装支架。既减少地板支脚支承压力,又扩大设备承载面积,减轻设备对楼板面的局部荷载,提高安全性。
精密空调等设备设置排水管道,防止设备漏水后积水。
2.6隐蔽工程
装饰工程中的隐蔽工程,我公司将严格按照国家标准对隐蔽部分材料采取:A、墙体部分作防潮处理,B、部分非阻燃材料必须涂刷防火涂料,C、所有隐蔽用材必须符合机房用材性能指标,做到不起尘、阻燃、绝燃,不会产生静电,牢固耐用并无病虫害发生。
3、机房动力配电系统设计
机房供配电系统为机房的动力电源。合理科学的配电管理设计为机房安全、稳定的运行起着非常重要的作用。设计包括:动力配电、强电管道、机房区域照明。
3.1动力市电部分设计
管理内容:计算机外设备(高速打印机等)、精密空调主机、新风机、机房内所有维修电源、机房区照明、应急照明电源、安全出口指示电源、其它机房办公设备电源等。
容量估算:照明用电按照每平方25VA的容量估算,数据中心总面积在212平米左右,估计容量为5.3KW。
空调空调采用精密空调4台和民用柜式空调1台,估计容量在85KW左右。
动力市电部分总体估算容量为91KW+9KW冗余
系统设计:动力市电部分配电容量设计为100KW。
3.2UPS电源供电部分设计
管理内容:计算机设备、服务器、小型机、存储、磁盘阵列、交换机、部分办公电源、门禁监控等设备。
容量估算:目前配置机柜50台,每个机柜负载约为2KW,容量估算在100KW
UPS不间断电源部分估算容量为100W。
系统设计:根据数据中心机房5年发展规划,及UPS的最佳工作范围,UPS电源配电容量设计最大值为120KW。
3.3总体设计
配电部分总设计容量为市电100KW+UPS电120KW+10KW冗作=230KW。
为保证整个供电系统的可靠性,建议采用双电源切换系统,和采用集中供电方式。
从大楼总配电间引二路三相五线制电源3×150mm 2+2×120mm2进入机房总动力配电柜,为机房精密空调、UPS主机、新风、照明、维修等提供市电供应;市电经UPS逆变整流后进入配电柜,为小型机、服务器、网络设备等提供电源供电。总设计容量: 230KW
3.4配电管理部分设计
在中心机房内配置容量为400A/380V市电动力配电柜1台,作为XXXXXXX数据中心的市电配电柜,为精密空调、UPS主机、新风、照明、维修插座等提供市电电源
在中心机房内配置容量为250A/380V 市电配电柜1台。250A/380V UPS输入输出配电柜1台, 100A/380V UPS输出配电列头柜2台,作为XXXXXXX数据中心的UPS输出总配电柜和分输出柜,此两台配电柜为IT精密设备提供UPS电源。
3.5强电管道设计
机房内所有强电管道采用下走线方式:主干采用金属国标300×100mm金属桥架、KBG25金属管、25金属软管、KBG25金属接头、86型接线、分线盒。
用户点器件采用:小型机、服务器UPS电源插座由专用工业连接器供电;每路服务器机柜设置双路供电,每一路由单独空开控制管理。操作台电源插座采用普通二三插10A地面暗插座,普通市电采用鸿雁三极*2 10A用户面板安装于机房区墙面上。各类照明开关采用鸿雁控制面板安装于各区域门内方便内。
分控线缆采用: ZRBVR系列2.5mm2 (照明、维修插座)、ZRVV3*4mm2(服务器、网络通信)。
3.6 PUE能耗管理(数字照明)
Power Usage Effectiveness的简写,是评价数据中心能源效率的指标,是数据中心消耗的所有能源与IT负载使用的能源之比
是DCIE(data center infrastructure efficiency )的反比。
总设备能耗 IT设备能耗
PUE= ———————————
IT设备能耗
PUE是一个比率,基准是2,越接近1表明能效水平越好。
PUE就是解决数据中心 高能耗的IT设备与制冷设备,配电设备之间的合理调配。
通过调整制冷和配电系统的分布来达到数据中心的节能目标。在以最简单直观有效的方式,计算每个用IT电负载的用电量,为数据中心的节能提供有效的依据
1、无需规划强电回路,设计及管线施工极大简化
传统照明控制在设计阶段需要考虑通过不同照明强电回路分组来实现不同场景的控制,因此在设计中需要许多单独的照明强电回路,布线复杂且布线成本较高。在控制区域需要重新布局和照明强电回路分隔时,需要重新布线,造成浪费。
智能照明系统采用DALI数字照明新技术,设计简便,便于事后变更、扩展,绿色环保。
联线简单,接线没有极性、没有组要求。所有灯具的开关、分组和场景控制与强电回路无关,不需要对强电回路分组,均可在安装调试时通过软件界面设定,因此节约了布线成本。
2、精细化节能技术,运营维护成本大幅降低
数字照明技术为照明精细节能展示了方向。比如,可以随心实现:单灯数字调光(1- 100%)、场景随心设置、场景启闭定时控制、红外感应或遥控、群组随心组合控制、远程控制和图示化监控等。
场景随心设置和控制功能:
用户预设多种场景,按动一个按键,即可调用需要的场景。多功能厅、会议室、体育场馆、博物馆、美术馆、高级住宅等场所多采用此种方式。
恒照度控制功能:
根据探头探测到的照度来控制照明场所内相关灯具的启闭。写字楼、图书馆等场所,要求恒照度时,靠近外窗的灯具宜根据天然光的影响进行启闭或调光。
定时控制功能:
根据预先定义的时间,启闭相应的场景。一般情况下,系统可根据当地的经纬度, 自动推算出当天的日出日落时间,根据这个时间来控制照明场景的开关。特别适用于夜景照明、道路照明。
就地手动控制功能:
正常情况下,控制过程按程序自动控制, 在系统不工作时,可使用控制面板来强制调用需要的照明场景模式。
群组组合控制:
一个按钮,可定义为打开/关闭多个箱柜(跨区)中的照明回路,可一键控制整个建筑照明的开关。
应急处理功能:
在接收到安保系统、消防系统的警报后, 能自动将指定区域照明全部打开。
3、远程控制:
通过英特网(Internet)对照明控制系统进行远程监控,能实现:对系统中各个照明控制箱的照明参数进行设定、修改;对系统的场景照明状态进行监视;对系统的场景照明状态进行控制。
图示化监控:
用户可以使用电子地图功能,对整个控制区域的照明进行直观的控制。可将整个建筑的平面图输入系统中,并用各种不同的颜色来表示该区域当前的状态。
4、可与门禁、报警、窗帘、传感器等系统任意联动组成物联网,更智慧、更人性化地照明
FUCOMO智能照明系统隶属于FUCOMO 物联网平台的一个子系统部分。与平台的其它子系统可无障碍集成和共享数据,并可实现联动控制。
比如,可实现门禁刷卡后自动打开室内灯光和空调。报警探头感应到防区内有人入侵会自动打开防区内灯光并启动摄像机拍摄入侵者,同时启动警号和报警电话……
物联网平台突破传统系统集成概念的思想束缚,把多个子系统预集成到一个统一的软件平台中,设备管理、事件查询、设置联动等一目了然。并配备了用户可自由添加和导入的电子地图,实现了软硬件的高度融合;真正以用户的使用价值为导向,"傻瓜式"的操作即可实现专业级人性化的智能服务。
计算机机房照明、照具质量的好坏,不仅会影响计算机操作人员和软硬件维修人员的工作效率和身心健康,而且因设计不当还会干扰计算机的稳定、运行。机房照明必须遵循:照明均匀无眩光无死角、各作业面无方向性限制、严禁使用具有强烈干扰性的电感整流装置,便于维护检修。
5、确保作业面视觉良好
工作区照明均匀排列与工作台人员的方位要求等位,尽量避免直接反射,避免灯光从作业面至眼睛直接反射,影响对比度,降低能见度。为使计算机的显示屏画面清晰,照度不可过亮,否则反差减弱影响观察。深圳福控参照美国照明协会(ILLUMINATIONEMGI-NEERING SOCIETY IES)的机房照明度推荐值及《中国智能建筑设计规范》,国标GB2887-89的要求,集深圳福控多年机房设计之经验,严格遵照国标《电子计算机机房设计规范》,认为300至500Lx为最佳照明度,本方案设计平均照度为250Lx—350Lx之间。
6、光源照具选择
计算机房照明宜用荧光灯,其优点是效率高,寿命长、节约能源。深圳福控灯具选用性价比电子式日光型灯具。使被照面照度均匀。日光灯管采用高光节能型三基色荧光灯灯管,配电子式整流器目前已成熟,具有节能、重量轻,提高光效,减少闪烁,改善功率因数,耐低温等优点。嵌入式灯具在吊顶上嵌入安装。按规定灯具重量大于3kg时,灯具重量要由混凝土板承担,在灯具底4角设4个吊点吊链可用螺栓调节长度,将灯安装水平。灯具安装完毕后可在下面拆装、更换灯管等。(在机房内严禁使用电感式整流器,深圳福控方案采用电子式整流器)
综上所述,中心机房选择用600×600 14W×3计算机机房专用灯具,具有分光柔和、照度均匀、无眩光、无方向性、无启动电流干扰、便于维修的优点。部分机房照明灯具接入UPS电源,用于应急照明所需。另机房主出入口门上端安装安全出口指示灯,以便引导人员及时疏散逃生。
电气开关、电源配备安装尺寸(单位:mm)
GB标准;壁开关: 操作方便处 1050mm高度
GB标准;备用插座:机房各区域墙面上 300mm高度
GB标准;应急指示电源:安装于各出入口上方
GB标准;应急照明电源:安装于各机房区灯具内,均匀分布。
电气插座室内安装空间:
室内空间净高度:2.60mm左右(根据现场楼层高情况现场决定)
设计作业高度: 750mm至800mm
4、机房PDS综合布线系统设计
机房内PDS布线系统以《结构化综合布线系统》为设计依据,在机房内设:A集成配线系统,B水平布线系统,C用户端点系统三部分设计。
机房用户端部分
每个机柜按8台服务器容量设计,机柜内部安装一个1U的配线架,配置24个六类信息点。配线架安装在机柜的底部,可提供RJ45接口24个,其中16个为网络端口,8个为KVM端口。
机房水平干线部分
各水平线采用六类非屏蔽四对双绞线,从网络通信交换机柜的中心配线架ODF上接入至每个机柜的配线架IDF。
机房集中管理部分
网络通信机柜内设置24口六类配线架,集中管理:服务器、PC机等信息点,各用户点采用六类非屏蔽双绞线集中汇集至网络机房内19"42U标准配线机柜内。
弱电管道部分
弱电管道部分采用上走线方式:全部金属国标300*100金属桥架、KBG25金属管、25金属软管、KBG25金属接头、鸿雁86型接线、分线盒(包括强电管道)。
PDS用材说明:
线材采用:普瑞斯曼 六类四对双绞线
模块采用:普瑞斯曼 RJ45六类模块
配线架采用:普瑞斯曼 六类快捷式配线架
弱电桥架采用: GB 300*100mm金属桥架
弱电管道采用:国标KBG25金属管道, 86型续线盒
设计待建方案在机房区采用语音、数据、图像用户点混用设计,客户可根据自身需求在配线架端按机房内用户点布线编号任意跳线连接。
5、机房UPS 不间断电源系统设计
UPS简介
UPS( Uninterruptible Power System ),即不间断电源,是一种含有储能装置,以逆变器为主要组成部分的恒压恒频的不间断电源。主要用于给单台计算机、计算机网络系统或其它电力电子设备提供不间断的电力供应。当市电输入正常时,UPS 将市电稳压后供应给负载使用,此时的UPS就是一台交流市电稳压器,同时它还向机内电池充电;当市电中断( 事故停电 )时, UPS 立即将机内电池的电能,通过逆变转换的方法向负载继续供应220V交流电,使负载维持正常工作并保护负载软、硬件不受损坏。
UPS作为保护性的电源设备,它的性能参数具有重要意义,应是我们选购时的考虑重点。市电电压输入范围宽,则表明对市电的利用能力强(减少电池放电)。输出电压、频率范围小,则表明对市电调整能力强,输出稳定。波形畸变率用以衡量输出电压波形的稳定性,而电压稳定度则说明当UPS突然由零负载加到满负载时,输出电压的稳定性。
还有UPS效率、功率因数、转换时间等都是表征UPS性能的重要参数,决定了对负载的保护能力和对市电的利用率。性能越好,保护能力也越强,总的来说,离线式UPS对负载的保护最差,在线互动式略优之,在线式则几乎可以解决所有的常见电力问题。当然成本也随着性能的增强而上升。因此用户在选购UPS时,应根据负载对电力的要求程度及负载的重要性不同,而选取不同类型的UPS。
系统设计:
按照前述UPS系统容量测算,目前UPS配置暂为80KVA,后备时间本方案按照80KW负载1小时设计。
要满足用户安全的需求,必须采用冗余的系统方案,我公司设计采用2台台达模块化系列80KVA UPS,每台配置4个20KVA模块(可方便扩充容量和单个模块热插拔维修,不影响机器正常运行,单台最大可扩充到120KVA),采用1+1设双机冗余设计,适应业主不断发展的设备供电需求。
设计到每台计算机设备电源保证有2各独立的供电回路,最大程度的保证计算机设备的供电安全。
机房UPS配电系统的结构如下图所示:

C系列产品性能特点与优势:
1. 性能及技术特点
· 模块化设计, 电压频率独立(Voltage-Frequency Independent) 式架构
· 功率因素>0.99
· 输入谐波<3%
· 可2台UPS并机冗余,无须外加并联控制卡
· 使用中文/英文LCD显示
· 宽广的输入电压范围
· 充电系统采DIN41773国际标准
· 设计有电池温度补偿,延长电池使用寿命
· 可远程遥控或面板控制警急事故关机功能(EPO)
· 高整机效率
· 标配有手动维护旁路开关功能(MBS)
· 输入端可作双回路供电设计
· 输出过载能力强,可承受100%三相不平衡负载
· 采用多组微处理器控制与模块化设计,维护简易
· 内建SRAM,可以储存多于500笔信息数据
· 可搭配电力监控软件,对UPS作网络及远程监控
· 提供超过4种以上的通信接口可供选择
· 智能变速风扇,低噪音,节省电费及提高风扇使用寿命
· 短路保护设计与超强防雷击保护
· 可电池直流启动
· 真正实现热插拔维护
2. 性能及技术特点说明
2.1 采用先进智能的微处理控制器CPU控制设计
数字化设计:
· 藉由高速的微处理器运算为基础的数字化设计,简化复杂的模拟线路及零件数目,提高了整个系统的集成率及可靠度。
· UPS系统的控制参数,直接经由高速的微处理器取样计算,可得到精确的读值并对系统实时控制调整,提供精细的SPWM逆变脉冲,驱动逆变器的IGBT模块,使UPS输出纯净可靠的正弦波。
· 经由高速的微处理器取样计算出精确的数字化读值,可经由LCD显示出各种重要的电气参数(包含负载百分比,各相的输入/输出电压、电流频率,电池电压、电流,告警指示..等),更方便让管理者清楚的对机器的运行进行正确实时的管理。
· 完善的自检功能,使UPS的运行更可靠安全。
· 管理者也可以经由UPS的控制面板依实际需要设定相应的管理参数(如输入/输出电压、频率范围,充电电压、电流,密码设定..等)。
· 多段式冷却风扇速度控制,改善系统可靠度、效率、噪音及提高风扇使用寿命。
可1+1UPS并机冗余, 无须外加并联控制卡:
· 以高速的微处理器为基础的数字化设计,各台UPS能够精确快速的返馈逆变补偿电流与电压的参数,同时经由通讯线对负载的功率取样返馈逆变补偿电流的参数,使各UPS之间的电压保持稳定一致,环流也可以大幅度的降低,可同时并接2台同型UPS运行。
内建SRAM, 可以储存多于500笔信息数据:
· 内建SRA,M可以储存多于500笔信息数据,可提供系统异常前后的状态及数据,对计算机辅助诊断及问题得到正确的判断,提高了维修的时效。
智能型充电并有电池温度补偿设计,延长电池使用寿命:
· 提供自动浮充及均充两种充电模式和定电流及定电压两阶段充电,可使电池容量维持在满容量状态,延长电池使用寿命。
· 对于环境温度的变异,充电电压也进行相对应的调整(参照电池技术规格,以20℃为基准每上升1℃,充电电压调降0.5V每下降1℃,充电电压调升0.5V),以延长电池寿命。
智能型放电器设计:
· 可依负载的实际情况及电池的电流量大小,来调整电池的过低保护电压准位,以确保电池工作在最佳的状态及延长电池使用寿命。
2.2 先进的运行控制架构设计
采用IGBT高频正弦脉宽调变技术:
· 采用IGBT高频正弦脉宽调变切换技术,降低系统噪音及电力损失。
双备份电源设计:
· UPS 的所有控制电路(包括整流器/逆变器/静态旁路开关/保护用电子开关/CPU控制线路等)的工作电源,均为双备份冗余,提供系统200%的运行安全保障。
可做双机热备机(Hot Standby Redundancy)连接配置设计:
· 以提高系统可靠度及UPS故障清除能力。
模块化设计,可作2台(1+1)并机扩容冗余, 支持不同容量并机
· 控制采随机控制架构,无需固定主机/副机的区分;避免因单点故障时所造成的当机风险,不但可以扩大供电容量且提高系统的可靠度与UPS故障清除能力。
· 支持模块并联,每个机柜至多可放4个模块,1+1并机时可以任意选择机柜扩容;每个模块具有故障自动隔离功能,当模块故障时,可自动脱离系统,剩余模块可以继续运行.。
整流器有软启动设计:
· 当UPS的输入转由发电机连接供电使用时,可使发电机供电得到平滑过度连接,可避免发电机受到瞬间负载的冲击或过载故障,可使发电机保持正常运行,延长使用寿命。
使用者亲和接口及智能型数字化电源管理:
· 多国语言图形化大型LCD显示使UPS易于操作,更拉近了与用户间的距离。
· LED系统指示图及UPS状态指示,直接地提供UPS运转模式的状况。
· 可管理的通信接口端口,有干接点/RS232/RS485/SNMP/ETHER NET通讯端口,使UPS监控管理变得更简便,功能强大,可提供UPS状态监视及网络管理能力。
2.3 适应中国国情的设计
宽广的输入电压范围:
· 在满载的情况下,输入电压的范围非常宽(-30% ~ +25%),在供电环境恶劣的大部分地区,大多数的UPS要靠电池放电才能保持输出电压稳定的情况下,台达UPS还能够按正常的市电工作方式运行,降低电池放电的次数及损耗,延长电池使用寿命。
高功率因素,低谐波失真
· 功率因素>0.99, 谐波失真<3%。
短路保护设计与超强防雷击保护:
· 使设备不受外部恶劣环境的冲击并保护用户负载设备获得安全的运行。
完全中文化显示接口: 提供用户简易方便的操作管理及维护指示
· 全中文LCD显示画面:
系统主画面:显示UPS运行状态图及状态、异常告警、异常处理信息提示画面。
量测画面:显示UPS各种电气指针参数测量,包括:输入/输出电压、电流、频率,电池电压、电流、状态、容量及输出负载百分比、功率因素,温度状态…等数据。
参数设定画面:可对UPS的一些基本保护参数依需求设定,包括:逆变器输出电压准位、输入电压、频率范围及电池的容量、充放电电压、电流范围、状态测试时间、安装、更新告警日期和系统时间、密码、语言、LCD明暗对比调整之设定…等。
系统控制画面:可强制控制逆变器、旁路输出状态、警报器静音调整、测试电池状态、控制充电形式…等。
事件记录画面:可记录显示UPS历史状态发生情形及时间,查看目前UPS使用的状态,透过事件记录可作为UPS故障时分析问题的依据。事件记录可达500笔数据。
其它信息画面:显示电池状态测试结果及日期、电池安装日期、电池放电次数、旁路状态次数、UPS运转时间、UPS运转状态代码、现在时间、UPS基本容量编号、软件使用版本和干接点输出设定状态…等。
· 全中文化远程监控管理软件: 可透过不同的通信埠(RS232/RS485/SNMP/DRY COCACT/ETHER NET等)直接连接计算机或透过网络进行远程监控,使用者可直接在计算机上对UPS进行监视及控制,并集中控制管理源。
· 三.C系列UPS技术规格 :

6、机房精密空调、新风系统设计
1、 空调系统规划
数据中心机房区域内分三种空调形式:恒温恒湿型精密空调机组、基站式柜式空调、吸顶式舒适型空调。中心机房采用精密空调,即恒温恒湿机组形式;UPS配电机房和网络机房采用精密空调;辅类机房采用吸顶式舒适型空调。
恒温恒湿精密空调机组是机房工程中的重要配套设备,其安装使用条件与机房的工程有密切的关系,精密空调送风模式采用下送风恒温恒湿精密空调。
根据《电子计算机场地通用规范》和机房设计的标准等要求,我们建议机房空调采用机房精密空调来控制机房的温度是湿度,这样会使机房更智能化、人性化;以下是精密空调和一般空调的性能以及造价上面的比较:
机房精密空调与普通舒适性空调的比较

根据机房的初步规划,中心机房区域使用精密空调系统。
中心机房总热负荷计算(含UPS配电机房热负荷)
按照经验公式 Q = (163)m2X500W = 81.5(KW)
精密空调需选用制冷量超过82KW的精密空调设备。拟采用2台60.1KW制冷量和2台26.3KW制冷量的空调机组(考虑到系统节能和稳定性机房精密空调配置双压缩机双回路系统的057C和260C型号)。
中心机房空调型号选择
为保证机房的安全稳定运行,我公司设计:
中心机房2台采用XXXXXXX057C型下送风精密空调,空调单台总制冷量为60.1KW,显冷量57.1KW,风量为17920立方米/小时的精密空调.
2台采用XXXXXXX026C型下送风精密空调,空调单台总制冷量为26.3KW,显冷量25KW,风量为8180立方米/小时的精密空调.
XXXXXXX系列恒温恒湿精密空调机组简介

XXXXXXX系列恒温恒湿精密空调机组的每一个部件都遵循统一的设计原则—节能和高效。
框架&外壳 :
框架 : 1.2mm钢板及型材,外涂深灰色环氧树脂,内衬吸音隔热材料
外壳 : 1.2mm厚钢板,良好密封性,内衬隔热吸音材料,可防止气流泄漏及降低噪音机组带有铰链的前门b,容易打开,不需提供专用工具,分离的平直安放拉手,就能提供正常的维护服务。
2. 全铝制室内风机:选用直联后曲叶片全铝制离心风机
a. 直接驱动,高效节能。
b. 全铝制风机,重量轻,运转平稳,高效节能

前向叶轮

前向叶轮

后向叶轮

后向叶轮
c. 机外余压增加到500Pa
d. 通过多级输入变压器,可以实现在风量不变的情况下根据实际需要自动调节送风静压
e. 下送风机组的离心风机位于中部,使出风气流可以在机组下部内扩展,然后以低速压进入活动地板空间,损耗小,无扰动。且噪音低。
f. 噪音低,占用空间小,振动小,并且避免了使用皮带驱动所需的定期维护及更换皮带(皮带在空调中经历制冷、加热、加湿及除湿等影响非常容易老化)、增加运行成本等缺点

g. 可拆卸风机盖板,即使在打开机组前门的情况下,也能完全隔绝气流,做到真正不停机维护, 内衬绝热吸音材料进一步降低风机噪音。
另可选配电子换相离心风机:
· 外转子风机,高效节能;
· 无振动,寿命长;
· 采用无刷直流电机,内置电路,可根据室内温度无级调速。
· 启动电流低,低于运行电流 (普通交流电机,启动电流是运行电流的3.5倍)

· 相对于一般异步电机,全年省电可达50%

由上图可见,相同工作点的EC风机相对于普通AC风机,其功率小很多。
由于风机在机房空调里是不停机运转的,运转的时间是最长的,因此就全年来说,风机的耗电量对整台机组而言占了相当的比例。由下图可知,如在冷冻水机组内,选用EC风机全年可节
省能源高达63%

3. 控制器
0. 大屏幕液晶中文显示
0. 操作方便,一键式进入,无需进入繁琐的多级菜单
0. 报警功能强大,多达100种以上的报警(包括预警)
0. 热备份功能:无需增加任何配件即可 做 到 主 备 机的 功 能 , 主 机 与 备 机 之 间 可 定 时 进 行 工 作 切 换 ,以 保 证 每 台 机 组 运 行 时 间 基 本 相 同,主 机 故 障 自 动 切 换 到 备 机 ,同 时 , 当 机 房 内 热 负 荷 超 过 预 设 值 , 导 致 室 内 温 度 不 能 维 持 在 设 定 点 上 时 , 自 动 启 动 备 用 机 组 , 保 证 室 内 温 度 在 所 要 求 的 范 围 内
0. 主 导/ 滞 后 压 缩 机 轮 换 以 均 等 压 缩 机 工 作 时 间 和 延 长 寿 命
4. 涡旋式压缩机:噪音低,高效节能,可靠性高,使用寿命长, 全 系 列 采 用 柔 性 涡 旋 式 压 缩 机 , 效 能 高 , 运 动 部 件 少 , 延 长 机 组 寿 命 , 无 液 击 现 象 。 制 造 技 术 世 界 领 先 。 压 缩 机 内 装 有 缺 相 保 护 装 置 , 在 电 源 缺 相 或 压 缩 机 过 载 情 况 下 , 能 自 动 停 止 压 缩 机 工 作 , 保 护 压 缩 机 电 机 。
5. 电子膨胀阀:与传统热力膨胀阀相比有以下优点:
1. 节能大约8%。
1. 控制系统通过电子膨胀阀对制冷循环的温度、压力进行精确控制,大大提高控制精度。
1. 在室外环境温度较低的时候,电子膨胀阀精确控制过热度,使系统能够稳定运行。
1. 摆脱传统除湿方式,无需降低循环风量或者关闭部分蒸发盘管,使得除湿过程更精确、更可靠、更节能。

采用了意大利卡乐的电子膨胀阀,再与卡乐的控制器相配合,其控制程序的兼容性可强化电子膨胀阀的功能。

这一组件配置了了温度及压力传感器测量过热度,并通过电子膨胀阀驱动器的(PID)逻辑控制阀门的开度,确保蒸发器获得最大的效率和最合适的过热度。它不但允许设备在制冷循环中测定所有的参数同时也得到最大度的节能
· 可以比一般常用的热平衡式膨胀阀在更低的温度运行藉以增加设备的COP值
· 更精确的调控运行温度
· 在恒定气流量下进行除湿功能
· 卡乐PCO控制器管理每一空调系统的温湿度控制功能、以及任何报警;持续监控回路中的冷凝压力
精确的过热度控制使空调机组的性能在所有运行条件下都达到最佳。
另外,E2V的高效调节性和适应能力意味着空调系统可以运行在最大效率下。当室外温度合适时(夜间或冬秋季月份),可将冷凝压力降低至10bar, 从而降低了耗电量。另一方面,机械式热力膨胀阀总是强制机组运行在冷凝压力超过17bar的情况下。在较热的天气情况下,电子膨胀阀的优点是可以更好地利用蒸发器;在较冷的天气下,其可以降低机组的运行压力,从而降低耗电量,提高效率。


上图为使用卡乐电子膨胀阀在意大利博洛尼亚市Corticella电话交换中心控制室实验对比测出, 控制总制冷量为120KW的风冷式直接膨胀机组,此实验表明,节能可达15%。

6. 过 滤 器
中效EU4-5,一级防火滤蕊,金属框架结构,可以从机组正面抽出而不用担心灰尘扩散到房间内,可反复清洗,多次使用。
同时,可根据用户实际需求,提供更高效率的过滤器, 可达到EU8.
7. 电 极 式 加 湿 器

独特的可拆卸电极式加湿器位于机组下部与压缩机共处一个独立空间内,与气流隔离,不停机也可进行维修服务。可拆卸滤蕊,电极及罐体进行清洗,非专业人士也可进行。对水质无特殊要求,无须事先预处理。根据水质软硬程度和机房湿负荷大小,可由电脑编程控制加湿器自动清洗时间和加湿量调节,方便简单,同时大大延长维护间隔,减少维护费用。
8. 电 再 加 热 器

采用3级电加热,可根据房间的热负荷分3级投入运行,其作用将除湿过程中所造成的过低温度空气再加热以保证出口空气温度在规定范围之内。耗能低,精度高,稳定性好。绝缘电阻加热组件带有延展型铝翅片,表面温度低,可防止灰尘离子化及防止产生臭氧。
a. 用全铝制电加热器,可根据房间的热负荷分2-3级投入运行,节省能源
b. 全铝制电加热器,表面温度低,可防止灰尘离子化及防止产生臭氧,而 对 人 员 产 生 健 康 损 害,安全可靠
c. 全铝制电加热器,表面温度低,使用寿命长
d. 三级加热控制,每级每相功率相等,三相平衡,具有过热保护装置,手动复位。
9. 新风系统 (选项)
配有新风补充系统,利用机内负压将新风吸入并与冷风充分混合,然后经风机送入室内,满足了机房对新风的要求。
10. 蒸发盘 管
蒸发器设计选用内螺纹管,亲水膜翅片,高效正弦波换热铝翅片,大 面 积 的 散 热 盘 管,比一般舒适性风柜机提高换热效率达15%以上。采用吸透式气流,使空气分布更均匀。冷凝盘管采用不锈钢,且带有排水软接头。
11. 三 通 电 磁 阀 (冷冻水机组)
装有三通阀调节进入盘管的冷冻水流量为房间条件提供了绝对精确的控制。
12. 局域网热备份系统:
a. 降低机组的运行成本:当一台机组可以满足机房中温度要求时,只需开启一台空调机组,达到降低运行成本的目的。
b. 主用,备用机组正常运行时自动切换工作功能:可以人为设定各个机组自动切换工作的间隔时间,到达设定的时间后,正在工作的机组自动停机,同时,停止工作的机组自动开机,可以使得在同一个局域网中的所有机组在一定的时间内工作时间基本相同,避免传统的主用,备用机组工作方式所产生的主用机组一直工作,而备用机组不工作的情况,同时也可以减少人员的手动控制工作量,实现系统全自动化运行,延长所有机组的使用寿命
c. 主用,备用机组产生警报时自动切换工作功能:此功能与传统的主用,备用机组工作方式基本相同,当正在工作的机组产生警报时, 停止工作的机组自动开机,同时远程放置的控制器操作面板产生警报提示(此功能与传统的主用,备用机组工作方式不同),通知维护人员对警报机组进行维护,警报条件解除后,系统内的机组恢复原始(警报产生前)的工作状态
d. 负荷峰值时,主用,备用机组智能控制功能:当房间内负荷热量(或湿度)增加(或减少),所有正在工作的机组不足以提供相应的冷量(或热量,加湿及除湿量)时, 停止工作的机组将自动开机来维持室内的温湿度要求,此时可以满足冬季和夏季实验室对制冷的不同需求,降低运行成本增加可靠性
13. 低噪音:
1) 机组外壳采用"三明治"板:即两层钢板中间加隔热降噪阻燃材料,安全并保证机组低噪音
2) 室内风机:选用直接驱动双吸入式全铝制离心风机
a. 直接驱动,高效节能。
b. 全铝制风机,重量轻,运转平稳,切割空气流时产生的噪音与钢或铁制风机相比噪音大大降低,在降低噪音的同时高效节能
14. 维护简单方便
1) 空调机组100%正面维护,机组安装可以三面靠墙
2) 维护空间大
3) 机组前门,容易打开,不需专用工具
4) 不停机维护
5) 各种功能元器件按照功能集中布置,操作方便
6) 所有暴露的电器电压均为24V安全电压
15. 先进的微处理控制器
1. 先进的微处理控制,采用先进的PID调节技术,具有LCD大屏幕显示器,能显示温湿度,具有图形显示机组内各组件的运行状态的功能
2. 易操作的人性化界面,全中文LCD 背光显示。
3. 具备电源相序保护和缺相保护,电源断电后来电自启动功能。
4. 运行状态智能显示。机组自动值班切换。当值班机组出现故障时,备用机组会及时启动起来投入运行,同时向监控中心发出声迅警报信息。
5. 配备标准的R485 监控接口,完全可以并入环境集中监控总网,免除维护人员的巡视工作。
6. 具有高智能化的控制系统,温度控制精度达±0.25℃。
7. 具有大容量的故障报警记录储存的功能,能够储存达100条的报警历史
8. 操作方便,一键式进入,无需进入繁琐的多级菜单
9. 报警功能强大,多达30种以上的报警(包括预警)
10. 热备份功能:无需增加任何配件即可做到主备机的功能 ,主机与备机之间可定时进行工作切换,以保证每台机组运行时间基本相同,主机故障自动切换到备机,同时,当机房内热负荷超过预设值,导致室内温度不能维持在设定点上时,自动启动备用机组,保证室内温度在所要求的范围内
使用这种工作模式,我们可在机房始初化制冷量配置时,不需要选择到最大的峰值负荷,因为峰值负荷出现的时间非常短,而当出现峰值负荷,备用机组又可以自动启动以满足室内热负荷的要求。因此,即可以降低初次投资成本,又能降低运行成本,还同时保证了机房的环境条件的精密控制,最大限度地达到节能的目的。
在局域网的温度采样中,有本地取样和平均值取样两种方式:本地取样即每台空调根据自身的温湿度传感器作为控制基准点而控制,平均取样方式是将所有空调的温湿度采样值的平均值作为控制基准点,所有空调都是根据同一平均值来控制。采用平均值取样的控制方式,可避免机组之间的反向功能运行,如一台机组运行加湿功能,另一台机组运行除湿功能,保证了局域网中所有机组都按同一模式运行,消除了能源浪费的潜在可能。
我们可选择N+1或N+2的群控设置
16.室外冷凝器:
1. 冷凝风扇采用无级变速控制装置,可根据冷凝器管道内部压力变化自动调节冷凝风扇的转速,以保证系统冷凝压力的稳定
1. 体积小,重量轻,安装空间小,维护方便,无 须 提 前 说 明 及 特 别 处 理 即 可 根 据 需 求选择水平或垂直气流两种形式
1. 选用水平气流方式时,可以将2-3台冷凝器重叠安装,节省安装空间
1. 换热面积大:采用内螺纹铜管,具有更高的换热效率
17.并联机形式: 采用并联机形式,即2个压缩机共享一个制冷回路(即蒸发器和冷凝器),当在部份负荷情况下,只有一个压缩机工作时,享用了双倍面积的蒸发器和冷凝器,使制冷效率大大地提高。在这种情况下,机组可提供67%的制冷量,而非50%。从另一个角度来说,效率提高了30%
18. 完善的安全和保护功能,确保安全
1)积极安全措施:提供"智能"型控制,包括监视和预防危害:
-在无潜在危险情况下,开机。
-显示机组的操作状况。
-连续显示环境温、湿度值,如果超出程序预设值极限会发出警告。
-维护时间预警
-有危险时,关闭所有部件。
2)其它安全措施:基本功能对非正常运行或潜在损坏情况进行保护,所有的控制系统都安装有:
- 低风量传感器。
-过滤器堵塞传感器
-电加热器安全恒温器。
-加湿器失灵警报。
3)防危害安全措施:
进入控制系统程序均有密码保护。对损坏控制器的任何未经许可的操作将被拒绝并发出报警。
4)保险装置
设计和所有类型机组的接线适合IEC标准。24V控制线路配电箱装有:
-所有主电压保护器。
-可上锁和可移动操作的主绝缘体连锁保险。
-设备组件单个短路保护由小型回路断路器来实现。
5)可靠性测试
为了确保设备的无故障运行,在生产过程中的各个环节都要进行严格的检查:
-部件的质量控制。
-制冷剂回路和水回路的压力测试。
-电气控制组件的高温老化处理。
-所有仪器和开关的测试和校准,特别是保险装置和切断开关。
-整机最后在运行条件下测试。
-机组的全面结构检查。
二.技术参数表

2、 防漏水系统设计
由于精密空调有加湿进水和冷凝出水需要,需要监测其漏水,以防止机房进水,在此需要对其进行漏水侦测,
我公司设计:在中心机房空调和其它易漏水部位设置防漏水侦测系统1套,一旦发现漏水现象立即进行短信报警。
3、 新风系统规划
为了设备的正常工作,并给员工一个舒适的工作环境,机房内要求安装新风系统,目的为更换室内不新鲜空气,补充氧气。要求新风系统能够滤除空气中的杂质和灰尘。为了改善工作环境,对于某些噪声较大的设备,应采用适当隔离措施等减少噪声。
在充分满足主机设备的运行环境基础上我公司为机房区工作人员设计了适量的新风输入系统以满足机房区操作人员的工作舒适度,为确保工作人员新风量的摄入且不影响机房区温度、湿度、纯净度的变化。
我公司设计:在中心机房设置带热交换功能的亚都新风机1台,每小时交换空气600m3,设计每小时换气1次以上,带中效过滤器。在备用机房设置带热交换功能的亚都新风机1台,每小时交换空气400m3,设计每小时换气1次以上,带中效过滤器。
7、机房防雷接地、静电释放系统设计
7.1机房地线系统
接地系统是机房环境的重要组成部分,它不仅直接影响机房通信设备的通信质量和机房电源系统的正常运行,还起到保护人身安全和设备安全的作用。
接地系统是由接地体、接地引入线、地线盘或接地汇接排和接地配线组成。接地系统的电阻主要由接地体附近的土壤电阻所决定。如果土壤电阻率较高,无法达到接地电阻小于1欧姆的要求,就必须采用人工降低接地电阻的方法。
机房接地系统设计目标
在采用分散接地方式时,接地电阻要求如下:
1 工作接地电阻≤2Ω
2 保护接地电阻≤4Ω
3 防雷接地电阻≤10Ω
我公司接地系统要求:
1 计算机系统直流直接接地电阻小于4欧姆
2 计算机系统直流联合接地电阻小于1欧姆
3 交流工作接地系统接地电阻小于4欧姆
4 计算机系统安全保护接地电阻和静电接地小于2欧姆
5 防雷保护接地系统接地电阻小于2欧姆
接地的种类
工作接地:利用大地作为工作回路的一条导线
保护接地:利用大地建立统一的参考电位或起屏蔽作用,以使电路工作稳定、质量良好,特别是保证设备和工作人员的安全。
重复接地:将零线上的多点与大地多次作金属性连接。
静电接地:设备移动或物体在管道中移动,因摩擦产生静电,它聚集在管到、容器和贮藏或加工设备上,形成很高电位,对人身安全及对设备和建筑物都有危险。作了静电接地,静电一旦产生,就导入地中,以消除其聚集的可能。
直流工作接地(也称逻辑接地、信号接地):计算机以及一切微电了设备,大部分采用CMOS集成电路,工作于较低的直流电压下,为使同一系统的计算机、微电子设备的工作电路具有同一"电位"参考点,将所有设备的"零"电位点接于同一接地装置,它可以稳定电路的电位,防止外来的干扰,这称为直流工作接地。
防雷接地:为使雷电浪涌电流泄入大地,使被保护物免遭直击雷或感应雷等浪涌过电压、过电流的危害,所有建筑物、电气设备、线路、网络等不带电金属部分、金属护套、避雷器以及一切水、气管道等均应与防雷接地装置作金属性连接。
本机房工程的接地系统采用综合接地系统,综合接地接地电阻要求小于1欧姆。
接地施工方案
(1) 逻辑保护地与引下线
在主机房区内用30×3mm的铜排做一组逻辑保护地,将计算机设备的直流工作接地以最短距离连接到铜排上,再引入配电柜的逻辑接地汇流排,并用二根50mm2铜芯线引至机房室内联合接地端子。
(2) 抗静电保护地与引下线
在主机房内用6mm的BVR软线将机房内防静电地板的脚与铜排相连接作为抗静电保护地,并用跨接线将机房内的墙、顶、地的金属结构体、机柜、机架等所有不带电的金属构件与该保护地近距离做等电位连接,同时与机房安全工作接地、防雷地等以最短距离形成结构相连,并用二根50mm2铜芯线引至机房室外联合接地端子。
(3) 接地汇集线
接地汇集线一般设计为环形或排状,材料为30*3铜排。
接地汇集线可以设在干燥的地槽内或墙面适宜位置。
(4) 机房接地与等电位联结、机房布地网方案一说明图

机房接地地网方案一说明图

等电位联结排10平方毫米的接地分线
我公司设计:机房采用六面体屏蔽接地,天棚、墙面采用6mm2双色导线,主干采用10mm2双色导线,双回路引接至接地铜排上,防静电地板上静电释放次干采用6mm2双色导线,支干采用10mm2双色导线,主干采用16mm2双色导线采用双回路引接至接地铜排上。
7.2强电防浪涌保护系统
瞬态电压冲击不仅在电力干扰中最为常见,而且对精密的电子系统最有破坏性。冲击电压产生的原因有多种,最众所周知的是雷电。3000万伏的雷电高压通过电磁感应会造成输电线上的瞬间高压;电源问题的其他原因不如雷电那样明显但危害同样严重,而且发生更为频繁。大楼电网中的重负载设备如空调、电梯等的开关都会造成电网中电压的瞬间过高或过低等电源干扰。防浪涌保护器是针对200V/380V供电系统设计制造的。它具有响应时间快(0.5纳秒)、通流容量大、残压低(10KA冲击下)等特点,并且采用世界独一无二的Kelvin接线(以取最小的连线阻抗),能有效地抑制瞬态电压冲击和振荡。防浪涌保护器的电流分流器可在高能条件下立即作出反应,使输出严格控制为正弦波,以防止电流毛刺和冲击造成的损害。灵敏追踪滤波器能在正弦波线路上持续地限制冲击和干扰,同时还存储和释放能量以满足正弦波上的尖端和缺口的需要。
保护机房的重要设备不被雷击和浪涌损坏,是机房设计首要考虑的问题。我公司充分考虑用户设备的安全,结合业内领先的防雷和防浪涌技术,为用户关键设备提供安全保障。
我公司设计:
——在中心机房动力配电柜内进线端安装 一级电源防浪涌保护器3P+NPE 1组,其最大放电电流为65KA,作为机房配电的一级保护。
——在UPS配电间动力配电柜UPS输出端安装二级电源防浪涌保护器3P+NPE 1组,其最大放电电流为40KA,作为机房配电的二级保护。
——在数据中心机房内重要设备前端配置机柜式7孔电源电涌保护源转换器(即防雷电源插座机柜式安装)最大放电电流7KA,作为机房配电的三级保护。
8、机房门禁、图像监控系统
门禁系统也叫出入口控制系统或门禁管制系统,是对数据中心内重要区域、通道及出入口进行监控管理,能对各通道的位置、通行对象及通行时间等进行实时控制或设定程序控制。系统专用管理软件通过感应卡或密码能够识别持卡人身份和使用权限。
门禁系统可通过软件与数据中心内部网络直接相连,达到数据共享,并可与电视监控系统集成,实现两个系统间联动工作,对进入该地区的目标进行监视与录像。
门禁是一种管理系统,也是现代化管理的一种手段。其功能如下:
1、控制人员的进出,并自动将人员进出的时间、地点、卡号等信息记录下来,并打印出来,兼做考勤数据参考,配相应的考勤软件可有考勤功能;
2、可通过计算机将多个门联网成相应的办公区域,通过计算机直接发布控制命令;(此项功能体现于可联网型门禁控制主机)。
3、可将卡分成不同的级别,高级卡可进入每一个门,而低级卡只能进入一扇或几扇门;
4、可设置工作时间区,在工作时间区内可用卡进入,而在工作时间外,进入要加密码或低级别卡不能进入,而进入状态自动变化;
5、可设置假期,在假期内限入;
6、可通过控制器或计算机随时变动卡的进入区域,若人员变动时不需收回卡,而只需通过系统变换,取消或变更即可;
7、一卡多用可携带多种信息,IC卡和磁卡可二卡合一,可兼有信用卡、贵宾卡、工作证、进出入证、借书证等多种功能;
8、当外接传感器探头时可有多种报警输入及报警输出,可便于保安管理;
9、可随时查看人员的在岗情况,人员去向;
10、在联网情况下,可有巡更、CCTV报警、考勤、电梯、停车场等多种管理模块;
我公司设计:在机房的各个出入口安装IC卡网络门禁,对机房出入实行严格管理。
视频监控系统
闭路电视监控系统(CCTV)是现代建筑物安全防盗系统中不可缺少的一个子系统,通过电视监控系统,机房的管理及保卫人员能够方便、及时地了解、掌握各处的实时动态,包括人员流动、工作及安全情况等。为管理提供现代化的手段;通过对各重点部位的监控,实现有效地震慑和预防盗窃物品等治安问题的发生,同时利用系统的防盗、监控联动功能,使管理人员能快速反应各类突发事件,并提供准确的资料给相关安全部门备案。以满足治安管理和突发事件的处理要求。
我公司设计:机房区域安置11台彩色半球摄像机,通过16路数字硬盘录像主机24小时对机房、走道进行实时监控、录像。
9、机房环境集中监控系统设计
系统概述
随着信息技术的发展和普及,计算机系统及通信设备数量与日俱增,规模越来越大,中心机房已成为各大单位业务管理的核心。为保证机房安全正常工作,与之配套的动力系统、环境系统、消防系统、保安系统必须时时刻刻稳定协调运行。如果机房动力及环境设备出现故障,轻则影响电脑系统的运行,重则造成计算机和通信设备报废,使系统陷入瘫痪,后果不堪设想。目前国内机房设备各自独立运行的情况比较普遍,并且缺乏专业的设备管理人员和综合有效的管理手段,因此对中心机房的动力及环境系统进行实时集中的监控极其必要。
结合用户对机房监控的具体要求以及该机房的实际情况,我们建议采用FUCOMO环境监控报警系统。厂商致力于机房监控管理的研究,集多年监控系统开发之经验,结合最新自控和软硬件技术,针对机房场地的具体特点,开发了FUCOMO环境监控报警系统,实现了机房集中监控和专家管理,达到无人值守或少人值守,使机房的管理达到一个整体智能化的全新水平。FUCOMO环境监控报警系统在电信、金融、教育、海关、税务、电力、公安、交通等许多行业的机房中得到广泛的应用,其系统设计先进、运行稳定、操作方便获得用户一致好评。
设计依据
机房监控用户具体要求
《电子计算机场地通用规范》 GB2887-2000
《计算站场地安全要求》 GB9361-88
《民用闭路监视电视系统工程技术规范》(GB50198-94)
《电子信息系统机房设计规范》 GB50174-2008
设计原则
系统选型高起点:
a. 技术先进性:选用国际著名的专业厂家产品;
b. 系统高可靠性:系统的硬件和软件均采用技术成熟的产品;
c. 系统运行管理方便:软件系统中文化,组态开发,操作方便;
d. 技术支持能力强:系统软件为自主开发、自主知识产权,服务及时周到;
e. 系统可扩展性能强:模块化结构有利于扩展与维护。
投资少:系统选型具有高性能价格比。
建设时间短:资深的专业工程师安装调试,在较短的时间内完成工程任务。
FUCOMO环境监控报警系统介绍
机房监控系统组成
单机房集中监控示意图

单机房远程联网监控系统图
多机房远程联网监控示意图

多机房远程联网监控系统图
机房监控系统组成
FUCOMO环境监控报警系统由硬件系统和软件系统组成。
硬件系统包括监控主机、采控模块 以及计算机网络。软件系统的主要功能概述:
采集设备和环境的有关参数(运行状态、工作参数、报警信息等),并通过人机界面直观动态实时地显示给用户;
对采集的参数进行判断分析,发现部件故障或参数异常,即时采取语音、声光、电话、短消息、E-mail等多种方式发布给有关管理人员;
记录历史数据和报警事件,提供查询、分析、报表等手段,提供故障分析和智能专家诊断建议;
人工/自动控制,启停有关设备或相关操作,设置系统设备的有关运行参数;
提供远程监控管理功能(中心管理程序Central Manager、客户端Client和WEB浏览);
主要特性
· 市电监控、市电停电/恢复报警
· 市电电压、电流值监控
· 温度、湿度、烟雾、浸水、红外、门磁等环境参量报警
· 带干接点输出的UPS、精密空调监控报警
· 带协议输出的UPS、精密空调等智能设备的各项参数监控
· UPS等智能设备可通过报警主机直接报警
· 可设置5个管理员号码,授权管理人员可以接收报警短信,查询各监控量状态
· 系统可存储100000条报警记录,可查询导出
· 带网络接口,支持远程统一管理,并能导出历史数据
· 一台管理PC通过网络可同时与一个或多个监控主机(可达100个)进行双向数据交换,集中统一管理
· 安装简单,用户只需要提供一张能正常收发短信的GSM手机卡即可
· 多种报警方式可选,保证报警信息或语音能送到至管理员
· 采用RJ45网络口,接口更加标准化
· 接口配置丰富,接线方便,扩展灵活,可提供433无线技术传输。
· 无线监控终端登陆查看监控对象的状态。
主要特点
FUCOMO"环境监控报警系统"为用户提供实用的环境监控和报警功能,并可以方便地进行功能扩展,而不会对原有系统产生任何影响。
监控机房环境参量及智能设备:
系统配备了8路模拟量信号输入端口(AI1-AI8),8路开关量信号输入端口(DI1-DI8),采用标准RJ45接口,能够监控包括市电状况、电流、电压、温度、湿度、漏水、烟雾、红外等环境参量;
系统配备2组RS485通讯接口,最多支持510个接点,支持多达20路的RS485接口的温湿度传感器,数字量传输,精度更高。支持电量仪及本公司研发生产的BEST-AC485智能空调控制器,可对机房空调扩展为远程控制;
系统配备2路RS232通讯接口,采用标准RJ45接口,支持多达两路带协议输出的UPS等智能设备的监控。.
多方式报警:
1.短信报警+手机卡拨打电话提醒:一旦有告警发生,系统自动给设定的各管理员分别发送报警信息,并依次拨打管理员号码,提醒管理员,查看报警短信,系统最多支持五个管理员用户。
2.电话拨号语音报警:此报警状态,必须接入可正常拨打电话的电话线,
3.短信报警+电话拨号语音报警:
4.短信为主,电话语音备份:在短信不能正常发送情况下,启用拨号报警功能,条件如下:
A、系统无法检测到GSM网络信号;
B、主机无法检测到SIM手机卡;
C:报警系统GSM模块无法启动;
D:系统在触发报警后,短信发送5次仍不成功。
在满足以上任一条件则启用电话语音报警,在电话语音报警触发后,如果有两个管理员按了接听键,则系统不再往下拨打其他管理号码。
如果在语音报警任意设置报警上下限值,超限报警。可设置延时报警时间和回差值,避免临界状态,频繁报警。
当告警取消,系统自动发送恢复正常短信告知管理员。
电话报警:超级管理员可任意指定普通管理员具备接听报警电话权限,一旦有告警发生,系统先发送短信到各管理员手机,随后拨打各管理员手机以免漏看报警信息。
现场声光报警:系统提供现场110DB声光报警,提醒现场值班人员(需选配声光报警器)。
提示:当系统处理告警时,首先给各管理员发送告警信息;然后依次给各管理员(拥有接听报警电话权限)拨打电话,如果前面已有两位管理员接听了报警电话,系统即终止拨打报警电话。
远程短信查询
全部监控信息查询:发送"查询"到系统,系统自动回复所有被监控参量的值或状态。
指定参量查询:发送"查询:名称"可查询指定的监控参量,系统自动回复其值及其状态。
管理员号码查询:可查询目前已经配置的所有管理员号码。
远程撤防、布防
超级管理员通过短信或使用远程网络登陆系统,实现对监控系统的远程撤防或布防(系统默认为布防状态)。
撤防状态:系统继续监测各环境参量,当发生报警时,主机面板指示灯亮,显示报警端口,但不发送短信,不拨打电话,声光报警器也不动作。
远程控制
使用集中监控平台方式登陆系统打开或关闭DO1-DO4端口,实现远程控制应急设备的开启,关闭(端口通流(触点)容量受限,一般通过配备其它控制电路联动实现,比如对风机的控制等等)。
安全
系统具备密码保护功能,只有管理员才能对系统进行查询和接警权限。
精确的数据监测与控制
在数据采集方面,我公司采用的是业界先进的传感设备,增强了数据的采集精确度;在控制方面,我公司采用自主研发并经过多次实践,达到业界的先进水平,为各类场合的数据提供一个较强的分析处理能力。
强大的智能联动
系统能够对相关设备或子系统实现全自动化联动控制,提高设备、子系统运行效率,避免人为延误操作。
系统的高可靠性
系统全部硬件设备均为工控设备,模块采用全密封结构,固态封装,可靠性极高。中心监控设备采用嵌入式系统,独立性好,可靠性高。
用户工程设计方案
监控对象及设备设施列表
根据用户的具体要求,本项目主要监控内容包括:
动力系统:
配电柜电力参数监视。
UPS监控。
环境系统:
空调监控。
温湿度监测。
漏水报警系统监测。
消防系统:
消防报警系统监测。
硬件结构示意图
前面板

前面板说明:
1. GSM天线:接收GSM网络信号。
2.电源/GSM网络/系统状态指示灯:请参考功能指示灯说明。
3.布防/撤防指示灯:请参考功能指示灯说明。
4.报警状态指示灯:请参考功能指示灯说明。
5.电源开关:ON:系统通电;OFF:系统断电。
后面板

监控系统设计
供配电系统监控
安装BEST-IMPower03电量监测仪监测机房2套配电柜(动力配电柜及UPS配电柜)供电状况及参数,通过通讯协议将参数传输至监控主机。
安装开关状态转换采集模块D86,通过通讯协议将开关状态信号传递给监控主机。
一旦供配电系统工作状态不正常,系统会弹出报警画面,通过多媒体语音、短信、电话语音报警,告知值班人员。

●监视参数包括:
相电压(Va、Vb、Vc);
线电压(Vab、Vbc、Vca);
三相电流(Ia、Ib、Ic);
频率(f);
有功功率(KWa、KWb、KWc、∑KW);
无功功率(KVARa 、 KVARb、 KVARc、∑KVAR);
视在功率(KVAa、KVAb、KVAc、∑KVA);
功率因数(Pfa、PFb、PFc、∑PF);
有功电度(KWH);
无功电度(KVARH)。
●监视状态包括:主要回路开关的通断状况。
●控制包括:远程控制开关断开。(根据用户要求)
●报警包括:
市电停电报警;
市电缺相报警;
电压超高报警;
电压超低报警;
频率超高报警;
频率超低报警;
开关断开报警。
UPS监控
用户机房有2台UPS,其内部部件发生故障或运行状态欠佳的可能性随时存在,而这些可能发生的故障凭肉眼是无法监测到的,只有通过UPS本身的内部侦测系统将其运行状态和参数通过协议的方式告诉上位机。我们通过UPS厂家提供的串口通信协议及通讯接口对UPS进行全面系统的监测与诊断。一旦有故障发生,自动弹出报警画面,通过多媒体声音、短信和电话语音报警,告之相关人员。

●监视参数包括:
电压:输入电压,旁路电压,输出电压,整流器电压,逆变器电压;
电流:输入电流,旁路电流,输出电流,逆变器电流;
频率:输入频率,旁路频率,输出频率,逆变器频率;
功率:各相有功功率,标称功率,功率因素;
电池:电池备份时间,负载率,电池温度。
●监视状态包括:
整流器、逆变器、充电器、电池、自动旁路的运行状态。
●控制包括:
远程关UPS、远程开UPS、联动开UPS、联动开UPS。
●报警主要包括:
输入电压、频率越限报警;
输出电压越限报警;
整流器电压越限报警;
过载报警;
电池电压低报警;
电池后备时间超低报警;
电池温度超高报警;
逆变器关闭报警;
自动旁路开报警;
整流器、逆变器、充电器、电池、自动旁路故障报警。
精密空调监控
1) 监控对象:4台智能精密空调。
2) 监测内容:
· 监测部份:温度、湿度、温度设定值、湿度设定值、空调运行状态、风机运转状态、压缩机运行状态、加热器加热状态、加湿器加湿状态、压缩机高压报警、风机过载、除湿器溢水、加热器故障、气流动故障、过滤器堵塞、制冷失效、加湿电源故障、压缩机低压报警、压缩机高压报警等。
· 控制部份:空调的远程开机、关机,空调的温、湿度的远程设定。
3) 实施方案:厂家提供通讯接口和协议,监控厂家负责安装通讯转换设备OAO-820C和依照通讯协议读取数据。以下为连接示意图:

实施目标:实时显示并保存各空调通讯协议所提供的能远程监测的运行参数、各部件状态及报警情况。报警时,可通过所弹出的报警窗口中相应颜色的改变来分辨报警,同时系统将发出多媒体声音报警,自动拨打预设电话,实现电话语音报警,通知值班人员或相应的主管人员。通过历史记录直观看出空调机的运行品质,防止小的故障扩大。
温湿度监测
对电子计算机等微电子设备产生影响的各种因素中,温湿度的影响是非常重要的,机房对温度、湿度的要求非常高,GB50174-93《电子计算机机房设计规范》对机房内温度湿度作出了具体的规定。
开机时电子计算机机房的温、湿度应符合下表的规定

停机时电子计算机机房的温、湿度应符合下表的规定

对于面积较大的机房,由于设备分布、送风分布等因素影响,机房的不同区域的温湿度不一致,偏移较大的地方对设备的工作状态存在潜在的影响,因此安装温湿度检测系统十分必要,监测温湿度变化状况,及时报告预警信息。
根据用户机房实际情况,本方案建议在机房安装4个温湿度传感器,监控系统以直观的画面实时显示温湿度数据和变化曲线,可以根据需要人工设定温湿度报警的阈值,包括超低值、低值、高值、超高值,一旦温湿度达到相应的阈值就会进行越限报警,自动弹出报警画面,通过多媒体声音、电话语音报警,告之相关人员。

温湿度传感器技术指标
测量范围:
温度:-20℃~+70℃;湿度:0~100%RH
准确度:
温度:±0.5℃;湿度:±3%RH
输出:4~20mA、0~5V、RS485可选
供电电源:DC12V/DC24V
漏水检测系统
对于计算机机房,防水患和泄漏是十分重要的,机房地板下面强电、弱电线槽线缆分布密集,一旦发生漏水,造成的损失将是巨大的。由于机房空调、水管、暖通漏水以及窗户、天花、外墙渗漏的情况时有发生,为及时发现险情,在机房里安装泄漏监测系统极其必要。
实施目标:当发生漏水现象时,感应线缆感应到某处有漏水事件发生,系统将即刻响应,弹出相应的报警窗口,可从电子地图上线缆的颜色变化来判断报警的发生;同时,现场值班室还将通过多媒体声音报警,并自动拨号通知相关人员前来处理。本系统对漏水事件的发生,系统将弹出相应区的报警,能定位漏水的具体位置。
消防监测
监测对象:消防控制器提供机房区域的消防报警信号
监测内容:火灾报警
实施目标:当任意当有火警信号时,系统给出最高级别的报警。系统立刻弹出相应的报警窗口,与门禁系统联动,打开所有的门禁锁,以便逃生。同时监控主机发出多媒体声音报警及自动拨打预设电话,实现电话语音报警,通知值班人员或相应的主管人员。
10、机房气体消防系统设计
10.1七氟丙烷自动灭火系统简介
为了保护大气臭氧层的目的,1986年世界主要国家签定了著名的《蒙特利尔公约》,决定逐步停止使用卤代烷灭火剂。作为卤代烷灭火剂的理想替代物,七氟丙烷自动灭火系统(CF3CHFCF3)具有喷射后无残留物,药剂毒性低,可安全地用在有人的场所。
10.2、设计依据
1、《七氟丙烷洁净气体灭火系统设计规范》(送审稿);
2、《火灾自动报警系统设计规范》GB50116-98;
3、《气体灭火系统施工及验收规范》GB50263-97;
4、《火灾自动报警系统施工及验收规范》GB50166-92。
10.3灭火剂特点
保护环境。七氟丙烷是无色、无味的气体,其臭氧耗损潜能值(ODP)为零,在ISO认可的洁净气体灭火剂中,其洁净性最好,具有清洁、低毒、电绝缘性能好、灭火效率高的特点。
保护生命安全。七氟丙烷的未观察到不良反应浓度NOAEL值为9%,而一般七氟丙烷的灭火设计浓度为10%以下,对人体基本无害。
10.4灭火机理
通过惰化火焰中的活性自由基,实现断链灭火。
10.5适用范围
A类——固体表面火灾;B类——易燃液体火灾,包括一定量的庚烷火灾;C类——电气设备火灾,主要用于电子计算机房、电信通讯设备、过程控制中心、贵重的工业设备、图书馆、博物馆及艺术馆、机器人、洁净室、消声室、应急电力设施、易燃液体储存区、也可用于生产作业火灾危险场所,如喷漆生产线,电器老化间、轧制机、印刷机、油开关、油浸变压器、浸渍槽、熔化槽、大型发电机、烘干设备、水泥生产流程中的煤粉仓、以及船舶机舱、货舱等。
10.6产品特点
本公司精心研制开发的ZH系列七氟丙烷自动灭火系统设计合理、先进,关键部位采用新材料,产品性能可靠,其主要指标达到国内领先水平。各项指标均符合经国家固定灭火系统技术委员会审查的Q/HSB07-2001《七氟丙烷(HFC—227ea)洁净气体灭火系统》的标准要求。
10.7产品型式
七氟丙烷自动灭火系统单元独立系统配置及示意图

图1柜式装置工作原理图

灭火系统动作程序图

图2 灭火系统动作控制程序图
装置组成
GQQ系列柜式七氟丙烷气体灭火装置为独立的全淹没灭火系统,其中的GQQ(B)型装置的报警灭火控制器安装在柜体上。

图3 GQQ(B)系列型号的装置

图4 GQQ系列型号的装置

图5 柜式装置装配图
10.8灭火系统使用方法
该系统安装竣工后,需经有关部门验收合格后方可投入使用。
该系统的启动方式为自动控制、手动控制和机械应急手动控制三种。一般情况下应使用手动控制,在保护区无人的情况下可以转换为自动控制,当自动控制和手动控制不能执行时,应采用机械应急手动控制。
自动控制:将报警控制器上控制方式选择键拨到"自动"位置,灭火系统处于自动控制状态。当保护区域发生火情,火灾探测器发出火灾信号,报警控制器立即发出声、光报警信号,灭火控制器接受到两个独立的火灾报警信号,发出联动指令,关闭联动设备,经过30秒延时,发出灭火指令,打开与保护区域相应的电磁阀释放启动气体,启动气体通过启动管路打开相应的选择阀和容器阀释放灭火剂,实施灭火。
(电气)手动控制:将灭火控制器上控制方式选择键拨到"手动"位置,灭火系统处于手动控制状态。当一保护区域发生火情,可按下手动控制盒或控制器上启动按钮即可按规定程序启动灭火系统释放灭火剂,实施灭火。在自动控制状态,仍可实现(电气)手动控制。
机械应急手动控制:当一保护区域发生火情,灭火控制器不能发出灭火指令时,应立即通知所有人员撤离现场,关闭联动设备,然后拨出与保护区域相应的电磁阀上的安全卡套,压下圆头把手打开电磁阀,释放启动气体,即可打开相应的选择阀、容器阀、释放灭火剂,实施灭火。如果此时遇上电磁阀维修或启动钢瓶充换启动气体或其它原因不能开启相应的选择阀、容器阀时,应立即按下列程序操作:第一、打开与保护区域相应的选择阀手柄;第二、按下容器阀上的机械应急启动把手打开容器阀,释放灭火剂,实施灭火。
当发出火情警报,在延时时间内却发现有异常情况下不需启动灭火系统进行灭火时,可按下手动控制盒或控制器上的紧急停止按钮,即可停止灭火控制器灭火指令的发出。
10.9设计说明:
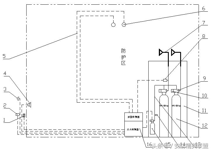
我公司消防系统设计采用无害七氟丙烷全淹没灭火系统,设计喷放时间不大于10秒,采用一套高压气体灭火系统,2个区域保护(中心机房、UPS配电机房2个保护区)。
灭火系统形式:采用无管网式七氟丙烷气体灭火系统。
灭火方式:全淹没式灭火。
11、机房机柜系统设计
机柜产品主要规格及性能
(1) 标准:
符合ANSI/EIA RS-310-D、DIN41491;PART1、IEC297-2、DIN41494;PART7、 GB/T3047.2- 92标准;
兼容19"国际标准、公制标准和ETSI标准;
(2) 性能特点:
弧形高密度网孔前门(专利)及高密度网孔后门,一揽子解决机械保护、通风散热、外部观察机器运行状态三方面的使用要求;
观设计(专利)高贵典雅,工艺精湛、尺寸精密,极富时代气息,为您的工程增添价值;
主体颜色可选: 国际流行电脑灰或黑色;
可关闭的上部、下部多处走线通道,底部大走线孔尺寸可按需调整;
可选配安装底座,达到固定机柜、底部过线、底部送冷风、防鼠的要求;
可方便拆卸的左右侧门和前后门,全方位操作,多方位察看;
高效坚固的并柜连接(专利);
可方便的安装图腾机柜集中配电单元(专利);
可同时安装脚轮和支撑脚;结构坚固,最大静载达800KG,移动承载350KG;
高级旋把机柜门锁;
齐全的可选配件;
(3) 材料:
全部选用SPCC优质冷轧钢板制作;厚度:方孔条2.0mm,其它1.2mm;
(4) 表面处理:
脱脂、酸洗、防锈磷化、纯水清洗、静电喷塑。
带弹力锁的弧形高密度六角网孔前门(专利)。
高密度六角网孔后门,通风率达71.2%。
本次设计新配50台600*1000*2000mm标准机柜。
12、KVM切换管理系统:
1、概述
在运行的数据网络机房中,对服务器、网络设备的管理基本上都是通过单机管理通过一些辅助软件点对点的远程管理,这样的管理方式正面临着大范围地控制和处理多样性IT基础设施带来的巨大挑战,这些挑战包括:
1) 企业的数据中心机房没有实现无人机房管理存在物理设备的安全隐患:各系统的日常维护管理中操作多,且共性的操作占了很大的比重,这种大量繁琐的操作不可避免的带来了不必要的安全隐患。进出机房的人员增多(不同的厂商人员,不同的设备维护人员),机房人员管理繁杂,安全系数低。
2) 机房设备维护操作手段复杂,一旦出现故障,维护排错时间长,效率低,影响安全生产:不同种类的服务器网络设备等IT设备都有不同的维护操作手段,都有着自己的维护界面,造成系统维护人员需要逐个的进行维护和管理,显然这种单点式的维护需要耗费大量的人力成本,可以想象,当系统或网络维护人员穿梭于服务器、各种机柜所组成的丛林中,寻找出故障的机器时,效率是多么的低下。而这效率的低下,不但浪费了有限的人力资源,而且使出现的故障得不到及时的修复,使网络或数据中心出现不应有的停顿,对企业的损失不可估量。
3) 目前远程维护管理的隐患:系统的远程维护和管理也是机房管理所面临的重要问题:当维护管理人员不在机房,或要维护异地机房时须用到远程维护管理,维护人员不可能24小时在机房里值班,而机器故障却可能在任何时候发生,一旦出现问题需要维护人员即刻到场,对于异地机房的远程维护管理更为迫切;而目前的基于软件的远程维护不能作到真正的远程维护:软件工具不能实现设备的加电断电重起功能,而软件工具本身要在管理目标机器上安装,这对主机本身就会带来安全隐患。
4) 机房空间的利用效率问题:对于IT机房空间来说机房的利用效率极其重要,目前众多的键盘、鼠标和显示器的数量或每个机架上的配置的键盘鼠标显示器的切换器,使得机房的空间利用率低下并且能源消耗大。
5) 维护人员的工作问题:维护人员长期不定时的加班或值班工作;机房环境(噪音,辐射和温度)对维护人员的影响;异地机房的长期出差维护的路途奔波。。。,这些问题都影响IT维护人员的工作满意度,从而间接会影响到工作效率。
6) 管理维护成本问题:异地机房奔波维护费用,或服务外包费用,加班值班等等费用随着企业IT系统的扩充而逐年增多,如何降低成本也成为当前企业所面临的重要问题。
如何平衡最小的系统宕机时间与确保安全性与可管理性以及面对人力资源减少与服务要求提高的矛盾?显然目前的管理维护手段已不能适应企业机房规模的发展,为了解决这些矛盾,提高系统运行维护管理水平,迫切需要改变目前的运行管理模式,包括从单点技术管理过渡到全面集中管理、从普通系统管理过渡到安全系统管理、建立健全操作授权管理机制、安全日志记录和审计、密文传输防范数据传输风险、减少机房人员进出,提高物理安全性等。
在机房设备管理方面,越来越看到这样的事实和趋势,就是IT基础设施的运维将脱离应用系统,部署"集中与远程管控平台",是实现IT基础设施可服务性的关键。IT基础设施的"集中与远程管控系统"是指利用硬件和软件的手段,将关键数据设备的控制接口,这些设备包括服务器、网络设备、通信设备,和像防火墙、存储、UPS等各种带有数据控制接口的设备,通过带内或带外的网络连接在一起,使系统管理员可以协同控制和处理所有的关键设备。采用Raritan解决方案具有如下特点:
· 可靠性使用高冗余度的硬件设备搭建的集带内带外管理优点于一身的全冗余设计方案;
· 安全性集用户安全、设备安全和数据安全于一身的安全体系,保障系统正常运行;
· 扩充性简单的设备数量增加,即可完成对整个系统的管理设备数量扩充和管理功能扩充;
· 操作性良好的简体中文人机界面、强大的集中管理功能;
· 先进性真正做到安全,易用的无人机房管理;
· Raritan产品服务全国众多的大型数据中心;在国内在已经采用"集中与远程管控"系统的企业级客户,超过50%采用Raritan产品和服务,本解决方案不仅考虑了用户现有的管理对象和管理策略,同时兼顾未来的扩展和延伸需要,关注用户的投资回报,帮助用户提高企业的竞争能力和客户满意度。
2、机房集中远程管控解决方案
2.1、方案需求
现阶段,多数服务器和网络设备运行管理仍采用分散的、逐个的管理和维护的方式,有安全隐患以及管理不便。
2.2、系统方案拓扑图

2.3、系统结构描述
使用Dominion数字系列的XXXX对数据机房中的被管理设备进行汇聚,使用UTP5类线从被管理设备的I/O口(KVM口或串口)连接到Dominion的端口上。由Dominion使用Over IP技术将模拟信号转换成IP数据包并连接到IP网络,可从远程对被管设备进行管理。当各地数据机房中的管理员需要在本地访问被管理设备的时候,可使用Dominion系列提供的本地管理接口来进行操作。
2.4、解决方案说明
1) 解决方案共选用1台数字设备,其中XXXX-432可管理得服务器数量多达32台;每台XXXX设备均带有双电源、双千兆以太网口的高冗余的硬件配置。如配合D2CIM-VUSB的USB服务器接口模块,可实现带外远程数据传输、强制鼠标同步等功能。
2) 解决方案中从服务器至XXXX设备之间的距离可达到45米,可把XXXX设备随意摆放在任何合适的位置,远程操作的分辨率更可高达1600X1200,完全满足高视频分辨率的需求。
3) 此解决方案可支持对虚拟化主机及中心的集中管理,并可无缝整合IBM、HP、DELL等各大厂商各型刀片服务器,并对每刀片服务器实现端口级的管理。
4) 系统支持远程数据传输技术,可将登录管理端本地的U盘、CD-ROM、ISO文件及硬盘等虚拟到远程服务器设备直接完成文件的安全传输。
5) 系统能够实时监控设备与KVM之间的连接状态(包括服务器和网络设备),防止意外掉线。
6) 方案中所有KVM设备均带有符合萨班斯法案的强壮密码保护机制,防止黑客非法入侵。
7) 产品具有多重严格的安全认证机制,所有数据(图象、键盘、鼠标等)都经过256位的SSL加密,保证用户的信息安全;同时支持最完善的企业认证系统及内部认证机制,能够提供给网络用户最大的安全性;
8) 主机与切换系统之间通过CIM主机接口模块,用五类双绞线连接(T568B)。根据不同的类型的主机而采用不同的CIM模块,以达到完美匹配,可以支持PC、PC SERVER、SUN、USB SERVER、CONSOLE SERVER等。
9) 以上所有的设备和被管理服务器系统无关,不需要安装专用软件及外部专用服务器,通过在普通PC中以Web访问及管理,可执行全部功能,包括配置、软件升级等。
2.5、设备配置清单

2.6 方案优势
先进性
1) 我方提供的解决方案为纯硬件高端解决方案,无需客户提供额外的硬件设备支持。
2) KVM单机即具有完整的KVM管理功能,如日志、安全、加密、授权、第三方认证、虚拟媒体等全部的管理功能。即使集中认证管理平台故障,单机经过认证授权仍然可以完成各项操作管理功能。
3) 没有单点故障,系统中设备互为独立,单点设备故障不影响整个系统的运行,即使是集中认证管理平台故障,管理人员仍然可以通过登录到单机,经过授权后完成各项操作管理功能。
4) KVM主机至设备间CAT5连接距离≥45米;本地及远程均支持1600*1200高分辨率输出服务器管理。
安全性
1) 方案中Dominion 系列KVM主机均具备双电源、双千兆网口。
2) 所有信号:包括键盘,鼠标和视频信号全部256位加密,保障系统数据流的传输安全。
3) 可限制单人单账户登录,对密码采用严格的符合萨班斯法案要求的口令控制。
4) 可通过策略限制账户的有效期,如只允许账户在早上九点到下午五点工作时间有效。
5) 系统中的所有设备都支持用户安全的内部验证,当使用内部验证时不需要安装任何的外部验证服务器;同时系统也支持外部验证服务器,当选用外部验证系统时可以支持业界通用的标准的验证服务器:RADIUS,LDAP(S)/Active Directory, TACACS+。系统支持多级安全验证,验证故障自动转移功能。
高扩展性
1) KVM主机至被管理服务器间的CAT5线距离在真彩效果下超过45m,可合理利用机房空间,提高设备的利用率。
高可用性
1) 通过策略限制做深层次的权限管理,可限制账户的有效事件段。
2) 通过任务定制完成对系统各类信息的备份保存,对系统设备自动升级,事件信息的邮件通知等。
3) KX支持网络带宽的自动适应功能,来自动调节网络带宽和桌面显示的效果;支持双鼠标自动同步。
4) 客户端无需安装任何专门的软件,通过Web界面登录即可完成全部管理功能。
2.7、使用本解决方案实现的价值
1) 一旦机房IT设备发生故障,管理人员即刻通过KVM系统,以带外的方式(所谓带外即所访问的IP为KVM主机IP,同被管理设备的IP及运行状态无关)登录到机房IT设备,完成同在本地相同的故障处理工作,从而大大缩短关键设备宕机的恢复时间,极大地提高系统的可用性;
2) 摆脱空间和距离的限制,在任意网路可达的环境下,经过安全验证即刻远程集中管理机房内各种平台的IT设备,从而提高系统维护的效率;
3) KVM解决方案提供了共享的操作模式及虚拟媒体功能,可满足维护人员协同作业,共同诊断处理问题,甚至完成远程装机打补丁工作,从而提供故障处理的效率;
4) 通过使用KVM的解决方案,可严格限制人员进入机房,规范机房管理,实现无人机房和人机分离,简化管理流程,提高物理安全性;
5) 实现了"人机分离" 简化机房管理制度,员工不用在噪音、辐射环境下工作,从而提高管理效率和员工满意度;
6) 通过安装KVM管理产品,可移除机房内众多的显示器、键盘、鼠标甚至原来配置的机柜式低端KVM,节省机房空间、使得机房更加整洁规范;
7) Raritan KVM系统的使用,将使得企业以积极的方式节约成本;
3、方案使用产品介绍
3.1、XXXX系列产品
3.1.1、XXXX系列架构
XXXX由两大组件组成:数字式KVM切换器与计算机接口模块(CIM)。

XXXX是一款安全的企业级数字式切换器,可以让2名、3名、5名或10名使用者同时进行BIOS层级的控制,最多可以让一台KVM操作台控制32台服务器及其它IT设备以及给目标服务器作虚拟映射,远程安装软件或补丁。它将服务器的控制权安全地放在通过验证的使用者手中,无论他们是在公司外、公司内,还是在机架旁,当本地使用者对切换器进行访问时,都不会阻塞远程使用者的访问。
XXXX可以通过各种常用的网络浏览器进行访问,可以使用大部份主要的操作系统。XXXX是一款业内唯一的双电源、双千兆以太网口高冗余的即插即用、1U、2U的设备,完全可以自给自足,几分钟内即可安装完毕。它结合了坚固的安全性、灵活性、整合了远程电源控制,以及目前最高品质的视频(远程与本地均支持1600X1200的分辨率)。调制解调器能确保在无法使用网络或网际网络之时,仍然能够对重要服务器进行紧急访问。当与力登的CommandCenter® Secure Gateway整合时,XXXX则提供单一浏览的全企业控制功能。

CIM内置发送器,一端直接连接每台电脑,另一端通过五类双绞线输出到XXXX系列切换器服务器端口。并且内置检测程序,可以自动检测所连接服务器的信号类型,其信号仿真技术可以模拟服务器正常运行所需要的键盘、鼠标信号。当XXXX设备意外掉电或5类双绞线脱落的情况下,此项技术确保服务器仍然正常运行,从而维护了服务器运行的稳定性和数据的安全性。CIM有多种规格可选,以适应不同种类的机型,实现多平台兼容操作。
KX连接拓扑:

3.1.2、XXXX技术特点
XXXX系列产品是目前RARITAN公司数字KVM产品线中的最高端产品,XXXX基本上集成了RARITAN公司20余年KVM开发经验,并融会了许多客户的意见,所以在产品的许多方面做到了创新。以下详细论述。
· 硬件特色
1. 最高的连接端口密度:Raritan是业界领先、市场上唯一提供具有10个并发用户及32个连接端口数字式KVM切换器的供货商。
2. 先进的视频分辨率侦测硬件:当使用者在不同服务器之间做切换时,这套系统会自动、精准、快速的转换到不同的视频来源
3. 所有XXXX产品都支持双电源冗余,10/100/1000自适应以太网接口。
4. 多样的产品线可满足不同需求的用户来使用。
· 连接特色
1. 支持多名同时登录的远程IP使用者:对1、2、4、8名远程使用者提供KVM-over-IP访问,同时对本地使用者提供完整无阻塞的访问
2. 单台设备支持高达32台服务器连接口:使用者可以通过Cat5线缆,将最多16、32服务器连接到每一台XXXX。Raritan是市场上首家推出10个并发用户及32台服务器连接端口的数字式KVM切换器供货商
3. 业界中最高的服务器连接端口密度:XXXX-864和XXXX-432是业界所有数字式KVM切换器中拥有最高的服务器连接端口密度的切换器。对安装横跨2到4个机架,高达32台的服务器,提供KVM-over-IP访问能力。它的2U高度、双重以太网络连接、自动故障转移的双重电源供应器以及SNMP管理能力,能够降低费用、有效管理及整合一般KVM切换器的企业级解决方案
4. 远程网络访问KVM-over-IP:使用Raritan屡获殊荣的IP-Reach视频压缩电路技术,让使用者能够从任何地方通过网络﹝LAN、WAN、Internet或拨号网络﹞作远程的服务器疑难排解、重新配置、重新开机,甚至重新启动设备电源
5. 具有故障自动转移能力的双重电源:通过双重的AC输入端、双重电源供应器及自动故障转移能力来增加可靠性以及冗余能力,以供对供电需求高的企业数据中心使用。若有电力或电源供应故障,将可产生SNMP trap以供参考。
6. 业界最长的KVM端口连接距离,真彩效果可达45米。
· l 客户端访问及控制
1. 随时、随地、怎样都行的KVM客户端访问:通过业界最广、最具弹性的操作系统平台、多重硬件平台及不需客户端授权费用或繁复的软件授权的一般浏览器,允许做一般通用的KVM访问。
2. 多平台访问及控制:除了Windows平台上客户端之外,Java版的客户端也可支持Linux、Sun/Solaris及Mac的使用者
3. 支持IPv4、IPv6地址分配协议,方便日后IPv4到IPv6的平稳过渡。
4. 单台设备可无缝整合IBM、HP、DELL等各大厂商各型刀片服务器,并对每刀片服务器实现端口级的管理
5. 业界最好的视频效果:远程支持1600X1200分辨率、真彩图像
6. 全型号的设备均提供虚拟媒体功能(包括本地硬盘、移动存储、光驱、ISO镜像等)
7. 虚拟桌面:提供如同在本地直接连接目标服务器的远程连接管控能力。虚拟桌面是基于下列Raritan的创新技术实现:全屏视频、透明化键盘处理、智能鼠标同步、弹性视频缩放及快速视频切换、虚拟媒体
8. 弹性视频缩放:使用者不再受限于大小固定的屏幕显示。他们可以直接拉伸窗口的外框来更改窗口的大小或显示微型画面
9. 透明化键盘处理:省略大部份的键盘宏,并且允许使用者以更高级别的联机能力直接与目标服务器互动。实际上所有使用者的按键动作都不会经由桌面客户端处理,而是直接的传送到目标服务器
10. 本地与远程的用户界面相同,易于部署及使用
11. 支持远程服务器与本地鼠标绝对同步,无须更改远程服务器鼠标的任何属性。
l 软件特色
安装快速简单:一款完全自给自足的系统(即单台设备独立工作)。所有功能,包括认证及网页访问,都内置在机器中,不需使用额外的硬件或软件,不管本地与远程均是纯HTML界面操作。单机具备完整的管理功能,包括用户、授权、认证、安全、日志等
l 安全特色
1. 传输的信号(包括键盘、鼠标、视频、虚拟媒体传输数据)均支持256位AES加密:XXXX具有极高等级的数据安全性,可确保客户的服务器环境不受恶意骇客威胁
2. 具备可同用户账号绑定的ACL访问控制列表功能
3. 具有符合萨班斯法案的强制密码保护机制
4. RADIUS、LDAP及Active Directory® 认证:使用RADIUS或LDAP通讯协议与业界标准的目录服务器整合,得以使用原先存在的用户名/密码数据库,达到更高的安全性。
l 管理特色
1. 远程管理:管理员能在自己的桌面上,通过一个简单的图形使用者接口来执行所有的管理与配置操作。
2. 与CommandCenter®整合:支持完整的CommandCenter Secure Gateway整合功能,让企业使用者可以将所有的Dominion设备合并成为单一逻辑系统,能够从单一IP地址单一管理接口进行访问。
3. SNMP管理:对重要的系统事件产生SNMP traps发布到SNMP管理系统。管理员可以对SNMP traps做设定。
第八章 机房规划平面图
