2022学年电学压轴题真题练习
一、探究题
1.(2021·浙江杭州)小金利用如图甲所示的电路来测量小灯泡的额定功率。小灯泡额定电压为2.5V,电源电压恒定。



(1)依据图甲,请在答题卷上用笔画线代替导线,将图乙中的实物图补充完整_____。
(2)小金正确连接实物电路,闭合开关后,移动滑动变阻器的滑片至某位置时,电压表示数如图丙所示,此时灯泡两端电压为_____V。接下来调节滑动变阻器的滑片向_____(选填“A”或“B”)端移动,直至小灯泡正常发光。
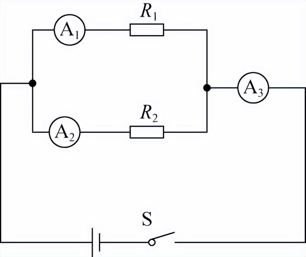
2.(2021·浙江宁波)小宁用如图所示电路研究电阻的并联。

(1)按电路图连接电路,闭合开关
,电流表
、
、
的示数分别为
、
和
。如果电路元件完好,接线时发生了错误,该错误是___________。
(2)使用电流表时,当被测电流值大于电流表量程的一半时,能减小实验误差。本实验所用电源电压为
,电流表有两个量程(
、
)。为减小实验误差,小宁重新选择定值电阻,实验室里可供选择的定值电阻的阻值有:5Ω、10Ω、20Ω、50Ω,应该选用的2个电阻阻值分别为___________。
3.(2021·浙江宁波)如图甲所示电路,电源电压恒定不变,灯泡
上标有“
”字样,其灯丝电阻随温度的升高而增大;OA、OB、OC是三条阻值不同且不变、粗细均匀的金属丝(同一条金属丝的阻值与其长度成正比)。闭合开关
,当滑片
从A点滑到
点过程中,电流表示数和灯泡
亮度均保持不变。
(1)求灯泡
正常发光时,通过灯泡
的电流大小___________。
(2)金属丝OA的电阻
___________
。
(3)继续滑动图甲中滑片
到
段,当
时,电流表示数为
;当
时,小灯泡正常发光。用图甲中的电源、小灯泡和三条金属丝连成图乙所示电路。闭合开关
,使滑片
在
上移动,当
时,电压表示数为
;当
时,电压表示数为
。求金属丝
的电阻
的大小___________和电源电压大小___________。

4.(2021·浙江温州)据史料记载,欧姆曾用如图电路来研究电流的影响因素。该电路的温差电源中,铜与铋的两个接触面分别放在冰水混合物和沸水中,AB两端存在电压,其电压大小由温度差决定。欧姆将粗细均匀的铁丝两端插入水银中,接通电路。当电路中有电流通过时,小磁针会发生偏转,转动金属丝上端手柄,扭转金属丝,使小磁针回到原位置,记录手柄转过角度。他用粗细相同、长度不同的铁丝多次重复上述实验,部分数据如表。已知手柄转过角度与电流大小成正比,粗细相同的铁丝电阻阻值与其长度成正比。

|
实验组别 |
1 |
2 |
3 |
4 |
|
铁丝长度(英寸) |
2 |
4 |
6 |
10 |
|
手柄转过角度(度) |
305 |
281.5 |
259 |
224 |
(1)在实验中始终保持“温差电源”的温度差不变的目的是______;
(2)小明查阅资料发现:除铁丝外,欧姆还考虑了电路中水银、铜丝等导体的电阻
,才得出正确的电流与电阻关系。结合表中数据,判断
的阻值大约相当于本实验中多少长度铁丝的阻值?______;
A.5英寸 B.10英寸 C.15英寸 D.20英寸
(3)欧姆用粗细相同的金丝、铅丝代替铁丝重复上述实验,发现当手柄转过角度相同时,金丝的长度比铅丝长。据此推测,若金丝和铅丝的长度与粗细都相同,哪一金属丝阻值更大?简要说明理由。______。
5.(2021·浙江台州)如图是某兴小组制作的“电子秤”的结构简图,其中的电磁铁和永磁体之间相互排斥,对秤盘产生向上的力。当秤盘上放置质量不同的物体时,可通过调节滑动变阻器改变电流大小。从而改变斥力大小,使指针始终指在“a”位置。此时,该电子秤所称量物体质量m跟电路中弹簧电流I的关系可视为:m=kI(k为500克/安)。据此原理,可将电流表改装成“质量显示仪”达到称量质量的目的。
(1)图中电磁铁和永磁体之间要产生斥力,则永磁体下端应为______极。
(2)当放上物体后,为了使指针仍处在“A”位置,必须将滑动变阻器滑片向______端移动。
(3)图中电源电压为9伏。线圈电阻为10欧。线圈允许通过的最大电流为0.8安,滑动变阻器规格为“50Ω 2A”,电流表量程为0~0.6安。

①计算该电子秤所能称量物体质量的范围。( )
②要增大该电子秤的称量范围,以下方法可行的是______。(假设弹簧等元件均能正常工作)
A.增大电源电压
B.换用“100Ω;1A”的滑动变阻器
C.电流表的量程换用“0~3安”
6.(2021·浙江嘉兴)学习了电学知识后,某科学兴趣小组开展制作“电热水壶"的项目化学习。
【项目任务】制作一款电热水壶。经过小组同学讨论后确定电热水壶的要求如下:
容积:1L;
功能:①加热;②保温;
性能:能在7分钟内将1L水从20℃加热到100℃(不计热量损失)。
【方案设计】为实现上述功能,同学们利用两个不同阻值的电阻(R1<R2)进行设计,其中方案一如图所示。利用方案一中的器材,请将方案二的电路补充完整___________。

【器材选择】若该壶是按照方案一设计的,根据项目任务中的性能要求,选择的如热电阻阻值最大为多少欧姆___________?
【方案反思】有同学认为电器设计还应考虑使用安全,从安全角度提出一条设计建议___________
【项目制作】……
7.(2021·浙江嘉兴)某科学兴趣小组在测量额定电压为2.5V的小灯泡灯丝电阻时发现,小灯泡两端的电压越大,测符电阻的阻值也越大。针对上述现象,同学们进行如下研究:
【建立假设】①灯丝两端的电压增大导致电阻增大;②灯丝的温度升高导致电阻增大。
【实验器材】干电池2节,额定电压为2.5V的小灯泡1只,电流表1个,电压表1个,滑动变阻器1个,开关1个,装满水的塑料瓶,导线若干,

|
次数 |
1 |
2 |
3 |
4 |
5 |
|
电压/V |
|||||
|
电流/A |
|||||
|
电阻/Ω |
①按图连接好电路,将灯丝插入瓶口没入水中,使灯丝的温度保持不变;
②闭合开关S,读出电压表和电流表示数,记录在表格中;
③多次改变滑动变阻器的阻值,重复步骤②。
连接电路时,电压表量程选择0~3V而不是0~15V的自的是___________
【得出结论】若假设①被否定,则实验中得到的结果是___________
【交流反思】进一步探究发现,灯丝电阻改变的本质原因是灯丝温度的变化。自然界在呈现真相的同时,也常会带有一定假象,同学们耍善于透过现象看本质。例如,用吸管吸饮料表面上看是依靠嘴的吸力,而本质是依靠___________。
8.(2021·浙江湖州)小萍同学想利用图甲所示电路研究通过小灯泡(额定电压为3伏)的电流与它两端电压的关系。她根据图甲完成图乙的部分连接,待连接完整后,移动滑动变阻器滑片,记录了多组数据,作出了图像a,还作出了电流大小与电源电压大小的关系图像b(如图丙所示)(已知滑动变阻器最大阻值为20欧)

(1)根据图甲将图乙中的实物图连接完整___________。(要求:滑动变阻器滑片向右移动,小灯泡变亮)
(2)根据图像a,描述通过小灯泡的电流与小灯泡两端电压的关系。___________
(3)当电流表示数为0.12A时,电压表的示数为多少___________?
(4)图丙阴影部分的面积表示___________
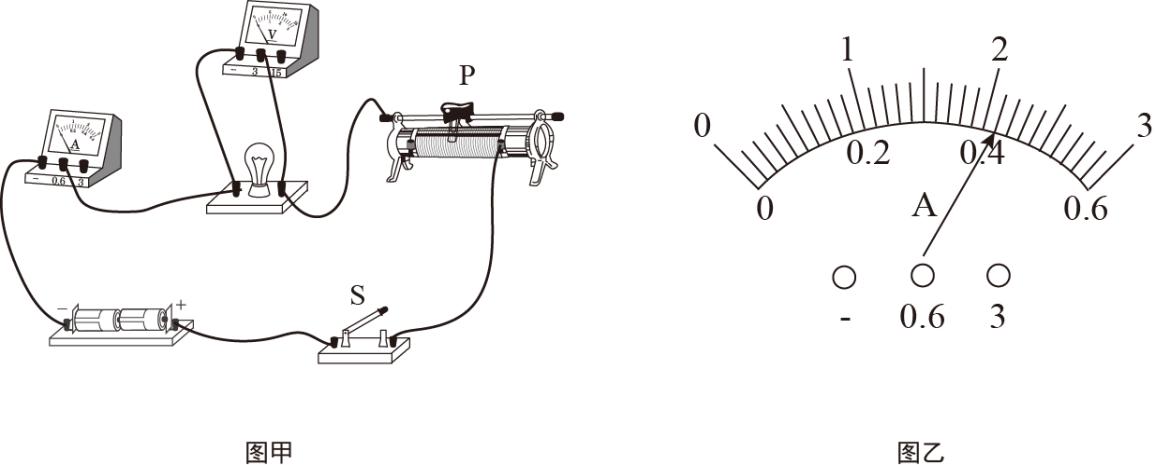
9.(2021·浙江绍兴)在“测量小灯泡的功率”实验中,电源为2节干电池,小灯泡标有“2.5V”字样。

(1)按图甲方式连接好电路,小敏刚要闭合开关时,同组同学提醒他的操作有一个不妥之处,请你帮他指出:______。
(2)闭合开关后,无论怎样调节滑动变阻器,小敏发现小灯泡始终不发光,电压表示数接近于3V保持不变,电流表示数始终为零,则故障原因可能是______。
(3)排除故障后,小敏闭合开关进行实验,当电压表示数为2.5V时,电流表示数如图乙所示,则小灯泡的额定功率为______W。
(4)实验结束后,小组同学对测量结果进行误差分析,考虑到电压表中也有电流通过,该电路所测小灯泡的额定功率与真实值相比______(选填“偏大”或“偏小”)。
10.(2021·浙江丽水)小科开展了课外探究活动:串联电路中滑动变阻器的电功率与其接入电路电阻的关系。
【建立猜想】猜想1:滑动变阻器的电功率会随其接入电路电阻的增大而增大;
猜想2:滑动变阻器的电功率会随其接入电路电阻的增大减小;
猜想3:滑动变阻器的电功率会随其接入电路电阻的增大先增大后减小
【进行实验】将5欧的定值电阻R、“10欧姆 23A”的滑动变阻器R、电压恒为15伏的电源、数字电流表和电压表、开关、若干导线按如图甲所示电路图连接。

(1)图甲中电压表测___________两端的电压;
(2)实验中,将滑动变阻器滑片向移动___________(填“左”或右”),电流表示数变小;
(3)实验中,R分别取0欧、1欧…10欧接入电路,观察记录并处理数据,得到下表。请将表中缺失的数据补充完整;
|
R阻值/欧 |
0 |
1 |
2 |
3 |
4 |
5 |
6 |
7 |
8 |
9 |
10 |
|
电流/安 |
3.00 |
2.50 |
2.14 |
1.88 |
1.67 |
1.50 |
1.36 |
1.24 |
1.14 |
1.06 |
1.00 |
|
电压/伏 |
0.00 |
2.50 |
4.28 |
5.64 |
6.68 |
7.50 |
8.16 |
8.68 |
9.12 |
9.54 |
10.00 |
|
电功率/瓦 |
0.00 |
6.25 |
9.16 |
10.60 |
11.16 |
___________ |
11.10 |
10.76 |
10.40 |
10.11 |
10.00 |
【得出结论】根据实验数据,作出滑动变阻器的电功率随其接入电路电阻变化的曲线(如图乙),小科得出结论:猜想3成立,当R=R0时,滑动变阻器的电功率最大。
【交流评价】
(4)小科只通过上述探究得出实验结论可靠吗?并说明理___________。
11.(2021·浙江台州)某兴趣小组欲利用如图所示的装置研究“镍铬合金丝电阻大小与温度的关系”。

(1)图中的镍铬合金丝通电后,使烧瓶内煤油的温度升高,这是因为电流具有______效应
(2)用笔画线代替导线将图中电路连接完整______,并写出实验步骤______。
12.(2021·浙江金华)研究性学习小组利用图甲电路研究电阻的电功率变化规律。图注电源电压恒为4V,R0为定值电阻,R为滑动变阻器。实验过程中,调节滑动变阻器,逐次读取数据并记录,计算定值电阻电功率。数据如下表:
|
实验次数 |
1 |
2 |
3 |
4 |
5 |
|
电流(A) |
0.10 |
0.15 |
0.20 |
0.25 |
0.30 |
|
电压(V) |
1.0 |
1.5 |
2.0 |
2.5 |
3.0 |
|
R0的电功率(W) |
0.10 |
0.225 |
0.40 |
0.625 |
0.90 |

(1)完成第3次实验后,接下来要获得第4次实验的数据,则滑动变阻器R的滑片P应向___________(选填“左”或“右”)移动到适当位置;
(2)小组同学根据表中数据,得出了定值电阻R0的电功率与其电流的定量关系。他们的结论正确的是:___________
A.定值电阻的电功率与电流成正比 B.定值电阻的电功率与电流的平方成正比
(3)小科提出:要得知滑动变阻器的电功率,还需要用电压表测出滑动变阻器两端的电压;小金却认为:无需测滑动变阻器两端的电压,通过推算即可得出滑动变阻器的电功率。比如,当定值电阻两端的电压为1.0V时,滑动变阻器的电功率为___________瓦;
(4)小组同学对小金的方法进行了归纳,结合表中数据,画出了电路总功率和定值电阻功率与电流的P-I关系图像(如图乙所示)。请分析判断,图中线段
表示的含义是___________。
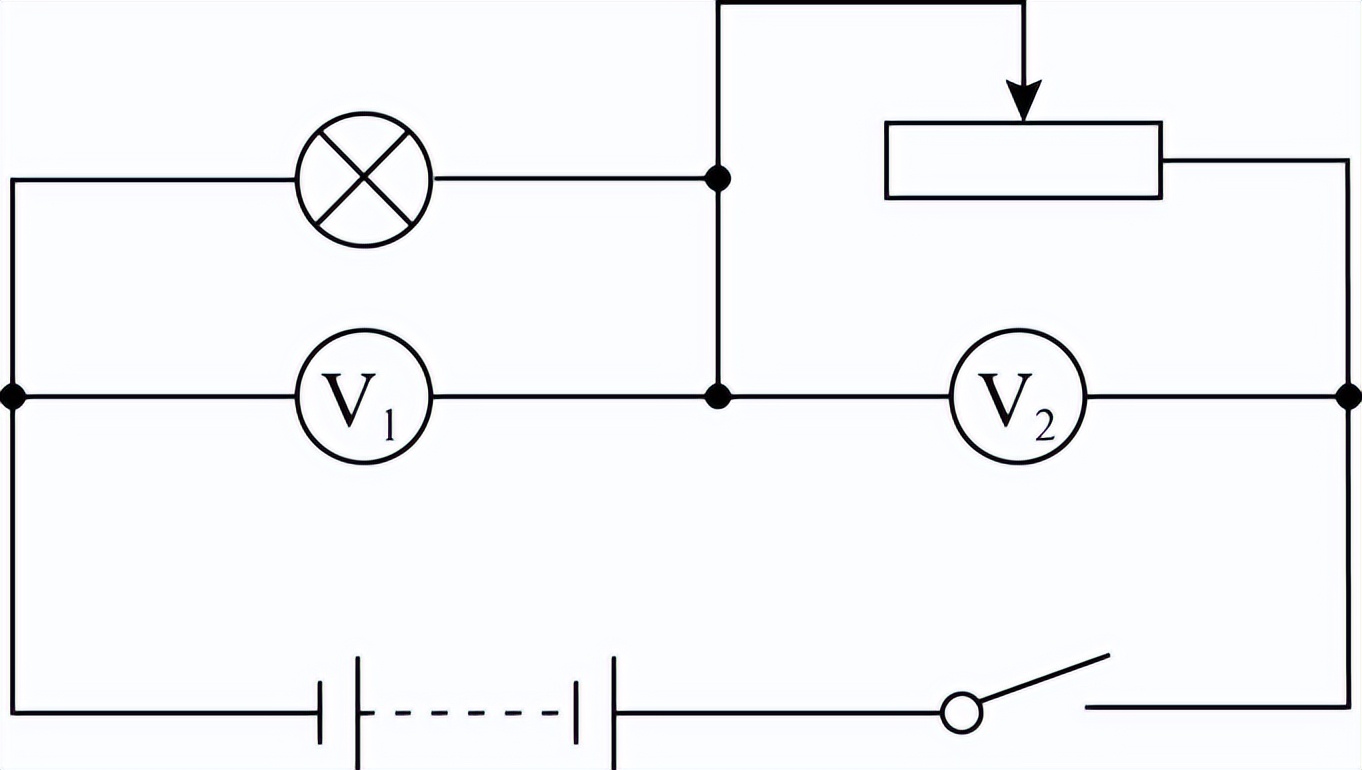
13.(2021·浙江衢州)小科利用器材探究通过M、N之间导体的电流与电压的关系,部分电路如图所示。

(1)图中M、N之间应连入______(填“定值电阻”或“小灯泡”)。
(2)图中M、N之间若接入定值电阻,闭合开关,当滑动变阻器滑片向左移动时,滑动变阻器两端的电压______(填变化情况)。
二、简答题
14.(2021·浙江杭州)如图电路中,电源电压恒为4.5V,灯泡规格是“3V 0.75W"”。

(1)灯泡正常工作时,电压表V1、V2示数分别为多少_____?滑动变阻器接入的电阻为多少?_____
(2)灯泡正常工作4分钟,整个电路消耗的电能是多少?_____
15.(2021·浙江温州)常用的密度计使用时需要较多待测液体(如图甲)。小明设计了一台只需少量待测液体就能直接测量其密度大小的简易密度仪(如图乙)。其工作原理为:桶中无液体时,滑片P指向A处;测量时,将待测液体加满小桶,装有滑轮和滑片P的滑块向下移动
,弹簧弹力增加F,待滑块稳定后闭合开关S,就能从已标注相应密度值的电流表刻度盘上读出待测液体密度。电源电压
恒为6伏,定值电阻
的阻值为12欧,电流表量程为0~0.6安,小桶的容积为10厘米3,粗细均匀的电阻丝AB总长为20厘米,其阻值随长度变化如表。F与
的关系如图丙所示。(不计摩擦,桶距底座高度足够)。
|
电阻丝的长度(厘米) |
0 |
5 |
10 |
15 |
20 |
|
电阻丝的阻值(欧姆) |
0 |
10 |
20 |
30 |
40 |

(1)闭合开关S,滑片P在A点和B点时,电流表示数分别为
、
,则
、
的大小关系是______;
(2)某次测量时,电流表示数为0.2安,则所测液体密度为多少克/厘米3______?
(3)为了方便在电流表的表盘上标注对应的密度值,需根据上述信息,分析密度与电流的关系并确定量程;
①写出密度
与电流
的关系式:
______;
②该密度仪能测量的最大密度为______克/厘米3。