可控硅是具有阳极(A)、阴极(K)和控制极(G)的半导体整流元件,单向可控硅简称SCR,它除了像整流二极管那样具有单向导电性外,还具有受控特性,可以用小信号来控制大的输出电压和电流,因此用途也很广泛,单向可控硅由PNP N型半导体组成,具有三个PN结,可等效为由三个二极管串接或由两个三极管组成,如下图。



它有别于一般整流二极管的特性是,当阳极加正电压,阴极加负电压,由于中间PN结二极管D2处于反向,图D所示,可控硅不导通,如果在栅极(G)上加正向控制电压,可控硅就会导通,一旦导通,即使去掉栅极(G)上电压,可控硅仍维持导通状态,只有切断阳极(A)电压,导通才变为截止。

可控硅模块
还有一种双向可控硅,简称SCS,它是在单向可控硅基础上发展起来的,如下图,其性能与SCR单向可控硅元件类似,不同的是SCS双向可控硅具有两个控制极,即除了阴极控制极与SCR作用相同外,还有一个阴栅控制极也可用于触发SCS导通。


大功率可控硅模块
可控硅在一般电路中应用,主要考虑两个参数,一是额定正向平均电流,二是正向或反向阻断峰值电压,前者如超过,可能烧坏管子后者如超过,因正向不能可靠地*锁封**,反向也易造成击穿。可控硅目前广泛用于整流稳压,交流调压,无触点开关,逆变器及各种过压过流保护等电路中,常与可控硅配合使用的还有双向触发二极管。
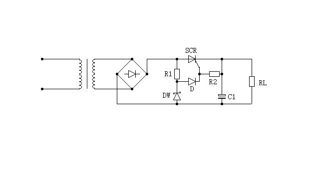
下图采用一只可控硅的桥式整流电路,由于可控硅具有正向*锁封**能力,只有当触发信号加入时,才能使其导通,如果在栅极加入正向触发脉冲,就能使阴极输出直流电压供负载使用,若能同时改变触发脉冲的相位(即时间),使可控硅的“导通角"随之发生变化,还能实现输出直流电压调节,达到稳压目的。

可控硅整流稳压

可控硅交流调压