线型及其含义:


比例:

水、汽管道代号:


工艺管道施工图常用图例:


水、汽管道阀门和附件图例:


给排水、采暖常用图例:

通风空调工程常用图例:

风道代号:

风道、阀门及附件图例:


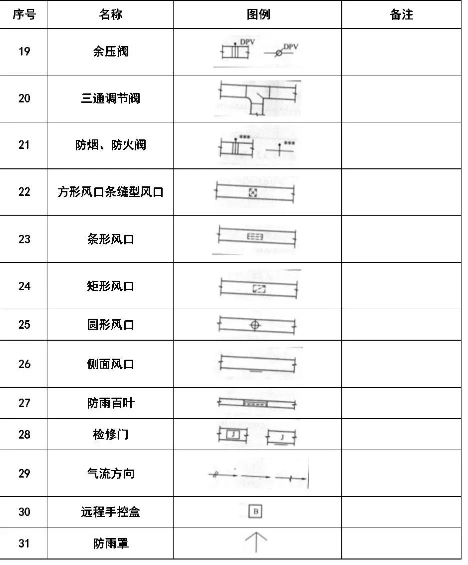
风口和附件代号:

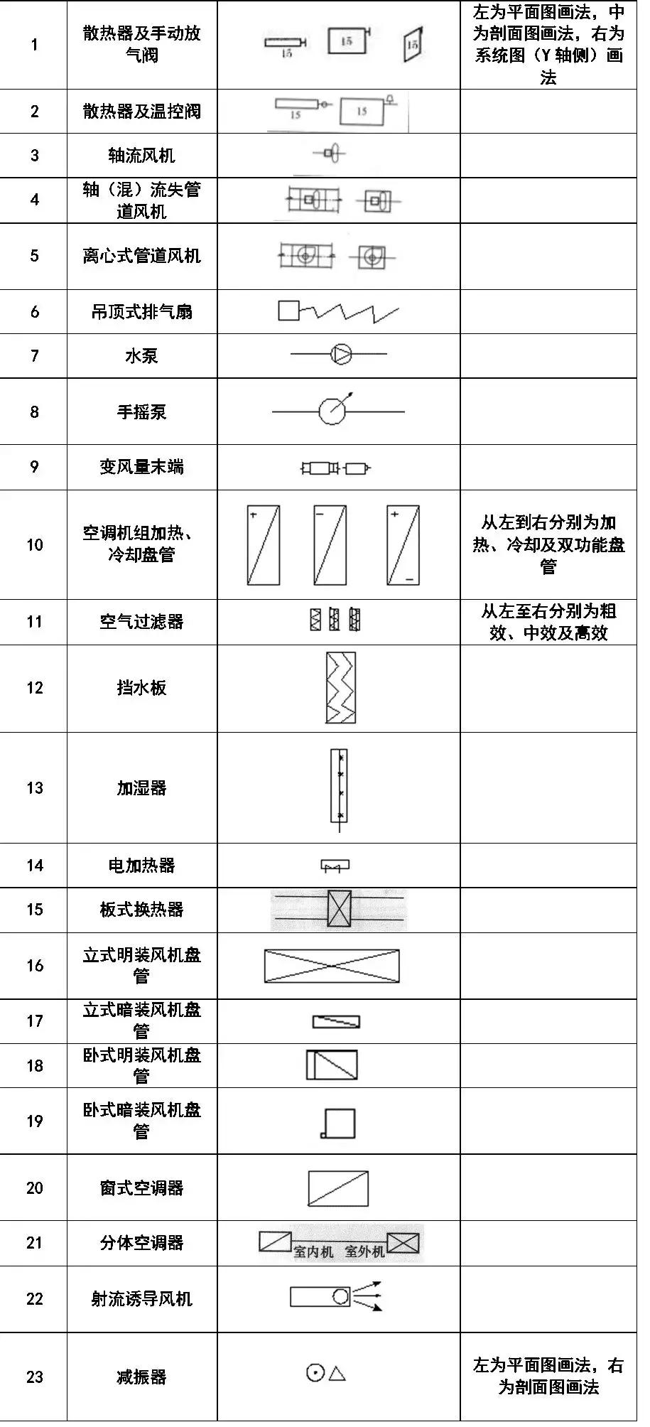
暖通空调设备图例:

调控装置及仪表图例:


各种执行机构可与风阀、水阀组合 表示相应功能的控制阀门。
消防工程基本图形符号:

消防工程辅助符号:

消防工程灭火器符号:

消防管路及配件符号:

消防工程固定灭火器系统符号:

消防工程灭火设备安装处符号:

消防设施:


消防工程自动报警设备符号:

管道图例:


管道附件:


管道连接:

管件:

常见阀门:


给水配件:

小型给水排水构筑物:

给水排水设备:

仪表:

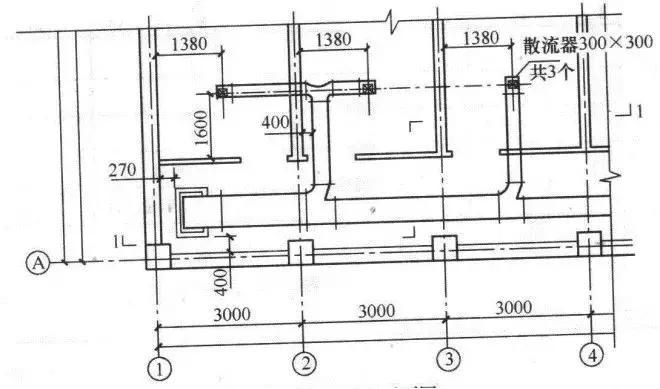
管道和设备布置平面图、剖面图示例:
管道和设备布置平面图应按假象除去上层板后俯视规则绘制,其相应的垂直剖面图应在平面图中表明剖切符号。

标准层平面图

平、剖面示例
平面图、剖面图索引符号的画法:
平面图、剖面图中的局部需另绘详图时,应在平、剖面图上标注索引符号。索引符号的画法见下图。

索引符号的画法
内视符号画法:
当表示局部位置的相互关系,在平面图上应标注内视符号。

内视符号画法
系统编号:
1、一个工程设计中同时有供暖、通风、空调等两个及以上的不同系统时,应进行系统编号。
2、暖通空调系统编号、入口编号,应由系统代号和顺序号组成。
3、系统代号用大写拉丁字母表示,顺序号用阿拉伯数字表示。当一个系统出现分支时,可采用下图的画法。
系统代号


立管号的画法
竖向布置的垂直管道系统,应标注立管号,在不一致引起误解时,可只标注序号,但应与建筑轴线编号有明显区别。

立管号的画法
管道相对标高的画法:
1、在无法标注垂直尺寸的图样中,应标注标高。标高应以m为单位,并应精确到cm或mm。
2、标高符号应以直角等腰三角形表示。当面标准层较多时,可只标注与本层楼(地)板面的相对标高。
3、水、汽管道所标高未予说明时,应表示为管中心标高。
4、水、汽管道标注管道外底或顶标高时,应在数字前加“底”或“顶”字样。
5、矩形风管所注标高应表示管底标高;圆形风管所注标高应表示管中心标高。当不采用此方法标注时,应进行说明。
6、平面图中无坡度要求的管道标高可标注在管道截面尺寸后的括号内。必要时,应在标高数字前加“底”或“顶”的字样。

相对标高的画法
管道截面尺寸的标注符号及画法:
1、低压流体输送用焊接管道规格应标注公称通径或压力。公称通径的标记应由字母“DN”后跟一个以亳米表示的数值组成;公称压力的代号应为“PN”。
2、输送流体用无缝钢管、螺旋缝或直缝焊接钢管、铜管、不锈钢管,当需要注明外径和壁厚时,应用“D(或Φ)外径×壁厚”表示。在不致引起误解时,也可采用公称通径表示。
3、塑料管外径应用“de”表示。
4、圆形风管的截面定型尺寸应以直径“Φ”表示,单位应为mm.
5、矩形风管(风道)的截面定型尺寸应以“A×B”表示。“A”应为该视图投影面的边长尺寸,“B”应为另一边尺雨。A、B单位均应为mm。
6、水平管道的规格宜标注在管道的上方;竖向管道的规格宜标注在管道的左侧。双线表示的管道,其规格可标注在管道轮廓线内。

管道截面尺寸的画法
多条管线的规格标注方法:

多条管线规格的画法
风口、散流器表示方法:

风口、散流器的表示方法
定位尺寸的表示方法:

定位尺寸的表示方式
单线管道转向的画法:

单线管道转向的画法
双线管道转向的画法:

双线管道转向的画法
单线管道分支的画法:

单线管道分支的画法
双线管道分支的画法:

双线管道分支的画法
送风管转向的画法:

送风管转向的画法
回风管转向的画法:

管道断开的画法
平面图、剖视图中管道因重叠、密集需断开时,应采用断开画法。

管道断开的画法
管道在本图中断的画法:
管道在本图中断,转至其他图面表示(或由其他图面引来)时,应注明转至(或来自的)的图纸编号。

管道在本图中断的画法
管道交叉的画法:

管道交叉的画法
管道跨越的画法:

本素材来源于网络,版权归原作者所有!
如有侵权,请联系删除!