一级造价工程师执业资格考试实行全国 统一大纲、统一命题、统一组织 的制度,由人事部、建设部共同组织实施,每年开考一次,成绩合格者,由人力资源和社会保障部门颁发统一印制,人力资源和社会保障部、住房和城乡建设部共同用印的《中华人民共和国一级造价工程师执业资格证书》可从事施工活动的管理,也可从事法律、行政法规或国务院建设行政主管部门规定的其他业务。

所以,对从事工程造价行业的人来说,一级造价工程师证书是必不可少的。下面就为大家找寻了2021年一级造价工程师【造价管理】-经典50题。大家可以通过这些习题的练习,来查找自己的不足。由于篇幅有限,排版不太好。需要完整版的考友可以关注、私信我领取。好了,废话不多说,上题目!

第一章工程造价管理及其基本制度
【高频考点 1】工程造价咨询企业资质等级标准
【经典例题 1】根据《工程造价咨询企业管理办法》,乙级工程造价咨询企业中专职从事工程造价专业工作的人员不应少于( )人。
A.6B.8 C.10 D.12
【答案】A
【解析】本题考查的是工程造价咨询企业资质等级标准。根据《工程造价咨询企业管理办法》, 乙级工程造价咨询企业资质标准:乙级企业资质标准专职专业人员不少于 6 人,其中,具有工程或者工程经济类中级以上专业技术职称或二级造价工程师注册证书的人员不少于 4 人,取得一级注册造价工程师不少于 3 人,其他人员均需要具有从事工程造价专业工作的经历。
【经典例题 2】根据《工程造价咨询企业管理办法》,关于乙级工程造价咨询企业资质标准的说法,正确的有( )。【2011】【2012】【2014】【2016】【2018】
A.专职专业人员中取得一级造价工程师注册证书的人员不少于3 人
B.企业技术负责人应当从事工程造价专业工作 12 年以上
C.企业近 3 年工程造价咨询营业收入累计不低于 500 万元
D.企业专职从事工程造价专业工作的人员中中级职称或二级造价工程师不少于 4 人
E.企业注册资本不少于 100 万元
【答案】AD
【解析】关于A,D 选项,乙级企业资质标准专职专业人员不少于 6 人,其中,具有工程或者工程经济类中级以上专业技术职称或二级造价工程师注册证书的人员不少于 4 人,取得一级注册造价工程师不少于 3 人;关于 B,正确说法:从事工程造价专业工作 10 年以上;关于 C,是甲级工程造价咨询企业资质标准之一;关于 E,根据最新工程造价咨询企业资质标准,已无此项要求。故 AD 正确。
【高频考点 2】合同效力
第二章 相关法律法规
【经典例题 3】根据《合同法》下列合同中,属于效力待定合同的有( )。
A.因重大误解订立的合同
B.恶意串通损害第三人利益的合同
C.在订立合同时显失公平的合同
D.超越代理权限范围订立的合同
E.限制民事行为能力人订立的合同
【答案】DE
【解析】本题考查的是效力待定合同。效力待定合同包括:限制民事行为能力人订立的合同和无权代理人代订的合同。在订立合同时显失公平的合同,因重大误解订立的合同属于可变更可撤销合同;恶意串通损害第三人利益的合同属于无效合同。因此,正确选项为 DE。
【经典例题 4】根据《合同法》,与无权代理人签订合同的相对人可以催告被代理人在( ) 个月内予以追认。
A.1
B.2
C.3
D.6
【答案】A
【解析】本题考查的是可变更或者撤销合同。与无权代理人签订合同的相对人可以催告被代理人在 1 个月内予以追认。被代理人未作表示的,视为拒绝追认。合同被迫认之前,善意相对人有撤销的权利。撤销应当以通知的方式做出。因此,正确选项为 A。
第三章 工程项目管理
【高频考点 3】工程项目的组成
【经典例题 5】根据《建筑工程施工质量验收统一标准》,下列工程中,属于分部工程的有( )。
A.砌体结构工程B.智能建筑工程C.建筑节能工程D.土方回填工程E.装饰装修工程
【答案】BCE
【解析】本题考查的是工程项目的组成和分类。分部工程是指将单位工程按专业性质、建筑部位等划分的工程。根据《建筑工程施工质量验收统一标准》GB50300-2013,建筑工程包括:地基与基础、主体结构、装饰装修、屋面、给排水及采暖、通风与空调、建筑电气、智能建筑、建筑节能、电梯等分部工程。因此,正确选项为 BCE。
【经典例题 6】根据《建筑工程施工质量验收统一标准》,下列工程中,属于分项工程的是( )。
A.计算机机房工程B.轻钢结构工程C.土方开挖工程D.外墙防水工程
【答案】C
【解析】本题考查的是工程项目的组成和分类。分项工程是指将分部工程按主要工种、材料、施工工艺、设备类别等划分的工程。例如,土方开挖、土方回填、钢筋、模板、混凝土、砖砌体、木门窗制作与安装、玻璃幕墙等工程。因此,正确选项为 C。
【高频考点 4】工程项目发承包模式
【经典例题 7】建设工程采用平行承包模式的特点是( )。
A.有利于缩短建设工期B.不利于控制工程质量
C.业主组织管理简单 D.工程造价控制难度小
【答案】A
【解析】本题考查的是工程项目发承包模式。采用平行承包模式的特点:
- 有利于建设单位择优选择承包单位。
- 有利于控制工程质量。
- 有利于缩短建设工期。
- 组织管理和协调工作量大。
- 工程造价控制难度大
- 相对于总分包模式而言,平行承包模式不利于发挥那些技术水平高、综合管理能力强 的承包单位的综合优势。因此,正确选项为 A。
【经典例题 8】CM(ConstructionManagement)承包模式的特点是( )。
A.建设单位与分包单位直接签订合同B.采用流水施工法施工
C.CM 单位可赚取总分包之间的差价D.采用快速路径法施工
【答案】D
【解析】本题考查的是工程项目发承包模式。CM(ConstructionManagement)承包模式是指由建设单位委托一家 CM 单位承担项目管理工作,该 CM 单位以承包单位的身份进行施工管理,并在一定程度上影响工程设计活动,组织快速路径(Fast-Track)的生产方式,使工程项目实现有条件的“边设计、边施工”。选项A 错误,CM 单位有代理型(Agency)和非代理型(Non-Agency)两种。代理型的 CM 单位不负责工程分包的发包,与分包单位的合同由建设单位直接签订。而非代理型的 CM 单位直接与分包单位签订分包合同。选项B 错误,CM 承包模式组织快速路径的生产方式,使工程项目实现有条件的“边设计、边施工”。选项C 错误,CM 单位不赚取总包与分包之间的差价。因此,正确选项为 D。
【高频考点 5】流水施工参数
【经典例题 9】建设工程组织流水施工时,确定流水节拍的方法有( )。A.定额计算法
- 经验估计法C.价值工程法D.ABC 分析法E.风险概率法
【答案】AB
【解析】本题考查的是流水施工参数。流水节拍可分别按下列方法确定: 1)定额计算法; 2)经验估算法。因此,正确选项为AB。
【经典例题 10】下列流水施工参数中,属于时间参数的是( )。
A.施工过程和流水步距B.流水步距和流水节拍C.施工段和流水强度 D.流水强度和工作面
【答案】B
【解析】本题考查的是流水施工参数。时间参数是指在组织流水施工时,用以表达流水施工在时间安排上所处状态的参数,主要包括流水节拍、流水步距和流水施工工期等。因此,正确选项为B。
【高频考点 6】网络计划时间参数的计算
【经典例题 11】某工程网络计划中,工作 M 有两项紧后工作,最早开始时间分别为 12 和 13。工作M 的最早开始时间为 8,持续时间为 3,则工作M 的自由时差为( )。
A.1B.2C.3D.4
【答案】A
【解析】本题考查的是网络计划时间参数的计算。对于有紧后工作的工作,其自由时差等于
紧后工作的最早开始时间减去本工作的最早完成时间所得之差的最小值,即 EFM=8+3=11, FFM= min{12-11,13-11}=1。因此,正确选项为A。
【经典例题 12】工程网络计划中,对关键线路描述正确的是( )。
A.双代号网络计划中由关键节点组成B.单代号网络计划中时间间隔均为零
C.双代号时标网络计划中无虚工作 D.单代号网络计划中由关键工作组成
【答案】B
【解析】本题考查的是网络计划时间参数的计算。选项 A 错误,由关键节点组成的线路不一定是关键线路。选项B 正确、D 错误,单代号网络计划,从网络计划的终点节点开始,逆着箭线方向依次找出相邻两项工作之间时间间隔为零的线路就是关键线路。选项C 错误,双代号时标网络计划中,凡自始至终不出现波形线的线路即为关键线路。因此, 正确选项为 B。
【高频考点 7】时标网络计划中时间参数的判定

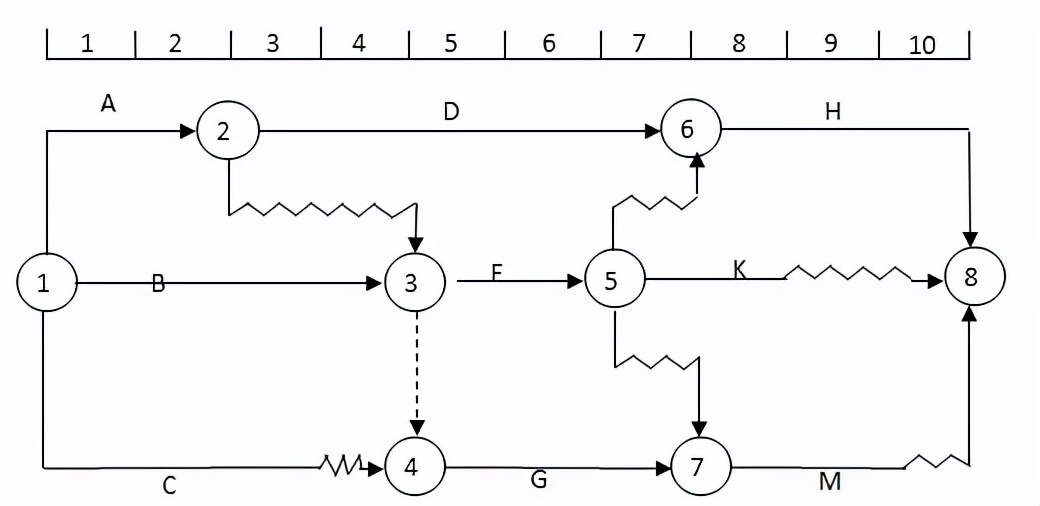
【经典例题 13】某工程双代号时标网络计划如下图所示,由此可以判断出( )。
- 工作B 为关键工作
- 工作C 的总时差为 2
- 工作E 的总时差为 0
- 工作G 的自由时差为 0
- 工作K 的总时差与自由时差相等
【答案】BDE
【解析】本题考查的是时标网络计划中时间参数的判定。题中关键线路为 A→D→H,工作B 为非关键工作。工作 C 的总时差=2,工作 E 的总时差=1,工作G 的自由时差=0,工作K 的自由时差=2,工作K 的总时差=2。因此,正确选项为 BDE。
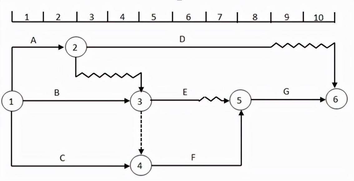
【经典例题 14】某工程时标网络图如下图所示。计划执行到第 5 周检查实际进度,发现D 工作需要 3 周完成,E 工作需要 1 周完成,F 工作刚刚开始。由此可以判断出( )。

A.A、B、C 工作均已完成
B.D 工程按计划进行
C.E 工作提前 1 周
D.F 工作进度不影响总工期E.总工期需延长 1 周
【答案】ABE
【解析】本题考查的是时标网络计划中时间参数的判定。选项A,由于到第 5 周检查时DEF 三项工作已经开始,说明 ABC 三项工作已经完成;选项 B,D 工作持续时间是 6 周,在第 5 周检查完成 3 周工作,说明 D 工程按计划进行;选项 C,E 工作持续时间是 2 周,E 工作需要 1 周完成, 说明工程按计划进行;选项 D,F 工作刚刚开始,说明延误 1 周,并且 F 工作在关键线路上,影响总工期;选项 E,由于第 5 周检查时,F 工作刚刚开始,说明延误 1 周,并且 F 工作在关键线路上, 总工期需延长 1 周。因此,正确选项为ABE。
第四章 工程经济
【高频考点 8】资金的时间价值
【经典例题 15】关于利率及其影响因素的说法,正确的是( )。
A.借出资本承担的风险越大,利率就越高B.社会借贷资本供过于求时,利率上升
C.社会平均利润率是利率的最低界限D.借出资本的借款期限越长,利率就越低
【答案】A
【解析】本题考查的是资金的资金的时间价值。平均利润率不变的情况下,借贷资本供过于求,利率下降;反之,利率上升,B 错误;在通常情况下,平均利润率是利率的最高界限,C 错误; 借款期限长,不可预见因素多,风险大,利率也就高,D 错误。因此,正确选项为A。
【高频考点 9】利息计算方法
【经典例题 16】某企业借款 1000 万元,期限 2 年,年利率 8%,按年复利计算,到期一次性还本付息,则第二年应计的利息为( )万元。
A.40.0B.80.0C.83.2D.86.4
【答案】D
【解析】本题考查的是利息计算方法。第二年应计的利息=1000×(1+8%)×8%=86.4 万元。因此,正确选项为 D。
【经典例题 17】某企业借款 100 万元,年利率为 8%,借款期限为 2 年,单利计息,则借款期内计算两次和计算一次的利息差额为( )万元。
A.0.00B.0.32C.0.64D.1.28
【答案】A
【解析】本题考查的是利息计算方法。单利计息时,利息不再产生利息。借款期内计算两次和计算一次的利息差额为 0。因此,正确选项为A。
【高频考点 10】等值计算
【经典例题 18】某企业前 3 年每年初借款 1000 万元,按年复利计息,年利率为 8%,第 5 年末还款 3000 万元,剩余本息在第 8 年末全部还清,则第 8 年末需还本付息( )万元。
A.981.49B.990.89 C.1270.83 D.1372.49
【答案】 D
【解析】本题考查的是等值计算。第 8 年末需还本付息金额F=[1000×(F/A,8%,3)×(F/P,8%,3)-3000]×(F/P,8%,3)=1372.49 万元。因此,正确选项为 D。
【经典例题 19】某企业年初借款 2000 万元,按年复利计息,年利率 8%。第 3 年末还款 1200万元,剩余本息在第 5 年末全部还清,则第 5 年末需还本付息( )万元。
A.1388.80B.1484.80 C.1538.98 D.1738.66
【答案】C
【解析】本题考查的是等值计算。2000×(1+8%)5 -1200×(1+8%)2 =1538.98(万元)。因此,正确选项为 D。
【高频考点 11】名义利率和有效利率
【经典例题 20】企业从银行借入资金 500 万元,年利率 6%,期限 1 年,按季复利计息,到期还本付息,该项借款的年有效利率是( )。
A.6.00% B.6.09% C.6.121% D.6.136%
【答案】D
【解析】本题考查的是名义利率和有效利率。Ieff=(1+r/m)^m-1=(1+6%/4)^4-1=6.136%, 因此,正确选项为 D。
【经典例题 21】某项借款,名义利率 10%,计息周期为月时,则年有效利率是( )。
A.8.33%B.10.38% C.10.43% D.10.52%
【答案】C
【解析】本题考查的是名义利率和有效利率。ieff=(1+10%/12)12-1=10.43%。因此,正确选项为 C。
【经典例题 22】某项借款,年名义利率 10%,按季复利计息,则季有效利率为( )。
A.2.41%B.2.50% C.2.52% D.3.23%
【答案】B
【解析】本题考查的是名义利率和有效利率。10%/4=2.5%。因此,正确选项为 B。
第五章 工程项目投融资
【高频考点 12】投资收益率
【经典例题 23】采用总投资收益率指标进行项目经济评价的不足有( )。
A.不能用于同行业同类项目经济效果比较B.不能反映项目投资效果的优势
C.没有考虑投资收益的时间因素D.正常生产年份的选择带有较大的不确定性E.指标的计算过于复杂和繁琐
【答案】CD
【解析】本题考查的投资收益率。投资收益率指标的优点与不足。投资收益率指标的经济意义明确、直观,计算简便,在一定程度上反映了投资效果的优劣,可适用于各种投资规模。但不足的是,没有考虑投资收益的时间因素,忽视了资金时间价值的重要性;指标计算的主观随意性太强;换句话说,就是正常生产年份的选择比较困难,如何确定带有一定的不确定性和人为因素。因此,以投资收益率指标作为主要的决策依据不太可靠。因此,正确选项为 CD。
【高频考点 13】投资回收期
【经典例题 24】某项目建设期 1 年,总投资 900 万元,其中流动资金 100 万元。简称投产后每年净收益为 150 万元。自建设开始年起,该项目的静态投资回收期为( )年。
A.5.3
B.6.0
C.6.3
D.7.0
【答案】D
【解析】本题考查的是投资回收期。此题属于项目建成投产后各年的净收益(即净现金流量) 均相同,则静态投资回收期的计算公式为:Pt=TI/A=900/150=6.0 年。此题要求从建设开始年起,需要在加 1 年的建设期,所以 Pt=6+1=7 年。因此,正确选项为 D。
【高频考点 14】偿债能力指标
【经典例题 25】某项目预计投产后第 5 年的息税前利润为 180 万元,应还借款本金为 40 万
元,应付利息为 30 万元,应缴企业所得税为 37. 5 万元,折旧和摊销为 20 万元,该项目当年偿债备付率为( )。
A.2.32B.2.86C.3.31D.3.75
【答案】A
【解析】本题考查的是偿债能力指标。偿债备付率DSCR=(息税前利润折旧和摊销-企业所得税)/应还本付息金额=(180+20-37.5)/(40+30)=2.32。因此,正确选项为A。
【高频考点 15】资本金筹措的渠道与方式
【经典例题 26】新设法人项目资本金的方式是( )。
A.公开募集B.增资扩股C.产权转让D.银行*款贷**
【答案】A
【解析】本题考查的是资本金筹措的渠道与方式。在资本市场募集股本资金。在资本市场募集股本资金可以采取两种基本方式,即私募与公开募集。因此,正确选项为 A。
【经典例题 27】与发行债券相比,发行优先股的特点是( )。
A.融资成本较高B.股东拥有公司控制权C.股息不固定D.股利可在税前扣除
【答案】A
【解析】本题考查的是资本金筹措的渠道与方式。优先股与普通股相同的是没有还本期限, 与债券特征相似的是股息固定。优先股是一种介于股本资金与负债之间的融资方式。优先股股东不参与公司经营管理,没有公司控制权,不会分散普通股东的控股权。发行优先股通常不需要还本,只需要支付固定股息,可减少公司的偿债风险和压力。但优先股融资成本较高,且股利不能像债券利息一样在税前扣除。因此,正确选项为 A。
【高频考点 16】资本金筹措的渠道与方式
【经典例题 28】新设法人项目资本金的方式是( )。
A.公开募集B.增资扩股C.产权转让D.银行*款贷**
【答案】A
【解析】本题考查的是资本金筹措的渠道与方式。在资本市场募集股本资金。在资本市场募集股本资金可以采取两种基本方式,即私募与公开募集。因此,正确选项为 A。
【经典例题 29】与发行债券相比,发行优先股的特点是( )。
A.融资成本较高B.股东拥有公司控制权C.股息不固定D.股利可在税前扣除
【答案】A
【解析】本题考查的是资本金筹措的渠道与方式。优先股与普通股相同的是没有还本期限, 与债券特征相似的是股息固定。优先股是一种介于股本资金与负债之间的融资方式。优先股股东不参与公司经营管理,没有公司控制权,不会分散普通股东的控股权。发行优先股通常不需要还本,只需要支付固定股息,可减少公司的偿债风险和压力。但优先股融资成本较高,且股利不能像债券利息一样在税前扣除。因此,正确选项为 A。
【经典例题 30】既有法人作为项目法人筹措项目资金时,属于既有法人外部资金来源的有
( )。
A.企业增资扩股B.企业资金变现C.企业产权转让D.企业发行债券E.企业发行优先股股票
【答案】AE
【解析】本题考查的是资本金筹措的渠道与方式。外部资金来源:1)企业增资扩股,2)优先股,3)国家预算内投资。因此,正确选项为AE。
【高频考点 17】资金成本
【经典例题 31】某企业发行优先股股票,票面面值按正常市价计算为 500 万元,筹资费费率为 4%,年股息率为 10%,企业所得税为 25%,则其资金成本率为( )。
A.7.81% B.10.42% C.11.50% D.14.00%
【答案】B
【解析】本题考查的是资金成本。根据公式: 10% =10.42%,因此,正确选项为B。
【经典例题 32】项目公司为了扩大项目规模往往需要追加筹集资金,用来比较选择追加筹资方案的重要依据是( )。
- 个别资金成本B.综合资金成本C.组合资金成本D.边际资金成本
【答案】D
【解析】本题考查的是资金成本。个别资金成本主要用于比较各种筹资方式资金成本的高低, 是确定筹资方式的重要依据;综合资金成本是项目公司资本结构决策的依据;边际资金成本是追加筹资决策的重要依据。因此,正确选项为 D。
【经典例题 33】某公司为*疆新**项目发行总面额为 2000 万元的十年期债券票面利率为 12%,发行费用率为 6%,发行价格为 2300 万元,公司所得税为 25%,则发行债券的成本率为( )。
A.7.83% B.8.33% C.9.57% D.11.10%
【答案】B
2000×12%×(1-25%)
【解析】本题考查的是资金成本。KB=
2300×(1-6%)=8.33%,因此,正确选项为 B。
【高频考点 18】项目融资的特点
【经典例题 34】与传统的*款贷**方式相比,项目融资的优点有( )。
A.融资成本较低B.信用结构多样化C.投资风险小
D.可利用税务优势E.属于资产负债表外融资
【答案】BDE
【解析】本题考查的是项目融资的特点。项目融资主要具有项目导向、有限追索、风险分担、非公司负债型融资、信用结构多样化、融资成本高、可利用税务优势的特点。因此,正确选项为BDE。
【高频考点 19】项目融资程序
【经典例题 35】在项目融资程序中,需要在融资结构设计阶段进行的工作是( )。
A.起草融资法律文件B.评价项目风险因素 C.控制与管理项目风险D.选择项目融资方式
【答案】B
【解析】本题考查的是项目融资程序。融资结构设计阶段的一个重要步骤是对与项目有关的风险因素进行全面的分析、判断和评估,确定项目的债务承受能力和风险,设计出切实可行的融资方案和抵押保证结构。项目融资的信用结构的基础是由项目本身的经济强度以及与之有关的各个利益主体与项目的契约关系和信用保证构成的。项目融资结构以及相应的资金结构的设计和选择,必须全面地反映投资者的融资战略要求和考虑。因此,正确选项为 B。
【高频考点 20】项目融资的主要方式
【经典例题 36】采用TOT 方式进行项目融资需要设立 SPC (或SPV); SPC (或SPV)的性质是
( )。
A.借款银团设立的项目监督机构B.项目发起人聘请的项目建设顾问机构
C.政府设立或参与设立的具有特许权的机构D.社会资本投资人组建的特许经营机构
【答案】C
【解析】本题考查的是TOT 方式。SPC 或SPV 通常是政府设立或政府参与设立的具有特许权的机构。因此,正确选项为 C。
【经典例题 37】PPP 项目财政承受能力论证中,确定年度折现率时应考虑财政补贴支出年份, 并参照( )。
A.行业基准收益率B.同期国债利率C.同期地方政府债券收益率D.同期当地社会平均利润率
【答案】C
【解析】本题考查的是PPP 方式。年度折现率应考虑财政补贴支出发生年份,并参照同期地
方政府债券收益率合理确定。因此,正确选项为 C。
【高频考点 21】与工程项目有关的保险规定——建筑工程一切险
【经典例题 38】投保建筑工程一切险时,不能作为保险项目的有( )。
A.现场临时建筑B.现场的技术资料、账簿C.现场使用的施工机械
D.领有公共运输执照的车辆E.现场在建的分部工程
【答案】BD
【解析】本题考查的是建筑工程一切险。货币、票证、有价证券、文件、账簿、图表、技术资料,领有公共运输执照的车辆、船舶以及其他无法鉴定价值的财产,不能作为建筑工程一切险的保险项目。因此,正确选项为 BD。
【经典例题 39】建筑工程一切险中,安装工程项目的保险金额是该项目的( )。
A.概算造价B.结算造价C.重置价值D.实际价值
【答案】C
【解析】本题考查的是建筑工程一切险。安装工程项目的保险金额为其重置价值。因此,正确选项为C。
【高频考点 22】与工程项目有关的保险规定——安装工程一切险
【经典例题 40】一般情况下,安装工程一切险承保的风险主要是( )。
A.自然灾害损失B.人为事故损失C.社会*乱动**损失D.设计错误损失
【答案】B
【解析】本题考查的是安装工程一切险。在一般情况下,建筑工程一切险承担的风险主要为自然灾害,而安装工程一切险承担的风险主要为人为事故损失。设计错误是除外责任;社会*乱动**是总除外责任。因此,正确选项为 B。
【高频考点 23】与工程项目有关的保险规定——工伤保险
【经典例题 41】关于中华人民共和国境内用人单位投保工伤保险的说法,正确的是( )。A.需为本单位全部职工缴纳工伤保险费B.只需为与本单位订有书面劳动合同的职工投保
C.只需为本单位的长期用工缴纳工伤保险费D.可以只为本单位危险作业岗位人员投保
【答案】A
【解析】本题考查的是工伤保险。A 正确、D 错误,根据《工伤保险条例》第二条规定,用人单位应当依照本条例规定参加工伤保险,为本单位全部职工或者雇工(以下称职工)缴纳工伤保险费。BC 错误,无论劳动者与用人单位订立了书面劳动合同还是未签订劳动合同,劳动者的用工形式无论是长期工、季节工、临时工,只要形成了劳动关系或事实上形成了劳动关系的职工,均享有工伤保险待遇的权利。因此,正确选项为 A。
第六章 工程建设全过程造价管理
【高频考点 24】工程项目策划的主要内容
【经典例题 42】针对政府投资的非经营性项目是否采用代建制的策划,属于工程项目的( ) 策划。
- 目标B.构思C.组织D.控制
【答案】C
【解析】本题考查的是工程项目策划的主要内容。工程项目组织策划:对于政府投资的非经营性项目,可以实行代建制,也可以采用其他实施方式。因此,正确选项为 C。
【经典例题 43】下列工程项目策划内容中,属于工程项目实施策划的有( )。
A.工程项目组织策划B.工程项目定位策划C.工程项目目标策划D.工程项目融资策划E.工程项目功能策划
【答案】ACD
【解析】本题考查的是工程项目策划的主要内容。工程项目实施策划包括(1)工程项目组织策划;(2)工程项目融资策划;(3)工程项目目标策划;(4)工程项目实施过程策划。因此,正确选项为ACD。
【高频考点 25】工程项目经济评价的内容、方法和原则
【经典例题 44】工程项目经济评价包括财务分析和经济分析,其中财务分析采用的标准和参数是( )。
A.市场利率和净收益 B.社会折现率和净收益C.市场利率和净利润 D.社会折现率和净利润
【答案】C
【解析】本题考查的是工程项目经济评价的内容、方法和原则。项目财务分析的主要标准和参数是净利润、财务净现值、市场利率等,而项目经济分析的主要标准和参数是净收益、经济净现值、社会折现率等。因此,正确选项为 C。
【经典例题 45】与工程项目财务分析不同,工程项目经济分析的主要标准和参数是( )。A.净利润和财务净现值B.净收益和经济净现值 C.净利润和社会折现率 D.市场利率和经济净现值
【答案】B
【解析】本题考查的是工程项目经济评价的内容、方法和原则。项目财务分析的主要标准和参数是净利润、财务净现值、市场利率等,而项目分析的主要标准和参数是净收益、经济净现值、社会折现率等。因此,正确选项为 B。
【高频考点 26】工程项目财务评价
【经典例题 46】对有营业收入的非经营性项目进行财务分析时,应以营业收入抵补下列支出:①生产经营耗费②偿还借款利息③缴纳流转税④计提折旧和偿还借款本金,正常的收入补偿顺序是 ( )。
A.①②③④ B.①③②④ C.③①②④ D.①③④②
【答案】B
【解析】本题考查的是工程项目财务评价。对有营业收入的项目,财务分析应根据收入抵补支出的程度,区别对待。收入补偿费用的顺序应为:补偿人工、材料等生产经营耗费、缴纳流转税、偿还借款利息、计提折旧和偿还借款本金。因此,正确选项为 B。
【高频考点 27】投资方案现金流量表
【经典例题 47】下列投资方案现金流量表中,用来计算累计盈余资金、分析投资方案财务生存能力的是( )。
A.投资现金流量表 B.资本金现金流量表
C.投资各方现金流里表D.财务计划现金流量表
【答案】D
【解析】本题考查的是投资现金流量表。财务计划现金流量表反映投资方案计算期各年的投资、融资及经营活动的现金流入和流出,用于计算累计盈余资金,分析投资方案的财务生存能力。因此,正确选项为 D。
【经典例题 48】下列现金流量表中,用来反映投资方案在整个计算期内现金流入和流出的是
( )。
A.投资各方现金流量表B.资本金现金流量表 C.投资现金流量表
D.财务计划现金流量表
【答案】C
【解析】本题考查的是投资现金流量表。投资现金流量表以投资方案建设所需的总投资作为计算基础,反映投资方案在整个计算期(包括建设期和生产运营期)内现金的流入和流出。因此, 正确选项为 C。
【高频考点 28】概预算文件审查
【经典例题 49】审查建设工程设计概算的编制范围时,应审查的内容是( )。
A.各项费用是否符合现行市场价格B.是否存在擅自提高费用标准的情况
C.是否符合国家对于环境治理的要求D.是否存在多列成遗漏的取费项目
【答案】C
【解析】本题考查的是概预算文件审查。设计概算主要审查的内容包括概算项目是否符合国家对程建设其他费于环境治理的要求和相关规定。因此,正确选项为 C。
【经典例题 50】施工图预算审查方法中,审查速度快但审查精度较差的是( )。
A.标准预算审查法B.对比审查法C.分组计算审查法D.全面审查法
【答案】C
【解析】本题考查的是概预算文件审查。分组计算审查法。是指将相邻且有一定内在联系的项目编为一组,审查某个分量,并利用不同量之间的相互关系判断其他几个分项工程量的准确性。其优点是可加快工程量审查的速度;缺点是审查的精度较差。因此,正确选项为 C。

任何一种考试的备考都要经过从基础到强化的渐进复习、从强化到冲刺的重点归纳,再到考前的技巧抢分,没有一蹴而就的捷径,坚持和会学就是顺利通关的关键。
欢迎大家关注、私信、转发,大家共同交流。关注小张,分享更多考试干货。