
AM5SE-IS 防孤岛保护装置
AM5SE-IS 防孤岛保护装置主要适用于 35kV、10kV 及低压 380V 光伏发电、燃气发电 等新能源并网供电系统。当发生孤岛现象时,可以快速切除并网点,使本站与电网侧快速脱 离,保证整个电站和相关维护人员的生命安全。

01
功能简介

保护功能
● 三段式过流保护(可经低电压闭锁、可带方向闭锁)
● 反时限过流保护(可经低电压闭锁)
● 两段式零序 I01 过流(可带方向闭锁)/I01 反时限过流保护
● 两段式零序 I02 过流(可带方向闭锁)/I02 反时限过流保护
● 低电压跳闸
● 低电压告警
● 过电压保护(跳闸/告警)
● 零序过压保护(跳闸/告警)
● 逆功率保护
● 频率保护(低频减载/高频保护)
● 频率突变跳闸
● 有压自动合闸
● 重合闸
● 后加速过流保护(可经低电压闭锁)
● 过负荷告警
● 过负荷跳闸
● PT 断线告警
● 控制回路断线告警
● FC 回路配合的过流闭锁功能
● 非电量保护(跳闸/告警)
● 检同期
● CT 断线告警
● 检修状态闭锁
监控功能
● 独立操作回路,可适应 0.25A-5A 开关跳合闸电流 ● 20 路有源开关量输入
● 10 路无源继电器输出
● I, U, P, Q, PF, Fr, Ep, Eq 等电参量测量
● 2 路 4-20mA 变送输出
通讯功能
● 2 路 RS485 串行通讯接口,支持 Modbus-RTU、IEC60870-5-103 规约
● 2 路以太网接口,支持 TCP Modbus-RTU 和 TCP IEC60870-5-103 规约 其他功能
● 故障录波功能,保护动作时触发录波,可录故障前 8 周波、故障后 4 周波
● IRIG-B 格式对时

02
保护原理

No.1 频率保护
(1)低频减载
装置通过检测系统频率,根据系统频率的变化按用户设定的频率定值,当系统频率低于 定值时,自动切除负荷。为保证装置可靠动作,系统正常时对低频减载功能进行闭锁,当系统频率下降到一定程度时才解除闭锁。为防止系统发生负荷反馈引起装置误动,采用了低电压、欠电流和滑差闭锁。
低电压闭锁判据为:Ua 低于低电压闭锁定值,同时零序电压 3U0低于8V,或 PT 断线 时,闭锁低频减载出口。
滑差闭锁判据为:df/dt 大于滑差闭锁定值时,闭锁低频减载出口。
欠流闭锁判据为:三相电流 Ia、Ib、Ic 均低于欠流闭锁定值时,闭锁低频减载出口。
(2)高频保护
装置通过检测系统频率,根据系统频率的变化按用户设定的频率定值,当系统频率高于 定值时,自动切除负荷。保护逻辑见图 1。

图 1 高频保护逻辑
No.2 低电压保护
当三个线电压均小于低电压跳闸/告警定值时,经过延时,装置跳闸或者告警。为防止 因 PT 断线使保护误动,设置有 PT 断线闭锁。当发生 PT 断线时,装置将发出告警信号并闭 锁失压保护,该闭锁条件可选择投入或者退出。装置可以设置是否加入合位作为判断失压 的条件,此外,装置可以根据用户使用的场合选择何时解除低电压故障信息,若投入低电 压阈值投退,则装置电压小于无压定值时,保护动作即可返回,若退出低电压阈值投退, 则装置电压需恢复至正常电压,才可解除故障信息。低电压保护开放条件:三个线电压有一个大于 1.05 倍低电压定值,且延时 500ms。该条件一旦成立,低电压保护有效。
保护逻辑见图 2。

图 2 低电压保护逻辑
No.3 逆功率保护
当检测到回路有逆向电流流过且逆向功率值超过设定值时,装置经可设置延时发出逆功 率跳闸命令,停止送电。保护逻辑见图 3。

图 3 逆功率保护逻辑
No.4 过电压保护
装置设有过电压保护,当断路器处于合闸位置且装置检测到最大线电压高于过电压保护 定值时,经可设延时装置过电压保护命令,保护动作于跳闸或告警可选。 保护逻辑见图 4。

图 4 过电压保护逻辑
No.5 检同期
装置通过检测待并侧电压 Ux 和市电侧电压 Us 的电压幅值、电压频率和电压相角来实 现同期合闸功能。当两侧电压的幅值偏差、频差及角差达到允许同期的范围时,装置的 X6.1-X6.2 接点闭合,用户可将 X6.1-X6.2 接点串联接入合闸回路,即可实现手动合闸或遥 控合闸或保护合闸等时检同期。
光伏侧电压和市电侧电压的采集通道可在装置菜单中进行设置,电压幅值偏差、频差 及角差等同期判据也可在装置的定值菜单中由用户自行整定。
No.6 频率突变跳闸
装置设有频率突变跳闸功能,当线路有流,或线路有压且断路器合闸时,若频率变化率 df/dt 大于频率突变定值,装置经可设延时发出频率突变跳闸命令。

图 5 频率突变跳闸逻辑
No.7 有压自动合闸
装置设有有压自动合闸功能,当检测到市电侧电压恢复正常,频率正常,且待并侧电 压 Ux 和市电侧电压 Us 的电压幅值、电压频率和电压相角满足同期条件时,若断路器处于 分位,装置经可设延时发出有压自动合闸命令。其中,同期动作的判断条件可以选择投入 或退出,若退出,则不加入同期动作条件,仅判断市电侧电压、频率。

图 6 有压自动合闸逻辑

03
定值表

AM5SE-IS 定值表






04
接线方式


图 7 AM5SE-IS 电气接线图
AM5SE-IS 电气接线图如图 11.7 所示,包括交流输入量接线、开入开出接线、控制回路 接线、通讯接线和辅助电源接线等。
X1 端子为交流输入量端子,Ia、Ib、Ic 为保护相电流,IA、IB、IC 为测量相电流,I01、 I02 为两路零序电流接入。UA、UB、UC 为三路电压接入,U0 为外接零序电压接入。U'、 U''为备用输入。交流输入回路典型的 2PT、2CT 接线方式如图 8 所示。
选择不同的接线方式,需修改装置“定值”菜单的“定值修改”子菜单里的“电压接 线方式”设置:2PT——三相三线制;3PT——三相四线制。若用于高压并网柜,则 X.17-X1.24 接入市电电压(相电压 57.74V/线电压 100V 输入),X1.25-X1.26 接入待并侧电压(相电压 57.74V/线电压 100V 输入);若用于低压并网柜,则 X.17-X1.22 接入市电电压(相电压 220V 输入),X1.25-X1.26 接入待并侧电压(相电压 220V 输入)。
X2 端子为通信端子,共有 2 路 RS485 通信端子和一路 IRIG-B 对时输入端子。X2.1、 X2.2、X2.3 为第一路通信端子,X2.6、X2.7、X2.8 为第二路通信端子,两路通讯均支持 IEC60870-5-103 和 Modbus-RTU 通讯规约。
X4 端子为辅助电源端子,AC/DC 110V 或 AC/DC220V 通用,X4.3 为辅助电源保护地, 必须可靠连接大地。
X5 端子为开关量输入端子,共有 20 路,分为 4 组,每组有一公共端。第一组有 DI1 和 DI2,第二组有 DI3 和 DI4,第三组为 DI5-DI12,第四组为 DI13-DI20。所有开入允许接 电压 AC/DC 220V 或 AC/DC110V,同组的开入必须有相同的极性。
开入的电压接入 AC/DC110V 或 AC/DC220V,需要在订货前注明。
X6 端子为开关量输出和控制回路端子。端子号 X6.1-X6.20 开关量输出端子,共有 DO1-DO10 十路无源继电器输出接点,其中 DO9、DO10 出厂时为常闭接点,其他 8 路均为 常开接点。端子号 X6.21-X6.38 为控制回路端子,具体定义如图 11.7。十组开关量输出的具 体定义可以通过装置的“DO 类型 映射关系”界面查看。
其中控制回路中事故总信号的触发条件为:手合不成功、手分不成功、遥控分闸、保护 跳闸,若首次合闸通过遥控合闸实现,此时也会触发事故总信号闭合;如不想在遥控操作时 触发事故总信号,需将遥控分闸和遥控合闸配置到 X6.1-X6.16 中任意无源继电器输出接点, 然后分别接入 X6.31(手动分闸入口)和 X6.37(手动合闸入口),此时,事故总信号的触发 条件为:手合不成功、手分不成功、遥分不成功、遥合不成功、保护跳闸。
X7 端子为直流模拟量输出端子,共有 2 路 4-20mA 模拟量变送输出。X7.1、X7.3 为第 一路 4-20mA 输出,默认定义为保护电流 A 相二次值;X7.2、X7.3 为第二路 4-20mA 输出, 默认定义为母线电压 A 相二次值。
XB1、XB2 为以太网通讯端子,支持 TCP IEC60870-5-103、TCP Modbus-RTU 规约。该 端子为选配,若需要需在订货前说明。
XU 为 USB 维护口。

图 11.8 2PT 2CT 接线方法
05
接线方式

所有保护功能在调试过程中,当保护跳闸时,装置面板上“保护动作”指示灯点亮,对 应继电器和跳闸信号继电器出口,液晶上显示相应事件记录信息;当保护告警时,装置面板 上“告警”指示灯亮,告警信号继电器出口,液晶上显示相应事件记录信息。
06
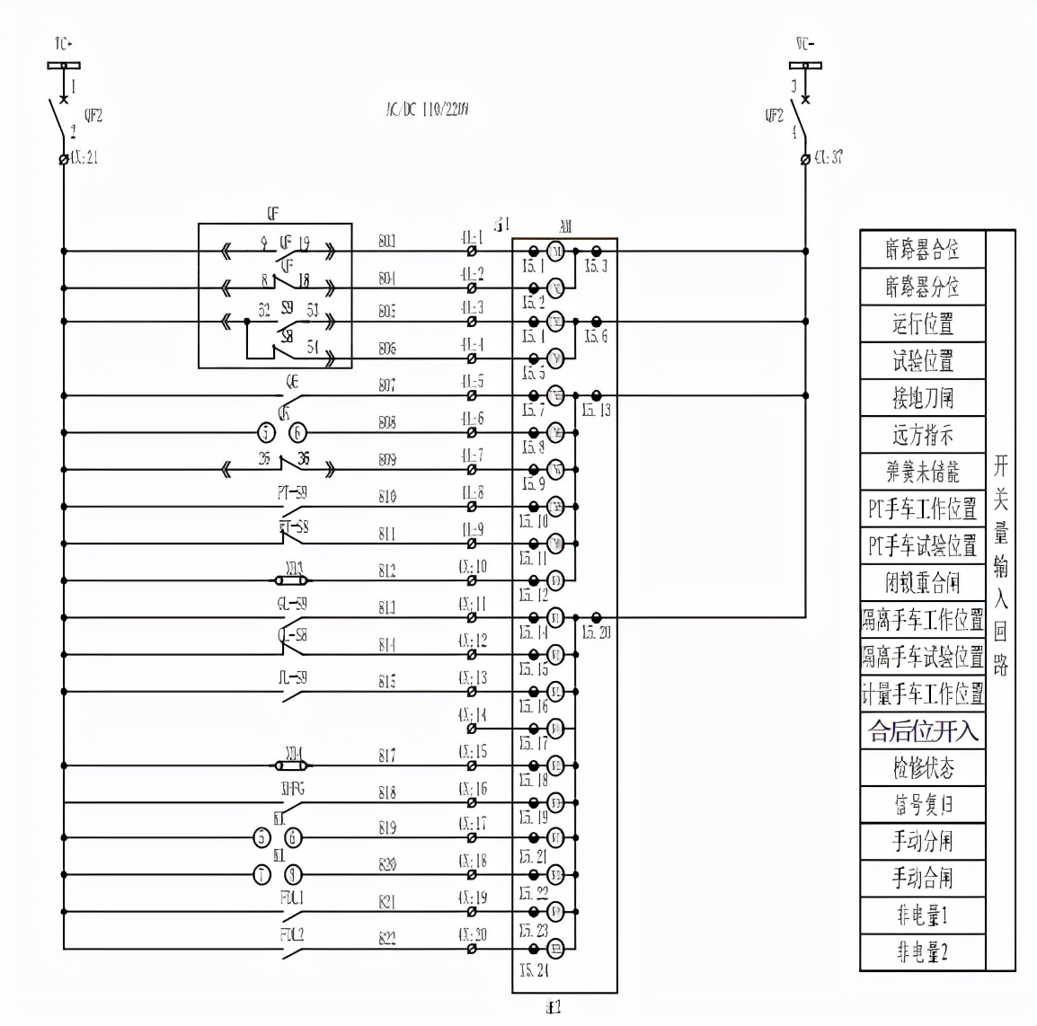
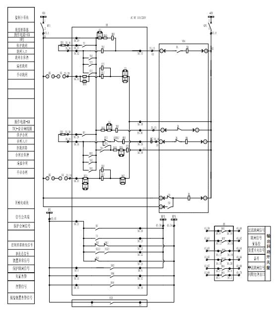
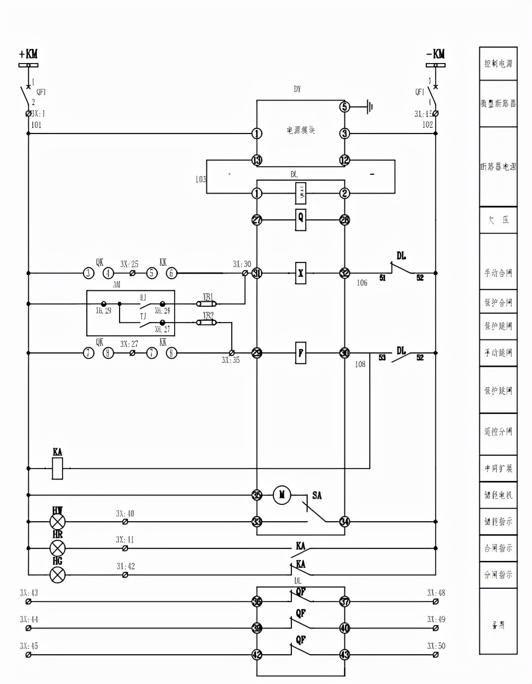
二次原理图

AM5SE-IS 防孤岛保护装置可用于高压并网柜或低压并网柜,二次接线图如图 10-14 所示。

图 10 AM5SE-IS 二次原理图(高压)(一)

图 11 AM5SE-IS 二次原理图(高压)(二)

图 12 AM5SE-IS 二次原理图(高压)(三)

图 13 AM5SE-IS 二次原理图(低压)(四)

图 14 AM5SE-IS 二次原理图(低压)(五)



