MOSFET 常用驱动电路
作者:开关电源分析
我们知道我们的电源从结构来划分的话,可以分为隔离型和非隔离型,那我们今天也将MOS所在的原理图分为隔离和非隔离两类来说明。
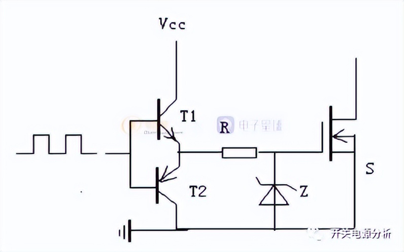
下图为不隔离的驱动电路,电路常用小功率驱动电路,简单可靠,成本低。

其中 R 为驱动限流电阻,一般为数 Ω 到十几 Ω 左右,此电阻一般用作抑制呈现 高阻抗特性的驱动回路可能产生的寄生振荡,我们在电路布线中,都会要求驱动源与其要驱动的栅极尽量靠近,这样做的目的就是以尽量减少走线引进的电感与驱动回路各部分参数共同造成的谐振。稳压管可用于稳定栅源电压及提供关断时的泄放回路。有的设计师仅用一个大阻值电阻来替代稳压管提供关断泄放回路。 由于MOSFET为电压型驱动器件,当其关断时,漏源两端的电压的上升会通过结电容在栅源两端产生干扰电压,上图电路不能提供负电压,固其抗干扰性较差,如果有条件的话可以将其中的地换成 -Vcc ,以提高抗干扰性及提高关断速度。
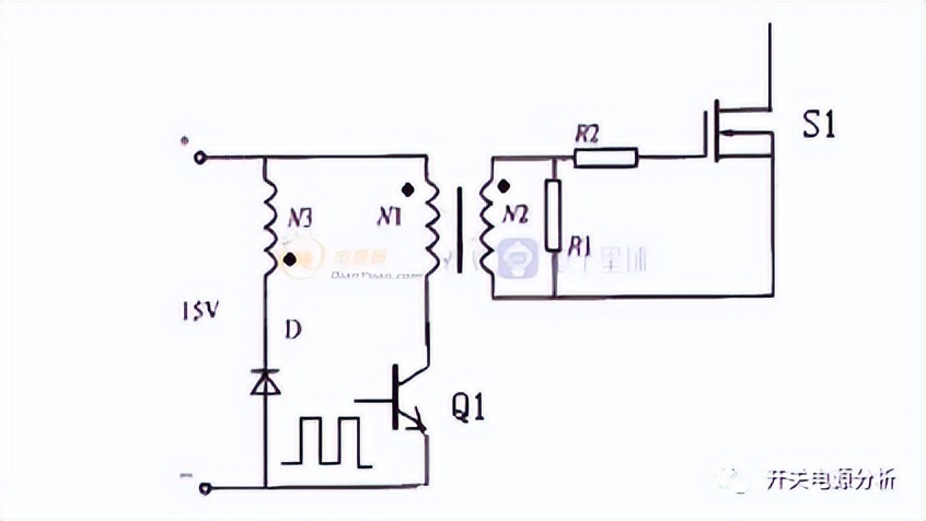
下图为隔离驱动电路中:

图中N3 为去磁绕组, S1 为要驱动的功率管。R2 为防止功率管栅源电压振荡的 一个阻尼电阻。R1 为正激变换器的假负载,用于消除关断期间输出电压发生振荡而误导通,并作为 MOSFET 关断时的能量泄放回路。
该电路虽然简单,只需单电源即可启动,但由于变压器副边需要一个较大的防振荡电阻,所以会导致该电路消耗较大;如果脉宽较窄时,由于储存的能量减少导致 MOSFET 关断速度变慢的缺点。
下图为互补驱动,

V1 、V2 互补工作,电容 C 起隔离直流的作用 .
电路具有电气隔离作用; 该电路只需一个电源,隔直电容 C 的作用在关断时提供一个负压,从而加速了 功率管的关断,有较高的抗干扰能力。
我们要注意当占空比D 较小时,负电压较小,正向电压高,应不要超过栅源允许电压; 当占空比D 增大时,正向电压降低,负电压升高,应使其负电压不要超过栅源允许电压……
原文链接:https://www.dianyuan.com/eestar/article-5994.html
基于输入阻抗控制的多模式(变频DCM和定频CCM)的控制与思考
作者:杨帅锅
在之前我对输入阻抗控制的PFC控制方法进行了思考和学习,并建立了仿真模型,并在试验样机上测试波形,认为这个控制方法简单可靠性适应于电网能力较强,算是还不错的方法。但是在最近一段时间的研究上我看到固定频率控制的CCM PFC的应用场景越来越受到限制,大家更看重轻负载的效率和ithd等参数。正如大家看到的MPS的HR1211, NXP的TEA2017, ON的NCP1655,等国际大厂都提出他们的实现方法和控制IC。同时我也一直在思考这种控制方法的实现。
可以参考TEA2017的控制策略,他可以在AC周期以CF DCM/VF DCM/QR/CCM等多个模式来进行无缝跨越,能在不同的负载情况下实现高效率和低谐波失真。

实际测试:


上面是NXP的实现,下面是我的一些只言片语的想法,从普通的CCM和DCM的波形来看,因为DCM的平均值和CCM的计算方法不同,所以固定频率控制的PFC在高压轻负载时的DCM工况时,itdh会明显下降。可见下图所示:下图中黄色是电流,紫色是电流的平均值……
原文链接:https://www.dianyuan.com/eestar/article-5972.html
嵌入式设备AP配网实例分享
作者:嵌入式大杂烩
下面我们来简单分享基于阿里生活物联网平台的AP配网实例。
一、安装公版手机APP
我们使用公版的手机APP进行配网,再云平台上简单配置之后,可以扫码安装:

二、配置AP模式的环境
无论使用什么云平台,平台给我们提供的设备SDK中,都不会是完整的AP配网功能,比如板子如何进入AP模式,这个SDK是不管的,需要我们去适配。
嵌入式Linux设备,要开启无线接入点需要准备如下四个文件:
- hostapd:一个用户态用于AP和认证服务器的守护进程。
- hostapd.conf:hostapd配置文件,包含无线AP的名称、密码等信息。
- udhcpd:dhcp拨号的服务器端。
- udhcpd.conf:udhcpd配置文件,配置网关地址及IP地址的范围。
三、适配AP配网接口
配网功能阿里有给我们留出接口,我们需要适配这些配网接口。比如我这里使用设备AP配网,需要适配的接口如……
原文链接:https://www.dianyuan.com/eestar/article-6002.html
频率钳位的CRM/DCM PFC控制方法学习和思考
作者:杨帅锅
最近一直在学习多模式的PFC控制策略,本文是NCP1605的的学习笔记。下面是它的简单介绍,这个控制器提出频率钳位DCM控制方法,同时使用DCM补偿可以优化在轻负载的thd,确实是值得学习和研究。

在const on time control的CRM PFC上,在轻负载和AC过零点附近会出现较高的开关频率,这能恶化轻负载效率是需要改善的方向。其示意图可见:

如果钳位住CRM的最大开关频率,则可以自动让系统工作在DCM模式,但是存在的问题是DCM的电流波形的平均值计算方法和CRM的不一致,为了优化DCM情况的ithd则需要考虑去补偿DCM的电流。可见:

S1 电流补偿:可知,CRM的电流平均值为ipk/2,而DCM则是Ipk*(ton+toff)/(ton+toff+td)。所以如果要让DCM的电流平均值与CRM一致就需要把td时间考虑进去,因此需要抓到Td时间在tsw内的占比,然后用除法换算进去即可实现,这也是ncp1605的控制思想……
原文链接:https://www.dianyuan.com/eestar/article-5971.html
开关电源环路学习笔记1:为啥要知道传递函数?
作者:硬件工程师炼成之路
问题
比如下面我想过的问题:
1、开关电源有开关,根本就不是一个线性系统,传递函数是咋弄出来的?2、系统环路框图的输入量为什么不是Vin,而是参考电压Vref?参考电压不是固定的吗?

3、穿越频率为什么要低于开关频率?并且是它的几分之一?
当然,问题有很多,以上只是随便列几个。
我看的很多资料,大都是这样的:上来就列出传递函数,包括功率级和补偿级,然后一型,二型补偿,画出对应的波特图,相位等,然后给出一些结论,再举一些实际计算的例子。
总之,看完总不觉得不那么清晰,你要说不会吧,我照着套公式自然好像还行。但是你要说会吧,我觉得我是不会的。
为什么看不懂?
那为什么有这种感觉呢?
我想了一下,我觉得是讲课的人和听课的人没有先达成一个共识。
就是当我们说明某一件事情时,大家先有一个共识,有一个共同的基础,然后在这个基础共识上面进一步扩展,得到一个新的结论。但是如果没有共同的基础,那很容易就成了鸡同鸭讲了。
举个简单的例子,比如一个直角三角形,如果说两直角边分别长3和4,那么斜边长度就是5,大家对这个应该都没有什么疑问。没有疑问的原因就是因为我们有一个基本的共识,那就是勾股定理。如果一个不知道勾股定理的人,可能就会问,你凭啥说斜边是5,他就是不懂的。
环路之所以难懂,我觉得应该是基础共识太高了,一般人都不知道,而讲的人又不管你知不知道这个基础共识,所以就出现了似懂非懂,看不明白的情况。
我的目标
我目前的想法是,尽量从一个比较低的起点,大家都知道的共识,一步一步搞明白环路,这样大多数人就都能明白了,我自己也能理解得更加透彻。
不过这也就会造成要写很多内容,因为要构建基本的共识,所以我可能要写很多内容。
传递函数
我们分析开关电源环路,自然就需要知道整个电路的传递函数。
为啥说要自然要知道传递函数呢?为了照顾下没啥基础的兄弟,我还是先来说一说传递函数是什么,有什么用(建立比较低的共识基础)。
首先,传递函数是怎么定义的呢?
百科是这么定义的:

通俗理解就是,在电路应用中,如果我们把一个电路看作黑匣子,它有输入端,有输出端,传递函数就是输出与输入的比值。需要注意,这个电路得是一个线性电路。

这个比值通常是频率的函数,同时还包含相位信息。s=jw,w就是频率,j包含了相位信息……
原文链接:https://www.dianyuan.com/eestar/article-5999.html
更多精彩内容,尽在电子星球 APP(https://www.eestar.com/)
宝藏半导体技术文章合集,送你!
来囤超超超多的技术仿真实例啦!
PWM搞不定,读完此文得心应手
快速入门PWM的技术难点,从此开始!