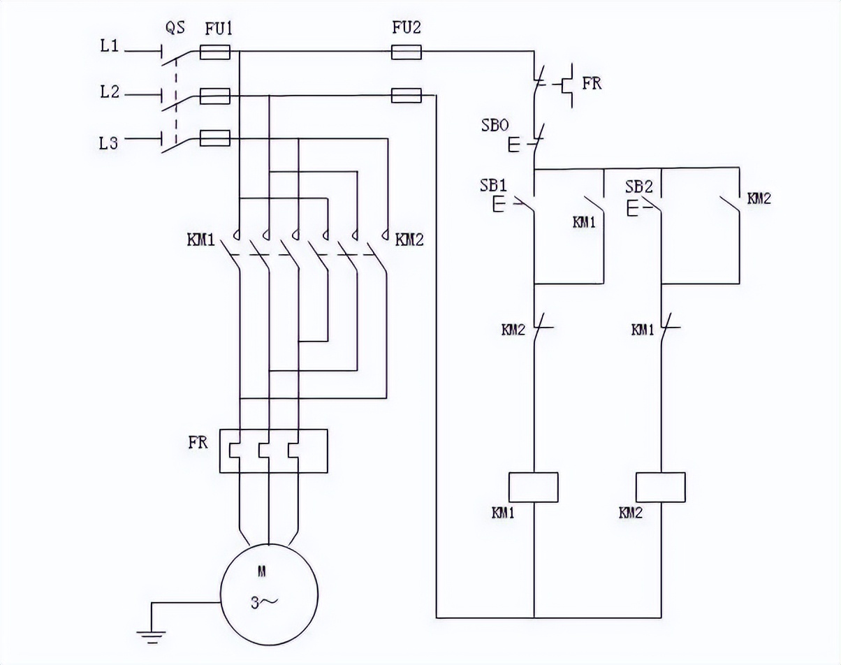
作为一个电工,必须要搞懂的一门课程就是电机正反转,在此我拿出一张电机正反转的图纸给大家参考,参考!

图纸说明:
L1、L2、L3——火线 QS——闸刀开关
FU1、FU2——熔断器 KM1、KM2——接触器
SB0——停止按钮 SB1、SB2——启动按钮
FR——热继电器 M——电机
工作原理:
正转过程
当按下正转启动按钮SB1后,电源相L1通过熔断器FU1,FU2再经过热继电器FR的动断接点、停止按钮SB0的动断接点、正转启动按钮SB1的动合接点、反转交流接触器KM2的常闭辅助触头、正转交流接触器线圈KM1,使正转接触器KM1带电而动作,其主触头闭合使电动机正向转动运行,并通过接触器KM1的常开辅助触头自保持运行。
反转启动过程
当按下反转启动按钮SB2后,电源相L1通过熔断器FU1,FU2再经过热继电器FR的动断接点、停止按钮SB0的动断接点、正转启动按钮SB2的动合接点、反转交流接触器KM1的常闭辅助触头、反转交流接触器线圈KM2,使反转接触器KM2带电而动作,其主触头闭合使电动机正向转动运行,并通过接触器KM2的常开辅助触头自保持运行。
正反转原理:
电机反转只需要更换相序便可,而图纸中正是更换KM1、KM2的主触头的相线来实现的。
要点:
1、在正(反)转时串联反(正)转接触器的常闭触头是为了防止误动作KM1和KM2同时吸合而造成短路。
2、熔断器可以用合适的空气开关来代替。如果使用空气开关,可以不需要闸刀。
3、图中使用的接触器为380伏的,如果使用220伏的接触器,只需要将接触器线圈的一头接火线,另一头接在零线上便可。
如果大家还有啥不明白的,可以留言!