上文书分享了机械图纸·每日一符:基准要素 控制框,描述了基准要素控制框应用于规则要素的方式方法。
今天分享应用于不均匀或扭曲基准要素的基准目标。
基准目标是基准系统的一部分,可以从不均匀或扭曲表面、局部表面建立可重复的基准。
基准目标是描述用于建立基准的基准要素模拟器符号。
符号
根据功能不同,可分为基准目标、可移动基准目标

基准目标

可移动基准目标
根据基准目标模拟器的不同,可分为点、线、面

基准点

基准线

基准面
应用场景
- 当完整表面不能作为基准要素时,考虑采用基准目标。
比如,铸件、锻件、不规则形状工件、塑料件、大型结构件以及焊接件等,这些工件通常没有一个规则平面作为基准要素;
- 当基准要素可能扭曲或弯曲时,可能导致与基准要素模拟体接触不稳定,考虑采用基准目标;
- 当只有局部要素被用于在工件功能时,可考虑采用基准目标。
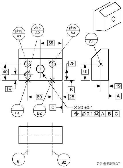
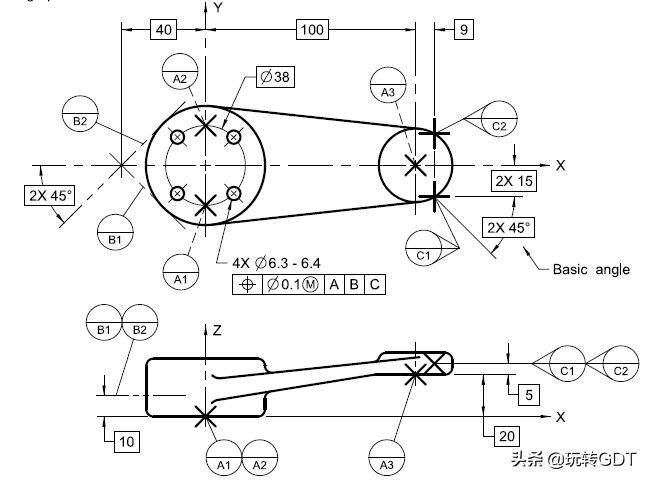
应用示例

可移动基准目标
基准目标通常由基本尺寸定位,是静止的;而当基准目标用于尺寸要素RMB、调用基准移动符号时,需要考虑采用可移动基准目标。
当指定了可移动基准目标符号,表示基准要素模拟体的位置是可以移动的。
移动方向:
默认情况下,移动方向为工件表面的法向;
若为非法向,需要标注移动方向。


可动基准点目标符号,是ASME Y14.5-2009版中的新符号,不过应用场景还是有些让人困惑?小伙伴们有不同的见解,可以在下方评论,或私信,共同交流!
免责声明
文中部分图片来源于网络,如有版权问题请联系作者删除!