1.控制柜内电路的一般排列和标注规律
为便于检查三相动力线布置的对错,三相电源L1、L2、L3在柜内按上中下、左中右或后中前的规律布置。L1、L2、L3三相对应的色标分别为黄、绿、红,在制作电气控制柜时要尽量按规范布线。
二次控制电路的线号,一般的标注规律是:用电装置(如交流接触器)的右端接双数排序,左端按单数排序。二次控制电路的线号编排如图1所示。
动力线与弱点信号线要尽量远离,如传感器、PLC、DCS集散控制系统、PID控制器等信号线,如果不能做到远离,要尽量垂直交叉。弱电线缆最好单独放入一个金属桥架内,所有弱电信号的接地端都在同一点接地,且与强电的接地分离。

图1 二次控制电路的线号编排
2.电动机起停控制电路
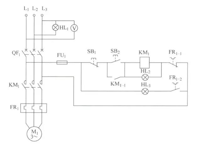
该电路可以实现对电动机的起停控制,并对电动机的过载和短路故障进行保护,电动机起停控制电路如图2所示。

图2 电动机起停控制电路
在图2中,L1、L2、L3是三相电源,信号灯HL1用于指示L2和L3两相电源的有无,电压表V指示L1和L3相之间的线电压,熔断器FU1用于保护控制电路(二次电路)避免电路短路时发生火灾或损失扩大。合上断路器QF1,二次电路得电,按下起动按钮(绿色)SB2,交流接触器KM1的线圈通电,交流接触器的主触点KM1的辅助触头KM1-1闭合,电动机M1通电运转。由于KM1-1触头已闭合,即使起动按钮SB2抬起,KM1的线圈也将一直有电。KM1-1的作用是自锁功能,即使SB2抬起也不会导致电动机的停止,电动机起动运行。按下停止按钮SB1,KM1的线圈断电,KM1-1和KM1触头放开,电动机停止,由于KM1-1已经断开,即使停止按钮SB1抬起,KM1的线圈也仍将处于断电状态,电动机M1正常停止。当电动机内部或主电路发生短路故障时,由于出现瞬间几倍于额定电流的大电流而使断路器QF1迅速跳闸,使电动机主电路和二次电路断电,电动机保护停止。当电动机发生过载时,电动机电流超出正常额定电流一定的百分比,热继电器FR1发热,一定时间后,FR1的常闭触头FR1-1断开,KM1线圈断电,KM1-1和KM1主触头断开,电动机保护停止。KM1线圈得电时,HL2指示灯亮说明电动机正在运行,KM1的线圈断电后HL2灯灭,说明电动机停止运行。当FR1发生过载动作,常开触头FR1-2闭合,HL3灯亮说明电动机发生了过载故障。假设上述的三相交流电动机M1的功率3.7kW,额定电流为7.9A,工作电压为AC380V,则3.7kW电动机起停控制电路元件清单见表1。
表1 3.7kW电动机起停控制电路元件清单

3.电动机正、反转控制电路
该电路能实现对电动机的正、反转控制,并有短路和过载保护措施。电动机正、反转控制电路如图3所示。

图3 电动机正、反转控制电路
在图3中,接触器KM2线圈吸合后,因为将L1和L3两相电源线进行了对调,实现了电动机的反转运行。信号灯HL1指示电源线L3和零线N之间的相电压。按下正转起动按钮SB2,交流接触器KM1线圈得电吸合,主触头KM1和常开辅助触头KM1-1闭合,电动机M1正向运转。KM1的常闭辅助触头KM1-2断开,此时即使按下反转起动按钮SB3,由于KM1-2的隔离作用,交流接触器KM2的线圈也不会吸合,KM1-2起安全互锁作用。电动机正向起动后,反向控制交流接触器KM2触头不会吸合,避免了由于KM1和KM2的触头同时吸合而出现电源线L1和L3直接短路的现象。按下停止按钮SB1,交流接触器KM1断电,主触头KM1和辅助触头KM1-1断开,KM1-2闭合,电动机M1停止运行。按下反向起动按钮SB3,交流接触器KM2的触头吸合,主触头KM2和辅助触头KM2-1闭合,由于KM2将电源线L1和L3进行了对调,电动机M1反向运转,KM2的常闭辅助触头KM2-2断开,KM1的线圈电路断开,此时即使正向起动按钮SB2按下,KM1也不会吸合,KM2-2起安全互锁作用。当电动机或主电路发生短路故障时,几倍于电动机额定电流的瞬间大电流使断路器QF1立即跳闸断电。当电动机发生过载故障时,热继电器FR1的常闭触头断开,使KM1或KM2断电,从而使电动机停止。图3中1、2、3、4、5、7、9、11、13为电路连接标记,称为线号,同一线号的电线连接在一起。线号的一般标注规律是:用电装置(如交流接触器线圈)的右端按双数排序,左端按单数排序。假设上述的电动机功率为15kW,则15kW电动机正、反转控制电路元件清单见表2。
表2 15kW电动机正、反转控制电路元件清单

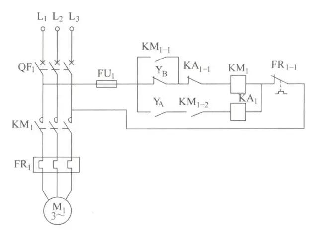
4.电动机自耦减压起动控制电路
在有些场合,如果供电系统中的电力变压器容量裕度不大,或是要起动的电动机的功率在该电源系统中所占比重较大,一般要求电动机的起动要有减压起动措施,避免因电动机直接起动时电流太大造成电网跳闸,减压起动的目的就是为了减少电动机的起动电流。一般在电动机设备独立供电或用电设备较少的情况下,18kW以上的三相交流电动机就需要减压起动;如果大量电气设备工作在同一电网中时,280kW的三相交流电动机可能不需要减压起动。
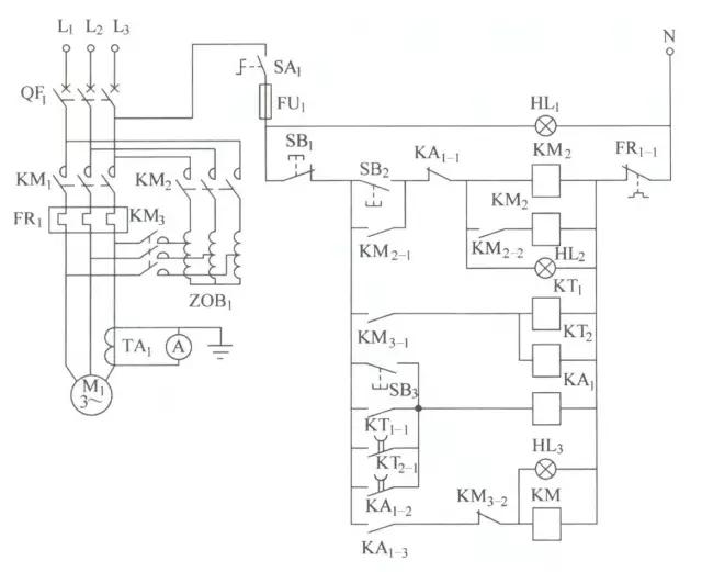
常见的75kW以下三相交流电动机的自耦减压起动控制电路如图4所示。

图4 常见的75kW以下三相交流电动机的自耦减压起动控制电路
在图4中,SA1为电源控制开关,按下起动按钮SB2,KM2、KM2-1、KM3触头吸合,接触器KM2触头吸合给自耦减压变压器通电,随后接触器KM3触头吸合,自耦减压变压器65%(或85%)的电压输出端接到电动机M1上,电动机在低电压下开始起动运行,KM3-1触头吸合后延时继电器KT1开始计时,延时一定时间后,KT1-1触头吸合,中间继电器KA1的线圈得电,KA1-2触头闭合,KA1自保持,KA1-1断开,KM2和KM3线圈断电断开,KM3-1断开,KT1断电断开,KA1-3触头闭合,KM3-2闭合,KM1吸合,交流电动机M1全压运行,至此电动机进入正常运行状态。在图4中,交流表A通过电流互感器TA1随时检测电动机上L3相的交流值,在减压起动过程中,如果发现起动电流已接近额定电流时,也可由人工按下全压切换按钮SB3,提前是把电动机切换到全压运行。延时继电器KT1和KT2的时间设定,以电动机从起动开始到起动电流接近额定电动机的时间为基础,一般不会超过30s。KT2的作用是在KT1出现故障时仍能断开KM2和KM3线圈,切换到KM1运行,一般情况下,KT2可以不要。HL1为电源指示,HL2为减压起动指示,HL3为正常运行指示。以45kW三相交流电动机为例,45kW电动机自耦减压起动控制电路元件清单见表3。
表3 45kW电动机自耦减压起动控制电路元件清单


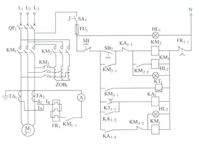
图5 电动机自耦减压起动电路
图5的原理与图4差不多,需要提醒的是当电动机电流大于160A时已经没有这么大的热继电器,这时要利用电流互感器TA1、TA2和0~5A小功率的热继电器FR1组成电动机过载保护电路。电动机M1的三相电流IU、IV、IW相量之和为零,即IA+IB+IC=0,得IB=-(IA+IC),所以图5中两个电流互感器的电流之和等于中间相的电流。让该电流三次流过热继电器FR1的主端子,产生与三相电流全接入时同样的发热效果,减压起动时KM1-1不吸合,热继电器内不通过起动电流,正常运行后触头KM1-1吸合,热继电器投入运行,电流表A指示中间相的电流值。注意电流互感器要和电流表配对使用,如电流互感器为100/5的,那么电流表就应该选择5/100的,使电流表直接显示电动机的实际电流值。以132kW电动机为例,132kW电动机自耦减压起动控制电路元件清单见表4
表4 132kW电动机自耦减压起动控制电路元件清单

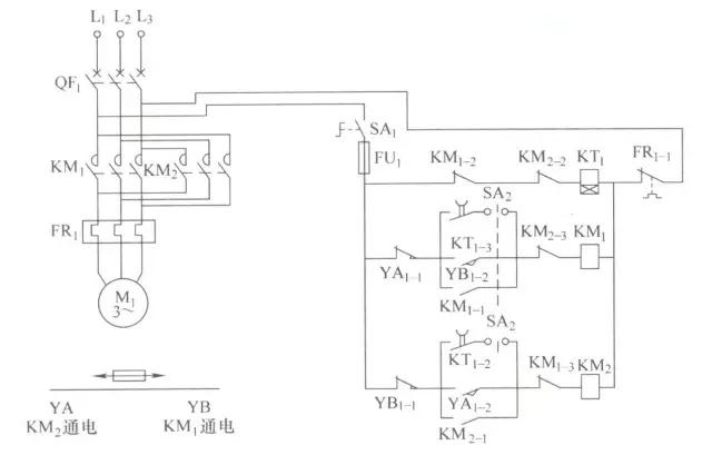
5.电动机星—三角形减压起动电路
三相交流电动机有星形联结和三角形联结两种接法,如图6所示。一般小功率的电动机为星形联结,大功率的电动机为三角形联结。对于需要减压起动的大功率电动机,把三角形联结改为星形联结时,由于绕组上的电压由原来的AC380V降低为AC220V,所以起动电流将有较大的降低,三相交流电动机星—三角形减压起动电路如图7所示

图6 三相交流电动机的星形和三角形联结

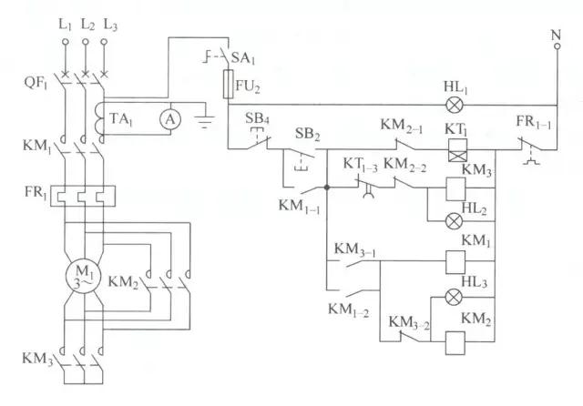
图7 三相交流电动机星—三角形减压起动电路
在图7中,SA1为电源控制开关,按下起动按钮SB2,KM3、KM3-1触头吸合,KM1吸合并自保持,延时继电器KT1延时开始,电动机为星形联结通电,绕组上的电压为AC220V,电动机开始起动运行,电动机绕组的线电压为AC220V,绕组工作在低电压下,延时继电器KT1延时一定时间后,KT1-1触头断开,KM3断电,KM3-2闭合,继电器KM2线圈通电,交流电动机变为三角形联结,绕组电压工作在AC380V,KM2自保持,KM2-1断开,KM2-2断开,KT1断电断开,至此电动机进入正常运行状态,在图7中,过载时FR1断开,KM1和KM2断电,电动机断电。电流表A通过电流互感器TA1检测电动机L3相的电流,HL1为电源指示,HL2为减压起动指示,HL3为正常运行指示。以电动机功率等于75kW为例,75kW电动机星—三角形减压起动电路元件清单见表5。
表5 75kW电动机星—三角形减压起动电路元件清单

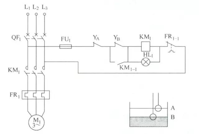
6.水箱和压力容器自动上水电路
水箱水位低于某一位置时,水泵电动机起动向水箱送水;水箱水位高于某一水位时,电动机停机。水箱自动上水电路如图8所示。

图8 水箱自动上水电路
在图8中,三相电源用L1、L2、L3来表示,YA是高液位传感器(例如UQK型)的常闭触头,YB是低液位传感器的常闭触头。当水箱液位低于最低液位时,YA和YB都闭合,KM1吸合,电动机起动,水泵向水箱送水,KM1-1吸合;当水箱液位高于最低液位时,YB触头断开,由于KM1-1的自保持作用,KM1依然吸合,电动机继续运转;当液位高于最高液位时,YA触头断开,KM1断电断开,YB和KM1-1都断开。随着水箱向外供水,液位下降,当低于最低水位时,又重复上述过程。
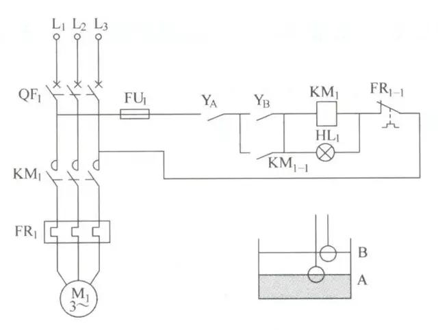
上述电路稍加变动即可用于储气压力容器的压力控制,例如要求压力容器的压力低于某一压力值B时,电动机带动气压机运转给压力容器充气,压力容器压力高于某一压力值A时,电动机停止。压力容器自动上水电路如图9所示。

图9 压力容器自动上水电路
在图9中,L1、L2、L3代表三相电源,YA和YB是电接点压力表(例如YX-150型)的触头。YB是低压触头,压力低于低压设定值时,触点吸合;高于低压设定值时,触点断开。YA是高压触头,压力高于高压设定值时,触头吸合;低于高压设定值时,触头断开。低压动作值和高压动作值在电接点压力表上设定。合上断路器QF1,如果压力容器内的压力低于最低压力值,常闭触头YB闭合,交流接触器KM1线圈通电,空压机的电动机M1运行,KM1-1、KM1-2触头吸合;当压力高于低压设定值时,YB触头打开,由于KM1-1的自保作用,KM1继续吸合;当压力高于高压设定值时,YA触头吸合,KA1继电器线圈通电,KA1-1断开,继电器KM1线圈通电,电动机M1停止运行,KM1-1和KM1-2断开,继电器KA1线圈通电。
7.污水自动排放电路
污水液位高于某一液位时,排污泵电动机自动运行;污水液位低于某一液位时,排污泵电动机自动停止运行。污水自动排放电路如图10所示。

图10 污水自动排放电路
在图10中,YA是低于液位传感器的常开触头,液位低于最低液位时YA打开,液位高于最低液位时YA闭合。YB是高液位传感器的常开触头,当液位高于最高液位时,YB闭合,KM1吸合,电动机M1运行,排污泵将污水抽出,由于KM1-1闭合,即使污水液位低于最高液位YB断开,KM1依然吸合,排污泵继续运行;当液位低于最低液位时,YA触头断开,KM1断电,排污泵电动机M1停止运行。
8.电动机自动往复运行电路
在机床控制中,经常会要求电动机能带动工件,做往复运动,当工件到达一个方向的极限位置时,要求电动机反向运行,工件到另一个方向的极限位置时,要求电动机再做正向运动,以此往复不停运动,直到工件加工完毕。如用电气电路实现,电动机自动往复运行电路如图11所示。

图11 电动机自动往复运行电路
在图11中,YA1-1和YA1-2是一端的限位开关(例如YBLX-19)YA的常闭触头和常开触头,YB1-1和YB1-2是另一端限位开关YB的常闭触头和常开触头,延时继电器KT1设定为5s。合上断路器QF1,合上电源开关SA1,转换开关SA2(例如LW6)转到-45°,选择优先向左运动,假设工件开始处于中间某一位置,由于YA1-2和YB1-2常开触头处于断开状态,KM1和KM2不吸合,电动机不动作,KM1-2和KM2-2闭合,延时继电器KT1通电,5s时间后KT1-1闭合,KM1吸合,电动机先向左运行,KM1-1闭合,KM1自保持,KM1-2断开,KT1断电,KT1-1断开。当电动机到达限位开关YA时,YA1-1断开,KM1断电,电动机停止,YA1-2闭合,KM2吸合,电动机向右运动;当工件到达限位开关YB时,YB1-1断开,KM2断电,电动机停止运动;YB1-2闭合,KM2-3闭合,KM1吸合,电动机向左运动,以此往复运动。开关SA1断开,电动机彻底停止运动,当SA2旋转+45°,选择优先向右运动,过程基本相同。
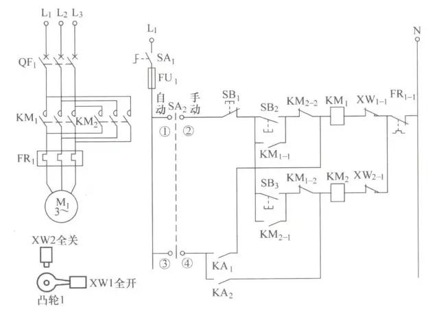
9.电动阀门控制电路
在液体与气体输送场合,有时需要用电动阀对流体的流动进行控制,按下打开阀门按钮,阀门电动机朝打开方向运动,阀门全开后,电动机自动断电;按下关闭阀门按钮,阀门电动机朝阀门关闭方向运动,阀门全关后,电动机自动断电。任何时间只要按下停止按钮,电动机马上停止。电动阀门控制电路如图12所示。

图12 电动阀门控制电路
在图12中,①、②、③和④为转换开关SA2的端子,将SA2转到“手动”位置时,①和②接通。按下阀门打开按钮SB2,KM1吸合,电动机M1带动涡轮蜗杆运行,凸轮1顺时针运动,当凸轮1运动到“开”位置时,阀门全开,按下限位开关XW1,XW1-1断开,电动机自动停止;按下阀门关阀按钮SB3时,KM2吸合,L1和L3对调,电动机M1反向运行,凸轮1逆时针运动,当凸轮1运动到“关”位置时,阀门全关,按下限位开关XW2,XW2-1断开,同时电动机停止运行。任何位置只要按下停止按钮SB1,无论KM1还是KM2都将断电,电动机M1停止运行。将功能切换开关SA2转到“自动”位置时,①和②断开,③和④接通,上述的手动按钮SB1、SB2和SB3不再起作用。PLC的KA1和KA2触头控制阀门的开、关和停。KA1闭合,阀门打开;KA2闭合,阀门关闭;KA1和KA2均断开,阀门停止运动。
10.定时自动往返喷淋车电控电路
在农业领域,也有很多需要实现自动化的地方,如每隔几个小时给胚芽均匀喷淋一次,如果采用人工操作,劳动强度虽然不大,但是由于人体生物钟的作用,在凌晨以后的几次浇水,往往不能很好地完成,一是喷淋的均匀程度,二是准时性都不好保证。采用自动控制的方法,就十分简单。为了降低成本,我们可以选用一些家用电器上的常用的控制元件,控制电路如图13所示。

图13 控制电路
图13中,利用洗衣机进水电磁阀DCF控制进水,利用洗衣机电动机M正反线圈交替通电实现小车左右行走喷淋。图13中,YA1和YA2是限位开关YA的常闭触头和常开触头,YB1和YB2是限位开关YB的常闭触头和常开触头。工作过程:合上电源SA,定时器KT通电,用按键设定每天的开关机时间,4h给控制电路通电一次,每次开机的时间为30min,KT通电后,电源指示灯HL亮,假设工件开始处于中间某一位置,由于YA2和YB2常开触头处于断开状态,KM、KM1和KM2不吸合,KM的常闭触点导通,小车电动机M向右动作;当小车到达右边限位开关YB时,YB2闭合,YB1断开,KM和KM1吸合,KM的常开触点导通,小车电动机向左运动;当电动机到达左边限位开关YA时,YA1断开,KM和KM1断电,KM的常闭触点导通,小车电动机M向右动作,YA2闭合,KM2吸合;当小车到达右边限位开关YB时,YB2闭合,YB1断开,KM和KM1吸合,KM的常开触点导通,小车电动机向左运动;重复以上动作。控制电路元件清单见表6。
表6 控制电路元件清单

11.机柜照明
有一些电控柜要求在门打开时(或是夜间)能提供照明,如果采用荧光灯照明,日光灯照明电路如图14所示。

图14 荧光灯照明电路
在图14中,照明电路由荧光灯管、辉光启动器、镇流器和开关组成。当我们需要从两个地方都能进行开关照明灯时,其电路如图15所示。

图15 两个地方都能开关照明灯的电路
在图15中,S1和S2分别是安装在两处的两个开关。当S2在①位置上时,在S1位置的人通过把S1开关扳到不同的位置就可以随意开关照明灯HL。S1扳到①位置上时,等HL亮,S1在②位置上时,HL灯灭,S1位置的人可以正常开关灯。如果S2在②位置上,则S1位置的人把S1扳到②位置上时照明灯HL亮,S1扳到①位置时HL灯灭。
在S2位置的人控制电灯的原理同S1位置的原理一样。