
接口名称:MIPI
英文全称:Mobile Industry Processor Interface
中文:移动工业处理器接口
标准维护:MIPI联盟/MIPI Alliance(2003年成立)
当前规范:www.mipi.org
主要内容:分为MIPI M-PHY、D-PHY及C-PHY。M-PHY是Gear 1速率可达1000MHz的物理层。
MIPI联盟的胃口很大,其标准几乎把所有与移动设备有关的接口都包含了,所以整个MIPI标准接口是一个系列标准,包括Audio、Camera&Imaging、Chip-to-chip/IPC、Control&Data、Debug&Trace、Display&Touch、Physical Layers and Software Integration ,etc.感兴趣的可以访问其主页mipi.org了解详情。当然,完整的了解与学习这些标准与规范需要很多时间。这里主要摘录一些常用的接口规范,例如物理层、显示DSI&DSI-2、摄像头控制CSI-2&CSI-3、I3C、REFE、UniPro和Soundwire(or Soundwire I3S)等等。
关于物理层Physical Layer当前版本有:
- M-PHY (v4.1, Mar.2017) --差分物理层,主要为UFS接口应用设立。
- C-PHY (v2.0, Sep.2019) 对应于 CSI-2和DSI-2
- D-PHY (v2.5, Oct. 2019) 对应于CSI-2和DSI-2
- A-PHY ---针对Automotive(即将推出 )

说明:它是一种数字化视频/音频接*技口**术,适合影像传输的专用型数字化接口,可同时传送音频和影像。
一、接口结构
1.1 M-PHY 接口
M-PHY分为低速模式和高速模式两种,它们的差分阻抗为100欧,采用8b/10b编码。


M-PHY分为TYPE I和TYPE II。
TYPE I不要求参考时钟,可以使用PWM的共享时钟而TYPE II要求使用参考时钟。
M-PHY根据速率又分为LS(Low Speed低速)和HS(High Speed高速)两大类,在HS时,TYPE I和TYPE II的信令机制是一样的;但在LS时,TYPE I使用PWM,而HS使用单独的共享参考时钟。TYPE I和TYPE II的区别见下表1.1。TYPE I使用PWM(脉冲宽度调制)调制,而TYPE II使用NRZ(non-return to zero 非归零码)编码。

表1.1 MIPI M-PHY Type-I和Type-II的差异
HS分为G1、G2、G3及G4等4个等级,而每一个Gear又分为Rate A和Rate B两个等级.如下表所示。
M-PHY HS模式传输速率表:
High speed Gear Rate A(Mbps) Rate B(Mbps)
HS_Gear 1 1248 1485
HS_Gear 2 2496 2915
HS_Gear 3 4992 5830
HS_Gear 4 9984 11661
LP(low power低功耗)分为8个等级,M-PHY LP模式传输速率如下表:
LP_Gear Data rate(Gbps)
0 0.01~3
1 3~9
2 6~18
3 12~36
4 24~72
5 48~144
6 96~288
7 192~576
时钟弹性机制:M-PHY既可以工作在Mesochronous时钟模式,也可工作在Plesiochronous时钟模式.需要注意的是,Plesiochronous模式仅支持TYPE I。其参考时钟为19.2、26、38.4和52MHz等.
图1.2 MIPI M-PHY Type-1和 Type-II接口模式对比
能耗比较:

图1.3 MIPI M-PHY状态能耗比较


图1.4 M-PHY 状态和突发传输的典型应用
1.2 D-PHY
2线差分串行接口。同样也用于数码摄像头和高清显示器件,CSI作为Camera接口,DSI作为显示屏接口。 一般时钟差分比和数据差分对分开,如下图所示(4个数据差分对和一个时钟差分对,总共10根线)。D-PHY具有低成本、低功耗、源同步和高速等4个特性,使其特别适合于移动终端设备的应用。其采用主—从结构和双向-单工结构。其中时钟信号为单向,由主至从;而数据可以是单向或双向,取决于需要传输的内容,并通过TOKEN(令牌)来决定方向(在半双工时,反向传输带宽为正向传输带宽的1/4),其速率范围是80~1000 Mbps.低功耗模式时,其最大速率为10Mbps.其编码采用8b/9b;自D-PHY V2.1 开始就可以支持每对差分线速率达4.5Gbps,总共4对差分线速率可达18Gbps。


MIPI D-PHY采用主从结构的方式,采用源同步的机制,Data相对于Clock以DDR(Double Data Rate)方式进行数据传输,保持正交相位关系以确保在接收端可靠的建立和保持时间裕度。通常来说数据以单一方向传输,也支持双向传输模式,比如CSI, DSI标准采用单一方向传输。D-PHY可传输的距离最长为25~30cm或54cm/√ε(ε为介电常数)。

因为考虑到移动产品设计的功耗问题,MIPI D-PHY总线的操作模式除了正常的高速(HS, High Speed)信号传输状态之外,还定义了低速率传输--即低功耗模式(LP, Low Power)用于进行控制指令的操作。在HS模式时信号采用差分逻辑,差分信号电压摆幅约为200mV;在LP模式时采用单端逻辑,高电平约为1.2V。另外,MIPI D-PHY也定义了一种可选的低功耗脱离模式(Low Power Escape Mode),只用LP的Data信号进行数据的异步传输。

操作模式包括高速、控制和脱离模式,如下面表格描述。

D-PHY信号接口结构:
当处于HS模式时,发射端采用差分驱动模式;当不处于HS模式时,接收端ZID端接(差分输入阻抗100 Ω)要关闭。当在接收端Dp和Dn同时低于VTERM-EN(最大450mV)时,接收端再打开ZID端接。如下图所示。

当处于LP模式时,发射端使用推挽式(Push-Pull)驱动方式,并且斜率可控,以降低EMI的影响;接收端使用非端接且单端的输入电路,在每一路上侦测信号的高低状态,接收端需要有良好的设计以规避毛刺和RF干扰信号。 如下图所示。

从上述的HS和LP模式,发射端和接收端的模型可以看到,首先HS差分模式下,有一定共模电压;另外,在HS和LP模式下,接收端的端接模式分别为100 Ω和悬空。
1.3 C-PHY
C-PHY之前称为3相D-PHY,3线串行接口,发送用单端,接收用差分,也就是一个通道Lane需要3根信号线。编码效率2.28bit/symbol,使用LP(Low Power)模式。主要用于数码摄像头和高清显示器件。其传输数据速率可达2.5GSym/s (effective data rate of ~5.7Gbps)。一般情况下,Camera会用到3对通道Lane,但是也有使用到5个通道的可能性(比较先进的手机);V2.0 C-PHY则宣称每对差分对可以达到6Gsps(2.28b/s),即每Lane(通道)传输速率可达13.7Gbps,9根线(三对Lane通道,每Lane通道为三根线)总速率则为41.1Gbps,

发射机采用单端逻辑,而接收机采用差分逻辑。
二、工作原理
2.1 D-PHY接口
D-PHY接口包括LPS(Low Power低功耗)和HS(High Speed高速)两种速率模式。



D PHY要求比特误码率BER<10exp(-12).一个D PHY包括一对时钟差分对和1~4个数据差分对。
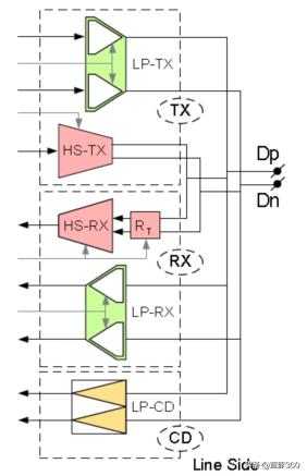
一个D-PHY设备内部大致包括(如下图所示):
a High-Speed Transmitter (HS-TX)
a High-Speed Receiver (HS-RX)
a Low-Power Transmitter (LP-TX),
a Low-Power Receiver (LP-RX)
a Low-Power Contention Detector (LP-CD)

图2.3 一个D-PHY收发机的内部功能示意图
数据速率:80Mbps~1Gbps(HS模式);800Kbps~10Mbps(LP模式)
HS模式高电平范围:+150 mV~+450 mV
HS模式低电平范围:-17 mV~ 217 mV
LP模式高电平范围:800 mV ~ 3.3V
LP模式低电平范围:–100 mV~ +100 mV





2.2 M-PHY
M-PHY使用差分对传输数据,其编码格式为8B/10B。它也包括高速、低速和低功耗等模式,同D-PHY一样。差分阻抗为100 OHM。
三、应用设计
对于我们而言,MIPI接口最常用的就是DSI-2(Display Serial Interface)和CSI-2(C -amera Serial Interface),当然也可能会用到DigRF.下面就介绍一下DSI和CSI的应用设计。
CSI-2(当前版本为v3.0-Sep,2019)预计2020年Q1会推出v4.0.它可以支持1080P、4K、8K甚至更高分辨率的视频或图像。CSI已经被淘汰,而CSI-3则应用在M-PHY物理层上。
DSI-2 (当前V1.1),最长传输距离可达18英寸(约为18*25mm=450mm).传输层基于VESA VDC-M and VESA DSC标准,需要MIPI DCS(Display Command Set)配合使用。
DSI和DSI-2最大的区别是DSI-2可以使用C-PHY,而DSI不行,只能使用D-PHY。


基于实际的需要,连接两个D-PHY设备之间一般采用微带线Micro-Stripline或带状线Stripline . D-PHY采用1对源同步的差分时钟和1~4对差分数据线来进行数据传输。数据传输采用DDR方式,即在时钟的上下边沿都有数据传输。D-PHY的物理层支持HS(High Speed)和LP(Low Power)两种工作模式。HS模式下采用低压差分信号,功耗较大,但是可以传输很高的数据速率(数据速率为80M~1Gbps); LP模式下采用单端信号,数据速率很低(<10Mbps),但是相应的功耗也很低。两种模式的结合保证了MIPI总线在需要传输大量数据(如图像)时可以高速传输,而在不需要大数据量传输时又能够减少功耗。
这里主要介绍PCB LAYOUT注意事项如下:
- 差分对内的两根线距离至少保持2倍PCB板材厚度。
- 差分对之间要用地或电源进行隔离处理以减少耦合。
- 参考地与信号线之间尽可能接近。
- 两个D-PHY设备之间的互连之直流电阻应小于5 OHM,而接地电阻要小于0.2 OHM。
DSI接口发送机与接收机之间的接口示意图。图中,Host Device主机作为DSI发送机可以是高HS发送机、LP发送机和LP接收机,Peripheral外设作为DSI接收机,可以是HS接收机、LP接收机和/或LP发送机(仅双向传输时有效)。它们有1对时钟差分比以及1~4对数据差分对。DSI接口支持Command模式和Video模式两种。

CSI接口发送机与接收机之间的接口示意图。图中,Camera作为CSI发送机和一个CCI(Camera Control Interface)接口的从机,基带或应用处理器作为CSI接收机和一个CCI接口的主机。它们有一对CCI(兼容于I2C接口)接口和1对时钟差分比以及1~4对数据差分对。

四、测试验证
4.1 MIPI D-PHY的信号质量测试
MIPI D-PHY的信号质量的测试方法主要参考MIPI协会发布的CTS (D-PHY Physical Layer Conformance Test Suite)。
D-PHY物理层信号质量测试包括接收器S参数符合性测试、接收器物理层符合性测试和发射器物理层符合性测试三大类。
要进行MIPI信号质量的测试,首先要选择合适带宽的示波器,按照MIPI协会的要求,测试MIPI的信号质量至少需要4GHz带宽的示波器。为了提高测试的效率,测试中推荐采用4支探头分别连接clk+/clk-和data+/data-信号进行测试,对于有多条Lane的情况可以每条Lane分别测试。对于MIPI模组或芯片的测试可以根据MIPI协会推荐的方法设计评估板TVB(Test Vehicle Board)并结合协会提供的RTB(Reference Termination Board)进行信号测试。

MIPI的测试包括HS信号(Data, Clock)的电气特性测量,LP信号(Data, Clock)的电气特性,Data全局操作(Global Operation,可以理解为模式转换),Clock全局操作,HS模式下Data和Clock的时序测量等等。
Keysight推荐的MIPI D-PHY信号质量测试推荐的测试配置如下:
² 宽带示波器:DSO9404A
² MIPI D-PHY信号质量测试软件:U7238A信号一致性测试选件
² 复杂信号分离软件:N5415B InfiniiScan选件
² MIPI D-PHY 协议触发和解码软件:N8802A CSI/DSI解码选件
² 有源探头放大器:1132A×4
² 探头放大器前端附件:E2669A×4
归纳成两大类:电气特性测量和时序测量
u 电气参数测量
电气参数主要包括差分/共模电压,边沿时间等参数测量,关于这些参数,MIPI规范里有专门的定义。
共模电压VCMTX:测量DP和DN之间的共模电压,这个电压通常为200mV,极限范围应该在150mV和250mV之间;
共模失配VCMTX(1,0):测量在差分1状态和差分0状态下,共模电压的差异。
为了降低EMI的影响,MIPI规范对这些参数有明确的要求。而且为了降低MIPI信号对于手机里的射频信号的影响,MIPI规范也明确了在450MHz以上共模波动电压必须要小于15mVrms ;在50MHz到450MHz之间共模波动电压必须小于25mVrms。
测试时,示波器一致性测试软件必须通过加入巴特沃兹IIR高通和带通滤波器来完成这两个参数的测量。MIPI 的HS信号信号摆幅本身就很小在200mV,共模噪声也就在25毫伏以下,所以要求测量示波器的本底噪声也尽可能的小,这样才能保证测量结果的信噪比更高或者说提高测量结果的裕度。
对于从事MIPI CSI/DSI的芯片和外围模块开发的用户来说,需要的是能够全面地验证被测件的功能及在各种可能出现的情况下的表现,这仅仅依靠示波器里提供的信号质量分析和协议解码功能就不太够,此时就需要全套的MIPI CSI/DSI 的协议分析和信号激励方案(Keysight提供):
² 16800/16900系列逻辑分析仪:生成复杂的CSI/DSI的数据包,并对捕获到的数据包进行解包分析;
² N4861B MIPI CSI/DSI数据激励模块:把逻辑分析仪产生的数据包按CSI/DSI的信号格式和电平送给被测件;
² N4851B MIPI CSI/DSI协议分析模块:用于捕获实际CSI/DSI数据线上的信号并送给逻辑分析仪进行数据解析。
下面两图分别为显示屏DSI总路线测试和摄像头CSI总线测试的示意图。


CLK的模式转换时序


Data的模式转换时序参数波形图
Data和CLK的时序关系:Data以源同步的机制进行信号传输,在发射端Data和CLK有一定skew(斜率)的要求,接收端Data和CLK要有一定的建立保持时间的要求,详见下表要求。

示波器软件通过CLK和Data重建Data眼图,通过直方统计图测量左右两个交叉点的分布,从而测量出来Data和Clock的skew,这种统计的方法可以找到最差的结果,可以保证测量结果的可靠性。
测量MIPI的探头探测方法
MIPI D-PHY有LP和HS两种状态,LP的信号为单端模式,HS为差分模式,另外在规范里规定了HS信号的共模参数的指标以及不同频率范围内共模电压的波动值,以及模式转换的测量,所以从探头上要采用单端探头测量CLK+ / CLK-,以及Data + / Data -.
规范推荐使用4个探头,分别探测Data Lane +/-, CLK +/-,这样可以使用一致性测试软件一次性完整测试,但为了节约成本,也可以选用3个探头探测,在测量Data HS模式信号的参数及时序相关参数时,CLK可以使用差分探头测试,DP/DN使用两个单端探头分别测试,测量CLK的模式转换也需要3个探头,需要改换连接CLK +/-分别探测,再连接一个Data信号。具体的连接方式,U7238A测试软件会给出完整的图示连接指南,按照推荐的探测方式探测。
测试夹具端接和非端接
根据前面所说,MIPI分为HS和LP两种模式,因为端接方式的差异,所以在测试时也要考虑到这些问题,测量HS信号要端接100欧姆,LP信号是没有端接测量。分两种情况
1. 如果用户是做处理器芯片或摄像头芯片模组测试发射端信号的性能,需要准备两种测试夹具在两种模式下切换端接。
2. 如果用户做的系统级测试,因为测试环境里接收端包括端接电路,所以不用特别去考虑端接,使用探头焊接在电路上进行信号的测量。
对于端接夹具MIPI官方有专门的参考端接板如下图所示,用户也可以自己制作端接夹具(100欧姆端接及无端接两种接口,以及测量LP信号斜率及边沿时间是要求的load)使用手动方式进行测试,如果是这种夹具可以考虑在板上做标准的2.54mm插座或SMA接口,用Keysight E2678A或者N5380A探头前端进行测试。
4.2 MIPI M-PHY的信号质量测试
MIPI M-PHY在HS测试内容上 有一些比较大的更新,比如说要包括眼图的测量,Tj和Dj的测量,共模功率谱测量等等。以下是按照M-PHY的测试规范要求的一些测试项目:
• Test 1.1.1 – HS-TX Differential DC Output Voltage Amplitude (VDIF-DC-xA-xT-TX)
• Test 1.1.2 – HS-TX Transmitter Eye Opening(TEYE-TX)
• Test 1.1.3 – HS-TX Maximum Differential AC Output Voltage Amplitude (VDIF-AC-xA-xT-TX)
• Test 1.1.4 – HS-TX Common Mode Output Voltage Amplitude (VCM-xA-TX)
• Test 1.1.6 – HS-TX Lane-to-Lane Skew (TL2L-SKEW-HS-TX)
• Test 1.1.7 – HS-TX Slew Rate (SRDIF-TX)
• Test 1.1.10 – HS-TX Intra-Lane Output Skew (TINTRA-SKEW-TX)
• Test 1.1.11 – HS-TX Transmitter Pulse Width (TPULSE-TX)
• Test 1.1.12 – HS-TX Total Jitter (TJTX)
• Test 1.1.13 – HS-TX Deterministic Jitter (DJTX)
• Test 1.1.14 – HS-TX Short-Term Total Jitter (STTJTX)
• Test 1.1.15 – HS-TX Short-Term Deterministic Jitter (STDJTX)
• Test 1.1.17 – HS-TX Transmitter Frequency Offset (fOFFSET-TX)
从测试的内容来看很接近传统的高速串行信号的测试方法,规范里也定义了一致性测试码型CRPAT(一致性随机码型)和CJPAT(一致性抖动测试码型),前者主要针对发射信号的抖动等参数测量,后者主要为了验证接收端的PLL或者时钟恢复的加压测试。
关于MIPI接口物理层参数的测试与验证,MIPI联盟制定了专门的CTS(Conformance Test Suite),参考相应的CTS就可以完成物理层符合性的测试。
MIPI M-PHY CTS rev. 1.0
作为MIPI组织授权的认证测试机构UNH-IOL,负责开发MIPI测试方法和发布一致性测试规范,对MIPI产品进行规范的认证测试,从他们官方提供的测试报告实例来看,可以明确看到他们MIPI D-PHY的测试采用的是安捷伦的示波器,可以从下面的链接*载下**相关的测试规范及测试实例。 https://www.iol.unh.edu/services/testing/mipi/testsuites.php
测试示波器的要求:
为了保证MIPI信号的能够准确测量: MIPI D-PHY一致性测试规范标准(V1.0)要求示波器带宽至少为4G; MIPI M-PHY的一致性测试规范(V 0.84),对于G1/G2/G3的标准要求带宽至少为5GHz /10GHz /20GHz,这个带宽标准如何而来的呢,我们以Gear 3的5.8304Gbps为例: UI (unit interval 位宽) = 1/5.8304G = 171.5ps
根据规范里的要求,20%~80%上升/下降时间最小为10% UI,推算最小上升/下降时间为17.15ps,那么示波器为了准确测量边沿时间需要的带宽(10%测量误差) BWscope = 0.4/17.15 ps = 23.3 GHz,如果要求3%的测量误差,需要的带宽要更高。
一个完整的测试DSI和CSI的示意图如下所示。
