1.日光灯照明与两控一灯一插座线路

日光灯照明与两控一灯一插座线路
里面包含②单相电表的接线,两个⑨和一个⑩是一灯双控的接线,⑤⑥⑦⑧为日光灯的接线。这个电路非常的实用,是家装照明控制的经典案列。
2.线绕式异步电动机控制线路

线绕式异步电动机控制线路
转子绕组上串联电阻来改变电机的机械特性,从而实现小电流启动、增大启动转矩及调速的目的。利用了三个时间继电器和三个接触器相互配合,启动时,串入多级电阻然后分段切除。电机的转速会逐级提高,最后达到额定转速稳定运行。
3.三相四线电度表带互感器电路图

三相电表接线
三相四线电表的接线要点:1、4、7接互感器的K1,3、6、9接互感器的K2并连一起做接地保护,2、5、8接UVW三相电源,11为零线。
4.星/三角降压起动控制线路

星三角启动
经典的星三角降压启动,虽然比不上软启动,但是应用还是很广的。一个主接触器,一个星接触器,一个角接触器。通过时间继电器,实现自动转换的目的。
5.双重联锁正、反转控制线路

正反转电路
电机的正反转电路相来应用广泛,双重互锁提高了电路的安全性。2个接触器组成的电气互锁和2个启动按钮组成的机械互锁。
6.电动机单向两地控制线路

异地控制
异地控制相对来说非常简单,要点就是:启动按钮并联,停止按钮串联。
7.电动机点动、 连动 控制

点动加自锁
这个是基础电路,SB2按下去KM吸合自锁,SB3是点动按钮。
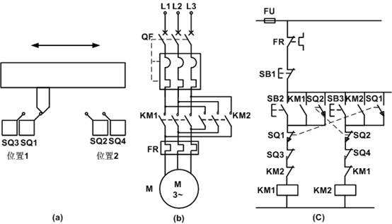
8.自动往返控制电路

自动往返电路
自动往返电路和双重互锁电路其实是类似的,限位开关的触点和按钮开关的触点类似。所以两个行程开关机械互锁加两个接触器电气互锁。
这是8个比较经典的电路,你搞懂了几个?

欢迎留言点评
(图片采集自网络)