漏电保护器基本知识
一、漏电保护器的作用
漏电保护器RCD(漏电保护开关)是一种电气安全装置,将漏电保护器安装在低压电路中,当发生泄漏电流、人体触电等非金属性单相接地故障,且达到所限定的动作电流值时,漏电保护器就立即在限定的时间内动作,自动断开电源进行保护。
漏电保护器主要是提供间接接触保护,在一定条件下也可用作直接接触的补充保护,对可能致命的触电事故进行保护;漏电保护器能及时切断电气设备运行中的单相接地故障,防止因漏电引起的电气火灾事故。
二、漏电保护器的分类
漏电保护器常按不同的方式分类,以满足使用的选型。
1、按动作方式
分为电压动作型和电流动作型。
2、按动作机构
分为开关式和继电器式。
3、按极数和线数
分为单极二线、二极二线、二极三线、三极三线、三极四线、四极四线等。
4、按动作灵敏度
1)高灵敏度:漏电动作电流在30mA以下;
2)中灵敏度:漏电动作电流30~1000mA;
3)低灵敏度:漏电动作电流在1000mA以上。
5、按动作时间
1)快速型:漏电动作时间小于0.ls;
2)延时型:动作时间大于0.1s,在0.1~2s之间;
3)反时限型:随漏电电流的增加,漏电动作时间减小。当等于额定漏电动作电流时,动作时间为0.2~1s;1.4倍动作电流时为0.1~0.5s;4.4倍动作电流时小于0.05s。
三、漏电保护器的结构
漏电保护器是由检测元件、脱扣机构、放大器及主开关等元件组成。
1、检测元件
漏电保护器的检测元件是零序电流互感器,主要由冷轧硅钢片和坡莫合金制成,一般制成圆形或方形。一次绕组通以各相电流,铁芯上绕若干匝线圈作为二次绕组,由二次绕组输出检测信号。
2、脱扣机构
脱扣机构是漏电保护器的判断元件,根据零序电流互感器的输出信号或放大以后的信号,经过分析处理后作出是否动作的判断。当需要动作时,就推动主开关的操作机构,使主开关动作切断电源。按其结构原理,可分为吸合式和释放式两种。
1)吸合式
吸合式脱扣器在正常工作状态时,衔铁处于打开位置,当线圈中有激磁电流通过并且达到整定值时,衔铁被迅速吸合,同时带动和衔铁相连的打击臂,利用打击臂在衔铁吸合时的机械冲击力,使开关销脱扣,该脱扣器的灵敏度较低,一般适用于电子式漏电保护器。
2)释放式
释放式脱扣器在正常工作状态时,衔铁在直流磁通的吸力作用下克服弹簧的反作用力,保持在与衔铁接触的吸合面。当漏电保护器所保护的电路中有触电、漏电电流时,零序电流互感器的二次绕组就有感应电压输出,使脱口器线圈中有电流流过,其产生的交流磁通方向与直流磁通方向相反,从而抵消了部分衔铁吸合面的吸力,当漏电电流足够大时,衔铁就在弹簧的反作用力下被释放,从而迅速打击开关的销扣,使主开关跳闸。该脱扣器的灵敏度较高,适用于电磁式漏电保护器。
3、放大元件
1)零序电流互感器二次绕组的输出信号很小,一般都在1mVA以下,当漏电保护器电流容量较大时,由零序电流互感器的二次输出信号直接通过脱扣器来驱动脱扣的方式往往不能满足要求。因此,有些漏电保护器就增加了一个放大元件,这种漏电保护器叫电子式漏电保护器。电子式漏电保护器的工作过程是利用放大信号去推动中间继电器,再由中间继电器接通控制电源,使吸合式脱扣器动作切断电源。
2)在零序电流互感器二次绕组与脱扣器之间没有放大元件,这种漏电保护器叫电磁式漏电保护器。电磁式漏电保护器的工作过程是零序电流互感器二次绕组和断路器中的脱扣线圈相连,当穿过零序电流互感器环形铁芯的线路上有触电、漏电电流流过并达到整定值时,使主开关动作跳闸。电磁型漏电保护器在气候干燥、土壤电阻率较大的地区会降低动作灵敏度。
四、漏电保护器的工作原理
当电气设备发生漏电时,会出现两种异常现象:一是三相电流的平衡遭到破坏,出现零序电流;二是正常时不带电的金属外壳出现对地电压。将漏电保护器安装在线路中,一次线圈与电网的线路相连接,二次线圈与漏电保护器中的脱扣器连接。当用电设备正常运行时,线路中电流呈平衡状态,互感器中电流矢量和为零,由于一次线圈中没有剩余电流,所以不会感应二次线圈,漏电保护器的开关装置处于闭合状态运行;当设备外壳发生漏电并有人触及时,则在故障点产生分流,此漏电电流经人体-大地-工作接地,返回变压器中性点(并未经电流互感器),致使互感器中流入、流出的电流出现了不平衡(电流矢量和不为零),一次线圈中产生剩余电流感应二次线圈,当这个电流值达到该漏电保护器限定的动作电流值时,自动开关脱扣,切断电源。
1、单相漏电保护器的工作原理

如上图所示,当电气设备绝缘良好、正常工作时,流入用电设备的电流和从用电设备流出的电流相等,这样在检测元件电流互感器环形铁芯中所感应的磁通量等于零,此时电流互感器的二次线圈没有感应电压输出,漏电保护器不动作。
当用电设备绝缘损坏发生漏电时,漏电电流将通过PE线、接地线或通过人体流回电源中性点,这样电源的两根导线的电流将不同,来的电流大,回去的电流小,这个电流差将在检测元件电流互感器的环形铁芯中感应磁通,在二次线圈上感应电压,这个电压将加在漏电保护器的脱扣线圈上,当漏电电流达到规定动作值时,脱扣线圈推动脱扣器使漏电保护开关动作,迅速断开电源,从而达到保护目的。为了使漏电电流有足够的脱扣驱动力,可在互感器二次线圈输入端加一级电子放大器。
2、三相三极漏电保护器工作原理

如上图所示,三相三极漏电保护器用于支线上保护三相用电设备。当电气设备绝缘良好,电路正常工作时,无论三相负载是否平衡,各相电流的相量和等于零,各相工作电流在检测元件电流互感器环形铁芯中所感应的磁通相量和也等于零。此时电流互感器的二次线圈没有感应电压输出,漏电保护器不动作。
当被保护支路电气设备损坏或有其他接地漏电故障时,将有一部分电流经PE线、接地线或通过人体流回中性点,这样三相电流的相量和不等于零,互感器环形铁芯中所感应的磁通相量和也不等于零。此时在检测元件电流互感器的二次线圈上感应电动势经放大器放大后,加在漏电保护器的脱扣线圈上,当漏电电流达到额定漏电动作电流时,推动脱扣器动作,使主开关迅速切断电源。
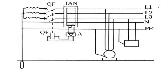
3、三相四极漏电保护器工作原理

如上图所示,三相四极漏电保护器用于保护干线和保护整个供电系统,漏电保护器用于TN系统中,从安装漏电保护装置的地点起,TN-C系统改为TN-S系统,即保护零线PE必须工作零线N严格分开,使供电系统成为TN-C-S系统。安装时应注意将相线和工作零线N穿过漏电保护装置的互感器,但不可将保护零线PE穿过电流互感器。在电气设备绝缘良好、正常工作时,无论负载三相是否平衡,穿过电流互感器的电流相量和为零。此时工作电流在电流互感器环形铁芯中所感应的磁通相量和也等于零。互感器的二次线圈上没有感应电压输出,漏电保护器不动作。
当被保护的电气设备,无论是三相设备还是单相设备绝缘损坏发生漏电时,将有一部分电流经PE线或通过人体流回中性点,使穿过互感器中的电流相量和不等于零,互感器环形铁芯中所感应的磁通相量和也不等于零。此时在电流互感器的二次线圈上将产生感应电压,经放大后加在漏电保护器的脱扣线圈上。当漏电电流达到额定动作电流值时,推动脱扣器动作,使主开关迅速切断电源。
五、漏电保护器的技术参数
漏电保护器的技术参数有额定漏电动作电流、额定漏电动作时间、额定漏电不动作电流,其他参数还有电源频率、额定电压、额定电流等。
1、额定漏电动作电流
在规定的条件下,使漏电保护器动作的电流值。例如30mA的漏电保护器,当通入电流值达到30mA时,漏电保护器即动作断开电源。
2、额定漏电动作时间
指从突然施加额定漏电动作电流起,到保护电路被切断为止的时间。例如30 mA×0.1s的保护器,从电流值达到30 mA起,到主触头分离止的时间不超过0.1s。
3、额定漏电不动作电流
在规定的条件下,漏电保护器不动作的电流值,一般应选漏电动作电流值的二分之一。例如漏电动作电流30mA的漏电保护器,在电流值达到15mA以下时,漏电保护器不应动作,否则因灵敏度太高容易误动作,影响用电设备的正常运行。
4、其他参数
如电源频率、额定电压、额定电流等。
六、漏电保护器的选用
1、按使用目的选用
1)以防止人身触电为目的,安装在线路末端,选用高灵敏度,快速型漏电保护器。
2)以防止触电为目的,与设备接地并用的分支线路,选用中灵敏度、快速型漏电保护器。
3)用以防止由漏电引起的火灾和保护线路、设备为目的的干线,应选用中灵敏度、延时型漏电保护器。
2、按供电方式选用
1)对于电源变压器中性点不接地的供电系统,应选用电压动作型漏电保护器。
2)对于电源变压器中性点接地的供电系统,应选用电流动作型漏电保护器,并且两相邻分支线路应有各自的专用中性线。
3)单相220V电源供电的电气设备,应选用单极二线或二极二线漏电保护器。
4)三相三线式380V电源供电的电气设备,应选用三极三线漏电保护器。
5)三相四线式380V电源供电的电气设备,应选用三极四线或四极四线漏电保护器。
6)在选定漏电保护器的极数时,必须与被保护线路的线数相适应。漏电保护器的极数是指内部开关触头能断开导线的根数,如三极漏电保护器,是指开关触头可以断开三根导线,而单极二线、二极三线、三极四线的漏电保护器,均有一根直接穿过漏电检测元件而不断开的中性线,在保护器外壳接线端子标有“N”字符号,表示连接工作零线,此端子严禁与PE线连接。
7)应当注意:不宜将三极漏电保护器用于单相二线(或单相三线)的用电设备,也不宜将四极漏电保护器用于三相三线的用电设备,更不允许用三极三线漏电保护器代替三极四线漏电保护器。
七、漏电保护器的安装
1、安装前的检查
1)安装前应检查低压系统的对地绝缘电阻。
2)安装前必须检查漏电保护器的铭牌标志和使用说明书。
3)安装前检查漏电保护器的极数、额定电压、额定电流、额定漏电动作电流的分断时间等参数是否与所选定的一致。
4)安装前检查漏电保护器的合闸性能。可在不接通电源的情况下,将漏电开关合上,用万用表R×1挡测量触头的接触电阻应为零。
2、安装场所
1)新、改、扩建工程和重大工程项目使用的各类低压用电设备、插座以及现有的用电设施和用电设备,对触电、防火要求较高的场所和触电危险性大的用电设备,均应安装漏电保护器。
2)对新制造的低压配电柜(箱、屏)、操作台、试验台及机床、起重机械、各种传动机械等机电设备的动力配电箱,应优先采用带漏电保护的电气设备。
3)建筑施工场所、临时线路的用电设备、除III类外的手持电动工具和移动式生活用电器,以及其它移动式用电设备,必须安装漏电保护器。
4)潮湿、高温、金属占有比例大及其它导电良好的场所,其用电设备必须安装独立的漏电保护器。
5)漏电保护器应安装在无腐蚀性气体、无强磁场干扰、无爆炸危险的场所,并应注意防潮、防尘、防振和防止阳光直射。
3、安装位置
漏电保护器在用电线路里的位置,除了装在电气设备内部的情况,原则上须装设在分配电盘的电源侧或分配电盘内。安装在电源进户处时,可装在电度表或总闸刀的后面,安装前应先断开电源。
1)装在线路干线上
保护范围大,但动作电流大,故障后停电范围大,故障点不易查找。
2)装在分支线路上
动作电流小,故障后停电范围小。
3)同时装在干线和支线上
上下两级漏电保护器的额定电流之比为2.5~3.0,上级漏电保护器的动作时间较下级动作时间增加一个动作级差,约为0.2s。
4、安装方向
有的漏电保护器性能会随着安装方向的不同而有所变化,应注意具有过电流脱扣特性的接地、过载兼短路保护的电磁式漏电保护器,会随着安装角度的不同而影响其产品性能。漏电保护器一般是以竖向或横向安装在与地面相对垂直的面上。
5、安装方法
1)通有工作电流的导线包括工作零线在内,均应通过漏电保护装置的零序电流互感器。但必须注意的是工作零线必须采用绝缘导线,并且不能兼作保护零线,否则将会引起误动作。
2)使用漏电保护装置后,被保护设备的金属外壳仍应采用保护接地或保护接零,以确保安全。

3)如上图(a)所示,漏电保护装置的保护专用零线及保护专用接地线不应通过零序电流互感器,以免丧失其漏电保护功能;如上图(b)所示,对于重复接地,不允许接在装置的负载端,只能接在电源端。下图为漏电保护装置常见的错误接法。

6、安装接线
1)对标有“电源”和“负载”的漏电保护器,安装接线必须加以区别。电源进线应接在漏电保护器的上方,即外壳标有“电源”或“进线”的一方;出线应接在下方,即标有“负载”或“出线”的一方。
2)对于单相三极和三相四极产品,中性线要连接在产品指定极上。
3)在电源、负载线路连接的端子处,连接必须紧固可靠。
4)组合式漏电保护器的外部连接控制线应采用铜芯导线,其截面积不小于1.5mm2。
5)对于单相二线(220V)负载,使用的单相二极漏电保护器,接法如下图所示,应按输入端、输出端和相线、中性线标志进行连接。

6)对于三相三线、四线或五线(380V)负载,应分别采用三相三极或三相四极漏电保护器。如果采用三相三极漏电保护器,其检验按钮的两端应接在不同的相线上,如下图(a)所示。

如果采用三相四极漏电保护器,检验按钮的一端应接在中性线上,另一端接在相线上,如上图(b)所示。这样,它们均可保持“检验按钮”的作用。
7、安装时的注意事项
1)漏电保护器负荷侧的中性线不得与其他回路共用。
2)线路或电气设备漏电电流必须控制在允许范围内,若超出范围,应及时处理线路或电气设备的绝缘。
3)电气设备的金属外壳应有保护接地,接地电阻应符合要求。
4)三相负荷应力求对称供电,尽量减少与不对称负荷引起的不对称电流。
5)漏电保护器保护范围较大时,为便于寻找故障点和缩小故障时停电范围,应在配电网中适当地点装设分段、分支开关。
八、漏电保护器运行前的检查试验
1、分明手柄和按钮的标志
有漏电、触电指示的,如需要复位的必须先经复位后才能使漏电保护器重新投入运行。
2、检查接线正确与否
漏电保护器负载侧所接的负载,不得与未经该漏电保护器的任何相、中性线有电气连接。即用电设备不得借用中性线或公共零线。
3、利用检验按钮验证漏电保护器能否正确动作
1)使漏电保护器在空载情况下接入电源,然后按动检验按钮,检查能否正确动作。
2)在带负荷的情况下,分、合闸3次应无跳闸现象。
3)用漏电保护器的检验按钮试验3次,均应正确动作。
4)逐相用试验电阻做接地动作试验,均应正确动作。
九、漏电保护器误动作的原因及防范措施
1、漏电保护器误动作的原因
1)用电装置原来采用保护接零却出现了接地。
2)零线合用或与该漏电保护器以外的电气回路互相借用零线。
3)线路安装不规范,如相线、零线混接等。
4)三相四线制负载使用了三极三线的漏电保护器。
5)漏电保护器接线不合理,如有指定极的未按规定接线。
6)分级保护时,上下级配合不当等。
2、漏电保护器防误动作的措施
1)漏电保护器电源侧接线端子处标有符号时,应按指定位置接线。
2)在三相四线制电路中,特别是照明与动力共用的线路中,为避免接线错误而引起误动作,可将照明与动力线路分别安装单相和三相漏电保护器,使其分别供电,避免相互干扰。
3)在施工工地应避免多路负载共用一台漏电保护器而引起频繁动作的情况,应将分支线路单独安装漏电保护器。
4)每台漏电保护器保护范围内的电气设备不能和保护范围以外的电气设备共用一组接地装置。
5)为避免由于电磁感应的干扰使漏电保护器误动作,应尽可能缩短线路长度并将导线穿入管子,采用屏蔽或部分屏蔽措施进行接地。
6)分级保护时,每一分支线路必须用自己的工作零线。上、下级漏电保护器的额定漏电动作电流与分断时间应互相配合,额定漏电电流级差应为1.2~2.5倍,时间级差0.1~0.2S。另外,单相负荷应尽量平均分配到三相电源上,偏差大时应及时调整,使各相漏电电流大致相等。
7)对于保护接零供电系统,若使用单相或三相四线的漏电保护器时,其重复接地只能接在漏电保护器的电源端而不允许接在负载端。否则,会因部分工作电流通过重复接地进入大地而造成误动作。重复接地的接法如下图所示。

8)不论是单相三线制、三相四线(或五线)制的供电方式,应将漏电保护器负载侧使用的中性线通过漏电保护器的零序电流互感器,不得将其跨接或并联跨接至负载侧。同时要注意,电路的中性线必须从漏电保护器的负载侧对大地绝缘。漏电保护器的电源中性线接法如下图所示。

9)为防止雷电感应过电压和操作的瞬时过电压等引起漏电保护器误动作,除提高不同相之间的绝缘、采用抑制冲击电压的保护元件或对脱扣器的输入电路进行屏蔽措施外,可采用延时型或冲击电压不动作型漏电保护器。
10)因电动机启动电流和开关瞬时脱扣装置的不协调而引起漏电保护器误动作,预防措施是使用适合电动机启动特性的过电流漏电保护器。
十、漏电保护器故障的排除与处理
1、 漏电保护器在使用中如出现异常情况,应及时查明原因,弄清究竟是由设备线路漏电还是漏电保护器内部元件故障引起的。如果涉及到漏电保护器本身的滑扣、拒扣、不耐振、触头不紧、不能合闸或合闸紧、不动作、自动作、过温动作、动作点过低或过高、手柄靠偏、跳扣与按钮复位差或不复位及按钮不良等情况,要弄清是属于产品质量问题还是与使用不当等其它情况有关。
2、 一般检查顺序如下:
1)电源电压是否合适; 2)漏电保护器的端子连接是否可靠; 3)在负载侧的线路里有否接地之类的故障;
4)在其附近有否发生故障的设备;
5)漏电保护器自身是否正常。
3、 通过检查,查明产生异常情况的原因,从而有针对性地排除故障。如果问题出在漏电保护器本身,则必须更换新的,使负载线路恢复正常供电。对更换下来的漏电保护器,应经过严格的检查、保养、维修,不能修复的,应当报废。严禁使用修复后未经复查的漏电保护器。