今天给大家讲讲电阻的基础吧!电阻是我们在电子电路中最经常用到的元器件之一,但它的种类很多,综合起来我们把它分为3类:一是固定电阻器、二是电位器、三是敏感电阻器。
首先先讲一下固定电阻器,也就是具有固定阻值的电阻。固定电阻器的实物外形和图形符号如图2- 1所示。在图2-1(b)中,上方为国家标准的电阻器图形符号,下方为国外常用的电阻器图形符号(在一些国外技术资料中常见)。

图2-1固定电阻器,
第二讲讲固定电阻器的主要功能:有降压、限流、分流和分压。

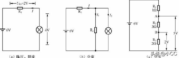
图 2-2固定电阻器功能说明电路图
请参阅图 2-2(a)所示电路,我们看到,电阻器 R1与灯泡串联,如果用导线直接代替 R1,加到灯泡两端的电压有6V,流过灯泡的电流很大,灯泡将会很亮;但是,我们串联电阻R1后,由于R1上有2V电压,灯泡两端的电压就被降低到4V,同时由于R1对电流有阻碍作用,流过灯泡的电流也就减小。所以说,电阻器R1在这里就起着降压、限流的作用。
请参阅图2-2(b)所示电路,我们仍旧可以看到,电阻器R2与灯泡并联在一起,流过R1的电流I除了一部分流过灯泡外,还有一路经R2流回到电源,这样流过灯泡的电流减小,灯泡变暗。因此,R2的这种功能我们称为分流。
请继续参阅图2-2(c)所示电路,我们还可以看到,电阻器R1、R2和R3串联在一起,从电源正极出发,每经过一个电阻器,电压会降低一次,电压降低多少取决于电阻器阻值的大小。因此,阻值越大,电压降低越多。图中的R1、R2和R3将6V电压又分出5V和2V的电压。
我们知道,每个固定电阻器都有自己所属的电阻值,为了表示阻值的大小,在出厂时会在电阻器表面标注阻值。标注在电阻器上的阻值称为标称阻值。电阻器的实际阻值与标称阻值往往有一定的差距,这个差距称为误差。电阻器标称阻值和误差的标注方法主要有直标法和色环法。
直标法是指用文字符号(数字和字母)在电阻器上直接标注出阻值和误差的方法。直标法的阻值单位有欧姆(Ω)、千欧(kΩ)和兆欧(MΩ)。
误差大小的表示一般有两种方式:一是用罗马数字Ⅰ、Ⅱ、Ⅲ分别表示误差为±5%,±10%,±20%,如果不标注误差,默认是±20%。二是用字母来表示,字母对应的误差可以自行去查表对应,在这里就不列举出来了~
色环法是指在电阻器上标注不同颜色圆环来表示阻值和误差的方法。图 2-4 所示的两个电阻器就采用了色环法来标注阻值和误差。其中一只电阻器上有 4条色环,称为四环电阻器;另一只电阻器上有 5条色环,称为五环电阻器,五环电阻器的阻值精度较四环电阻器更高。

图2-4色环电阻器
如果想要正确识读色环电阻器的阻值和误差,需先了解各种色环代表的含义。这里读者也可以自行去查表对应喽,我就不列举出来了~