发明万能充 (万能充是怎么被发明出来的)

“充电五分钟,通话两小时”,这句广告词的风靡,说到底其实还是因为如今智能手机的当道。为了弥补智能手机续航不足的缺点,充电宝和手机快速充电器出现了。尤其是面对不可拆卸式电池的盛行,充电宝和快充的存在性愈发显得必要。是的,手机的快速迭代使其充电方式也在不断变化。然而,13年前的我们,却很少有手机续航的困扰,这倒不是那时的手机电池容量比现在大,而是因为我们用着可拆卸电池的手机,还备用着替换的电池,更有着一款至尊充电神器——万能充。

万能充发明者视频,未来新发明万能充

风靡十年的万能充(网络图)

“你爸的手机充电器在家没有,我拿来充会儿电。”2002年的一天,河南省郑州市郑州一中的高二生陈天晗吃过午饭看书时,一位在家中做客的亲戚问道。

陈天晗答应一声,找出爸爸放在包里的充电器,谁知却根本不能用。

“不行啊,我的手机是梯形头的,不是扁头。”亲戚无奈地说。

陈天晗拍下脑门,暗骂自己吃午饭吃傻了。随后,陈天晗看了看亲戚的手机型号,想起邻居家的伯伯也是同一品牌,便去借了过来。不过充电的事情虽然解决了,但是陈天晗却犯了*毛老**病,静不下心看书了。

1985年出生的陈天晗,自幼就有着极强的动手能力。三岁的时候,想不通沙发为什么会那么软的他,便用水果刀把沙发给解剖了。稍大些后,他搞不清钟表为什么会走动、录音机为什么会发声、电视机为什么有画面、电脑为什么能上网,于是就又统统给拆了一遍。这一度让他的父母伤透脑筋,当然,“破坏王”陈天晗童鞋也没少为此挨揍。

为了从根源上遏制儿子的破坏天赋,爸爸还让陈天晗写了封“爱护物品,杜绝破坏”的保证书,并买来一些可以拆卸组合的玩具设备让陈天晗琢磨,以做到“在避免家庭财产损失的基础上尊重儿子的兴趣”。但是陈天晗是个“记‘拆’不记打”的主儿,陈爸爸的要求在他兴趣来了时就跟空气一样。此刻因为手机充电的问题,陈天晗的心又开始活跃了。当然,现在的陈天晗也早已不是当初那个一想不通就胡乱拆卸的好奇宝宝了。

其实陈天晗对手机充电问题的关注也不是一天两天了,便顺着这个机会放下高中那繁重的课业,忙里偷闲开了一个“大差”。陈天晗先找到了爱鼓捣电器的叔叔,可是叔叔还没听完就否定了,说这个并不现实,因为手机充电器的充电头不是万能钥匙,也不能像孙悟空的金箍棒可以变化,并叮咛陈天晗以学习为主。

万能充发明者视频,未来新发明万能充

“好奇宝宝”陈天晗(网络图)

叔叔的否决并没有让陈天晗灰心,随后,陈天晗又找到了曾经数次辅导他做发明创新,时任郑州清华校友创业发展有限公司技术总监的马建。可是在这里,陈天晗的想法又被否决了。

“天晗,你想想,有这种想法的人肯定不止你一个,那些手机厂商肯定也琢磨过,但是为什么他们没有研发,并不是这个有多么困难,而是没有意义。”马建说,“你想想,不同的手机,电池的规格是不一样的,而这些电池对于充电器的规格要求也是不一样的,即使你能做出一个适用于各种规格电池的充电器,又怎么保证充电器对电池不会造成伤害?”

可是不试试怎么知道不行,陈天晗暗想。被连续打击两次的陈天晗,不仅没有打消制造这种充电器的想法,反而更加笃定自己的目标。于是,不甘心的他软磨硬泡让马建帮忙寻找突破途径,之后还独自承担起调查手机电池充电规律的任务。以后的日子里,陈天晗没事就会去手机店溜达,伪装成手机买家,以便寻找手机电池的共同点。此外,他还买了一大堆手机充电器,拆拆装装琢磨起了充电器的构造和工作原理。每每有收获,或是记在本子上或是绘图。

万能充发明者视频,未来新发明万能充

传统手机单用充电器内部构造(网络图)

拆的多了,陈天晗越加肯定不同型号手机无法共用充电器的问题是可以解决的。他发现市面上充电器的内部构造大致是相同的,而且工作原理也几乎一模一样,都是通过开关三极管、变压器将220V的高压直流电转化成被充电设备所需的电压数值,从而给手机电池充电。充电器所起的作用,不过是改变了电能的形态。排除电压问题,手机充电器之所以无法通用,关键在于充电器接头和手机充电接口的匹配程度。

不过,这个难题在陈天晗绘制了263种手机电池的充电接触点后,居然自动迎刃而解。陈天晗发现,所有手机电池的接触点的高度几乎是相同的,有差异的只是正负极两个接触点的距离!

有了这一大发现,剩下的工作相对就要简便多了。于是,初步绘制了通用充电器的草图后,陈天晗便收集材料正式开始了研发。很快,第一款充电器样品出来了。然而由于充电器触针位置不固定,经常出现接触不良的现象,陈天晗不得不对这款充电器重新进行了改进。又花费了两周时间后,第一款万能充——一个利用夹板使手机电池触点通电的充电器诞生了。

万能充发明者视频,未来新发明万能充

万能充电器原理图(网络图)

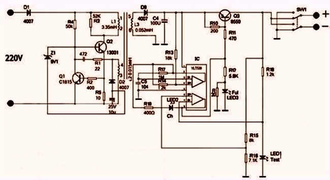
陈天晗所发明的万能充主要由振荡电路、充电电路和稳压保护电路组成,跟普通单用充电器构造和工作原理基本相同。但又有所不同的是,该充电器没有充电插头,取而代之的是两枚触针,通过触针于电池正负极触点的接触充电,而且触针可以根据电池正负极触点距离进行调节。而为了使这款充电器适应各种类型手机电池的充电需求,在参考了上百种不同型号的电池后,陈天晗将充电器的输出电压设定为了4.2V。此外,陈天晗还为自己发明的万能充加上了指示灯,用来提示接触方式是否正确及电池电量是否饱满。

之后,陈天晗在此充电器的基础上又改进出了第二代充电器。相对于第一代充电器,第二代明显要精巧一点。值得一提的是,第二代充电器的充电触针是陈天晗用从自行车上卸下来的弹簧改装而成的。

万能充发明者视频,未来新发明万能充

万能充电器电路图(网络图)

2003年4月15日,陈天晗通过郑州科维专利代理有限公司提交了实用新型专利申请,并取得专利号。同年7月14日,陈天晗又为自己的研发的“电话通话记录仪”申请了专利。9月份时,在18届全国青少年科技创新大赛上,陈天晗凭借研制的万能充斩获了工程学一等奖及“Intel英才奖”,并于2004年在美国亚特兰大参加了世界青少年科技创新大赛。2004年5月,得益于万能充,陈天晗获得保送清华大学新闻学系资格。

是的,陈天晗并没有如我们所想那般当工程师或者发明家,而是成为了一位媒体工作者。如今,陈天晗在国内某网站担任副总编。其实这也是一件情理之中的事情,不是么,兴趣并不一定要当做职业,因为那简直就像把最喜欢的音乐当做起床铃声,是一种幻灭。而且也正是那些看似不合理的事情和千变万化的人生轨迹,才让我们的生活变得丰富多彩。我们永远无法预料未来,否则万能充又怎么会成为过去,Wifi和智能手机又怎么会如此深入我们的生活,让如我这般的低头族无法脱离。

万能充发明者视频,未来新发明万能充

如今的陈天晗是某资讯网站副总编(千龙网)

不过陈天晗虽然没有继续自己的发明之路,但是万能充却着实风靡了十年之久。而且,万能充面世之初,受欢迎程度简直可以用恐怖来形容。以国内首家将万能充推向市场的公司——深圳市海陆通电子有限公司为例。2003年,其第一次推出的几十万批量试单,仅仅三天便销售一空。究其原因,无外乎当时手机市场不如现在发达,人们在原配充电器损坏或遗失后很难找到与之相配的充电器。此外,当时的手机为了满足消费者的使用需求,大都随机配备两块电池。备用电池加万能充,活脱脱就是“原始版充电宝”啊。毫不夸张的说,当时万能充对于手机的重要性,比起现在充电宝对智能手机的作用,实实在在的有过之而无不及。而且,万能充的十年,也正是我国手机市场发展的黄金十年。于是,种种因素的影响下,万能充成了我国手机用户几乎人手一个的必备充电神器。

万能充发明者视频,未来新发明万能充

经典的黑色三灯万能充(网络图)

自然,风靡手机充电器市场十年的万能充,期间也经过了许多改良。不仅其体积越来越小巧,外观颜色越来越缤纷,稳定性和安全性也大大提高。不过,就像无锁不能开的万能钥匙一样,万能充虽然能给所有手机电池充电,却终究不是最贴合锁孔的那把。不能调节输出电压来匹配手机需求的万能充,难免会对手机电池造成伤害,于是,在日新月异的手机市场浪潮下,万能充最终还是败给了不可拆卸式电池和充电宝。而且,我们也再不能像以前那样,说我们虽然手机品牌和型号不同,但我们却用着同一款充电器——万能充。

参考资料:

《科教新报》 2003.09.18.

中国专利查询系统.陈天晗;

第18届全国青少年科技创新大赛优秀科技创新项目获奖名单2003.08.26

河南招生考试信息网.河南省2004年普通高校录取保送生名单 2004.05.28.

万能充发明者视频,未来新发明万能充