各类电气控制接线图、电子元件工作原理图,还有可控硅整流电路及负反馈调速装置原理等等,希望对大家的工作有所帮助,一起来了解一下吧。
1
可控硅调速电路

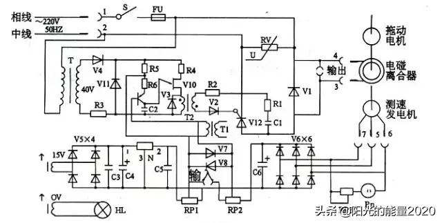
2
电磁调速电机控制图

3
三相四线电度表互感器接线

4
能耗制动

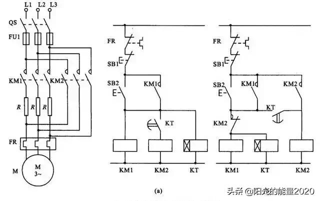
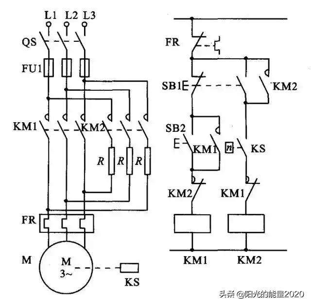
5
顺序起动,逆序停止

6
锅炉水位探测装置

7
电机正反转控制电路

8
电葫芦吊机电路

9
单相漏电开关电路

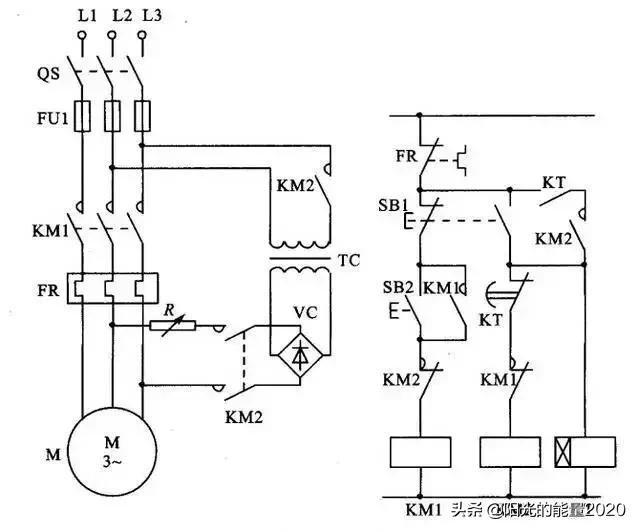
10
单相电机接线图

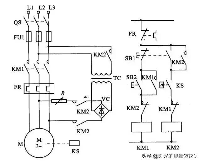
11
带点动的正反转起动电路

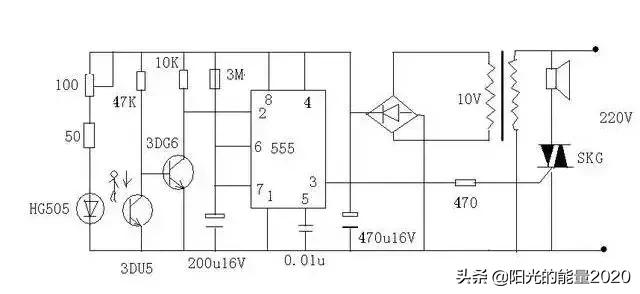
12
红外防盗报警器

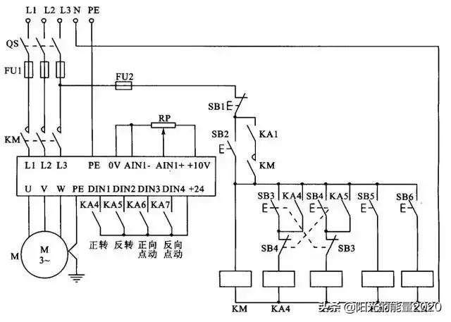
13
双电容单相电机接线图

14
自动循环往复控制线路

15
定子电路串电阻降压启动控制线

16
按启动钮延时运行电路

17
星形 - 三角形启动控制线路

18
单向反接制动的控制线路

19
具有反接制动电阻的可逆运行反接制动的控制线路

20
以时间原则控制的单向能耗制动线路

21
以速度原则控制的单向能耗制动控制线路

22
电动机可逆运行的能耗制动控制线路

23
双速电动机改变极对数的原理

24
双速电动机调速控制线路

25
使用变频器的异步电动机可逆调速系统控制线路

26
正确连接电器的触点

27
线圈的连接

28
继电器开关逻辑函数

29
三相半波整流电路图

30
三相全波整流电路图

31
三相全波6脉冲整流原理图

32
六相12脉冲整流原理图

33
负载两端的电压

在一个周期中,每个二极管只有三分之一的时候导通(导通角为120度)。负载两端的电压为线电压。
34
直流调速原理功能图

来源:网络
-END-