文章导读:
- 锂离子电池材料简介
- 最先进的电极制造
- 关键的电池组装阶段
- 加工限制
- 设计限制
- 未来的电极和电池加工
- 小结
自1991年商业化以来,人们对锂离子电池(LIB)的需求急剧增加。电极加工设计也是影响电池性能的重要因素,并且是能量密度和性能提升的重要因素。因此,需要对电极加工过程中的每个步骤进行系统地概述。
锂离子电池材料简介
高性能LIB电极通常至少具有三大组件:活性材料、粘结剂和导电添加剂。

图 1、LIB中三个主要组件示意图
石墨和硅是最常见的负极材料。典型的正极材料包括橄榄石(Li(M)PO4)、层状(Li(M)O2)和尖晶石(LiM2O4)结构。

图 2、比较(a)负极活性材料和(b, c)正极活性材料能源、成本、循环性、功率和安全性的雷达图
导电添加剂
导电添加剂通常是比表面积大的碳材料,如炭黑、碳纳米管、富勒烯、石墨烯等。由于形态不同,它们的导电路径及效果也存在差异。

图 3、炭黑和碳纳米管作为导电添加剂时的导电路径比较
粘结剂
粘结剂在很大程度上决定了电极浆料的流变特性,并且必须在特定电位范围内保持电化学稳定。目前最常用的正极粘结剂是聚偏二氟乙烯(PVDF),负极是羧甲基纤维素(CMC)和丁苯橡胶(SBR)作为复合粘结剂。
电解质
目前常见的电解质包括液体电解质、聚合物电解质和固态电解质。液体电解质离子电导率高,对电极的浸润性好,但安全性较差。聚合物电解质能够与现有的电极加工制造技术兼容,极大降低成本,但由于其室温离子电导率极低,未得到广泛应用。无机固态电解质不可燃,安全性较好,可以匹配锂金属负极,但仍然存在与电极材料不兼容和固-固接触等问题。
隔膜
隔膜应尽可能薄,最大限度地减少锂离子扩散距离,从而实现更高的倍率性能,而且还能提高电池能量密度。然而,太薄的隔膜机械强度低,在组装或运行过程中容易被刺穿。最常见的隔膜是聚烯烃,特别是聚丙烯(PP)和聚乙烯(PE)。微孔隔膜可以采用干法或湿法工艺生产。干法加工比湿法加工更简单,但缺点是只能与半结晶聚烯烃材料相容。

图 4、生产微孔隔膜的干法和湿法工艺
集流体
集流体具有电化学惰性,因此需尽可能薄以提高能量密度,同时保持足够的机械强度进行电极加工。除了铝和铜之外,其他集流体材料包括镍、钛、不锈钢、铁和铬。最近,碳材料已被用作集流体。

图 5、工业和学术界的集流体发展时间表
最先进的电极制造
关键的电极加工阶段

图 6、电极制造以及电池和电池组制造所涉及的步骤
材料准备
材料准备步骤包括对材料进行真空干燥。通常,LIB越干燥越好,因为H2O会与电解质产生不可逆反应。
混合
电极浆料混合的目的是打碎团聚物并使浆料均质化,以便获得足够的粘度,以及降低沉降率。许多混合技术可用于混合电极浆料,包括 流体动力剪切混合器、球磨混合器 和 超声波混合器 。

图 7、行星式搅拌机
涂布和干燥
可以通过多种设备将浆料涂布到基材上,包括 狭缝模头涂布机、反向逗点棒涂布机 和 刮刀 。狭缝式涂布机是目前最常见的,具有最严格的公差。与逗号棒涂布等开放式工艺相比,它是一种封闭系统,不易受环境条件的影响。

图 8、缝模涂布机示意图
涂覆后,湿电极通过一个较长的干燥区去除溶剂,并获得具有均匀形态、结构和特性的电极。在干燥过程中,表面的溶剂分子首先蒸发,导致粘结剂和导电剂迁移,电极和集流体之间附着力降低,电子导电性减弱,倍率性能大大降低。通过在低温高速蒸发溶剂,然后在恒速和低速蒸发阶段稳步升温,可以在尽可能少粘结剂和导电添加剂迁移的情况下有效去除溶剂。

图 9、电极干燥三个阶段

图 10、水处理负极和NMP处理正极的干燥过程
压延
干燥后,电极被压延到所需的厚度,以减少孔体积,提高能量密度,优化电子传输和离子传输。然而,在密度较大的电极中,离子传输的平均横截面积减小,电极弯曲度增加。由于液态电解质中的锂离子扩散系数比固相活性材料中高几个数量级,因此固相扩散通常是限速步骤。

图 11、压延过程
模切
压延后,电极需要加工成所需的电极形状。对于软包电池,电极是通过五金模切工艺或激光切割制备的。切割过程的边缘质量是电池整体质量和安全性的重要因素,因为边缘电场强度集中,集流体的粗糙边缘会引发短路或枝晶生长。此外,负极的横截面积必须大于正极(负极过量设计)。最后,也有可能需要从集流体的某些部分去除电极材料以进行极耳焊接过程,或以间歇式进行涂布,从而使未涂层的集流体用于极耳焊接。

图 12、间歇式涂布
关键的电池组装阶段
电极片组装
干电池组装工艺可分为 叠片式或卷绕式 电极处理各有优缺点。圆柱形电池均采用将电极和隔膜缠绕在中心轴上的工艺制成。软包电池具有轻巧、柔软的铝塑膜外壳,通常由带有Z形折叠隔膜的堆叠电极制成。棱柱形电池具有与圆柱形电池类似的硬壳,通常由缠绕工艺制成,但具有高纵横比的椭圆形轴芯。
注液和化成
电极片组装完成并焊接极耳后,将进行注液和化成过程。首先,将电池在真空下密封,促进电解质渗透到电极和隔膜中。形成过程的目的是构建稳定的SEI/CEI。通过采用浅循环、优化循环电流和次数和控制温度可以显着缩短化成过程。在化成循环后,需要打开电池排出产生的气体并在真空下重新密封。
制造规格和经济性
电池设计的关键是最大限度地提高活性材料比例并降低非活性材料比例,这就需要提高面积负载和电极密度。对于软包电池,层压和堆叠阶段的费用最大,其次是电极涂覆、干燥和溶剂回收、电解液填充和密封以及极耳焊接。混合、分切、压延以及脱气和重新密封是相对便宜的步骤。因此,可以通过改变电池形式来降低堆叠成本、在干燥和溶剂回收阶段使用更少的能源以及促进电解质的快速润湿和化成来降低成本。

图 13、制造成本的细分
除了最小化材料和生产成本之外,另一个重要因素是工厂规模化以实现规模经济。“规模经济”一词指企业的单位产出成本随着生产规模的增加而降低的情况。

图 14、电池成本随年产量的变化
加工限制
浆料限制
浆料一个重要的参数是它的 粘度 ,特别是剪切速率。在低剪切速率下,高粘度是有利的,因为这意味着粒子运动和活性材料的沉降受到抑制。
高粘度液体搅拌的首要问题就是要 解决流体流动与循环问题 。在这种情况下,不能靠增大搅拌转速提高搅拌器的循环流量,因为高粘度时搅拌器的排出量很小,转速过高还会在高粘液中形成沟流,而周围液体仍为死区,重要的办法是设法使桨叶推动更大范围的液体。行星搅拌装置是利用一对行星齿轮产生公转和自转,由一个动力源带动搅拌轴系沿料桶圆周方向公转而搅拌框自转,另外行星轴空心结构,在其中设置高速分散盘动力源,通过机械传动使高速分散盘也沿圆周方向公转和自转。

图 15、各种浆料的粘度分布
润湿性 是另一个重要的浆料特性,它与表面张力成比例。根据杨氏方程,具有高表面张力的液体将具有更高的接触角,因此润湿性更低。在电极涂布过程中,润湿性差会导致膜分层,可能是由于浆料组分分散不均或浆料中具有高表面能的杂质造成。

图 16、液滴在固体表面上的润湿性
涂布限制
首先要考虑的限制之一是 涂层厚度 。涂层厚度的限制通常与浆料的流变性和粒度有关。其次, 干燥能力,涂布速度 也可能是限制条件。 涂层均匀性 也是重要的指标之一,影响涂层均匀性的关键因素包括浆料流变性、集流体的厚度和重量、涂布速度以及槽模设计和制造公差。

图 17、槽模型腔类型(a)从中心到末端具有恒定横截面的无限腔型和(b)从中心到末端横截面逐渐减小的衣架腔型。
(1)当前涂布技术的许多局限性与使用液体浆料有关。通常在这些浆料中,30%-60%的质量是溶剂,需要从电极上去除,并在干燥电极层中留下过多的孔隙率,因此需要压延才能致密。此外,较高的水表面张力导致干燥过程中毛细管力较高,集流体润湿较差,导致涂层开裂和分层,特别是对于厚(>100 μm)电极。干法或低溶剂电极工艺可以避免这些问题,但也有其自身的挑战:确保干粉的充分混合,干粉混合物制备成规定宽度和厚度的膜,确保电极膜能够粘附在集流体上。
(2)湿法工艺电极 具有空间均匀分布的组分和孔结构 ,当前电极的最佳组成、厚度和孔隙率都是在浆料涂布工艺的约束下通过反复试验得出的。放宽这些限制并提供更大的灵活性,可以实现更高性能电极的设计。
(3) 电极结构参数的优化与控制 。 电极厚度 是影响锂离子电池能量密度的关键结构参数之一,较厚的浆料涂布电极由于传输路径较长而导致锂离子传输缓慢。厚电极也容易出现开裂和分层。因此,要增加电极厚度,需要克服许多挑战。 孔隙率 是另一个对锂离子电池性能会产生积极和消极两方卖弄影响的关键参数,目前电极孔隙率主要通过压延工艺控制,更厚电极需要额外的工艺来控制必要的孔隙率,以确保良好的性能。 迂曲度 ,即实际锂离子传输路径长度与起点和终点之间的直线距离之比,是描述电极内锂离子传输难度的结构参数。对于更高质量负载的电极,面临的挑战是需要开发新的电极结构策略,通过控制电极孔的形状、尺寸和分布来实现低电极迂曲度,而不会牺牲其他电极性能。
(4)干法电极工艺的主要挑战是将非活性材料的含量降低到与湿法涂布相当的水平,同时部分工艺中涉及脱脂步骤和高温烧结,使得该工艺成本更高,并且可能难以扩大规模。
(5)更厚的电极。厚电极可减少电池中金属箔和隔膜的量,并提高能量密度。但是由于电极中电子和离子传导途径更长,厚电极会降低电池的倍率性能。此外,工业上也很难生产出具有良好机械性能的厚涂层。
(6)同步双面涂布。涂布干燥烘箱通常是水平的,湿涂层一般在金属箔的上部。目前的双面涂布是通过先在一侧涂布干燥后再重对另一面进行涂布,这增加了额外的制造时间,而且A面涂层要通过烘箱两次。同时双面涂布需要一个极片漂浮的干燥烘箱。
(7)孔隙率梯度电极。双层电极模型计算出集流体附近的最佳孔隙率为10%,涂层表面的最佳孔隙率为50%,而不是均匀的30%。在生产中,这需要连续的双层涂布或模板技术。
干燥限制
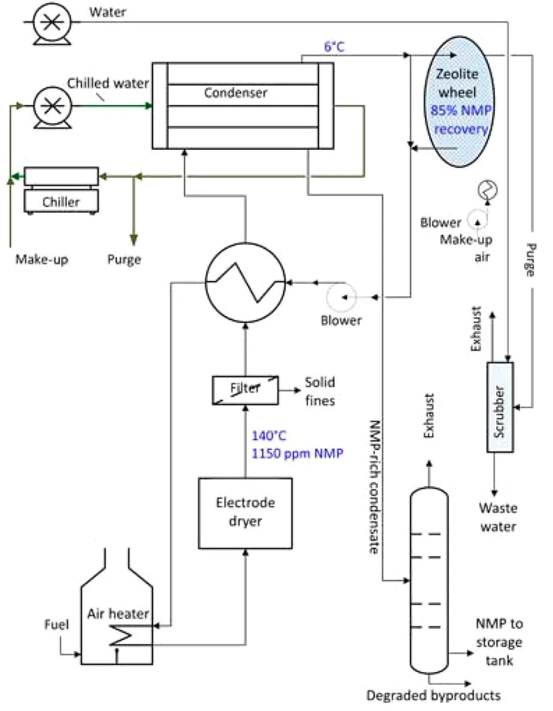
干燥限制与传热有关。干燥器中的传热三大要素: 时间、湍流和温度 。时间是指涂层材料在干燥室中停留的时间,它与干燥长度和涂布速度有关。湍流是指通过干燥系统的气流以及它如何影响涂层基材。另外,离开喷嘴的空气温度至关重要,因为它直接影响热传递。在生产过程中,由于干燥限制,可能会观察到相关缺陷,如针孔、线缺陷、裂纹或卷曲,以及凹坑。NMP等有机溶剂不能排放到大气中,需要专门的设备进行回收。
在极片干燥过程中,溶剂蒸发时,涂层总会经历一定的收缩,固体物质在湿涂层中彼此接近,最后形成多孔的干燥电极结构。在涂层收缩和溶剂蒸发过程中,粘结剂、导电剂等添加剂容易随着溶剂蒸发而发生迁移,在多孔电极中重新分配,出现不均匀的现象。
(1)创建有效的干燥模型,将干燥条件的动态测量值与电极的最终特性相关联,以实现更可控的干燥过程。比如连续水平的计算流体力学模型,空气-多孔材料界面处的对流传热和传质模型,双组分胶体悬浮液干燥的理论模型,包括布朗扩散、沉降和蒸发在内的颗粒涂层的一维模型等。
(2)湿电极膜的干燥动力学特别复杂,为了更好地控制电极结构及其相应的电子和离子传输特性,我们需要了解电极结构形成的过程。干燥是形成电极结构的基础,因此有必要开发高级计量工具来了解干燥过程中发生的物理过程,测量和分析溶剂蒸发对缺陷的影响,例如裂纹形成。粘合剂分布可以通过能量谱EDX、拉曼光谱、傅里叶变换红外光谱(FTIR)和多斑扩散波光谱(MSDWS)来表征。溶剂蒸发可以通过热重分析和石英晶体微量天平(QCM)进行测量。溶剂蒸发过程中的表面温度和干燥应力可以通过红外(IR)热像仪测量。活性材料可以通过SEM,X射线CT和基于荧光的成像/显微镜进行表征。

图 18、(a)干燥无缺陷电极SEM图像。(b)电极微观结构产生裂纹的SEM图像。(c)干燥后的龟裂电极

图 19、干燥器内喷嘴位置(a)距离基材太远(b)或距离适当下,气流速度的等高线图

图 20、NMP回收系统
压延限制
在压延过程中,活性材料(AM)颗粒结构和碳胶相(CBD)被压缩和重排,颗粒间孔隙率降低。电极颗粒孔结构的压实反过来会影响电子离子的传输性能和电池性能。
(1)在制造过程中,电极的 机械性能受材料成分、工艺参数(例如辊子温度、速度)和电极厚度的影响 。由于这些特性和参数对电极压延变形的影响非常复杂,因此需要表征电极的机械性能,比如硬度,弹性变形,电极和集流体之间的粘合性能。为了获得进一步对机理的理解,需要大量参数和材料属性之间的系统研究,比如数值模拟和实验研究获得压延对多孔碳胶相的动态力学响应规律。
(2)在高压延水平下捕获颗粒塑性变形和断裂面临挑战,仍然需要对粒子间作用力进行更深入的理解,以建立非线性本构行为,高保真地来研究电极内的微观结构演变。
过程中,辊头压力过小,导致材料厚度偏大,造成后工序卷绕对位不准、装配困难的问题,严重时更会产生安全问题;辊面不平整,导致极片表面不光滑,严重的时候可能产生毛刺,刺穿隔膜而引起电池内短路、自放电异常的危险。
制造限制
LIB电池主要有三种类型:圆柱形电池、棱柱形电池和纽扣电池。圆柱形电池易于自动化制造,具有良好的机械稳定性、安全性和高比能,但缺点是堆积密度低。棱柱形电池没有标准尺寸,因此可用于小型或大型应用。软包电池也是一种棱柱形电池,但不同之处在于,它包含焊接到电池外部的极耳,包装效率更高,使得电池组具有更高的体积能量密度,但存在易膨胀,安全性差等缺点。

图 21、2010年至2019年间生产的部分EV电池的能量密度

图 22、(a)单片堆叠、(b)Z堆叠、(c)圆柱形缠绕和(d)棱柱形缠绕LIB电池

图 23、LIB软包电池中缠绕和堆叠技术之间的区别
设计限制
电极与电池能量密度
最常见的电极设计权衡是 功率与能量之间的权衡 ,这需要 平衡电极面积容量和密度 。电极密度首先侧重于平衡电子传输与离子传输。在电池层面,功率与能量设计受制于接头几何形状。另外,最靠近极耳的区域会产生更多的焦耳热,导致电子传导率降低,从而产生更多的热量增加内阻。另一个主要的设计限制是循环寿命。厚、致密、高能量的电极在循环过程中会承受更大的机械应变,且在循环过程中电解质储备较少,循环寿命较低。
体积限制
电池设计中存在三个主要的体积考虑因素: 实际几何约束、循环过程中体积变化以及功能传输现象优化 。
导电添加剂/粘结剂相互作用
导电添加剂和粘结剂的相互作用对浆料流变特性有显着影响 ,因为导电添加剂在剪切作用下充当聚合物分子流动和排列的钉扎点。随着导电添加剂的粒径减小和浆料中颗粒间的平均距离减小,网络效应增加,可能导致假塑性或可逆凝胶化。
负极与正极之比
电池中负极和正极的容量需要匹配以确保所需的性能,即 负极与正极的面积容量比(N/P) 。负极通常具有稍高的面积容量,以便减轻析锂。然而,更高的负极面积容量会在形成SEI时消耗更多的锂源并增加额外的重量,降低电池能量密度。
未来的电极和电池加工
连续混合

图 24、(a)同向旋转双螺杆挤出机横截面示意图。(b)用于输送和压力控制的螺杆元件。(c)用于分布和(d)分散混合的多边形螺杆元件。
电极浆料连续混合过程采用 双螺杆混合挤出机 。螺杆彼此平行并且被安置在挤出机机筒内。通常,螺杆同向旋转,且螺杆元件相互啮合。这些元件几乎没有剪切力,用于向前输送材料。连续混合的优点:更好地控制加工顺序,并在不同点施加剪切,在任何给定时间连续混合过程中的成分量都很少,使产品一致性更高。尽管连续混合具有优势,但在短期内设计和实施连续混合器会增加成本。
水处理
尽管NMP在批量生产LIB正极方面很有效,但它有毒,需要额外的 回收 步骤且 NMP具有毒性和致癌性 ,因此人们开始关注电极的水处理技术。但水性正极浆料存在阳离子(Li+/H+)交换反应,其中水溶液中的质子与来自活性材料表面的锂进行交换,使活性材料贫锂。使浆料呈现碱性可以减少阳离子交换。

图 25、水处理问题和解决方案

图 26、正极活性材料和水之间阳离子交换
干法处理
干法处理能够避免电极微观结构重构,降低成本,提高产品一致性,因此有望取代湿法处理。最近, 静电喷涂沉积(ESD) 已作为一种可扩展的电极干法处理形式。在ESD中,干电极粉末被送入静电喷涂设备,颗粒被充电后喷涂到接地的集流体上。与湿法相比,干法处理可节省劳动力、设备成本和工厂面积。

图 27、R2R ESD过程
结论
本综述概述了LIB制造整个过程,并弥合了学术发展和工业制造之间的差距。详细讨论了电池制造中主要步骤的目标、方法、挑战和限制,还阐述了步骤之间的相关性。虽然LIB将继续主导电动汽车应用,但对于一些新兴电池技术,如锂硫电池和固态电池,LIB的现有流程可能不适用,需要新流程来实现。
【每日分享一点知识,有益点赞收藏关注】