郑州外国语中学 2021—2022 学年上学期

九年级期中考试物理试卷
考试时间:60 分钟 分值:100 分
一、填空题(每空 1 分,共 17 分)
1.阴霾天气中,PM2.5(直径不大于 2.5 微米的颗粒物)含量较高,大气中
PM2.5 的运动属于 (填“机械运动”或“分子热运动”)。古诗“花 气袭人知骤暖”的意思是,从花的芳香气味变浓可以知道周围的气温突然升高。 闻到花香,这属于 现象。
2.2021 年 10 月 16 日 0 时 23 分长征 2F 火箭托举神舟 13 号飞船成功发射。 火箭中用氢气做燃料主要的优点是它的 高,火箭中的燃料燃烧时,将 燃料 能转化为燃气的 能。
3.N95 口罩的中间层为多孔结构的熔喷布,熔喷布能过滤比自身空隙小得多、 直径仅为 0.3μm 颗粒物,原因是:在生产过程中通过处理,使熔喷布得到大
量电子而带 (正/负)电,具有
的作用。由于熔喷布有很
好的 性,所以能长时间保留静电,但放在自来水龙头下冲洗晾干后,熔 喷布对细微颗粒物的过滤效果严重下降,原因是: 。
4.内燃机一个工作循环有四个冲程,若某单缸四冲程汽油机每秒对外做功 20 次,则该汽油机飞轮的转速为 r/min。柴油机在吸气冲程吸入缸内的物质 是 。
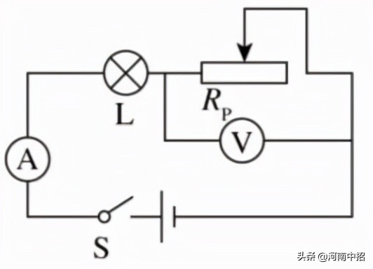
5.如图所示电路中,电源电压保持不变,忽略小灯泡电阻随温度的变化。闭 合开关 S,当滑片 P 置于滑动变阻器最右端时,电压表示数为 3V;向左移动滑 片 P 至滑动变阻器中点时,电压表的示数变化了 1V,电流表示数变化 0.1A, 则小灯泡的电阻为 Ω。电源电压为 V。


5 题图 6 题图
6.如图所示,这是人们利用充电桩给电动汽车充电时的情景,此时电动汽车 上的锂离子电池相当于电路中的 (选填“用电器”或“电源”); 若该电动汽车的电源由 8000 节电池组成,每节电池质量为 50g,该电源的能 量密度为 0.25kW•h/kg,则该电源存储的电能为 J。
7.如果给串联的节日彩灯电路中串联入一个跳泡,它会使电路不断的通、断, 使整串彩灯一会儿亮,一会儿灭,一闪一闪的,十分好看。跳泡的结构如图所
示:在常温下,中间竖立的双金属片和旁边的倒 L 形引线挨在一起,如图甲所示;通电后,电流经双 金属片通入灯丝,使跳泡发光。由于跳泡内的灯丝 发光,双金属片受热变弯,离开原来的位置,使电 路切断,如图乙所示;没有电流通过,双金属片冷 却恢复原来形状,又使电路接通。现有一串这样的 节日彩灯接在电源上(电源电压一定),忽然其中 几只彩灯熄灭了,其余彩灯虽仍然一亮一灭的发 光,但闪光的频率却比原来快了。

(1)那几只熄灭的彩灯不亮的原因是 ;
(2)其余彩灯闪光频率加快的原因是 。
二、选择题(每题 3 分,共 24 分,8-13 是单选,14、16 是双选题,错选不得 分,选对一个得一分)
8.有关图中所示的四个实验,下列说法中正确的是( )

A.甲图中,在玻璃板离开水面前,弹簧测力计示数增大,是因为分子间有斥 力
B.乙图中,加热试管内的水之后,瓶塞被冲开,说明热传递能改变物体的内 能
C.丙图中,抽掉玻璃板,两种气体混合在一起,是因为上方的气体密度小 D.丁图中,用力迅速压下活塞后,玻璃筒内*化棉硝**着火,说明筒内空气的内 能增大了
9.东风是从东向西吹的风,我国的西北为内陆,而东南方向均临海,故而形 成的季风特点( )
A.夏天多东南风,冬天多西北风 B.夏天多西北风,冬天多东南风 C.夏天和冬天均多为东南风 D.夏天和冬天均多为西北风
10.热机的广泛使用己成为一个国家工业化程度的标志,人类的现代生活已越 来越离不开各种热机,热机从根本上改变着我们的世界。下列相关说法正确的 是:( )
A.在四冲程汽油机工作的过程中,吸气、做功、排气这三个冲程是依靠飞轮
惯性来完成的
B.汽车排放的尾气,是城市环境污染的重要来源,目前有些新型燃料汽车实 现了“零排放”,它们的热机效率达到了 100%
C.使用热值大的燃料可提高热机效率
D.汽油机和柴油机均属于内燃机,工作时它们点火方式不同
11.如图是闪电产生的电流通过避雷针的示意图(已知云层 带正电)。则下列中正确的是( )

A.闪电发生时,创造了电荷
B.闪电发生前避雷针也带正电
C.图中的电流方向是从云层到避雷针
D.正电荷从云层定向移动到大地
12.中国的 5G 技术全球领先。5G 最大的优势就在于它的网络连接速度非常快, *载下**速率均达到了 1.4Gbps。5G 智能手机的电池电压最接近于( )
A.4V B.36V C.220V D.380V
13.如图所示为单相电子式电能表,关于该电能表下列说 法正确的是( )

A.允许通过的最大电流为 10A B.该表可以随意调零
C.此时的示数为 13148kW•h
D.指示灯闪 2500 次表示消耗电能 3.6×106J
14.如题图甲所示电路中,闭合开关 S, 调节滑动变阻器的滑片从最右端滑至灯 正常发光的位置,电流表示数与两电压表 示数的关系图象如图乙所示。则下列选项 正确的是( )

A.电源电压为 8V

B.开始时灯泡两端电压为 2V
C.灯正常发光时,电流表示数为 0.6A D.曲线乙是表示 V2 的示数与电流的关系
15.如图所示的是某地下停车场烟雾报警船的简化原理 图,电源电压保持不变,R 0 为定值电阻,光敏电阻 R的 阻值随光照强度的减弱而增大,当电路中的电压表指针 偏转至某一角度时报警器开始报警。若想使报警器在烟 雾较淡时就触发报警。以下方式错误的是( ) A.增加激光强度 B.减小 R 0 的阻值
C.增大电源电压 D.改接大量程电压表
三、作图题(每图3分,共6分)
16.手机常常设置静音,若开启如图的“口袋模式”,能使口袋里的手机在来
电时响铃,将手机从口袋拿出来后,响铃( )停止。其原理为:有两个开

关 S1、S2,当接收来电时 S1 闭合;若手机放在口袋这种封闭黑暗的环境中,开 关 S2 闭合,若将手机从口袋拿出来后,开关 S2 断开。请你设计出符合要求的 电路图。
17.如图甲所示小灯泡发光的电路连接图,请根据甲图在乙图画出小灯泡内部 结构图。



16 题图 甲 乙
17 题图
四、实验与探究(每空 2 分,共 34 分)
18.如图甲所示,为了比较水和食 用油吸热的差异,在两个完全相同 的烧杯中分别盛以质量和初温相同 的水和食用油,再用相同的电加热 器同时开始加热,测出它们温度随 时间变化的关系如图乙所示。

(1)实验中是通过比较
来比较吸热多少的。
(2)通过实验可以看出 的吸热能力更强,在物理 上为了比较物质吸热本领的强弱,我们引用了比热容的概念。
(3)已知水的比热容为 4.2×103J/(kg•℃),由温度随时间变化的关系 图像,我们得知食用油的比热容为 J/(kg•℃)。
19.某实验小组用图甲所示电路进行“探究电流与电阻的关系”实验。

(1)请将图甲连接完整,要求滑动变阻器滑片向右移动时电阻变大。
(2)闭合开关前,滑动变阻器滑片 P 应该位于 (选填“A“或“B“) 端。
(3)闭合开关后,同学们发现,无论怎样调节滑动变阻器的滑片,电流表 始终没有示数,电压表示数接近电源电压,原因可能是 ;
(4)排除故障后,先将 5Ω定值电阻接入电路,闭合开关,调节滑动变阻 器的滑片,使电压表的示数为某一定值,此时电流表的示数如图乙所示, 为 A;
(5)接下来断开开关,取下 5Ω的定值电阻,换成 10Ω的定值电阻,闭合 开关,应向 (选填“A”或“B”)端移动滑片,直至电压表示数为 V 时,读出电流表的示数。再更换为 20Ω,继续进行实验,将实验数据记录 在下面的表格中。
|
实验次数 |
1 |
2 |
3 |
|
R/Ω |
5 |
10 |
20 |
|
I/A |
0.2 |
0.1 |
(6)由表中所示的实验数据,滑动变阻器的最大阻值应该不低于 Ω。
20.小明用如图甲所示的电路来测量标有“2.5V”字样的小灯泡的电阻, 电源电压为 6V,小灯泡正常发光时的电阻大约为 10Ω。现有规格分别为“10
Ω,1A”和“20Ω,0.5A”的滑动变阻器各一个。

(1)为完成实验,应该选取规格为“ ”的滑动变阻器。
(2)电路检查无误后,闭合开关后,发现小灯泡不亮,接下来应该先进行 的操作是 (选填字母)。
A.检查导线连接是否良好 B.移动滑动变阻器的滑片观察小灯泡是否发光 C.断开开关
D.观察电流表和电压表是否有示数
(3)排除故障后,移动滑动变阻器滑片改变小灯泡两端的电压,记录多组 对应的电流,并在坐标上作出 I﹣U 关系图像,如图丙所示,图乙是电压表 示数为 2.5V 时电流表的示数,小灯泡正常发光时的电阻是 Ω(结 果 保 留 一 位 小 数 ) , 小 明 发 现 I ﹣ U 关 系 图 像 是 一 条 曲 线 , 原 因 是 。
(4)小明又用一个已知阻值的定值电阻 R0 等器材,设计了如图丁所示的实 验电路,测量该小灯泡正常发光时的电阻,请你帮他完成下列实验步骤。
①连接好实验电路后,闭合开关 S、S2,移动滑动变阻器滑片,使电流表的 示数为 ;
②保持滑动变阻器滑片的位置不动,闭合开关 ,断开 S2, 读出电流表的示数为 I;
③小灯泡正常发光时的电阻 RL= (用已知量和测量量表示)。
五、综合应用题(8 分+11 分,共 19 分)
21.有公司设计一种新能源车称为“增程式混合动力汽车”,这种汽车搭 载的汽油机并不直接为汽车提供动力,它的原理是,汽车内有一个车载电 池,行驶过程中,汽油机带动发电机发电,发电机发电给电池充电,电池 放电给电动机工作,电动机为汽车提供动力,发电机对机械能的利用率非 常高,可近似看成转化效率为 100%,“增程式混合动力汽车”最初的能量 流程如图甲。按照图甲的能量流程图,某次实验增程式汽车在一次测试中
(车载电池已蓄有一定电量),它 在水平路面上以一定的速度匀速 行驶 18min,汽车运行的数据稳定, 如图乙。

|
电池总共输出电压 |
500V |
汽油机平均效率 |
40% |
|
电池总共输出的电流 |
80A |
汽油消耗的质量 |
2kg |
(1)求该辆汽车在这次测试中消耗的电能;
(2)请通过计算判断该辆汽车在这段测试中消耗电能后,车载电池的蓄储 的总电能是增加了还是减少了?(汽油的热值:q=4.5×107J/kg)
22.亮亮设计了一个用电压表的 示数变化反映环境温度变化的电 路。其电路原理图如图所示,电 源电压保持不变。电压表量程为

0~3V,R0 是定值电阻,阻值为 150
Ω,R1 是热敏电阻,其电阻随环 境温度变化的关系如图所示。闭
合开关 S 后,当环境温度为 20℃时,求:
(1)R1 的阻值为多少?此时电压表的示数为 1.5V,通过 R0 的电流为多少?
(2)电源电压为多少?
(3)电压表两端电压不能超过其最大测量值,则此电路所允许的最高环境 温度是多少?
郑州外国语中学 2021—2022 学年上学期
九年级期中考试物理试卷答案
一、填空题(每空 1 分,共 17 分)
1. 机械运动;扩散
2. 热值;化学;内
3. 负;吸引轻小物体;绝缘; 生活用水是导体洗后的熔喷布不再带电
4. 2400 ;空气
5. 10;6
6. 用电器;3.6×108
7. 熄灭的彩灯发生短路; 由于短路使整串彩灯的总电阻变小,电路中电流变大,使双金属片达到切断电路的温度的时 间变短。
二、选择题(每题 3 分,共 24 分,8-13 是单选,14、16 是双选题,错选不得分, 选对一个得一分)
8.D 9.A 10.D 11.C 12.A 13.D 14.CD 15. AD
三、作图题(每图3分,共6分)
16.17.



四、实验与探究(每空 2 分,共 34 分)
18.(1)加热时间;(2)水;(3)2.1×103。
19. (1)如上图所示;(2)B;(3)R 断路;(4)0.4;(5)B;2;(6)10。
19 题图
20.(1)20Ω,0.5A;(2)D;(3)11.4;小灯泡的电阻随温度的升高而增大;(4)① ;

②S、S1;③。

五、综合应用题(8 分+11 分,共 19 分)
21.解:(1)W=UIt=500V×80A×1080s=4.32×107J
(2)汽油放出的热量:Q 放=mq=2kg×4.5×107J=9×107J
转化的电能:W 电=ηQ 放=40%×9×107J=3.6×107J
而 3.6×107J<4.32×107J
所以电池的蓄储的总电能是减少了。
22.
(1)由图(b)可知,当环境温度为 20℃时,热敏电阻 R1=250Ω,
电压表的示数为 1.5V,通过 R0 的电流:I0===0.01A;


(2)因串联电路的总电阻等于各分电阻之和,所以环境温度为 20℃时,电路的总电阻:
R=R1+R0=250Ω+150Ω=400Ω,
因串联电路中各处的电流相等,所以由 I=可得,电源电压:U=I0R=0.01A×400Ω=

4V;
(3)由题意可知,电压表示数允许的最大值为 3V,此时电路能够测量的温度最高,
因串联电路中各处的电流相等,所以,此时电路中的电流为:I′= ==


0.02A,
因串联电路两端的电压等于各部分电路两端的电压之和,所以,此时 R1 两端的电压:U1′
=U﹣U0′=4V﹣3V=1V, 此时热敏电阻的阻值:R1′===50Ω, 由图(b)可知,热敏电阻的阻值为 50Ω时对应温度为 100℃,即此电路所允许的最高环


境温度为 100