林锦楷 陈秋竹
中交二航局第二工程有限公司
摘 要: 在厦门第二东通道预制墩台安装施工过程中,湿接缝施工对止水要求较高。若止水效果不好,将会直接影响湿接缝的施工质量和耐久性。为解决湿接缝施工时的止水问题,运用分离式柔性止水结构实现承台预留孔与钢管桩之间的止水,使用无预埋件钢套箱实现预制承台顶面与钢套箱的止水,并成功在23个墩台安装施工中使用,表明该止水施工工艺可行。
关键词: 桥梁工程;预制墩台;分离式柔性止水;无预埋件钢套箱;
厦门第二东通道是厦门市城市道路交通网络布局中本岛与大陆腹地跨海通道的重要组成部分,也是厦门市进出岛交通网络规划中重要的跨海通道之一。本桥区建设条件受台风、潮流影响,航运繁忙,且临近高崎机场飞机起降线路。同时,因白海豚环境保护区的影响,环保要求极高。故本着尊重自然、保护环境的设计理念,承台墩身采用预制安装工艺施工,见图1。其中,中航道桥、互通主线桥、西非通航孔桥及西航道桥共有23个桥墩。根据墩身高度及设备起吊能力,将每个墩台分为2或3个节段,共计56个节段。工期为36个月。

图1 预制墩台构造 *载下**原图
首节预制墩台和桩基础采用湿接缝连接,湿接缝的施工质量将直接影响预制墩台的安装质量和耐久性。湿接缝要求在干作业条件下施工,因此首节预制墩台和桩基础间止水工艺实施效果,决定着首节预制墩台安装成败。同时,预制承台顶标高为+0.50 m, 设计高潮位为+4.11 m, 若不采取针对性措施,高潮位时无法进行后浇孔施作,作业窗口期将大大缩减,工期将无法保证。故需要在承台顶部采取止水措施,防止海水从承台顶部灌入后浇孔。
承台与钢管桩间、承台顶部止水是施工安全、质量及工期顺利达成的关键。综合考虑技术可行、设备起吊能力、经济合理、总工期可控等因素,且在保障工期可控的前提下,厦门第二东通道预制墩台施工采用4 000 t浮吊实施预制墩台吊装作业;承台与钢护筒之间采用分离式柔性结构止水[1],承台顶部采用无预埋件钢套箱止水。
1 分离式柔性止水结构
项目主体桥梁的承台为6边形,由6根钢管复合组成群桩基础,承台在桩基对应位置设置预留后浇孔实现桩基础与承台的连接。预制墩台的预留孔直径为3.60 m, 侧壁设有环向剪力齿,齿高 0.10 m[2]。预留孔底板厚0.60 m, 底板开孔直径为2.25 m。根据项目承台预留后浇孔的结构特点,以及施工现场受潮流影响且对环保要求极高的施工特点,对承台与钢护筒之间分离式柔性止水工艺进行设计。止水工艺分为以下3个步骤:首先在钻孔灌注桩施工完成后,清除钢护筒上杂物,安装止水装置;其次利用4 000 t 浮吊整体吊装预制墩台就位,精确调位后,将环形钢板托盘通过花篮螺栓预紧到位后抽水,待水抽干后及时进行速凝砂浆浇筑;最后进行湿接缝施工,待混凝土达到强度后拆除钢套箱,完成墩台安装[3]。预制墩台安装施工工艺流程见图2。

图2 预制墩台施工流程 *载下**原图
分离式柔性止水结构主要包括环形钢板托盘、止水膨胀橡胶、钢板橡胶止水带、速凝砂浆、收紧装置[4],见图3。
1.1环形钢板托盘
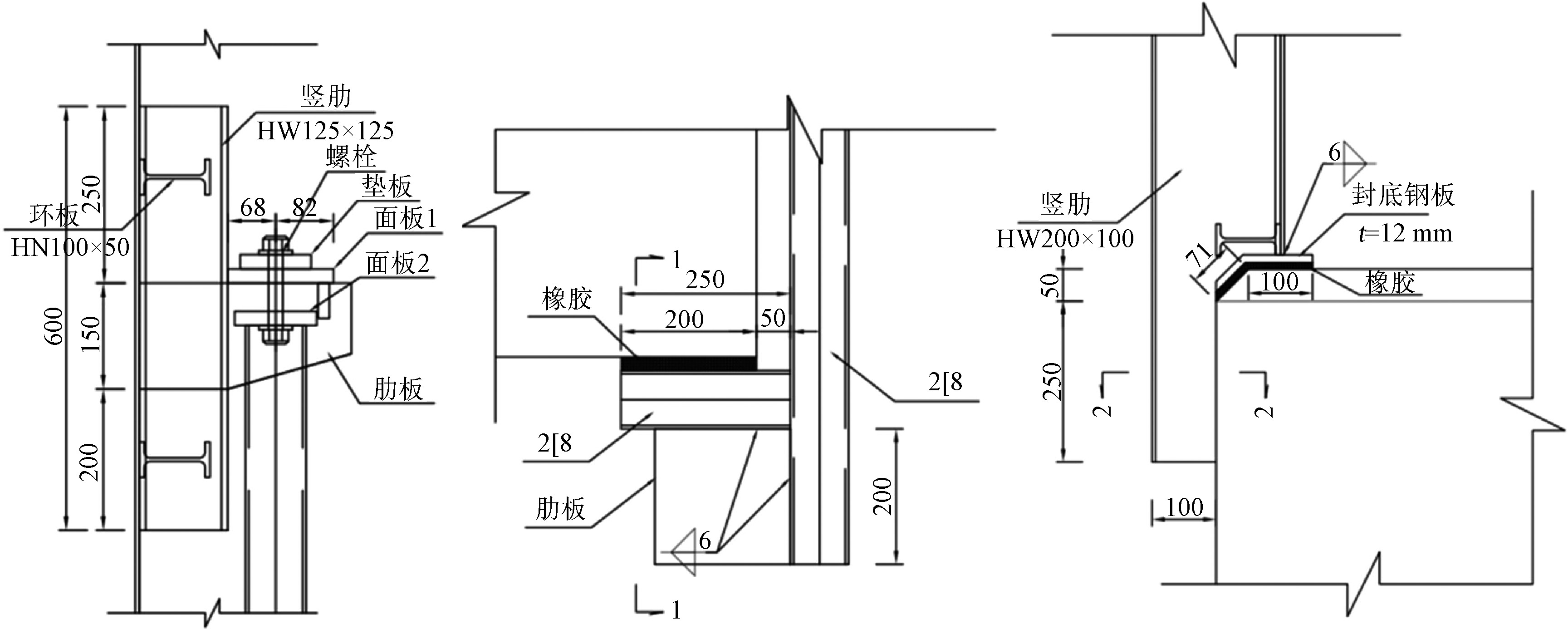
环形托盘见图4,内径比钢管桩直径大 2.00 cm。托盘采用1.60 cm厚钢板加工成,单个重量为 0.50 t。预制墩台吊装前,将托盘下放至承台底面以下预定标高,并通过8条固定于桩顶的钢丝绳悬挂,然后下放预制墩台到设计位置并精确调位;拉紧钢丝绳将止水钢板预紧到位,膨胀橡胶遇水膨胀挤密间隙,实现环向止水及竖向止水;最后将承台内的水抽干,浇筑60.00 cm厚速凝砂浆,实现承台预留孔处止水[5]。

图3 承台止水系统平面及止水大样 *载下**原图
单位:mm

图4 环形钢板托盘现场施工 *载下**原图
1.2柔性橡胶止水带
柔性橡胶止水带的压缩性能,是决定分离式柔性止水结构止水性能优劣的关键。通过对止水钢板橡胶压缩性能进行试验得出,止水钢板橡胶止水带压缩 8 mm 时压缩应力为4.86 t/m; 压缩高度接近50%,即压缩13 mm时压缩应力为38.29 t/m。试验过程见图5,试验结果见表1和图6。

图5 止水钢板橡胶止水带压缩应力试验工装与 止水带试样(试样长度20 cm) *载下**原图
表1 止水钢板橡胶止水带压缩试验数据 导出到EXCEL
|
压缩量/mm |
8 |
9 |
10 |
11 |
12 |
13 |
|
压缩应力/(t/m) |
4.86 |
6.38 |
8.75 |
12.63 |
19.87 |
38.29 |
根据试验结果,径向止水选用环板橡胶止水带,竖向止水选用钢板橡胶止水带。
径向止水是指环形托盘内壁与钢管桩之间的止水。环形钢板托盘内径与钢管复合桩间隙大小为20 mm, 故径向止水采用20 mm厚环形止水带安装于环形钢板托盘内壁。环形钢板托盘在预制墩台吊装前已下放至承台底面以下预定标高,需等预制墩台安装完成精确调位后才能将环形钢板托盘预紧到位。这个施工过程需要24 h。考虑施工的不确定因素及施工工效要求,膨胀橡胶应在遇水48 h后达到最佳膨胀效果。通过对市场膨胀橡胶止水带的性能进行调查,采用三元乙丙橡胶与遇水膨胀橡胶复合橡胶止水带符合该要求,见图7。

图6 止水钢板橡胶止水带压缩性能试验结果 *载下**原图

图7 径向环板橡胶止水带结构 *载下**原图
环形钢板托盘在下放、预紧到位过程中不可避免会与钢管桩产生碰撞,因此防止钢板托盘在下沉、预紧时橡胶止水带发生错动或掉落是至关重要的,是环形钢板托盘径向止水成败的关键。首先在橡胶止水带底部刷涂胶水,使其与环形钢板托盘内壁粘贴牢固,然后通过M8开槽螺栓和垫片将其与环形钢板托盘拧紧固定。
竖向止水是环形钢板托盘外壁与预制承台之间的止水,止水带的压缩性能是关键,所以选用压缩性能较好的钢板橡胶止水带。钢板橡胶止水带底部被刷涂胶水后粘贴在环形钢板托盘表面,通过压缩环形钢板托盘实现止水带R2 mm止水峰与预制承台底部紧密接触,达到止水目的,见图8。

图8 止水钢板橡胶止水带 *载下**原图
1.3收紧装置
港珠澳大桥大型墩台安装采用的是分离式胶囊柔性止水技术,每个混凝土环形托盘设置6根张拉杆,张拉杆下端采用挤压头锚固,通过千斤顶张拉保证托盘顶面与承台底面紧贴[6]。该工艺施工步骤较多,且对工人技术要求高,托盘容易出现“一边压紧,一边松弛”的现象。
本项目托盘采用的是环形钢板止水托盘,单个重为0.50 t, 较为轻便,因此每个环形托盘设置8条ϕ14钢丝绳,通过8个M16花篮螺栓固定于桩顶,见图9。预制墩台精确调位后,通过拧紧花篮螺栓保证托盘顶面与承台底面间紧贴。实践证明,该收紧装置施工便捷,施工效果较好。
2 无预埋件钢套箱
2.1钢套箱结构设计

图9 环形钢板托盘拉紧装置 *载下**原图
预制承台顶标高为+0.50 m, 设计高潮位为+4.11 m, 需要在承台顶部设计钢套箱防止海水从承台顶部灌入后浇孔,所以承台顶面与钢套箱的止水也是关键。在以往类似的工程中,需要在承台顶面设置预埋件,通过楔形块将钢套与承台锁紧。在钢套箱拆除后,需对承台预埋件进行处理,这对承台耐久性存在一定的影响。为了避免在预制墩台上设置预埋件及防止套箱封底混凝土污染海洋环境,项目采用无预埋件式倒挂钩(双拼[8 mm型钢)挂于承台底部,挂钩顶部通过精轧螺纹钢与钢套箱预埋件连接,并施加预紧力达到钢套箱与承台顶面的止水效果和竖向固定作用。
钢套箱壁板结构采用 6 mm 厚钢板制作,套箱外边缘尺寸与承台相同。单个钢套箱重量为28 t, 设横向主梁、竖向主梁、加劲肋、内撑水平杆、竖杆及斜杆。围堰壁体总高度为4 m, 竖向不分节,平面横向分为4块。围堰内设置一道内支撑。壁体各单元块间均采用可拆卸的螺栓连接;支撑于墩身的内支撑在支撑位置设置薄橡胶保护层,防止对墩身混凝土表面产生刮痕或损伤[7];钢套箱外壁设置挂梯,内侧设置盘扣支架,作为操作人员进出通道。盘扣支架同时兼做内支撑拆除时的承重架。钢套箱的底部堵水、外侧紧固结构见图10和图11。

图10 钢套箱底部堵水、外侧紧固结构示意 *载下**原图

图11 钢套箱外侧紧固结构上部、底部与钢套箱壁体止水结构细部 *载下**原图
单位:mm
2.2钢套箱与承台间止水施工
钢套箱在加工场完成加工,单根围檩与所在壁体焊接成整体,与内支撑等部件装车散运至墩台预制场;在下节墩台滚装上船前,由25 t汽车吊在场内完成安装。场内安装时,每一块壁体需临时固定在墩台上,直至闭合成堰体。壁体各单元块之间拼缝处粘贴止水条,保证壁体之间不漏水,并随墩台运输、吊放。钢套箱安装施工工艺流程见图12。

图12 钢套箱安装工艺流程 *载下**原图
在钢套箱安装过程中钢套与承台顶面止水是关键,且在墩台下放过程中保证墩台和钢套箱的稳定性至关重要。故需将墩台顶面的边缘清理整平,在钢套箱底部粘贴15 cm宽止水橡胶板,橡胶板中线与钢套箱中线对齐,不能出现褶皱、翘边;逐块将钢套箱吊装并安装于承台顶面,完成后用钢丝绳临时固定套箱,壁体之间粘贴止水条,逐块锁紧套箱壁体,连接钢围堰壁体与内支撑的法兰螺栓,用玻璃胶填塞板单元壁体间缝隙;钢套箱拼装完成后将围堰外侧壁体安装挂钩并逐个预紧,单点预紧力为 150 kN,从而达到承台顶面与钢套的止水效果,见图13。在钢套箱随首节预制墩台吊装的过程中,会因套箱内外的水位差引起套箱内外受力不平衡,导致墩台和套箱失稳。为了避免墩台及套箱失稳,需在钢套箱设置一套连通器,在钢套箱吊装前打开套箱的连通器,在墩台吊装过程中通过联通器连接套箱内外的水位,从而保证吊装时钢套箱内外水压平衡。吊装完成后,选择在低潮水位的时机关闭连通器,并拧紧连通器的法兰螺栓。
3 结语
以厦门第二东通道中航道桥、互通主线桥、西非通航孔桥及西航道桥预制墩台施工为研究背景,讨论了大型预制墩台安装分离式柔性止水结构、无预埋件钢套箱的设计原理及施工工艺。该施工工艺满足水深10~15 m的预制墩台安装止水施工要求。预制墩台与钢管桩通过将环形钢板托盘拉紧至预制承台底面后膨胀橡胶止水带遇水膨胀挤密间隙实现止水,钢套箱通过挂钩挂于承台底部并通过施加预紧力实现钢套箱与预制承台顶面的止水。该工艺在厦门第二东通道23个首节预制墩台中成功运用。

图13 现场施工照片 *载下**原图
本文论述的分离式柔性止水结构及无预埋件钢套箱施工工艺为国内首次投入施工并且成功实践,且该分离式柔性止水系统通过工程应用实践后证明其具有施工方便、快捷,止水效果好的优势。止水砂浆的浇筑在封闭环境中进行,规避了海洋环境污染的风险,达成了环境友好的目的。无预埋件钢套箱无需在承台设置预埋件,套箱拆除后无需再专门处理承台上的预埋件,提高了预制承台的耐久性。施工中采用的技术措施、施工工艺及相应的装置,值得后续同类型的桥梁借鉴使用。
参考文献
[1] 吴泽生,黄宜龙.埋置式承台分离式柔性止水结构设计与施工[J].公路交通技术,2020,36(3):72-77.
[2] 方明山.港珠澳大桥非通航孔桥下部预制墩台设计关键技术[J].中外公路,2015,(1):112-117.
[3] 曾新宏.大型预制墩台安装止水关键技术设计与施工[J].中外建筑,2017,(6):220-221.
[4] 景强.港珠澳大桥海中桥梁工程埋置式承台施工方案[J].世界桥梁,2015,(2):29-33.
[5] 闫亚乐.港珠澳大桥柔性止水法墩台安装质量控制研究[J].工程技术研究,2019,(3):54-55.
[6] 滕龙.预制墩台整体吊装止水设计与实施——港珠澳大桥桥梁工程CB04标[J].科技与企业,2014,(2):194-194.
[7] 何振东.预制墩台整体装配式套箱安拆及止水技术研究[J].科学与财富,2015,(7):116-117.公路 2022年11月第 11期

声明: 我们尊重原创,也注重分享。有部分内容来自互联网,版权归原作者所有,仅供学习参考之用,禁止用于商业用途,如无意中侵犯了哪个媒体、公司、企业或个人等的知识产权,请联系删除,另本头条号推送内容仅代表作者观点,与头条号运营方无关,内容真伪请读者自行鉴别,本头条号不承担任何责任。