该内容转载自 硬件设计技术
一、OTL电路的基本原理
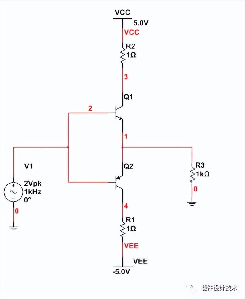
利用乙类放大器不需要静态工作点,因而没有静态工作损耗这一优点,同时又要保证能对交流信号进行功率放大,可以使用NPN和PNP三极管互补特性,把两个静态工作点为截止PNP和NPN管子的发射极连接在一起,形成如图一所示的乙类互补功率放大器,也称为推挽功率放大器。
与甲类功率放大器不同的是,乙类推挽放大电路中的三极管不需要静态工作点,交流信号在两个管子中流通过,从而降低自身的功率损耗,提高可效率。

图一:乙类互补对称功率放大器电路
二、乙类双电源互补对称的交越失真
我们构建的乙类双电源互补对称功率放大器的电路如图一所示。其中R1=R2=1R,是用来观察晶体管Q1、Q2分别导通时的交流信号电压波形的。
为了清晰、准确的观察到乙类双电源互补对称功率放大器的工作状态和各点的信号波形,我们用一个四踪示波器,四个通达分别接到乙类双电源互补对称放大器的输入交流端、晶体管Q1导通时的交流放大波形端、晶体管Q2导通时的交流放大波形端、乙类双电源互补功率放大器的电路的输出交流信号端。仿真电路如图二所示。

图二:仿真电路
按下仿真按钮,示波器显示的这四个电压波形如图三所示。示波器波形从上到下的顺序为:A通道-输入信号【红色】;B通道-Q1导通时的交流放大信号【绿色】;C通道-Q2导通时的交流放大信号【棕色】;D通道-输出交流信号【蓝色】

图三:电压信号波形
可看出晶体管Q1与Q2分别导通时的电压波形为半波导通,输出端的电压信号产生了交越失真。这与理论上分析的一致,使理论的结果在仿真试验中得到了很好的验证。
三、OTL电路性能的改善以及主要性能指标
为了解决互补对称功率放大器的工作点偏执和稳定问题,即让输出端得到最大的电压信号变化量,在实际中通常采用带自居的单电源互补对称电路。如图四所示。

图四:带自举的单电源互补对称电路
图四所示的电路中,四踪示波器的两个通道分别接在低频功率放大器的输入和输出端,用以观察其电压波形。按下仿真开关,我们得到低频放大器电路的输入端和输出端的电压信号波形,如图五所示。

图五:输入和输出端的电压波形
OTL电路的主要性能指标为:1,最大不失真输出功率;2,效率
该内容转载自 硬件设计技术 , 仅供学习交流使用,如有侵权,请联系删除。