福州大学电气工程与自动化学院的研究人员陈昊,在2018年第12期《电气技术》杂志上撰文指出,电子式电流互感器是电磁式电流互感器的升级换代产品。目前对基于电磁取能技术实现的低功耗电子式电流互感器的研究,主要集中在解决小电流时的取能死区问题和大电流时的抗饱和问题,对电磁取能模式下测量的可靠性及稳定性研究不够。
为此,本文设计了一种电磁取能结合蓄电池供电的低功耗电子式电流互感器,在高电位经单片机及CPLD将一次被测电流信号转换成FT3报文格式,经光纤直接传送到站控层。样机具有0.1S级准确度,功耗仅为41mW,已通过了国家级型式试验,目前正在挂网试运行。
随着智能电网的推进,对数字化产品的要求越来越高,数字变电站作为数字电力系统的重要组成部分,需要数字输出的互感器,而且传统互感器存在铁磁谐振、磁饱和、动态范围小、绝缘结构复杂以及有油易燃、易爆炸等问题,这就催生了电子式互感器。
根据IEC 60044-8标准,电子式电流互感器(electronic current transformer, ECT)可分为光学电流互感器(optical current transducer, OCT)、空心线圈式电流互感器(rogowski coil current transformer, RCCT)和低功率电流互感器(low power current transformer, LPCT)3种。
其中,RCCT及LPCT的技术较为成熟,运行经验多,具有实用化优势。国家电网曾经推广使用RCCT,但经过一段时间的运行后,发现故障率过高。2012年国家电网发布了《关于切实加强电子式互感器运行管理的通知》,要求全部RCCT退出运行,说明其可靠性和安全性尚不能满足实用要求。
目前LPCT以其功耗低、绝缘性好、测量准确度高以及智能化在中低压的测量中逐渐涌现出来,而对LPCT的研究主要围绕低功耗及取能宽范围两方面,忽略了互感器稳定性、实用性及产品化的特性,鲜有应用于实际的产品。
因此,本文根据ECT原理设计了一种基于LPCT的低功耗电子式电流互感器,不仅具有低功耗及宽取能范围的优势,而且能够保证其实用性。取能方式采用高压母线电磁取能与蓄电池配合的联合供电方式,取能范围能够达到0%~120%额定输入电流。系统电路功耗低于41mW,精度可达到0.1S级。
系统在高压端即完成数字化,输出为通用报文协议信号,可直接连入电网站控层使用。高低压端通过光纤连接无直接电气联系,绝缘可靠成本低,具备产品化能力。在实验过程中发现电磁取能引起数字化校验的相位误差跳变现象,分析了跳变产生原因并提出相应的解决方案,保证了实验室环境下电子式电流互感器的数字化校验工作的正常进行。
1 低功耗电子式电流互感器设计
本文设计的ECT由电磁取能模块和基于LPCT的信号处理模块两部分构成,两个模块均置于高压端,以LPCT为高压侧传感单元,电磁取能模块为其数据处理电路供电,在高压端进行数字化后通过光纤将数字信号直接传送至站控层。
1.1 电磁取能模块设计
对于电磁取能的研究集中于小电流取能及大电流防饱和,且主要停留在理论仿真成果或者简单实验层面上,而目前产品级高压取能电源仅能够实现30A电流起动。随着科学技术的发展,未来ECT朝着低功耗方向迈进,因此对取能模块所提供的功率要求越来越低,而且随着蓄电池耐高温、大容量等方面技术的发展,取能小电流死区问题完全能够通过电磁取能配合蓄电池的方案得以很好的解解决。因此本文提出了一种基于反激电路的电磁取能方法并与蓄电池进行配合,能够实现零电流起动。
取能电路基于反激电路构成,总体结构如图1所示。由于高温大容量蓄电池电压的局限,因此设计取能电源为输出电压12V。反馈控制芯片NCP1234作为主控器接收输出端光电耦合器LTV-357T的反馈信号调节输出的PWM信号控制开关管IRFR220N的开断,进而控制输出电压稳定在12V。而NCP1234控制IRFR220N开通时能量通过反激变压器转换成电磁能储存起到电荷泵的作用,不仅所用器件少电路结构简单,而且可以实现输入与输出的隔离。
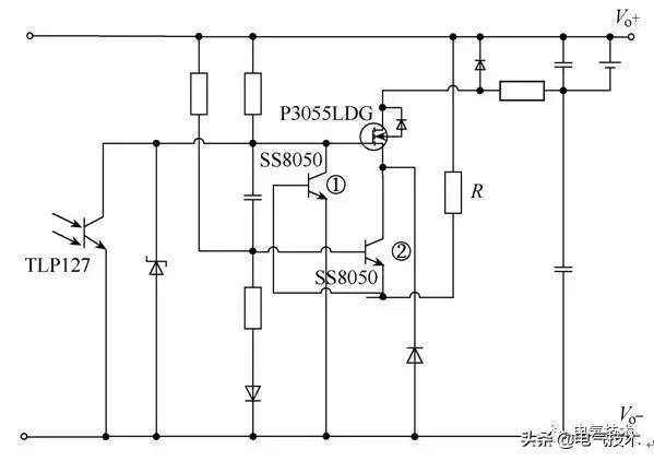
无源充放电控制电路对蓄电池进行控制,电路如图2所示。光电耦合器TLP127将反激变压器一次侧输入电压情况反馈到二次侧。当一次侧电压高于基准2.5V时光耦发射端无输出、接收端断开,输出电能由一次侧取能线圈提供并对蓄电池进行充电;当一次侧电压低于基准2.5V时光耦发射端有输出、接收端导通,取能模块通过蓄电池提供电压输出。本文设计的取能模块蓄电池放置于高压端,无需长引线保证了供电的可靠性。

图1 取能模块整体结构

图2 无源充放电控制电路
蓄电池放置于高压端环境温度较低压端高得多,因此选择可承受温度范围-20℃~80℃的可充电高温锂电池,输出电压11.1V,容量30Ah。蓄电池充满电时,能保证母线完全断电时为后续电路持续供电4个月,增强了互感器运行的可靠性和稳定性。
1.2 基于LPCT的信号处理模块设计
信号处理模块通过LPCT将母线上电流信息采集后传送到后续采样电路、数据处理及传输电路转换成光信号输出,结构如图3所示。

图3 测量模块结构
测量模块的精度及功耗决定着电流互感器的精度与功耗,因此对于测量模块的设计至关重要。本文考虑以下几方面降低功耗:①减少各模块的外部电路;②通过对内部特别功能寄存器编程,不使用的功能模块使其停止工作,减少系统无效功耗;③一般运放、单片机等电子器件的工作电压越高,内部晶体管在放大区的工作时间也越长,功耗也就越大,为了降低系统功耗,将工作电压控制在1.8~5V范围内。
1)采样电路
采样电路由LPCT以及模数转换电路构成,主要用于采集母线上的电流信号。
LPCT将一次侧的大信号转换成小信号输出,需要较高的测量精度与较宽的测量范围,因此本文的LPCT铁心材料选用微晶合金,匝比为1∶3000,准确度可达0.02。采样电阻Rsh参数与温度有关,环境温度变化会影响其阻值进而影响互感器测量精度,因此选择金属箔特制的超低温漂精密航空电阻,精度误差为0.01%,温度系数低于5×106。AD采样芯片的选择主要考虑功耗问题,选择16位低功耗ADS8867芯片,功率消耗仅需0.7mW。
由于采样电阻小得到的采样电压偏小直接测量很难保证测量精度,因此在输入信号和AD采样之间设置THS4531全差分放大器。其高输入阻抗和低输出阻抗在信号源和AD采样之间提供了一个缓冲,且其差分信号输出避免了共模信号的干扰及参考点电压浮动的问题。全差分放大器输出连接RC滤波器减弱来自AD采样开关电容器输入级的反冲噪声,并且作为一个抗混叠滤波器限制了前端电路产生的宽频带噪声。
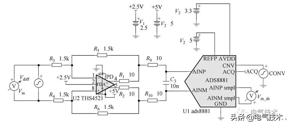
全差分放大器选用低功耗、低失真、低噪声的THS4531A,令R3=R4=R5=R6=1.5k,放大器增益Av=1。利用TINA软件对AD采样电路进行仿真,仿真电路如图4所示,仿真中使用ADS8881代替ADS8867,其所得到电路仿真效果相同。

图4 全差分放大及AD采样仿真电路
电路仿真结果如图5所示,结果表明所设计的电路能够将浮空的输入电压信号不失真地传递给AD采样芯片,并且输出的采样信号能将输入的模拟信号很好地还原。

图5 AD采样电路仿真结果
AD采样芯片在模数转换过程中需要稳定的基准电压,而基准电压的抖动会严重影响互感器的数字化准确性,误差关系为

(1)
式中,Vin为输入电压;Vref为电压基准理想值; 为电压基准噪声;N为AD采样位数。
在一次侧电流大小为额定电流1%时,电压基准的噪声造成的误差如图6所示,最高可达到0.13%。另外,在小信号情况下,测量易受到外界信号的干扰,为了保证测量精度,使用5V电压基准,相比于3V的电压基准,功耗增加0.2mW,但能够保证互感器的精度。

图6 电压基准抖动误差
为了避免由于电压基准的抖动造成模数转换误差,本文利用标准电压基准结合超低功耗驱动滤波器OPA333对电压基准噪声进行滤波,电路如图7所示。

图7 电压基准滤波器
OPA333使用专有自动校准技术,能够提供极低的失调电压,R2和C2引入双反馈生成一个比低通滤波器设定频率低10倍的截止频率,对电压基准的电压抖动进行补偿。R3和C3构成低通滤波器能够减少AD采样芯片的宽频带噪声。通过设置电压基准滤波器能够控制电压基准噪声小于1/2LSB。
2)数据处理与传输电路
AD采样获得的采样数据输入数据处理与传输电路进行数据处理形成FT3报文数据发出。使用单片机进行数据处理能够使系统功耗降低,但若使用单片机同时进行数据的采集处理以及数据的合并时,则在数字传输过程中易受到采集过程的影响导致时序紊乱进而造成测量误差。
因此本文将两个过程分立,选择小容量的CPLD作为合并单元,而仅使用单片机进行数据的采集处理。利用CPLD内部稳定的时序控制功能调节单片机的时序,降低因时间抖动造成的误差。
本文选择微功耗STM32L053型单片机;CPLD采用Altera公司生产的低功耗、低成本EPM570T100C5N;电光转换采用高速、低功耗、线性HFBR-1414TZ型号器件。
单片机、CPLD通过程序配合完成数据的采样及处理,程序流程如图8所示。单片机在CPLD产生的4K采样脉冲下进行数据采集,通过同步串行方式将16位数据输入单片机。CPLD的固定频率唤醒单片机,一旦完成数据采集后单片机,即进入休眠状态能使功耗降低85%。单片机获得采样数据后,利用I/O口将数据并行输出至CPLD,CPLD内部的发送模块将数据按IEC 60044-8规定的FT3固定长度帧格式经CPLD的I/O口输出驱动电光转换器,输出帧波特率为2.5Mbit/s。
电光转换器将接收到的报文数据转换为光信号经光纤传输到站控层,其中微功耗超高亮LED和静态电流为0.05mA的微功耗运放使得光电模块的功耗仅1mW。在数据采样及报文发送过程中,每一帧报文发送完毕需要100s,因此采样脉冲间隔设置为250s,保证在报文发送完成后进行下一个周期的数据采样。

图8 程序流程
2 性能测试
2.1 整机实验
按照上述两个模块搭建了一台适用于110kV电力网络的低功耗电子式电流互感器样机,样机如图9所示。所有电路均放置于高压端,电磁环境恶劣,为了提高系统的电磁兼容性,将系统安装在屏蔽盒内,样机输出端仅经过光纤连接,减少与外界接触。
实验中由GDSL-82-600A大电流发生器提供一次侧额定300A电流,测量得到的数据通过光纤经绝缘伞输出至NT705电子式互感器校验仪后与HL-53SC精密电流互感器得到的标准信号进行比较,在上位机显示实时测量数据。实验测得样机平均功耗低于41mW,光纤中通信波特率可达2.5Mb/s。

图9 低功耗电子式电流互感器样机
2.2 相位误差跳变实验
电磁取能是一个非线性的能量转换过程,文献[15-16]提出在实验室条件下,当含有自取能装置的ECT作为一个大电流发生器的惟一负载时,这种非线性取能会引起一次电流的波形畸变,而这一现象不会对测量信号产生干扰。
本文所设计的含自取能的ECT,在实验过程中同样出现了一次电流波形轻微畸变现象,如图10所示。而在使用电子式互感器校验仪对ECT进行数字化高精度校验的过程中,一次畸变的电流引起ECT校验结果的相位误差出现跳变,如图11所示,影响测量工作的准确性。

图10 一次电流波形畸变

图11 相位误差跳变测量结果
大电流发生器的基本原理如图12所示,自耦变压器进行调压输出接入一个功率变压器。根据功率守恒定则U1I1=U2I2,输入功率变压器的功率等于输出功率变压器的功率,因此通过设置功率变压器一次侧匝数多、二次侧匝数少来降低输出电压以获取大的输出电流。

图12 大电流发生器的原理图
实验所使用的GDSL-82-600A大电流发生器额定输出电流600A、额定输出电压6V。

(2)
大电流发生器为电流源,根据式(2)可知其实际输出电压Uo及实际输出功率Po与其输出所接负载即所连接的大电流导线阻值RL有关。为了在额定600A输出电流时获得额定6V输出电压就要求输出端接入阻值为10m、可承受3600VA以上功率的大电流导线。而实验测得截面积160mm2、额定电流800A的标准大电流导线线阻0.4m,大电流发生器输出功率仅为额定输出功率的1/25,几瓦的非线性取能对电流源的影响无法忽略,导致一次侧电流波形产生轻微畸变。
波形出现非线性失真是非线性取能的真实反映,因此需要电流源具有大的输出功率以保证非线性取能不会对其电流波形造成影响,而在真实电网上电流波形完全取决于大规模的用户负载电流,其线路能够提供的功率极大,几瓦的微小取能不会影响电流的波形。
因此,针对实验室电流源功率不足导致校验过程中相位误差异常的问题,可通过以下方案进行改进:①通过增加大电流发生器的输出电阻,提高输出电压进而增加输出功率,但该方法受限于所增加电阻的额定功率使得其输出电流可调节范围较小;②通过两套电流源设备将测量与取能分离,排除取能对测量系统的影响。
对所述方案进行了实验,实验中一次电流波形如图13所示为标准正弦波未发生波形畸变,且测量系统的校验过程无相位误差跳变现象发生,校验工作能够正常 进行。

图13 一次侧电流波形
2.3 取能实验
将取能装置单独套接在电流源输出大电流导线上,输出接2k电阻负载,分别测量取能装置接入蓄电池与未接蓄电池两种情况下负载电阻的输出电压,测试结果见表1。
实验结果表明:①当一次侧电流低于6A时,输出由蓄电池提供;②当一次侧电流高于6A时,输出由电磁取能提供,输出电压基本稳定在12V,电源输出功率不少于5W。在15天的测试运行中,蓄电池与电磁取能配合良好未出现断电情况。

表1 取能模块实验数据
2.4 性能试验
样机在中国电力科学研究院武汉电力工业电气设备质量检验测试中心进行了型式试验如图14所示,试验内容包括基本准确度试验、一次端工频耐压试验、局部放电测量及雷电冲击试验。
本文设计的低功耗电子式电流互感器按照GB/T 20840标准的误差要求,在0~120%额定电流范围内对样机进行了准确度试验,图15为样机试验误差曲线。

图14 试验现场

图15 样机试验误差曲线
由图15可见,所设计的样机比差及相位误差都在标准规定的上下界限范围内,样机满足0.1S级准确度要求。工频耐压试验、局部放电测量及雷电冲击试验均满足标准要求,样机绝缘安全可靠。
2.5 挂网试运行
目前样机已在110kV变电站挂网试运行,现场测量结果误差小于0.02%,样机无噪声及发热现象,运行稳定可靠,测量准确度满足0.1S准确级。

图16 挂网运行现场
结论
本文设计了一种自取能的低功耗电子式电流互感器,将一次电流信号在高电位进行数字化,并在高压端直接获得FT3报文信息输出,可直接连入电网站控层使用。供电采用电磁取能结合蓄电池方式,能够实现零电流起动,有效提高了取能范围,并解决了实验室环境下电子式电流互感器数字化校验过程中的相位误差跳变问题。
通过试验及挂网试运行验证,所设计的电流互感器精度可达0.1S准确级,系统功耗低于41mW,绝缘耐压性能可靠,具备产品化能力。