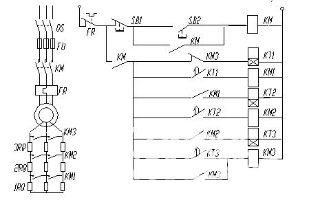
Y-△(星三角)降压启动控制线路-接触器应用接线图
Y-△降压启动适用于正常工作时定子绕组作三角形连接的电动机。由于方法简便且经济,所以使用较普遍,但启动转矩只有全压启动的三分之…,故只适用于空载或轻载启动。
Y-△启动器有OX3-13、Qx3—30、、Qx3—55、QX3—125型等。OX3后丽的数字系指额定电压为380V时,启动器可控制电动机的最大功率值(以kW计)。
OX3—13型Y-△自动启动器的控制线路如图11—11所示。

合上电源开关Qs后,按下启动按钮SB2,接触器KM和KMl线圈同时获电吸合,KM和KMl主触头闭合,电动机接成Y降压启动,与此同时,时间继电器KT的线圈同时获电。
星形——三角形降压起动控制线路
星形——三角形( Y —△)降压起动是指电动机起动时,把定子绕组接成星形,以降低起动电压,减小起动电流;待电动机起动后,再把定子绕组改接成三角形,使电动机全压运行。 Y —△起动只能用于正常运行时为△形接法的电动机。
1.按钮、接触器控制 Y —△降压起动控制线路
图 2.19 ( a )为按钮、接触器控制 Y —△降压起动控制线路。线路的工作原理为:按下起动按钮 SB1 , KM1 、 KM2 得电吸合, KM1 自锁,电动机星形起动,待电动机转速接近额定转速时,按下 SB2 , KM2 断电、 KM3 得电并自锁,电动机转换成三角形全压运行。
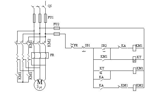
2. 时间继电器控制 Y —△降压起动控制线路
图 2.19 ( b )为时间继电器自动控制 Y —△降压起动控制线路,电路的工作原理为:按下起动按钮 SB1 , KM1 、 KM2 得电吸合,电动机星形起动,同时 KT 也得电,经延时后时间继电器 KT 常闭触头打开,使得 KM2 断电,常开触头闭合,使得 KM3 得电闭合并自锁,电动机由星形切换成三角形正常运行。


图1 定子串电阻降压起动控制线路
图1是定子串电阻降压起动控制线路。电动机起动时在三相定子电路中串接电阻,使电动机定子绕组电压降低,起动后再将电阻短路,电动机仍然在正常电压下运行。这种起动方式由于不受电动机接线形式的限制,设备简单,因而在中小型机床中也有应用。机床中也常用这种串接电阻的方法限制点动调整时的起动电流。
图1(A)控制线路的工作过程如下:
按SB2 KM1得电(电动机串电阻启动)
KT 得电 (延时) KM2得电(短接电阻,电动机正常运行)
按SB1,KM2断电,其主触点断开,电动机停车。
只要KM2得电就能使电动机正常运行。但线路图(A)在电动机起动后KM1与KT一直得电动作,这是不必要的。线路图(B)就解决了这个问题,接触器KM2得电后,其动断触点将KM1及KT断电控制工程网版权所有,KM2自锁。这样,在电动机起动后,只要KM2得电,电动机便能正常运行。
串电阻起动的优点是控制线路结构简单,成本低,动作可靠,提高了功率因数,有利于保证电网质量。但是控制工程网版权所有,由于定子串电阻降压起动,起动电流随定子电压成正比下降,而起动转矩则按电压下降比例的平方倍下降。同时,每次起动都要消耗大量的电能。因此,三相鼠笼式异步电动机采用电阻降压的起动方法,仅适用于要求起动平稳的中小容量电动机以及起动不频繁的场合。大容量电动机多采用串电抗降压起动。
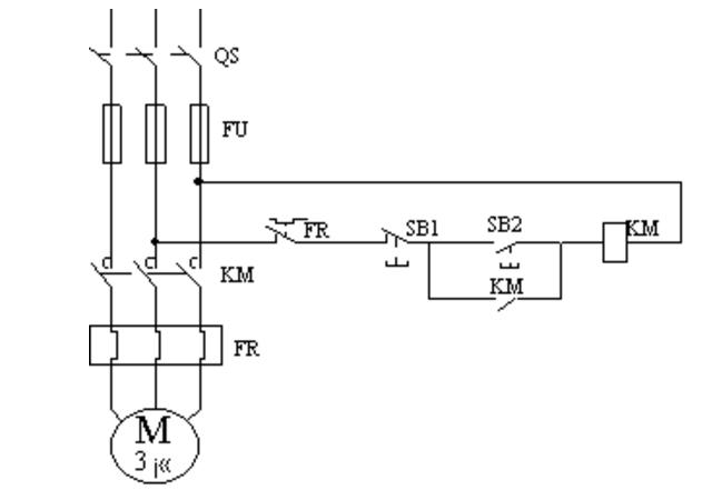
鼠笼式异步电动机全压启动控制线路
在许多工矿企业中,鼠笼式异步电动机的数量占电力拖动设备总数的85%左右。在变压器容量允许的情况下,鼠笼式异步电动机应该尽可能采用全电压直接起动,既可以提高控制线路的可靠性,又可以减少电器的维修工作量。
电动机单向起动控制线路常用于只需要单方向运转的小功率电动机的控制。例如小型通风机、水泵以及皮带运输机等机械设备。图1是电动机单向起动控制线路的电气原理图。这是一种最常用、最简单的控制线路,能实现对电动机的起动、停止的自动控制、远距离控制、频繁操作等。

图2 单向运行电气控制线路
在图2中,主电路由隔离开关QS、熔断器FU、接触器KM的常开主触点,热继电器FR的热元件和电动机M组成。控制电路由起动按钮SB2、停止按钮SB1、接触器KM线圈和常开辅助触点、热继电器FR的常闭触头构成。
控制线路工作原理为:
1、起动电动机合上三相隔离开关QS,按起动按钮SB2,按触 器KM的吸引线圈得电,3对常开主触点闭合,将电动机M接入电源,电动机开始起动。同时,与SB2并联的KM的常开辅助触点闭合,即使松手断开SB2,吸引线圈KM通过其辅助触点可以继续保持通电,维持吸合状态。凡是接触器(或继电器)利用自己的辅助触点来保持其线圈带电的,称之为自锁(自保)。这个触点称为自锁(自保)触点。由于KM的自锁作用,当松开SB2后,电动机M仍能继续起动,最后达到稳定运转。
2、停止电动机 按停止按钮SB1控制工程网版权所有,接触器KM的线圈失电,其主触点和辅助触点均断开,电动机脱离电源,停止运转。这时即使松开停止按钮,由于自锁触点断开,接触器KM线圈不会再通电,电动机不会自行起动。只有再次按下起动按钮SB2时,电动机方能再次起动运转。
也可以用下述方式描述:
合上开关QS
起动→KM主触点闭点→电动机M得电起动、运行
按下SB2→KM线圈得电—→KM常开辅助触点闭合→实现自保
停车→KM主触点复位→电动机M断电停车
按下SB1→KM线圈失电—→ KM常开辅助触点复位→自保解除
串自耦变压器降压起动控制线路
在自耦变压器降压起动的控制线路中,限制电动机起动电流是依靠自耦变压器的降压作用来实现的。自耦变压器的初级和电源相接,自耦变压器的次级与电动机相联。自耦变压器的次级一般有3个抽头,可得到3种数值不等的电压。使用时,可根据起动电流和起动转矩的要求灵活选择。电动机起动时,定子绕组得到的电压是自耦变压器的二次电压,一旦起动完毕,自耦变压器便被切除,电动机直接接至电源,即得到自耦变压器的一次电压,电动机进入全电压运行。通常称这种自耦变压器为起动补偿器。这一线路的设计思想和串电阻起动线路基本相同,都是按时间原则来完成电动机起动过程的。


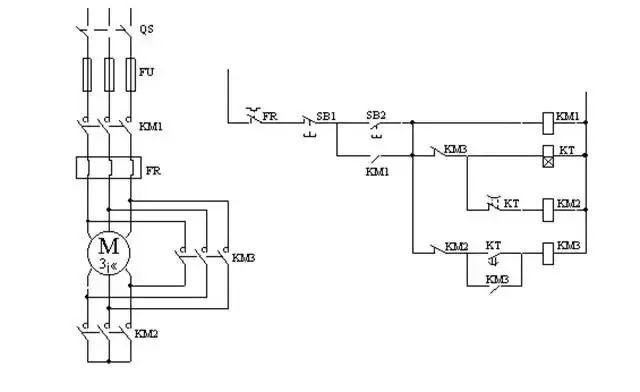
图4 Y—△降压起动控制线路
工作原理:
按下起动按钮SB2,接触器KM1线圈得电,电动机M接入电源。同时,时间继电器KT及接触器KM2线圈得电。
接触器KM2线圈得电,其常开主触点闭合,电动机M定子绕组在星形连接下运行。KM2的常闭辅助触点断开,保证了接触器KM3不得电。
时间继电器KT的常开触点延时闭合;常闭触点延时继开,切断KM2线圈电源,其主触点断开而常闭辅助触点闭合。
接触器KM3线圈得电,其主触点闭合,使电动机M由星形起动切换为三角形运行。
停车:按SB1 辅助电路断电,各接触器释放、电动机断电停车
线路在KM2与KM3之间设有辅助触点联锁,防止它们同时动作造成短路;此外,线路转入三角接运行后,KM3的常闭触点分断,切除时间继电器KT、接触器KM2,避免KT、KM2线圈长时间运行而空耗电能,并延长其寿命。
三相鼠笼式异步电动机采用Y—△降压起动的优点在于:定子绕组星形接法时,起动电压为直接采用三角形接法时的1/3,起动电流为三角形接法时的1/3,因而起动电流特性好,线路较简单,投资少。其缺点是起动转矩也相应下降为三角形接法的1/3,转矩特性差。所以该线路适用于轻载或空载起动的场合。另外应注意,Y—△联接时要注意其旋转方向的一致性。
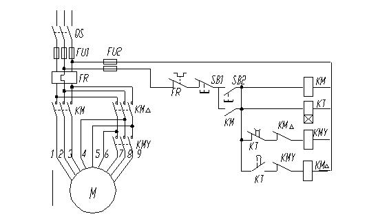
△—△降压起动控制线路
线路设计思想:
如前所述,Y—△降压起动有很多优点,但美中不足的是起动转矩太小。能否设计一种新的降压起动方法,既具有星形接法起动电流小,又不需要专用起动设备,同时又具有三角形接法起动转矩大的优点,以期完成更为理想的起动过程呢?△—△降压起动便能满足这种要求。在起动时,将电动机定子绕组一部分接成星形,另一部分接成三角形。待起动结束后,再转换成三角形接法,转换过程仍按照时间原则来控制。从图5中的绕组接线看,就是一个三角形3条边的延长,故也称延边三角形。
图5为电动机定子绕组抽头连接方式。其中图(a)是原始状态。图(b)为起动时接成延边三角形的状态。图(c)为正常运行时状态。这种电动机共有9个抽线头控制工程网版权所有,改变定子绕组抽头比(即N1与N2之比),就能改变起动时定子绕组上电压的大小,从而改变起动电流和起动转矩。但一般来说,电动机的抽头比已经固定,所以,仅在这些抽头比的范围内作有限的变动。例如,通过相量计算可知,若线电压为380V,当N1/N2=1/1时,相似于自耦变压器的抽头百分比71℅,则相电压为264V;当N1/N2=1/2时,相似于自耦变压器的抽头百分比78℅,则相电压为290V;当N1/N2=2/1时,相似于自耦变压器的抽头百分比66℅;Y—△接法,相似于自耦变压器的抽头百分比58℅。
典型线路介绍
定子绕组呈△—△接法的线路如图6所示。

线路工作原理:


三相异步电动机的制动控制线路
某些生产机械,如车床等要求在工作时频繁的起动与停止;有些工作机械,如起重机的吊勾需要准确定位,这些机械都要求电动机在断电后迅速停转,以提高生产效率和保护安全生产。
电动机断电后,能使电动机在很短的时间内就停转的方法,称作制动控制。制动控制的方法常用的有二类,即机械制动与电力制动,下面将这两种制动方法介绍如下。
01
机械制动
机械制动是利用机械装置,使电动机迅速停转的方法,经常采用的机械制动设备是电磁抱闸,电闸抱闸的外形结构如图21801所示。

电磁抱闸主要由两部分构成:制动电磁铁和闸瓦制动器。 制动电磁铁由铁芯和线圈组成;线圈有的采用三相电源,有的采用单相电源;闸瓦制动器包括:闸瓦,闸轮,杠杆和弹簧等。闸轮与电动机装在同一根转轴上. 制动强度可通过调整弹簧力来改变。
1.电磁抱闸制动控制线路之一

如图21802所示,电磁抱闸制动控制线路的工作原理简述如下:
接通电源开关QS后,按起动按钮SB2,接触器KM线圈获电工作并自锁。电磁抱闸YB线圈获电,吸引衔铁(动铁芯),使动、静铁芯吸合,动铁芯克服弹簧拉力,迫使制动杠杆向上移动,从而使制动器的闸瓦与闸轮分开,取消对电动机的制动;与此同时,电动机获电起动至正常运转。当需要停车时,按停止按钮SB1,接触器KM断电释放,电动机的电源被切断的同时,电磁抱闸的线圈也失电, 衔铁被释放,在弹簧拉力的作用下,使闸瓦紧紧抱住闸轮,电动机被制动,迅速停止转动。
电磁抱闸制动,在起重机械上被广泛应用。当重物吊到一定高度, 如果线路突然发生故障或停电时,电动机断电,电磁抱闸线圈也断电, 闸瓦立即抱住闸轮使电动机迅速制动停转,从而防止了重物突然落下而发生事故。
2.电磁抱闸制动控制线路之二
采用图21802控制线路,有时会因制动电磁铁的延时释放,造成制动失灵。
造成制动电磁铁延时的主要原因:制动电磁铁线圈并接在电动机引出线上(参见图2-71)。电动机电源切断后,电动机不会立即停止转动,它要因惯性而继续转动。由于转子剩磁的存在,使电动机处于发电运行状态,定子绕组的感应电势加在电磁抱闸YB线圈上。所以当电动机主回路电源被切断后,YB线圈不会立即断电释放,而是在YB线圈的供电电流小到不能使动、静铁芯维持吸合时,才开始释放。
解决上述问题的简单方法是;在线圈YB的供电回路中串入接触器KM的常开触头。如果辅助常开触头容量不够时, 可选用具有五个主触头的接触器。或另外增加一个接触器,将后增加接触器的线圈与原接触器线圈并联。将其主触头串入YB的线圈回路中。这样可使电磁抱闸YB的线圈与电动机主回路同时断电,消除了YB的延时释放。
3.防止电磁抱闸延时的制动控制线路
如图21803所示:

02
电力制动
常用的电力制动有电源反接制动和能耗制动两种。
一、电源反接制动
电源反接制动是依靠改变电动机定子绕组的电源相序,而迫使电动机迅速停转的一种方法。
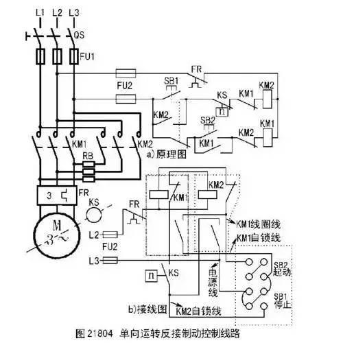
1.单向运转反接制动控制线路
如图21804所示:

2.可逆起反接制动控制线路之一
如图21805所示:

图中KS—1和KS—2分别为速度继电器正反两个方向的两副常开触头,当按下SB2时,电动机正转,速度继电器的常开触头KS—2闭合,为反接制动作准备,当按下SB3时,电动机反转,速度继电器KS—1闭合,为反接制动作准备。中间继电器KA的作用是:为了防止当操作人员因工作需要而用手转动工件和主轴时,电动机带动速度继电器KS也旋转;当转速达到一定值时,速度继电器的常开触头闭合,电动机获得反向电源而反向冲动,造成工伤事故。
图21805控制线路的工作原理,简述如下:
闭合电源开关QS后按SB2,接触器KM1获电闭合并通过其自锁触头自锁,电动机M正转起动,当电动机转速高于120转/每分钟 时,KS—2闭合,为反接制动作准备。
当需要正转停止时,按SB1,接触器KM1断电释放而中间继电器KA获电吸合并自锁;KA的常开触头断开,切断KM2自锁触头的供电回路,使其不能自锁;KA的常开触头接通KM2的线圈回路,使KM2获电吸合,此时反接制动开始,当电动机的转速降至约100转/每分钟时,速度继电器KS—2断开,使 KM2断电释放,在中间继电器自锁回路中的常开触头KM2断开,使中间继电器KA也失电释放。(反转的起动及反接制动的工作原理与上述相似,不再赘述。)
可逆起动反接制动的控制线路之一的参考接线步骤如下:
(1)首先接好电源FU2及热继电器FR常闭触头,引出控制电源“1”与“2。
(2)将电源“1”接至三个线圈的一端。接触器KM1与KM2的线圈空闲端分别接至对方的常闭触头;从KM1、KM2的两个空常闭触头各引出一长一短两根线,其中两根短线接至对方的常开触头,两根长线为两个接触器各自的线圈线,其中从KM2常闭引出的长线为“KM1的线圈线”,接至SB2左侧常开接点;从KM2常闭引出的长线为“KM2的线圈线”,接至SB3左侧常开接点。
(3) 将KM1、KM2刚接过线的常开触头的空接点,与KA的常闭触头用导线连接,并引出一根长线作为“KM1与KM2的共自锁线”接到SB2(或SB3),右侧常开接点;从KA常闭接点的空闲端点引出一根长线,接至SB1右侧常闭接点;从KA 线圈的空接点引出两短一长共三根线,短线分别接KM1、KM2未接过线的常开接点,长线作为“KA的线圈线”接至SB1左侧常开接点,将刚接过线的KM1、KM2的两个空常开接点与KA 的常开接点连接,将刚接过线的KA常开空触头与另一个KA常开触头连接,并从此点引出一长一短两根导线,其中短线与电源“2”连接,长线作为“电源线”接至SB1右侧常开(或左侧常闭)接点上。
(4)从刚接过线的KA常开空接点引出一根长线接至速度继电器KS 的两个常开触头,将KS-1,KS-2的空接点与KM1、KM2的线圈线连接。此处注意KS-1与KM1线圈线连接,KS-2与KM2线圈线连接。如果KS与按钮开关较近,则将KS 的引出线接至按钮开关SB2、SB3的左侧常开接点;如果KS与接触器KM1、KM2较近,则将KS的引出线接至KM1、KM2的常开自锁触头上(与常闭触头交叉相连的一端)。
(5)将SB1左侧常闭与右侧常开两接点相连接;将SB2与SB3右侧常开的两接点相连接。
(6)检查所有的接线,确认无错漏后,送电试机。
3.可逆起动反接制动控制线路之二
如图21806所示:







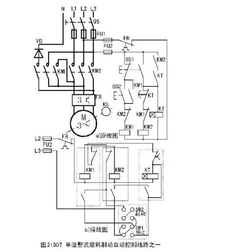
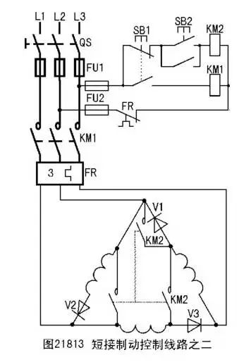
图21813所示的控制线路适用于正常运行为三角形接法的电动机。在电动机三相定子绕组中每相串接一个整流二极管。电动机正常运行时,接触器KM1、KM2都获电吸合,KM2触头短接二极管。当需要停车时,按停止按钮SB1,KM1和KM2均断电释放,二极管串入绕组工作。电动机转子有剩磁,且在惯性作用下继续旋转,转子剩磁磁场切割定子绕组,产生定向的感应电流。定子感应电流与转子的旋转磁场相互作用,产生制动力矩,迫使电动机停转。
图21812及图21813中,请读者自补接线图。这两个图非常简单,也可以不画接线图,按照原理图直接连接。
短接制动的优点是简单易行,无需特殊的控制设备。制动时,定子的感应电流比电动机空载起动时的电流要小。
短接制动的缺点是:制动作用不强,定位不准确,且仅适用于小容量的高速电动机。
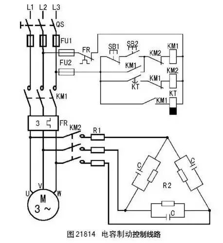
二、电容制动
电容制动是将工作着的异步电动机在切断电源后,立即在定子绕组的端线上,接入电容器而实现制动的一种方法。
电容制动控制线路如图21814所示:

三组电容器可以接成星形或三角形,与电动机定子出线端形成闭合回路。当运行的电动机断开电源时,转子内的剩磁切割定子绕组产生感应电动势,并向电容充电,其充电电流在定子绕组中形成励磁电流,建立一个磁场,这个磁场与转子剩磁相互作用,产生一个与旋转方向相反的制动力矩,使电动机迅速停转,完成制动。
电容制动控制线路的工作原理如下:
起动过程,闭合电源开关QS并按下起动按钮SB2,接触器KM1获电吸合并经KM1-1常开触头自锁,KM1-2常闭触头断开,闭锁了KM2;接触器KM1的主触头闭合,电动机获电运转;KM1-3闭合使时间继电器KT获电吸合,KT的延时断开常开触头瞬间闭合,为KM2获电作准备。需要停车时,按下停止按钮SB1使接触器KM1断电释放,KM1主触头、常开触头KM1-1 KM1-3、常闭触头KM1-2、均恢复至原始状态。其中KM1-2联锁触头恢复闭合时,接触器KM2获电吸合,KM2主触头闭合,将三相制动电容器及电阻R1、R2接入定子绕组,电动机被制动,直至停转;同时,KM1-3的断开使时间继电器KT失电释放,其延时断开常开触头延时至电动机停止后,自动断开,切断接触器KM2线圈回路,使接触器KM2失电释放。至此,全部电器均恢复至原始状态。
控制线路中的电阻R1是调节电阻,用以调节制动力矩的大小,电阻R2为放电电阻。对于380伏、50赫兹的鼠笼式异步电动机,根据经验,每千瓦每相大约需150微法的制动电容,电容的工作电压应不小于电动机的额定电压。
电容制动的方法对高速、低速运转的电动机均能迅速制动,能量损耗小,设备简单,一般用于10千瓦以下的小容量电动机,并且可用于制动较频繁的场所。
三、发电制动
发电制动又称为再生制动或回馈制动。在电动机工作过程中,由于外力的作用,如起重机在高处下降重物时,可使电动机的旋转速度n2超过定子绕组旋转磁场的同步转速n1。现假定旋转磁场不动,则转子导体将以n2减n1的转速切割磁力线,使电动机转变成发电机运行。将重物的位能转变为电能反馈给电网,所以这种制动方法称为发电制动。
发电制动的经济效益好,可将负载的机械能量变换成电能反送到电网上,发电制动的不足之处是应用范围窄,仅当电动机实际转速大于同步转速时才能实现制动。发电制动常用于起重机械和多速异步电动机。如使电动机转速由二级变为四级时,定子旋转磁场的同步转速由每分钟3000转,变为每分钟1500转,而转子由于惯性,仍以原来的大约每分钟2900转的速度旋转,此时 n 大于 n1 ,电动机产生发电制动作用。
有关电动机的制动,我们已介绍了两大类,十多种控制线路。读者在今后的实际工作中,应根据工作现场的实际情况以及经济条件等因素,灵活地选用这些制动控制线路。